Чертеж листогиба: Чертежи и 3D-модели листогибов, описание и принцип работы
Содержание
Операция гибки листового металла: Типы Методы и области применения
Содержание
- Что такое операция гибки листового металла?
- Методы гибки листового металла
- 1. Гибка листового металла
- 2. Гибка вальцами
- 3. Волочение листового металла
Что такое операция гибки листового металла?
Процесс гибки листового металла включает приложение внешней силы с использованием пуансона и штампа на заданной длине заготовки. Эта внешняя сила приводит к пластической деформации заготовки. Тип изгиба и длина изгиба зависят от конструкции пуансона и матрицы.
Эта статья охватывает различные типы операций по гибке листового металла и их применение . Предлагаем вам также прочитать эту статью о резке листового металла.
Методы гибки листового металла
Доступны следующие типы методов гибки листового металла в зависимости от типа изгиба листового металла, формы изгиба и объемов производства.
- Листогибочный станок
- Гибочный станок
- Глубокая вытяжка
1. Листогибочный пресс
Листогибочный пресс или тормозной пресс в деталях из листового металла используются V-образные плоские пуансоны и матрицы для прямого изгиба листового металла под требуемыми углами. Во время гибки листового металла оператор помещает заготовку в V-образную матрицу. В матрице гибочный пуансон прижимается к заготовке из листового металла по линии изгиба.
Угол изгиба листового металла зависит от хода пуансона относительно заготовки из листового металла. А внутренний радиус изгиба зависит от радиуса пуансона. В результате оператор может использовать один и тот же пуансон и матрицу для гибки различных деталей из листового металла.
Тормозной прессГибочный инструмент для тормозного пресса
Тормозной пресс используется для гибки деталей из листового металла с небольшими объемами производства.
Потому что один и тот же пуансон и матрица могут сгибать разные детали из листового металла. Пресс-гибочные станки применяются в следующих отраслях:
- Электрические и электронные корпуса.
- Стеллажи
- Двери и т. д.
Различные виды операций прессования
Доступны следующие типы операций гибки листогибочного пресса. Каждый тип имеет свое применение.
- Воздушное изгиб
- Принуждение
- Дно
1,1). .
Таким образом, внутренний диаметр детали из листового металла контролируется V-образным отверстием. Чем больше v-образное отверстие, тем больше будет внутренний радиус изгиба.
Воздушная гибка листового металла
- Угол V-образного штампа должен быть больше угла изгиба детали из листового металла. Потому что при гибке листового металла на воздухе деталь не соприкасается со стенкой штампа.
- При гибке в воздухе оператор может контролировать угол гибки путем перемещения пуансона.

- Оператор изгибает деталь из листового металла под углом больше, чем требуется, чтобы компенсировать пружинение при изгибе на воздухе.
1.2) Нижний изгиб
Изгиб нижней части или Нижняя часть в листовом металле включает в себя изгибание деталей из листового металла таким образом, чтобы материал соприкасался с наконечником пуансона и боковой стенкой отверстия V-образной матрицы. Но пуансон и матрица не полностью соприкасаются с листовым металлом. При этом угол изгиба листа равен углу V-Die.
Как показано на изображении выше, создание дна включает следующие три шага.
Шаг 1: Поместите заготовку из листового металла на V-образный штамп.
Шаг 2: Панель из листового металла изгибает заготовку до угла пуансона, чтобы компенсировать влияние пружинения. Угол пуансона всегда меньше угла матрицы. Например, чтобы согнуть деталь из листового металла под углом 90°.
Требуются V-образная матрица 90° и угловой пуансон 88°.
Шаг 3: Когда оператор отпускает пуансон из детали, деталь из листового металла принимает угол, равный углу штампа, благодаря действию пружинения.
1.3) Чеканка
Чеканка из листового металла включает в себя гибку заготовки из листового металла с помощью пуансона и матрицы таким образом, чтобы пуансон проникал в деталь из листового металла.
Таким образом, чеканка позволяет получать высокоточные и точные детали из листового металла. Но сильное воздействие пуансонов и штампов может вызвать истончение в области изгиба.
Преимущества чеканки Работа с листовым металлом
- Высокая точность, точность и повторяемость.
- Может выполняться на старых или менее сложных машинах.
- Внутренний радиус изгиба равен радиусу пуансона.
- Без обратного действия.
Недостатки чеканки Работа с листовым металлом
- Требуются высокотоннажные машины по сравнению с воздушной гибкой или гибкой дна.

- Высокий износ.
2. Гибка
Метод гибки листового металла используется для изготовления труб, конусов или других вращающихся деталей из листового металла. В нем используются вращающиеся ролики для приложения силы к детали из листового металла и придания ей круглой формы.
Roll Bending MachineRoll Bending Operation
Минимальный рекомендуемый радиус изгиба Для гибки стального листа в 1-3 раза больше толщины листа. Принимая во внимание, что минимальный рекомендуемый радиус изгиба для алюминия составляет от 0,8 до 1 толщины листа.
3. Волочение листового металла
Процесс глубокой вытяжки
Волочение листового металла Операция включает волочение деталей из листового металла в чашеобразную форму с использованием гибочного пресса. Этот процесс очень широко используется в автомобильной промышленности для достижения высокой производительности.
Мы можем контролировать пресс для обработки листового металла в режиме онлайн с помощью системы мониторинга станков.
Часто задаваемые вопросы: FAQ
Какой метод рекомендуется для гибки деталей из листового металла для больших объемов производства?
Операция волочения листового металла является наилучшим способом изготовления деталей из листового металла в больших объемах при минимально возможных затратах.
Какой метод рекомендуется для гибки деталей из листового металла для небольших объемов производства?
Метод гибки на прессе является наилучшим способом изготовления деталей из листового металла в малых объемах производства. Он также не требует разработки каких-либо специальных инструментов.
Мы будем продолжать добавлять дополнительную информацию о различных операциях по гибке листового металла . Добавьте свои комментарии, вопросы или предложения по различным типам процессов гибки листового металла в поле для комментариев.
Как работает гибка листового металла?
ПОНИМАНИЕ ЛИСТОВЫХ МЕТАЛЛОКОНСТРУКЦИЙ
ТЕХНИЧЕСКАЯ ИНФОРМАЦИЯ
Листогибочные прессы с ЧПУ
Гибка листового металла — это производственный процесс, в ходе которого изготавливается большинство корпусов, электрических коробок, кронштейнов и компонентов с помощью станка, известного как гибочный пресс с ЧПУ или (тормозной пресс).
В этой технической статье объясняется, как производственные компании сгибают листовой металл с помощью этих типов машин. Мы надеемся, что после прочтения этой технической статьи вы лучше поймете, как работает гибка листового металла.
(Также можно использовать станки для гибки панелей, хотя их работа не рассматривается на этой странице.)
Гибка листового металла
Листовой металл сгибается, когда листогибочный пресс продавливает его между двумя инструментами: верхним инструментом (известным как пуансон) и нижним инструментом (известным как V-образный штамп). Листогибочный пресс управляет движением пуансона или матрицы и обеспечивает усилие прессования с помощью гидроцилиндров или электрических серводвигателей. Угол изгиба преимущественно определяется глубиной проникновения пуансона в V-образный штамп.
- Пневматическая гибка (трехточечная гибка): Только два верхних угла V-образного штампа касаются материала, а внутренний радиус изгиба определяется шириной отверстия V-образного штампа, а не радиусом наконечника пуансона.

- Чеканка или изгиб дна: Материал контактирует со всей внутренней поверхностью V-образного штампа, а кончик пуансона образует внутренний радиус изгиба. Требует гораздо большей силы по сравнению с изгибом на воздухе.
Воздушная гибка Радиус изгиба
При воздушной гибке внутренний радиус в основном определяется отверстием V-образной матрицы или шириной V. Предпочтительно, чтобы для любого данного материала использовалось самое большое практическое отверстие матрицы, чтобы свести к минимуму требуемое усилие, что приводит к большему радиусу. Часто желателен меньший радиус, и хорошим практическим правилом является использование минимального внутреннего радиуса, равного толщине материала. Матрицы изготавливаются определенных размеров, что ограничивает выбор радиусов для конкретного материала. По этой причине в конструкции должны быть предусмотрены большие допуски на внутренние радиусы изгиба (обычно не менее +/- 30% требуемого размера).
Длина изгиба / длина полки
Длина изгиба или длина полки определяются положением заднего упора или упора пальца, показанного черным на наших изображениях, относительно которого компоненты располагаются перед каждой операцией гибки. На наших листогибочных прессах упоры снабжены электроприводом, а их положение контролируется программой ЧПУ, что позволяет достигать нескольких различных длин гибки в рамках одного программного цикла.
В зависимости от ширины листогибочного пресса можно настроить несколько различных инструментальных станций, чтобы компонент, требующий различных настроек инструментов, можно было полностью согнуть в течение одного запуска программы. Каждый из наших листогибочных прессов имеет два обратных упора, но они имеют разные возможности перемещения обратного упора, а наши самые мощные машины могут иметь независимое движение по всем трем осям, что обеспечивает максимальную гибкость.
Конструкция и сложность деталей из листового металла
Компоненты различаются по сложности: от деталей с одним изгибом до деталей с несколькими изгибами и полками различной длины.
Современные листогибочные прессы оснащены регулируемыми упорами обратного хода, приводимыми в действие серводвигателями, против которых воздействуют компоненты вручную или роботизированным манипулятором. Чем ближе упор обратного хода к оснастке, тем короче получается фланец, и наоборот.
На сложных деталях упоры обратного хода регулируются после каждого изгиба на соответствующее расстояние, необходимое для следующего изгиба. Движение упоров обратного хода и листогибочного пресса синхронизируется контроллером ЧПУ. Программы ЧПУ могут быть созданы онлайн в пользовательском интерфейсе станка или с помощью пакета программного обеспечения для автономного программирования (или CADCAM).
Вас может заинтересовать наше руководство по проектированию компонентов из листового металла .
Возможности листогибочного пресса
Максимальное усилие листогибочного пресса определяет максимальную длину изгиба для комбинации толщины листового металла, радиуса изгиба и угла изгиба.
Усилие, необходимое для гибки листового металла, увеличивается с увеличением длины изгиба, внешнего угла изгиба и толщины листового металла и уменьшается с увеличением радиуса изгиба. Листогибочные прессы Hydram имеют различные характеристики: максимальная длина изгиба составляет 4 метра, а максимальное усилие — 250 тонн. В таблице ниже приведены некоторые типичные примеры для 9Изгибы под углом 0 градусов с использованием воздушной гибки (не чеканки).
| Толщина мягкой стали | Длина изгиба | Внутренний радиус изгиба | Требуемая сила |
| 1,5 мм | 3000 мм | 2 мм | 45 тонн |
| 3 мм | 1500 мм | 4 мм | 51 тонна |
| 6 мм | 1000 мм | 8 мм | 48 тонн |
| 9 мм | 500 мм | 13 мм | 34 тонны |
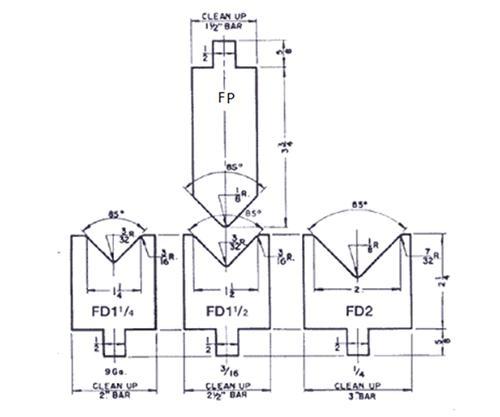
Листогибочные инструменты
Для различных задач по гибке листового металла доступны различные инструменты для листогибочных прессов.
Характеристики верхнего и нижнего инструментов варьируются в зависимости от требований к компоненту из листового металла.
Инструменты для гибки листового металла Толстые металлы
Более толстый металл обычно обрабатывается с большим радиусом изгиба, и это может быть достигнуто за счет увеличения радиуса верхнего инструмента и расстояния поперек отверстия V-образной матрицы или ширины V-образной формы.
Инструменты для гибки листового металла с острыми углами
Компоненты, требующие острого угла гибки, требуют инструментов для «перегиба». И верхний, и нижний инструменты в этом случае имеют более острый угол.
Инструменты для гибки листового металла с малым зазором
Компоненты, имеющие более одного изгиба, часто требуют специального верхнего инструмента для обеспечения зазора для существующих фланцев. Без этого зазора компонент столкнулся бы с инструментом до завершения последующей операции гибки. Этот тип инструмента часто называют гусиной шеей.
Модифицированные зажимы
Для обеспечения зазора в крайних случаях верхний инструмент можно подвешивать к балке листогибочного пресса с помощью модифицированных зажимов. Эти расширенные зажимы обеспечивают гораздо больший зазор для больших фланцев, если листогибочный пресс имеет достаточную длину хода, чтобы приспособиться к общей высоте инструмента.
Развертка заготовки из листового металла со сгибом
Размер заготовки — припуск на изгиб
При проектировании компонентов из листового металла со складками или изгибами необходимо создать развертку или развертку заготовки. Эта заготовка затем вырезается лазером или перфорируется на станке с ЧПУ, прежде чем попасть на листогибочный пресс для складывания. При создании заготовки важно, чтобы в конструкции учитывался радиус изгиба, образованный инструментом листогибочного пресса. Радиус изгиба влияет на уменьшение развернутого размера заготовки. Чем больше радиус, тем меньше заготовка, как показано в примере напротив.
Конструктивные расчеты, необходимые для разработки заготовки из листового металла, называются расчетом «припуска на изгиб».
Рассмотрение радиуса изгиба
Радиус изгиба зависит от толщины материала и инструментов, используемых для гибки материала, и каждый субподрядчик будет иметь свои собственные предпочтения в отношении инструментов, а это означает, что разные субподрядчики могут использовать разные разработки заготовок. Поэтому очень важно, чтобы конструктор или инженер-технолог знал, какие инструменты будут использоваться для гибки материала, и хорошо понимал, какое влияние это оказывает на радиус изгиба и результирующий размер заготовки. Точно так же, чтобы обеспечить точность изогнутого компонента, оператор листогибочного пресса должен знать, с каким радиусом была спроектирована деталь, чтобы сделать правильный выбор инструмента.
Инструкции по составлению чертежей и нанесению размеров компонентов из фальцованного листового металла
По возможности размер детали следует указывать в одном направлении.
Из-за последовательного характера процесса формования и того факта, что на каждом изгибе вводится изменение размеров, нанесение размеров в одном направлении параллельно процессу и помогает контролировать накопление допусков.
Разрешить более широкий допуск на длину фланца (+/- 0,2 мм), поскольку более жесткие допуски, хотя и достижимые, сделают деталь более дорогой. Часто допуски в основной надписи чертежа могут быть излишне жесткими для одних размеров и углов и подходящими для других.
По возможности не указывайте радиусы изгиба. У каждого субподрядчика будут свои предпочтения в отношении инструментов, которые определяют радиусы изгиба детали. Если важны радиусы изгиба, то по возможности используйте один и тот же радиус изгиба для всех изгибов детали. Это помогает субподрядчику свести к минимуму настройки и снизить затраты. В любом случае следует допускать большой допуск, чтобы обеспечить максимальный выбор инструмента (обычно +/- 30% от требуемого размера).
Обратите внимание, что полученный радиус не должен изменяться в пределах партии деталей, изготовленных с использованием одной и той же оснастки, несмотря на большой допуск.
Как правило, размеры следует наносить от элемента к кромке. Избегайте межэлементных размеров в двух или более плоскостях. Для размеров элемента для изгиба могут потребоваться специальные приспособления или калибры.
Должны использоваться внешние размеры, если внутренние размеры не являются критическими. Однако размеры смещений и тиснений должны быть указаны с одной и той же стороны материала, если только общая высота не является критической.
Только абсолютно критические размеры должны быть выделены как таковые. Размещение чрезмерно высоких допусков и избыточных критических размеров на чертеже может значительно увеличить стоимость детали.
Если на вашем чертеже требуется пустая проявка, пометьте ее как «Только для информации».


