Чертеж токарный станок: В Масштабе. Чертежи, 3D Модели, Проекты
Содержание
В Масштабе. Чертежи, 3D Модели, Проекты
Токарные станки используются для обработки заготовок из металла, дерева, и других подходящих материалов в виде тел вращения. Обычно цилиндрическая заготовка зажимается одной стороной в патрон, а другой центрируется в заднюю бабку. Станки позволяют обрабатывать цилиндрические и фасонные поверхности точением. С их помощью обрабатывают торцы, делают развертывание отверстий до определенных размеров, зенкерование и подрезку. В зависимости от масштабов производства используют либо оборудование с ЧПУ или универсальные токарные станки. Мощность будет напрямую зависеть от сферы применения.
Токарные станки относятся к первой группе станков (по советской классификации) и в свою очередь подразделяется на: одношпиндельные автоматы и полуавтоматы, многошпиндельные автоматы и полуавтоматы, токарно-карусельные, токарно-револьверные, токарно-винторезные, токарно-отрезные, токарные, токарно-лобовые, многорезцовые, токарно-полировальные, специализированные и специальные.
Станки можно разделить по выполняемым функциям. Токарно-фрезерный может делать обрезку, выборку пазов, точение конусных деталей. Токарно-винторезный станок способен быстро нарезать резьбу, особенно используется в массовом производстве. А вот универсальное оборудование может подходить для любых операций.
В данном разделе каталога представлены чертежи токарных станков и сопутствующего оборудования: привода главного токарно-винторезного станка, отрезной станок, шпиндель для станка, токарно-револьверный, анализ кинематической структуры, 3D модель токарно-винторезного станка, проектирование коробки скоростей, шпиндельный узел станка и т.п
Основные программы для работы
с чертежами, опубликованными на сайте:
• КОМПАС-3D • AutoCAD
• SolidWorks • T-FLEX CAD
Рейтинг: 100
Софт: КОМПАС-3D 20
Состав: Общий вид (СБ),кинематика,развертка коробки скоростей,свертка коробки скоростей,фундамент,спецификации,пз
0 0 0
Организация монтажных работ универсального токарно-винторезного станка 16К20
Рейтинг: 150
Софт: КОМПАС-3D 18
Состав: Общий вид (СБ),спецификация (ОВ),кинематическая схема (2 НА ВЫБОР),Узел коробки скоростей,установка на фундамент,ПЗ.
0 0 0
Токарно-винторезный станок модели 1А616
12345678910…→ 12
Что ищем?
В категории
Во всех категорияхCAE расчёты и симуляцияАвтоматизация и управление SCADA Автоматизация проектирования Датчики Метрология (МСС) Промышленные роботы и робототехникаБесплатноГОСТы ЕСКДИнженерные системы Вентиляция и кондиционирование Газоснабжение Кабельные системы, связь, СКС Пожарные и охранные системы Системы водоснабжения и канализации Теплоснабжение Хладотехника и холодильные установки Электроснабжение и освещениеКонкурсы Cделай это сам / DIY Будущие АСы КОМПьютерного 3D-моделирования МАСТЕР 3D Эксперт и ЗачётМашиностроение и механика Гидравлика и пневматика Клапан Двигатели ДВС Реактивные двигатели Детали машин Передачи Редукторы Соединения Металлорежущие станки и инструменты Гибочные станки Детали и узлы станков Зубообрабатывающие станки Режущий, станочный инструмент Сверлильные и расточные станки Токарные станки Фрезерные станки Шлифовальные станки Оборудование Подъемно транспортные установки (ПТУ) Конвейеры Краны Лифты Такелаж Приборостроение Бытовая техника Электронные компоненты Сварочное производство Теория механизмов и машин Теплотехника Котлы Теплообменники Турбины Технология машиностроенияМодели для станков ЧПУНачертательная геометрия и Инженерная графикаОружие Огнестрельное оружие Холодное оружиеПромышленность Добывающая, горная промышленность Инженерная Экология Лёгкая промышленность Лесное хозяйство и деревообработка Деревообрабатывающие станки МАПП Гранулирование Дозирование Измельчение Кондитерское Кристаллизация Молочное Общественное питание Очистка и сепарирование Сушка Медицинская промышленность Металлургия Литейное производство и пресс-формы Обработка металлов давлением Нефть и Газ Промышленность строительных материалов Химическая промышленность (ПАХТ и ПАПП) ЭнергетикаРазноеСельское хозяйство Механизация сельского хозяйства Технология животноводства Технология производства и переработки сельскохозяйственной продукцииСтатьиСтроительство Архитектурные формы Игровое оборудование, тренажеры, спорт Интерьер и мебель Конструкции из дерева и пластмасс Лестницы Металлоконструкции Мосты, тоннели, дороги Планы и благоустройство Проекты домов Здания социально-бытового назначения Коттеджи и частные дома Многоэтажные жилые дома Промышленные здания Проекты Производства Работ и Технологические Карты Торговое оборудование и рекламные конструкцииСхемы Кинематические схемы Структурные схемыТранспорт Авиация Автомобили грузовые Автомобили и автомобильное хозяйство (Автосервис) Автомобили легковые Бронетехника и военный автотранспорт Водный транспорт и судостроение Детали и узлы автомобилей Железнодорожный транспорт Космические системы и ракетостроение Пассажирский автотранспорт Прицепы и полуприцепы Строительные, специальные и дорожные машиныЭлектрические машины Генераторы Трансформаторы ЭлектродвигателиАтласыБиблиотекиКнигиСАПР CAD форматыУроки построения
3D модель?
Да
Нет
Не важно
Студенческая работа?
Да
Нет
Не важно
Формат файла
ЛюбойКОМПАС-3DAutoCADAutoCAD ElectricalSolidWorksInventorT-Flex CADArchiCADRevitSketchUp3ds MaxBlenderRhinoFusion 360CATIACreoNXParasolidPowershapenanoCADPro/EngineerMicrosoft VisioArtCAMDXFCorelDRAWSTEP / IGESSTLДругая
Чертежи токарно-винторезного станка 1К62
Сведения о производителе токарно-винторезного станка 1К62
Производитель токарно-винторезного станка модели 1К62 — Московский станкостроительный завод «Красный пролетарий» им.
А.И. Ефремова, основанный в 1857 году.
Станки, выпускаемые Московским станкостроительным заводом Красный пролетарий, КП
- 1А62 — станок токарно-винторезный универсальный, Ø 400
- 1К62 — станок токарно-винторезный универсальный, Ø 400
- 1К62Б — станок токарно-винторезный повышенной точности универсальный, Ø 400
- 1К282 — станок токарный восьмишпиндельный вертикальный, Ø 250
- 1К620 — станок токарно-винторезный универсальный с вариатором, Ø 400
- 1К625 — станок токарно-винторезный облегченный с повышенной линией центров, Ø 500
- 16А20Ф3 — станок токарный с ЧПУ, Ø 400
- 16Б20П — станок токарно-винторезный повышенной точности, Ø 400
- 16К20 — станок токарно-винторезный универсальный Ø 400
- 16К20ВФ1 — станок токарно-винторезный универсальный высокой точности с УЦИ, Ø 400
- 16К20М — станок токарно-винторезный механизированный, Ø 400
- 16К20П — станок токарно-винторезный повышенной точности,Ø 400
- 16К20ПФ1 — станок токарно-винторезный повышенной точностии с УЦИ, Ø 400
- 16К20Ф3 — станок токарный с ЧПУ, Ø 400
- 16К20Ф3С32 — станок токарный с ЧПУ, Ø 400
- 16К20Т1 — станок токарный с оперативным управлением, Ø 500
- 16К25 — станок токарно-винторезный облегченный с повышенной линией центров, Ø 500
- 162 — станок токарно-винторезный универсальный, Ø 420
- 1622 — станок токарно-винторезный универсальный, Ø 120
- 1730 — станок токарный многорезцовый копировальный полуатомат, Ø 410
- ДИП-40 (1Д64) — станок токарно-винторезный универсальный, Ø 800
- ДИП-50 (1Д65) — станок токарно-винторезный универсальный, Ø 1000
- ДИП-200 — станок токарно-винторезный универсальный, Ø 400
- ДИП-300 — станок токарно-винторезный универсальный, Ø 630
- ДИП-400 — станок токарно-винторезный универсальный, Ø 800
- ДИП-500 — станок токарно-винторезный универсальный, Ø 1000
- МК6046, МК6047, МК6048 — станок токарно-винторезный универсальный, Ø 500
- МК6056, МК6057, МК6058 — станок токарно-винторезный универсальный, Ø 500
- МК-3002 — станок токарный настольный, Ø 220
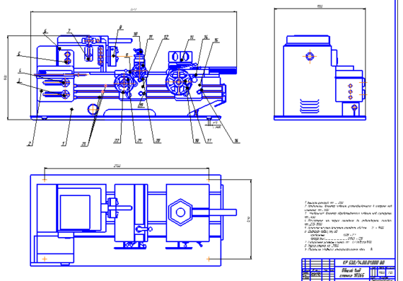
Спецификация основных узлов и органов управления токарным станком
Основные узлы и органы управления токарным станком 1к62
Основные узлы и органы управления токарным станком 1К62.
Смотреть в увеличенном масштабе
Перечень органов управления токарного станка 1К62
- Рукоятка включения на подачу, резьбу, ходовой винт и архимедову спираль;
- Рукоятки установки чисел оборотов шпинделя;
- Рукоятка установки увеличенного, нормального шага резьбы и положения при делении на многоэаходные резьбы;
- Рукоятка установки правой и левой резьбы и подачи;
- Рукоятки установки чисел оборотов шпинделя;
- Кнопка включения реечной шестерни при нарезании резьбы;
- Рукоятка индексации и закрепления резцовой головки
- Рукоятка поперечной подачи суппорта;
- Кнопочная станция пуска и останова электродвигателя главного привода;
- Рукоятка подачи верхней части суппорта;
- Рукоятка управления быстрыми перемещениями каретки и суппорта;
- Рукоятка крепления пиноли задней бабки;
- Выключатель насоса охлаждения;
- Линейный выключатель;
- Рукоятка крепления задней бабки;
- Выключатель местного освещения;
- Маховичок перемещения пиноли задней бабки;
- Рукоятки включения, выключения и реверсирования шпинделя;
- Рукоятка включения маточной гайки;
- Маховичок ручного перемещения суппорта и каретки;
- Рукоятки включения, выключения и реверсирования шпинделя;
- Рукоятка установки величины подачи и шага резьбы.

Спецификация составных частей токарного станка 1К62
- Бабка передняя (коробка скоростей) — 1К62.02.01
- Станина — 1К62.01.01
- Фартук — 1К62.06.01
- Каретка — 1К62.05.01; Суппорт — 1К62.04.01
- Охлаждение — 1К62.14.01
- Бабка задняя — 1К62.03.01
- Моторная установка — 1К62.15.01
- Коробка подач — 1К62.07.01
- Электрооборудование — 1К62.18.01
- Приклон — 1К62.78.01; Шестерни сменные — 1К62.78.02
- Ограждение — 1К62.50.01
- Переключение — 1К62.11.01
Кинематика токарно-винторезного станка 1К62
Кинематическая схема токарно-винторезного 1к62
Кинематика токарно-винторезного станка 1К62. Смотреть в увеличенном масштабе
Читайте также: Расчет кинематической настройки токарно-винторезного станка 1К62
Схема установки подшипников на токарно-винторезном станке 1К62
Схема установки подшипников на токарно-винторезном станке 1к62
Схема установки подшипников на токарно-винторезном станке 1К62.
Смотреть в увеличенном масштабе
Читайте также: Описание конструкции токарно-винторезного станка 1К62
1К62.02.01. Передняя бабка (коробка скоростей) токарно-винторезного станка 1К62
Передняя бабка (коробка скоростей) токарно-винторезного станка 1к62
Передняя бабка (коробка скоростей шпинделя) токарно-винторезного станка 1К62. Смотреть в увеличенном масштабе
Развертка передней бабки токарно-винторезного станка 1к62
1. Развертка передней бабки токарно-винторезного станка 1К62. Смотреть в увеличенном масштабе
2. Развертка передней бабки токарно-винторезного станка 1К62. Смотреть в увеличенном масштабе
3. Развертка передней бабки токарно-винторезного станка 1К62. Смотреть в увеличенном масштабе
Передняя бабка (коробка скоростей) токарно-винторезного станка 1к62
Передняя бабка (коробка скоростей шпинделя) токарно-винторезного станка 1К62. Смотреть в увеличенном масштабе
Передняя бабка (коробка скоростей) токарно-винторезного станка 1к62
Передняя бабка (коробка скоростей шпинделя) токарно-винторезного станка 1К62.
Смотреть в увеличенном масштабе
Передняя бабка (коробка скоростей) токарно-винторезного станка 1к62
Передняя бабка (коробка скоростей шпинделя) токарно-винторезного станка 1К62. Смотреть в увеличенном масштабе
Передняя бабка (коробка скоростей) токарно-винторезного станка 1к62
Передняя бабка (коробка скоростей шпинделя) токарно-винторезного станка 1К62. Смотреть в увеличенном масштабе
Передняя бабка (коробка скоростей) токарно-винторезного станка 1к62
Передняя бабка (коробка скоростей шпинделя) токарно-винторезного станка 1К62. Смотреть в увеличенном масштабе
Передняя бабка (коробка скоростей) токарно-винторезного станка 1к62
Передняя бабка (коробка скоростей шпинделя) токарно-винторезного станка 1К62. Смотреть в увеличенном масштабе
Передняя бабка (коробка скоростей) токарно-винторезного станка 1к62
Передняя бабка (коробка скоростей шпинделя) токарно-винторезного станка 1К62. Смотреть в увеличенном масштабе
Передняя бабка (коробка скоростей) токарно-винторезного станка 1к62
Передняя бабка (коробка скоростей шпинделя) токарно-винторезного станка 1К62.
Смотреть в увеличенном масштабе
Передняя бабка (коробка скоростей) токарно-винторезного станка 1к62
Передняя бабка (коробка скоростей шпинделя) токарно-винторезного станка 1К62. Смотреть в увеличенном масштабе
Передняя бабка (коробка скоростей) токарно-винторезного станка 1к62
Передняя бабка (коробка скоростей шпинделя) токарно-винторезного станка 1К62. Смотреть в увеличенном масштабе
Приклон и гитара токарно-винторезного станка 1к62
Приклон и гитара токарно-винторезного станка 1К62. Смотреть в увеличенном масштабе
Приклон и гитара токарно-винторезного станка 1к62
Приклон и гитара токарно-винторезного станка 1К62. Смотреть в увеличенном масштабе
Передняя бабка (коробка скоростей) токарно-винторезного станка 1к62
Передняя бабка (коробка скоростей шпинделя) токарно-винторезного станка 1К62. Смотреть в увеличенном масштабе
Передняя бабка (коробка скоростей) токарно-винторезного станка 1к62
Передняя бабка (коробка скоростей шпинделя) токарно-винторезного станка 1К62.
Смотреть в увеличенном масштабе
Шпиндель токарно-винторезного станка 1к62
Чертеж шпинделя токарно-винторезного станка 1К62. Смотреть в увеличенном масштабе
Читайте также: Описание конструкции шпиндельной бабки токарно-винторезного станка 1К62
1К62.03.01. Задняя бабка токарно-винторезного станка 1К62
Задняя бабка токарно-винторезного станка 1к62
Задняя бабка токарно-винторезного станка 1К62. Смотреть в увеличенном масштабе
1К62.04.01. Суппорт токарно-винторезного станка 1К62
Суппорт токарно-винторезного станка 1к62
Суппорт токарно-винторезного станка 1К62. Смотреть в увеличенном масштабе
Суппорт токарно-винторезного станка 1к62
Суппорт токарно-винторезного станка 1К62. Смотреть в увеличенном масштабе
Суппорт токарно-винторезного станка 1к62
Суппорт токарно-винторезного станка 1К62. Смотреть в увеличенном масштабе
Суппорт токарно-винторезного станка 1к62
Суппорт токарно-винторезного станка 1К62.
Смотреть в увеличенном масштабе
Суппорт токарно-винторезного станка 1к62
Суппорт токарно-винторезного станка 1К62. Смотреть в увеличенном масштабе
1К62.06.01. Фартук токарно-винторезного станка 1К62
Фартук токарно-винторезного станка 1к62
Фартук токарно-винторезного станка 1К62. Смотреть в увеличенном масштабе
Фартук токарно-винторезного станка 1к62
Фартук токарно-винторезного станка 1К62. Смотреть в увеличенном масштабе
Фартук токарно-винторезного станка 1к62
Фартук токарно-винторезного станка 1К62. Смотреть в увеличенном масштабе
Фартук токарно-винторезного станка 1к62
Фартук токарно-винторезного станка 1К62. Смотреть в увеличенном масштабе
Фартук токарно-винторезного станка 1к62
Фартук токарно-винторезного станка 1К62. Смотреть в увеличенном масштабе
Фартук токарно-винторезного станка 1к62
Фартук токарно-винторезного станка 1К62. Смотреть в увеличенном масштабе
Фартук токарно-винторезного станка 1к62
Фартук токарно-винторезного станка 1К62.
Смотреть в увеличенном масштабе
Фартук токарно-винторезного станка 1к62
Фартук токарно-винторезного станка 1К62. Смотреть в увеличенном масштабе
Фартук токарно-винторезного станка 1к62
Фартук токарно-винторезного станка 1К62. Смотреть в увеличенном масштабе
Фартук токарно-винторезного станка 1к62
Фартук токарно-винторезного станка 1К62. Смотреть в увеличенном масштабе
Фартук токарно-винторезного станка 1к62
Фартук токарно-винторезного станка 1К62. Смотреть в увеличенном масштабе
Фартук токарно-винторезного станка 1к62
Фартук токарно-винторезного станка 1К62. Смотреть в увеличенном масштабе
Читайте также: Описание конструкции фартука токарно-винторезного станка 1К62
1К62.06.01. Коробка подач токарно-винторезного станка 1К62
Коробка подач токарно-винторезного станка 1к62
Коробка подач токарно-винторезного станка 1К62. Смотреть в увеличенном масштабе
Коробка подач токарно-винторезного станка 1к62
Коробка подач токарно-винторезного станка 1К62.
Смотреть в увеличенном масштабе
Коробка подач токарно-винторезного станка 1к62
Коробка подач токарно-винторезного станка 1К62. Смотреть в увеличенном масштабе
Коробка подач токарно-винторезного станка 1к62
Коробка подач токарно-винторезного станка 1К62. Смотреть в увеличенном масштабе
Коробка подач токарно-винторезного станка 1к62
Коробка подач токарно-винторезного станка 1К62. Смотреть в увеличенном масштабе
Коробка подач токарно-винторезного станка 1к62
Коробка подач токарно-винторезного станка 1К62. Смотреть в увеличенном масштабе
Коробка подач токарно-винторезного станка 1к62
Коробка подач токарно-винторезного станка 1К62. Смотреть в увеличенном масштабе
Коробка подач токарно-винторезного станка 1к62
Коробка подач токарно-винторезного станка 1К62. Смотреть в увеличенном масштабе
Коробка подач токарно-винторезного станка 1к62
Коробка подач токарно-винторезного станка 1К62.
Смотреть в увеличенном масштабе
Коробка подач токарно-винторезного станка 1к62
Коробка подач токарно-винторезного станка 1К62. Смотреть в увеличенном масштабе
Коробка подач токарно-винторезного станка 1к62
Коробка подач токарно-винторезного станка 1К62. Смотреть в увеличенном масштабе
Коробка подач токарно-винторезного станка 1к62
Коробка подач токарно-винторезного станка 1К62. Смотреть в увеличенном масштабе
Коробка подач токарно-винторезного станка 1к62
Коробка подач токарно-винторезного станка 1К62. Смотреть в увеличенном масштабе
Читайте также: Описание конструкции коробки подач токарно-винторезного станка 1К62
Ремонт токарно-винторезного станка 1к62. Видеоролик
youtube.com/embed/hTmXBH8G9PI» frameborder=»0″ allowfullscreen=»»>Технические данные и характеристики токарно-винторезного станка 1К62
| Наименование параметра | ДИП-200 (1д62м) | 1А62 | 1К62 | 16К20 |
|---|---|---|---|---|
| Основные параметры | ||||
| Класс точности по ГОСТ 8-82 | Н | Н | Н | Н |
| Наибольший диаметр заготовки, обрабатываемой над станиной, мм | 410 | 400 | 400 | 400 |
| Наибольший диаметр заготовки, обрабатываемой над суппортом, мм | 210 | 210 | 220 | 220 |
| Наибольшая длина заготовки, обрабатываемой в центрах (РМЦ), мм | 750, 1000, 1500 | 750, 1000, 1500 | 710, 1000, 1400 | 710, 1000, 1400, 2000 |
| Наибольшая длина обточки, мм | 650, 900, 1400 | 650, 900, 1400 | 640, 930, 1330 | 645, 935, 1335, 1935 |
| Высота оси центров над плоскими направляющими станины, мм | 202 | 215 | 215 | |
| Наибольшее расстояние от оси центров до до кромки резцедержателя, мм | 228 | 228 | 240 | |
| Высота от опорной поверхности резца до оси центров (высота резца), мм | 23 | 25 | 25 | 25 |
| Наибольшее сечение державки резца, мм | 25 х 25 | 25 х 25 | 25 х 25 | 25 х 25 |
| Наибольшая масса заготовки, обрабатываемой в патроне, кг | 500 | 200 | ||
| Наибольшая масса заготовки, обрабатываемой в центрах, кг | 1500 | 460, 650, 900, 1300 | ||
| Шпиндель | ||||
| Диаметр сквозного отверстия в шпинделе, мм | 38 | 36 | 38/ 47 | 52 |
| Наибольший диаметр прутка, проходящий через отверстие в шпинделе, мм | 37 | 34 | 36/ 45 | 50 |
| Число ступеней частот прямого вращения шпинделя | 18 | 21 | 24 | 24 |
| Частота вращения шпинделя в прямом направлении, об/мин | 11,5. .600 | 11,5..1200 | 12,5..2000 | 12,5..1600 |
| Число ступеней частот обратного вращения шпинделя | 9 | 12 | 12 | 12 |
| Частота вращения шпинделя в обратном направлении, об/мин | 18..760 | 18..1520 | 19..2420 | 19..1900 |
| Размер внутреннего конуса в шпинделе, М | Морзе 5 | Морзе 5 | Морзе 5/ 6 | Морзе 6 |
| Конец шпинделя фланцевого | М90х6 | М90х6 | М90х6/ 6 | 6К по ГОСТ 12593-72 |
| Торможение шпинделя | есть | есть | есть | |
| Материал шпинделя | Ст.45 | Ст.45 | ||
| Суппорт. Подачи | ||||
| Наибольшее перемещение продольной каретки суппорта от руки, мм | 650, 900, 1400 | 650, 900, 1400 | 640, 930, 1330 | |
| Наибольшее перемещение продольной каретки суппорта по валику и по винту, мм | 650, 900, 1400 | 650, 900, 1400 | 640, 930, 1330 | 645, 935, 1335, 1935 |
| Наибольшее перемещение поперечной каретки суппорта от руки, мм | 280 | 280 | 250 | 300 |
| Наибольшее перемещение поперечной каретки суппорта по валику и по винту, мм | 280 | 280 | 250 | |
| Продольное перемещение на одно деление лимба, мм | нет | 1 | 1 | 1 |
| Поперечное перемещение на одно деление лимба, мм | 0,05 | 0,05 | 0,05 | 0,05 |
| Поперечное перемещение на один оборот лимба (шаг винта поперечного суппорта), мм | 5 | 5 | ||
| Число ступеней продольных подач | 35 | 35 | 49 | |
| Пределы рабочих подач продольных, мм/об | 0,082. .1,59 | 0,082..1,59 | 0,07..4,16 | 0,05..2,8 |
| Число ступеней поперечных подач | 35 | 35 | 49 | |
| Пределы рабочих подач поперечных, мм/об | 0,027..0,522 | 0,027..0,522 | 0,035..2,08 | 0,025..1,4 |
| Скорость быстрых перемещений суппорта, продольных, м/мин | нет | нет | 3,4 | 3,8 |
| Скорость быстрых перемещений суппорта, поперечных, м/мин | нет | нет | 1,7 | 1,9 |
| Максимально допустимая скорость при работе по упорам, м/мин | 0,25 | |||
| Количество нарезаемых резьб метрических | 25 | 19 | 44 | |
| Пределы шагов метрических резьб, мм | 1..12 | 1..12 | 1..192 | 0,5..112 |
| Количество нарезаемых резьб дюймовых | 30 | 20 | 38 | |
| Пределы шагов дюймовых резьб, ниток/дюйм | 24. .2 | 24..2 | 24..2 | 56..0,5 |
| Количество нарезаемых резьб модульных | 12 | 10 | 20 | |
| Пределы шагов модульных резьб, модуль | 0,25..3 | 0,5..3 | 0,5..48 | 0,5..112 |
| Количество нарезаемых резьб питчевых | 24 | 24 | 37 | |
| Пределы шагов нарезаемых резьб питчевых | 96..7 | 95..7 | 96..1 | 56..0,5 |
| Выключающие упоры продольные | есть | есть | есть | есть |
| Выключающие упоры поперечные | нет | нет | нет | |
| Предохранение от перегрузки | есть | есть | есть | есть |
| Блокировка одновременного включения продольного и поперечного движения суппорта | есть | есть | есть | есть |
| Резьбоуказатель | нет | |||
| Наружный диаметр ходового винта, мм | 40 | 40 | ||
| Шаг ходового винта, мм | 12 | 12 | ||
| Диаметр ходового вала, мм | 30 | 30 | ||
| Резцовые салазки | ||||
| Наибольшее перемещение резцовых салазок, мм | 100 | 113 | 140 | 150 |
| Перемещение резцовых салазок на одно деление лимба, мм | 0,05 | 0,05 | 0,05 | 0,05 |
| Перемещение резцовых салазок на один оборот лимба (шаг винта резцовых салазок), мм | 5 | 5 | ||
| Наибольший угол поворота резцовых салазок, град | ±45° | ±90° | ±90° | ±90° |
| Цена деления шкалы поворота резцовых салазок, град | 1° | 1° | 1° | 1° |
| Число резцов в резцовой головке | 4 | 4 | 4 | 4 |
| Задняя бабка | ||||
| Диаметр пиноли задней бабки, мм | 65 | 70 | ||
| Конус отверстия в пиноли задней бабки по ГОСТ 2847-67 | Морзе 4 | Морзе 4 | Морзе 5 | Морзе 5 |
| Наибольшее перемещение пиноли, мм | 150 | 150 | 150 | 150 |
| Перемещение пиноли на одно деление лимба, мм | нет | нет | 0,05 | 0,1 |
| Величина поперечного смещения корпуса бабки, мм | ±15 | ±15 | ±15 | ±15 |
| Электрооборудование | ||||
| Количество электродвигателей на станке | 1 | 2 | 4 | 4 |
| Электродвигатель главного привода, кВт | 4,3 | 7 | 10 | 11 |
| Электродвигатель быстрых перемещений, кВт | нет | нет | 0,8 | 0,75 |
| Электродвигатель гидростанции, кВт | нет | нет | 1,1 | 1,1 |
| Электродвигатель насоса охлаждения, кВт | нет | 0,125 | 0,125 | 0,12 |
| Насос охлаждения (помпа) | ПА-22 | ПА-22 | ПА-22 | |
| Габариты и масса станка | ||||
| Габариты станка (длина ширина высота) (РМЦ = 1000), мм | 2650 х 1315 х 1220 | 2650 х 1580 х 1210 | 2812 х 1166 х 1324 | 2795 х 1190 х 1500 |
| Масса станка (РМЦ = 1000), кг | 1750 | 2105 | 2140 | 3005 |
- Токарно-винторезный станок 1К62.
Руководство по уходу и обслуживанию, КП, 1962, 1966 - Токарно-винторезный станок 1К62. Рабочие чертежи, КП, 1970
- Универсальный токарно-винторезный станок 1К62. Каталог запасных частей, Станкоимпорт,
- Ремонт токарно-винторезных станков моделей 1К62, 1К625 часть 1, часть 2, часть 3, Тула, 1974
- Ачеркан Н.С. Металлорежущие станки, Том 1, 1965
- Батов В.П. Токарные станки., 1978
- Белецкий Д.Г. Справочник токаря-универсала, 1987
- Денежный П.М., Стискин Г.М., Тхор И.Е. Токарное дело, 1972. (1к62)
- Денежный П.М., Стискин Г.М., Тхор И.Е. Токарное дело, 1979. (16к20)
- Модзелевский А. А., Мущинкин А.А., Кедров С. С., Соболь А. М., Завгородний Ю. П., Токарные станки, 1973
- Оглоблин А.Н. Основы токарного дела, 1967
- Пикус М.Ю. Справочник слесаря по ремонту станков, 1987
- Схиртладзе А.
Г., Новиков В.Ю. Технологическое оборудование машиностроительных производств, 1980 - Тепинкичиев В.К. Металлорежущие станки, 1973
- Чернов Н.Н. Металлорежущие станки, 1988
Список литературы:
Связанные ссылки
1К62 Паспорт токарно-винторезного станка, (djvu) 1,8 Мб, Скачать
1К62 Руководство по ремонту токарно-винторезных станков. Часть 1. Общее описание станков и чертежи узлов
1К62 Руководство по ремонту токарно-винторезных станков 1К62, 1К625. Часть 2. Сменяемые детали
1К62 Руководство по ремонту токарно-винторезных станков 1К62, 1К625. Часть 3. Маршрутная технология сборки-разборки
Чертежи деталей, изготовленных на токарном и фрезерном станках
Чертежи деталей, изготовленных на токарном и фрезерном станках
17. Чертежи
деталей, изготовленных на токарном и фрезерном станках.
При изготовлении деталей на токарном и фрезерном станках пользуются той же графической документацией, что и при изготовлении деталей из сортового проката: чертежами, эскизами, техническими рисунками (рис. 57).
Рис. 57. Изделия, выполненные на токарном и фрезерном станках: а – вороток; 1 – зажим; 2 — ручка; б — пробойник;
в — кондуктор для сверления отверстий
Однако эти детали
часто имеют внутренние поверхности (пазы, отверстия), форму которых невозможно
определить по виду, изображенному на чертеже. Чтобы определить внутренние
поверхности, используют секущие плоскости, с помощью которых мысленно
разрезают деталь и получают изображения, называемые сечениями и разрезами (рис.
58).
Рис. 58. Получение сечения и разреза: а — деталь с секущей плоскостью; б — рассеченная деталь; в — чертеж детали; г — разрез; д — сечение
На сечении показывают только то, что находится непосредственно в секущей плоскости (рис. 58, д). Разрез — изображение рассеченной детали с показом того, что находится в секущей плоскости и что размещается за ней (рис. 58, г). Разрез, так же как и сечение, штрихуют.
Штриховку наносят только в тех местах, где секущая плоскость рассекает деталь.
Для металлических
изделий применяется штриховка тонкими сплошными линиями на небольшом расстоянии
друг от друга под углом 45° (рис. 59, а). Неметаллы (например, пластмассы)
штрихуют крест-накрест (рис. 59, б), древесину — как показано на рис.
59, в.
Детали, изготовленные на токарных и фрезерных станках, часто имеют цилиндрическую, коническую или сферическую форму и называются телами вращения. Для чертежей этих деталей характерна осевая штрих-пунктирная линия, проходящая через ось вращения (рис.58, в).
Торцевые кромки деталей вращения, как правило, срезают на конус и образуется фаска. Фаска облегчает сборку деталей и защищает руку токаря или слесаря-сборщика от порезов. Обозначение фаски показано на рис. 60. Цифра 1 показывает высоту фаски (в мм), а число 45° — угол, под которым ее срезают.
На ручке воротка
справа (рис.60) показана наружная резьба Мб. Буква М обозначает, что
резьба метрическая, а цифра показывает, что наружный диаметр резьбы равен
6 мм. Если мысленно рассечь метрическую резьбу секущей плоскостью, проходящей
через ось вращения детали, то в сечении мы увидим профиль резьбы в виде
треугольных выступов и впадин с углом при вершине 60°.
На рис. 57, а показана
внутренняя резьба в деталях воротка.
Рис. 59. Виды штриховки деталей в сечениях и разрезах: а — металлы и твердые сплавы; б — неметаллические материалы; в – древесина
Рис. 60. Ручка воротка (см. рис. 57)
Резьбовые соединения деталей очень распространены в технике: тиски крепятся к верстаку болтами и гайками, натяжение полотна ножовки регулируется с помощью гайки и подвижной головки с резьбой и т.д.
Практическая работа
Выполнение чертежей деталей с точеными и фрезерованными поверхностями
1. Выполните
чертеж зажима воротка (рис.
57, а), кернера (рис. 57,6), кондуктора для
сверления отверстий (рис. 57,в) или других деталей, предложенных учителем.
2. Рассмотрите гайки и болты, имеющиеся в школьных мастерских. Измерьте их размеры штангенциркулем и выполните эскизы.
Новые термины: Графическая документация, секущая плоскость, сечение, разрез, штриховка, тело вращения, фаска, метрическая резьба, наружная и внутренняя резьба, профиль резьбы.
Вопросы и задания
1. Что такое графическая документация?
2. Для какой цели применяется секущая плоскость?
3. Чем отличается сечение от разреза?
4. Как на чертеже пластмассовой детали штрихуется разрез?
5.
Что такое тело вращения?
6. Как на чертеже обозначается фаска? Что такое профиль резьбы?
Сайт управляется системой uCoz
Общий | Токарные конструкции / чертежи? | Практик-механик
n1person
Пластик
#1
Всем привет!
Таким образом, этим летом у меня будет круглосуточный доступ к полному механическому цеху инструментов (фрезерные станки, токарные станки, шлифовальные станки, ленточнопильные станки, сварочные аппараты и т. д.), и я подумал, что было бы полезно сделать некоторые из моих собственных станков.
для будущего.
Я помню, как много лет назад я натыкался (в Интернете) на чертежи с размерами и всем остальным для настольного токарного станка по металлу, сделанного из стандартного металла (а не из литого металла, как токарный станок Gingery). Я довольно долго безуспешно искал схемы.
Я смутно припоминаю, что дизайны были относительно старомодными (как старая научно-популярная статья, но я ее там не нашел), на сайте было много разделов для разных проектов по металлообработке, в основном гаражных и фермерских.
Есть идеи, на какие проекты я смотрел? Или кто-нибудь еще знает, где я могу получить чертежи токарных станков для деталей, выточенных из металла?
Большое спасибо
хикстик_10
Нержавеющая сталь
#2
Соберите свой собственный токарный станок, фрезерный станок и навесное оборудование
Было бы намного проще найти работу и купить станки.
n1person
Пластик
#3
Ха-ха, у меня есть работа, и я мог бы легко купить приличные машины, но я подумал, что будет веселее их делать. Спасибо за сайт!
Роберт Кэмпбелл мл.
Алмаз
#4
Дерзай, мальчик!!
n1person сказал:
Ха-ха, у меня есть работа, и я мог бы легко купить приличные машины, но я подумал, что будет интереснее их делать. Спасибо за сайт!
Нажмите, чтобы развернуть…
Первый n1, добро пожаловать на сайт!
Я полностью понимаю ваше желание делать свои собственные машины, я обычно создаю навесное оборудование и скромные машины, которые я могу найти для выполнения этой работы, но я «уверен», что смогу построить их так, чтобы они лучше соответствовали моим потребностям, и люблю вызовы, уверен, что экономлю деньги, но, конечно, недостаточно уверен, чтобы заниматься математикой…..
Существует хорошо известный миф*, в котором большая доля правды, «на токарном станке можно построить что угодно, хоть другой станок.
»
*Ной отказался бы от него, чтобы построить Ковчег.
Теперь я очень рад, что воздерживался от более сложных проектов, пока не получил свой первый токарный станок более 50 лет назад, хорошо подержанный, но оставшийся от хорошей жизни, Robling (немецкий) токарный станок с 12-дюймовым двигателем, все еще
Мой первый проект: фрезерная насадка для токарного станка, занял один день, если моя память не изменяет, то будьте осторожны! парные плоские детали с очень точно расположенными отверстиями, на токарном станке изготовлена планшайба из старого маховика (чтобы шестерни на валах правильно сцеплялись) насечки поперек материала и канавки внутри материала! сделано с помощью моей растущей швейцарской армейской универсальной волшебной машины!Жизнь была очень хорошо.
Из-за этой интуиции я пришел к выводу, что цена на отличный подержанный станок часто может быть ценой металлолома, даже меньше, что является лучшей ценой , которую вы найдете за металл, из которого вы сделаете свой токарный станок.
из-за потери 50% брака в процессе сборки, окончательный проект удручающе падает ниже полезности станка за 300 долларов, от которого вы отказались, и только остаток вашей жизни остался, чтобы делать проекты, для которых вы хотели токарный станок в первом место. О да, незаменимая механическая сокровищница быстро исчезает.
С тех пор я заполнил свой магазин абсолютно восхитительными машинами по цене металлолома, а часто и дешевле, и перешел прямо к волшебным вечным двигателям, для которых я хотел построить этот первый токарный станок, и это уже было проверено, миллионы раз раньше, так что я бы доказал ничего кроме мастерства, которое, я уверен, развивалось гораздо быстрее, чем если бы я начал с ножовки и напильника. Моим прозрением было объявление в газете о моем первом токарном станке сразу после того, как я оценил материал, чтобы построить действительно жалкая версия . Allthread ходовой винт действительно!
Но эй, не позволяйте никому испортить ваши мечты, опубликуйте много фотографий сборки, и если вы хотите действительно произвести на нас впечатление, ведите тщательный учет своих затрат, времени и покажите качество вашего готового токарного станка и то, что он производит .
Ослепи нас!
Но просто помните, что за десятую часть времени и затрат вы могли бы построить все эти машины мечты с более высокой точностью, затем спрятать оригинальные машины, которые вы купили за гроши, и просто дайте нам всем предположить, что вы начали с царапать, сидя со скрещенными ногами молотком и зубилом, тем самым возвысив себя от героя до супергероя!
Боб
М-бокс
Алюминий
#5
Посмотрите на список Craigs, в зависимости от того, где вы находитесь, вы можете найти работающую машину по цене ниже стоимости металлолома, в прошлом году я купил 80-летний токарный станок Star за 300 долларов, это дешевле, чем жалкие микротокарные станки, которые они продают в гавани.
фрахт и вес в 700 фунтов стоят 0,40 доллара за фунт, я не могу покупать металл так дешево.
Если вы хотите построить свой собственный просто потому, что хотите, дерзайте, я желаю вам удачи! С удовольствием посмотрю, выкладывайте фотки!
4ГСР
Алмаз
#6
Джон Одер может разработать дизайн для вас.
$$$$
Армениус
Чугун
#7
ОП,
Я далек от того, чтобы отговаривать вас от вашего стремления построить токарный станок; но построить точную машину — задача не из лёгких.
Как и другие советовали вам, я также хотел бы побудить вас приобрести североамериканский или европейский токарный станок хорошего качества. Японский токарный станок тоже заслуживает уважения.
Затем вы можете направить свои амбиции на проектирование и изготовление инструментов и приспособлений для этого токарного станка. Планшайбы, опорные пластины патрона, держатели метчиков и матриц, вращающиеся центры, фрезерные приспособления, делительные головки, шлифовальные станки, цанговые патроны и т. д. и т. д. список практически бесконечен.
Если вы настаиваете на том, чтобы прокатить свой собственный токарный станок, посмотрите, можете ли вы достать старые выпуски журнала Model Engineer Magazine, британского издания, которое существует уже более 100 лет.
Несколько лет назад (десятилетия???) один парень описал свои испытания и невзгоды при проектировании, сборке и оснащении своего токарного станка всеми вообразимыми приспособлениями!
Это послужит хорошей отправной точкой и избавит вас от необходимости заново изобретать велосипед. Насколько я помню, для создания этого драгоценного камня не требовалось никаких отливок.
Каталог инженеров-моделей доступен в режиме онлайн для вашего удовольствия от поиска.
Арминий
n1person
Пластик
#8
Спасибо за все советы! Я обязательно выложу фотографии, как только закончу!
Я планирую сделать этого маленького человечка (Создать самодельный мини-токарный станок), я не ожидаю, что стоимость материалов будет очень большой (и есть много лома, который мне разрешат использовать бесплатно).
В прошлом я занимался механической обработкой различных вещей (в основном модели двигателей), и было бы неплохо иметь дома такую штучку для работы, и я надеюсь, что это будет интересный проект.
Роберт Кэмпбелл мл.
Алмаз
#9
Удачи! Скромное усилие, не подверженное многим из моих предсказанных ловушек.
Боб
Армениус
Чугун
#10
n1p,
Погуглите Билла Хаксхолда и посмотрите на его полнофункциональную масштабную модель токарного станка Hardinge toolroom. А также такие штуки, как делительная головка и т. д., не говоря уже о его моделях паровых машин!
Он не использовал специально изготовленные отливки, использовал механитовый брусок в соответствии с гарантией.
Билл является членом Общества инженеров-моделей Торонто, где я с ним и познакомился.
Его работы действительно вдохновляют.
Только что посмотрел сайт, на который вы ссылались; что вы ожидаете сделать на вашем готовом токарном станке проекта?
Арминий
Последнее редактирование:
Форрест Эдди
Алмаз
#11
Полнофункциональный токарный станок с 17-дюймовым двигателем, способный пройти обычную контрольную проверку, вероятно, потребует от опытного механика около года полной занятости на его проектирование и сборку. Есть много возможных сокращений, приобретенные сменные шестерни, отвод тепла обработка и прецизионное шлифование, передача шпинделя и т. д., естественно, будет экономия времени.0007
Если ваши прицелы можно немного опустить, электроника может быть встроена в конструкцию, чтобы заменить функции зубчатой подачи и нарезания резьбы, что также может сэкономить время.
Вы можете сделать машину из готовых изделий, привинтить линейные подшипники и т. д., но она будет несколько более неуклюжей, чем станок, спроектированный и собранный на заводе. Вам почти придется жить с бородавками вашего прототипа и всем остальным, в то время как производители станков годами совершенствовали дизайн, что привело к высокоразвитой и оптимизированной машине.
Я хочу сказать, что если вы строите свой собственный токарный станок в качестве интеллектуального упражнения, сделайте это и гордитесь своими успехами. Если вам нужен работающий станок, который вы сможете использовать в ближайшие годы, вы можете быть разочарованы.
Я не хочу подавлять ваш энтузиазм, но внимательно изучите будущее и направьте свои усилия на достижимые цели. Я слышал, что один час инженерной доработки сокращает производство прототипа на десять часов. Держите нож острым.
Удачи. Исследования будут вашим самым большим ресурсом. Понимание своих ограничений и умеренное практическое смирение в совокупности составляют второе.
ЭклектикаНеофит
Пластик
#12
N1,
Вам удалось завершить сборку токарного станка?
-Верн
хикстик_10
Нержавеющая сталь
№13
Боже мой, ЗОМБИ ТРЕД!!!!!!!!!!!!!!!! Нет, он никогда этого не делал, и он мечтает о другом бездельнике в длинном… очень длинном списке людей, которые говорят: «Я построю это сам».
Первый признак того, что что-то НИКОГДА не будет построено, — это поиск бесплатных планов в сети.
ДМФ_ТомБ
Алмаз
№14
Я построил токарный станок в имбирном стиле. Честно говоря, через 10 лет я заменил его на любительский токарный и фрезерный станок американского производства с ЧПУ.
……. хорошо спроектированная машина меньше по размеру, более компактна и, как правило, может делать больше, и в долгосрочной перспективе, после того, как все небольшие затраты были добавлены, и время, потраченное впустую на создание единственной в своем роде машины, купленная машина дешевле. . Я бы посоветовал купить фрезерный станок с ЧПУ и токарный станок и пройти несколько курсов ЧПУ в вечерней школе, и, по крайней мере, опыт может помочь вам получить работу в качестве станочника с ЧПУ.
……. не так много рабочих мест для тех, кто делает самодельные токарные и фрезерные станки. Текущая работа, которую я выполняю сейчас, заключается в профессиональной обработке больших отливок, часто весом более тонны, на большом станке с ЧПУ, который будет использоваться для изготовления профессиональных станков для изготовления зубчатых колес с ЧПУ. Я получил эту работу после того, как прошел вечерние курсы ЧПУ в местном колледже, и меня уволили с работы, которую я проработал более 32 лет, когда старая компания закрыла здание. Я настоятельно рекомендую пройти курсы вечерней школы.
тревж
Титан
№15
хикстик_10 сказал:
Господи, ЗОМБИ ТРЕД!!!!!!!!!!!!!! Нет, он никогда этого не делал, и он мечтает о другом бездельнике в длинном… очень длинном списке людей, которые говорят: «Я построю это сам».
Первый признак того, что что-то НИКОГДА не будет построено, — это поиск бесплатных планов в сети.
Нажмите, чтобы развернуть…
Я с тобой там!
Я прочитал книгу Л.К. Мейсон, много лет назад, и это стоило того, чтобы прочитать его.
Было бы гораздо разумнее преодолевать трудности, если бы равные или лучшие машины не были доступны для эквивалента заработной платы бедняков в наши дни.
Книгу стоило прочитать, кое-что из нее узнал, но стал бы я это делать или предлагать кому-нибудь, что это хорошая идея, нет!
Ура
Трев
Болдуин
Чугун
№16
Армениус сказал:
К OP,
Я далек от того, чтобы отговаривать вас от вашего стремления построить токарный станок; но построить точную машину — задача не из лёгких.
Как и другие советовали вам, я также хотел бы побудить вас приобрести североамериканский или европейский токарный станок хорошего качества. Японский токарный станок тоже заслуживает уважения.
Затем вы можете направить свои амбиции на проектирование и изготовление инструментов и приспособлений для этого токарного станка. Планшайбы, опорные пластины патрона, держатели метчиков и матриц, вращающиеся центры, фрезерные приспособления, делительные головки, шлифовальные станки, цанговые патроны и т. д. и т. д. список практически бесконечен.
Если вы настаиваете на том, чтобы прокатить свой собственный токарный станок, посмотрите, можете ли вы достать старые выпуски журнала Model Engineer Magazine, британского издания, которое существует уже более 100 лет. Несколько лет назад (десятилетия???) один парень описал свои испытания и невзгоды при проектировании, сборке и оснащении своего токарного станка всеми вообразимыми приспособлениями!
Это послужит хорошей отправной точкой и избавит вас от необходимости заново изобретать велосипед.
Насколько я помню, для создания этого драгоценного камня не требовалось никаких отливок.
Каталог инженеров-моделей доступен в режиме онлайн для вашего удовольствия от поиска.
Арминий
Нажмите, чтобы развернуть…
ME Volume 52, issue 1244 page 243 выглядит так, как будто это начало серии статей «Создание легкого и недорогого станка и стенда»
Это период с 1923 по 1949 год.
Не знал, что это старая тема. Хо хм!
Стив
Кап48
Алюминий
# 17
http://concretelathe.wikispaces.com/file/view/guide_1751_en+3.
22.pdf Пэт Делани, который пытался придумать метод изготовления станков в развивающихся странах, заново открыл этот процесс и адаптировал его, чтобы он мог можно использовать для создания Multimachine, 12-дюймового качели, токарного/фрезерного/сверлильного станка по металлу примерно за 150 долларов.0127 Вы хотите отлить свои собственные детали. Дэвид Гринджери, Создание угольного завода. Удачи. Размещайте фотографии. Чао.
Джекари2003
Пластик
# 18
Текущий журнал Model Engineers Workshop показывает подробную конструкцию моего токарного станка Stepperhead, который можно собрать с электроникой или без нее.
Вот описание Заголовок страницы.
С уважением
Алан
ЭклектикаНеофит
Пластик
# 19
Приношу свои извинения за поднятие старой темы.
Джекари… спасибо за ссылку!
С уважением,
-Верн
Страница онлайн-ресурсов
Blueprint | Прибыль | Токарная обработка дерева
Я рад, что вы здесь. Я собрал некоторые ресурсы, которые помогут вам в вашем путешествии по токарной обработке дерева. Сначала они организованы с помощью токарных станков, затем еще несколько проектов, которые вы, возможно, захотите рассмотреть, и, наконец, бизнес-ресурсы, когда вы начнете продавать свои токарные изделия.
Если вы пришли сюда через поисковую систему, нажмите на ссылку, чтобы увидеть больше информации о книге, которую поддерживает эта страница.
Создайте свой набор навыков с помощью 7 последовательных проектов
Давайте начнем со знакомства с вашим токарным станком по дереву. Все оборудование работает лучше, когда вы знаете, как оно работает, что делает каждая часть и каждая часть работает правильно. Даже если вы смотрите на совершенно новый токарный станок, прочитайте эту статью «Как обслуживать ваш токарный станок по дереву», чтобы понять, как все работает вместе.
Следующий предмет, который вам понадобится, это токарные заготовки. У многих людей валяются обрезки 2×4, если вы еще не использовали их в камине! На некоторых складах пиломатериалов есть мусорные баки, где короткие куски можно получить бесплатно. Принесите эти обрезки к настольной пиле и сделайте несколько свободных токарных заготовок, чтобы попрактиковаться.
Теперь у вас есть токарный станок и несколько токарных заготовок.
Пора крутить дрова!
Техника токарной обработки по дереву
Как пользоваться черновым строжком – здесь показано, как закруглить заготовки шпинделя. Долото для черновой обработки шпинделя обычно является первым инструментом, используемым при токарной обработке шпинделя.
Как шлифовать токарные изделия – это процесс, который я использую для шлифования деревянных токарных изделий. Не спешите и не пропускайте какой-либо из размеров зернистости, и всегда протирайте шлифовальный круг после каждой зернистости наждачной бумаги, которую вы используете.
Как сделать линию выжигания – добавление линии выжигания – это простая декоративная техника, которая действительно украсит ваши закругления. Это очень легко сделать. Только не тяните слишком сильно за проволоку на длинных тонких шпинделях!
Как использовать инструмент для захвата колец. В этой статье показано, как использовать инструмент для захвата колец, чтобы сделать кольца на токарных станках. Они могут быть добавлены к вашим ковшам для меда и спуртам в верхней части ручки.
Здоровье и безопасность токарного станка
Обеспечение безопасности и здоровья во время токарной обработки дерева имеет решающее значение. Безопасность должна быть вашей заботой номер один. Если вы устали, сейчас не время поворачиваться. Если вас беспокоит конкретная процедура или то, насколько хорошо заготовка держится на токарном станке, самое время сделать шаг назад и пересмотреть свои действия. Настройте себя или свои инструменты и повторите попытку. Убедитесь, что вы чувствуете себя в безопасности и чувствуете себя комфортно во время всех процедур, которые вы делаете.
Безопасность при токарной обработке древесины. Советы по безопасному использованию токарного станка.
Сохранение здоровья токарного станка — рассказывает о различных аспектах токарной обработки и о том, как это может повлиять на ваше здоровье. От наличия станка на нужной высоте до надлежащей защиты от древесной пыли — все это может повлиять на удовольствие от токарной обработки.
Проверьте свою древесину – положить любую древесину на токарный станок легко, но безопасно ли это? Респираторные проблемы от пыли некоторых распространенных пород дерева могут серьезно повлиять на ваше здоровье.
Рассыпанная древесина и такие виды, как кедр и можжевельник, могут вызывать аллергические реакции.
Больше проектов по точению по дереву
По мере того, как вы будете практиковаться и совершенствовать свои навыки токарной обработки с помощью проектов Blueprint, вы сможете выполнять и другие проекты. Это общая идея дополнительных проектов, которые вы можете попробовать.
Начальный проект Связанные проекты
- Рождественские елки Делайте много елок!
- Деревянные сосульки Подъемник для крышек – кухонная утварь для подъема крышек консервных банок из горячей воды
- Garden Dibbler Устройство для намотки клубков пряжи – инструмент, используемый вязальщицами и мастерами по волокну
- Honey Dipper Sett Gauge — еще один инструмент для художников по волокну
- Spurtles Маркеры рядов – длинные и тонкие, используются в саду
- Игольницы Грибная коробка — увеличенная версия коробки с крышкой
- Булавки для шали Крышка для банки Mason Jar – хорошее введение в токарную обработку лицевой панели
И просто для удовольствия, вот еще два проекта для использования на кухне.
Так приятно видеть, что ваши повороты используются изо дня в день. Вот как можно повернуть скалку и как повернуть краут-фунтовку.
Ресурсы для бизнеса
Для многих токарных мастеров деловая сторона хобби подкрадывается к ним. Токарная обработка великолепна и доставляет массу удовольствия, а потом вы начинаете задаваться вопросом, что делать со всеми токарными работами, которые вы произвели. Эти статьи дадут вам идеи для вашего следующего шага. Каждый токарь уникален и сталкивается со своими проблемами. Взгляните и узнайте, что поможет вам в вашем путешествии по токарной обработке дерева.
Маркетинг
- Что будет продаваться – какие продукты будут продаваться для вас?
- Какую цену я должен назначать – оценить свою работу сложно
- Планирование выставки – 6 ключевых моментов для ее успеха
- Отправляясь на выставку – 7 ошибок, которых следует избегать
Запасы и производство
- Какие продукты хорошо продаются вместе – планируйте обороты, чтобы улучшить продажи
- Организуйте свою работу – как настроить производственный цикл на токарном станке
Администрация
- Брать ли мне кредитные карты – эта опция увеличивает возможности ваших продаж
- Следите за своими наличными – обращение с наличными на выставках или рынках имеет решающее значение
Обучение повороту требует времени и практики.
Ведение бизнеса также требует времени и практики. Наслаждайтесь обеими частями вашего путешествия по дереву. Оставьте комментарий ниже и дайте мне знать, как у вас дела. Спасибо, что зашли.
Патент на токарный станок. План плаката. Старинные станки
Etsy больше не поддерживает старые версии вашего веб-браузера, чтобы обеспечить безопасность пользовательских данных. Пожалуйста, обновите до последней версии.
Воспользуйтесь всеми преимуществами нашего сайта, включив JavaScript.
Товар на фото Основной цвет: Старая бумага
Вариант выбран!
Этот вариант продан.

Товар на фото представлен в цвете Основной цвет: Меловая доска
Вариант выбран!
Этот вариант продан.
Предмет на фото в Основной цвет: Blueprint
Вариант выбран!
Этот вариант продан.

Товар на фото в Основной цвет: Белый
Вариант выбран!
Этот вариант продан.
Товар на фото в Основной цвет: темно-синий
Вариант выбран!
Этот вариант продан.

Товар на фото в цвете Основной цвет: красный
Вариант выбран!
Этот вариант продан.
Нажмите, чтобы увеличить
Звездный продавец
Star Sellers имеют выдающийся послужной список в обеспечении отличного обслуживания клиентов — они постоянно получали 5-звездочные отзывы, вовремя отправляли заказы и быстро отвечали на любые полученные сообщения.
|
10 730 продаж
|
5 из 5 звезд
Цена:
от 10,19 евро
Первоначальная цена:
от 14,57 €
(скидка 30%)
Загрузка
Мало на складе 907:15
НДС включен (где применимо)
Размер
Выберите размер
Фотобумага 5×7 дюймов (11,53 евро)
Фотобумага 8×10 дюймов (13,40 евро)
Фотобумага 11×14 дюймов (21,17 евро)
Фотобумага 12×17 дюймов (21,73 евро)
Фотобумага 16×20 дюймов (30,14 евро)
Фотобумага 18×24 дюйма (33,29 €)
Фотобумага 20×24 дюйма (37,13 евро)
Фотобумага 20×28 дюймов (44,83 евро)
Фотобумага 24×36 дюймов (49,96 евро)
Открытка 10×15 см (10,19 €)
Фотобумага 21×30 см (13,40 €)
Фотобумага 30×42 см (21,73 €)
Фотобумага 42×61 см (30,72 евро)
Фотобумага 50×70 см (44,83 €)
Фотобумага 61х91 см (49,96 евро)
Фотобумага 91×120 см (70,47 €)
Выберите размер
Основной цвет
Выберите цвет
Старая бумага
классная доска
План
Белый
темно-синий
Красный
Выберите цвет
Количество
12345678910
Продается быстро! Осталось всего 10, и у 1 человека в корзине.
Продавец звезд. Этот продавец неизменно получал 5-звездочные отзывы, вовремя отправлял товары и быстро отвечал на все полученные сообщения.
Исследуйте связанные категории и поиски
Внесен в список 10 октября 2022 г.
26 избранных
Сообщить об этом элементе в Etsy
Выберите причину… С моим заказом возникла проблемаОн использует мою интеллектуальную собственность без разрешенияЯ не думаю, что это соответствует политике EtsyВыберите причину…
Первое, что вы должны сделать, это связаться с продавцом напрямую.
Если вы уже сделали это, ваш товар не прибыл или не соответствует описанию, вы можете сообщить об этом Etsy, открыв кейс.
Сообщить о проблеме с заказом
Мы очень серьезно относимся к вопросам интеллектуальной собственности, но многие из этих проблем могут быть решены непосредственно заинтересованными сторонами.

.600
.1,59
.2
Руководство по уходу и обслуживанию, КП, 1962, 1966
Г., Новиков В.Ю. Технологическое оборудование машиностроительных производств, 1980

Насколько я помню, для создания этого драгоценного камня не требовалось никаких отливок.

