Цифры на болтах: Маркировка на болтах, что означает
Содержание
Характеристики и преимущества высокопрочного крепежа
Высокопрочные болты, винты и шпильки при небольших габаритах способны обеспечить разъемное соединение, не уступающее по прочности сварному и превосходящее заклепочное. Интенсивно эксплуатируемая техника или массивные строительные металлоконструкции требуют применения именно высокопрочного крепежа. Стремление снизить расходы и использовать в ответственных узлах крепления низкопрочные детали может привести к быстрому разрушению конструкций или выходу из строя механизмов.
Перед внедрением высокопрочного крепежа в той или иной проект проектировщики производят точный расчет болтовых соединений с учетом силовой нагрузки на метизы и их прочностных характеристик. К сожалению, в отечественной промышленности объем использования высокопрочных крепежных изделий меньше, чем в развитых зарубежных странах. Это связано с отсутствием достаточной информации о преимуществах и эффективности их применения, а также технической литературы и справочных данных для их практического использования.
Создание долговечной выносливой техники также невозможно без особо прочного крепежа. К сожалению, но факт, что наши автомобили часто не выдерживают даже гарантийного срока эксплуатации из-за крепежных деталей низкой прочности, чего не скажешь об автомобильном парке немецкого, японского, французского, американского производства. Но ситуация в нашей стране постепенно налаживается не только за счет импорта высокопрочного крепежа, но и из-за того, что многие отечественные метизные заводы налаживают его выпуск по российским и европейским стандартам.
В чем отличие высокопрочного крепежа от обычного?
Главное отличие от метизов общего назначения заключается в особых физико-механических свойствах высокопрочного крепежа, которые дают ему возможность воспринимать более тяжелую нагрузку. К примеру, болт высокого класса прочности 12.9 разорвется при нагрузке 1200 Н/мм², а аналогичный по диаметру низкого класса 4.8 – при 420 Н/мм², то есть при нагрузке в 2.
7 раза меньшей.
Высокопрочный винт ISO 7380-1 класса прочности 10.9
Помимо колоссальной стойкости к повышенным нагрузкам, крепеж высокого класса прочности дает еще целый ряд преимуществ:
-
Снижение металлоемкости изделий и конструкций, при одновременном сохранении надежности крепежных узлов. Это достигается путем использования меньших по размеру винтов, но рассчитанных на более высокие нагрузки. -
Использование шпилек меньшего диаметра влечет за собой уменьшение диаметра монтажных отверстий и, как следствие, повышение прочности металлоконструкций, фланцевых соединений. Кроме того, замена обычных метизов на более прочные позволяет сократить количество точек крепления, снизив тем самым затраты на крепеж. -
Возможность применения в различных климатических условиях. Высокопрочные болты северного исполнения могут эксплуатироваться в условиях сурового климата до -60°С (маркировка «ХЛ») или средних холодных температур до -40°С (маркировка «У»).
-
Способность воспринимать постоянные, переменные и особые нагрузки (подвижные, вибрационные, динамические, сейсмические). -
Возможность применения в конструкциях, эксплуатируемых в слабо-, средне-, сильноагрессивных средах с использованием защитных металлических или лакокрасочных покрытий. -
Создание сдвигоустойчивых соединений. В обычном болтовом соединении при нагрузке на сдвиг происходит смещение соединяемых элементов, равное величине зазора между шпилькой и стенкой отверстия. Высокопрочный болткомплект позволяет стянуть элементы с большим усилием, благодаря чему между ними возникает трение, исключающее сдвиг. Такое соединение называется фрикционным.
Преимущества перед сварочным соединением:
-
Соединения на болтах снижают трудоемкость монтажа, позволяют вести сборку силами рабочих невысокой квалификации, автоматизировать, механизировать сборочный процесс. -
Применение высокопрочных болтовых соединений при монтаже металлоконструкций позволяет использовать элементы из трудносвариваемых сталей повышенной прочности.
-
Возможность визуального контроля целостности монтажного соединения на болтах, тогда как в сварных швах могут быть скрытые дефекты.
Преимущества перед заклепочным соединением:
Сегодня при возведении металлоконструкций на смену заклепкам пришли высокопрочные болткомплекты, которые более выносливы переменным нагрузкам за счет равномерного распределения напряжения по сечению болтового соединения. К тому же в отличие от заклепок они могут быть легко заменены в случае износа, дают возможность сборки/разборки конструкции, могут использоваться многократно, что облегчают ремонт оборудования.
Высокие классы прочности и их расшифровка
Согласно международной классификации резьбовых метизов, к высокопрочным болтам, винтам, шпилькам относятся изделия, имеющие цифровую маркировку классов прочности 8.8, 9.8, 10.9, 12.9, а к сверхпрочным – 14.9. Это важнейшая из характеристик, которая обязательно учитывается в любом проекте.
Чем выше эти значения, тем прочнее, выносливее, качественнее и соответственно дороже метиз.
Первая цифра указывает на предельную нагрузку на растяжение, при которой крепеж разорвется. Эта величина называется пределом прочности на разрыв, определяется как одна сотая от номинального временного сопротивления, выражается в МПа или Н/мм².
Например, для болта 10.9 она равняется: 10 / 0,01 = 1000 МПа (Н/мм²).
Вторая цифра говорит нам о напряжении, при котором крепеж необратимо деформируется при изгибе, а называется этот параметр – предел текучести. Определяется умножением первой цифры на вторую и на 10.
Например, для того же болта 10.9 он равен: 10х9х10 = 900 МПа (Н/мм²).
При расчете соединения для заданной нагрузки значение предела текучести умножают на коэффициент 1/2 или 1/3 для обеспечения 2-х или 3-кратного прочностного запаса.
Марки сталей и особенности изготовления крепежа высокой прочности
Крепежные изделия классов от 8.
8 до 14.9, включая болты для автомобильной промышленности, производятся из конструкционных среднеуглеродистых сталей, легированных упрочняющими добавками. Эксплуатационные свойства крепежа определяются двумя факторами:
Самые популярные марки: 35, 40, 40Х Селект, 38ХА, 30ХГСА, 35ХГСА, 40ХН2МА, 38ХГНМ. Реже используют слаболегированные борсодержащие стали марок 12Г1Р, 20Г2Р, 30-35Г1Р. Стали, легированные бором, обладают благоприятным сочетанием прочностных и пластических свойств, но из-за некоторых технологических трудностей при их выплавке, их внедрение в метизное производство сдерживается.
Исходное сырье поступает на производство в виде стержней или проволоки. Болты формируют методом холодной штамповки под давлением на высадочных автоматах, затем на них наносят резьбу на накатных автоматах. Для придания готовым изделиям высоких прочностных характеристик, эксплуатационной надежности и устранения хрупкости их подвергают термическому упрочнению путем нагревания в закалочной печи и последующему отпуску (охлаждению).
Таблица 1. Марки сталей, рекомендованные для изготовления болтов, винтов, шпилек высоких классов прочности.
|
Класс прочности |
8.8 |
10.9 |
12.9 |
|
Марка стали |
Ст.35, Ст.35Х, Ст.38ХА, Ст.40Х, Ст.20Г2Р |
Ст.35Х, Ст.38ХА, Ст.45Г, Ст.40Г2, СТ.40Х, Ст.40Х Селект Ст.30ХГСА, Ст.35ХГСА |
Ст.30ХГСА, Ст.35ХГСА, Ст.40ХНМА |
|
Граница прочности, МПа |
800…830 |
1000…1040 |
1200…1220 |
|
Граница текучести, МПа |
640. ..660
|
900…940 |
1080…1100 |
|
Твердость по Бринеллю, НВ |
242…318 |
304…361 |
366…414 |
Стандарты ГОСТ и DIN на высокопрочный крепеж
Сегодня “высокопрочка” поступает на рынок от отечественных, европейских и азиатских производителей. И если качество китайского крепежа вызывает недоверие у потребителей, то российский и европейский продукт пользуется большим спросом. Во многих зарубежных нормативах DIN, EN прописано использование болткомплектов (болт, гайка, шайба в сборе) от одного производителя. В наших документах нет таких правил. Нет в них и требований по виду защитного покрытия, тогда как европейские метизы оцинковываются, как правило, горячим методом.
Таблица 2. Стандарты на высокопрочный крепеж в России и Европе.
|
Национальные стандарты РФ |
Европейские стандарты |
|
ГОСТ Р 52643-2006 Общие технические условия |
DIN EN 14399-1:2006 Общие требования |
|
ГОСТ Р 52644-2006 (ИСО 7411:1987) Болты |
DIN EN 14399-2:2006 Проверка пригодности к предварительным натяжениям |
|
ГОСТ Р 52645-2006 (ИСО 4775:1984) Гайки |
DIN EN 14399-4:2006 Гарнитуры из болтов и гаек. Система HV |
|
ГОСТ Р 52646-2006 (ИСО 7415:1984) Шайбы |
DIN EN 14399-5:2006 Шайбы |
|
|
DIN EN 14399-6:2006 Шайбы с фаской |
Основные виды высокопрочных болтов, винтов и шпилек, используемые в России строительными компаниями и машиностроительными предприятиями:
-
ГОСТ 52644, ГОСТ 22353, DIN 6914, ISO 7412
Перечисленные стандарты распространяются на шестигранные болты высокой прочности (БВП), разработанные для использования при монтаже строительных металлоконструкций из стали, а также в мостостроении и тяжелом машиностроении для создания высоконагруженных соединений.
Размерный ряд ограничен диаметрами М16 – М48. Выпускаются в климатическом исполнении «У» и «ХЛ»
-
ГОСТ 7798, ГОСТ 7805, DIN 933, DIN 931, ISO 4014, ISO 4017
Стандарты на БВП с нормальной шестигранной головкой, полной и неполной резьбой, используемые для скрепления деталей и элементов конструкций в автомобилестроении, других производственных и строительных областях. Имеют широкий диапазон диаметров от М3 до М64. Выпускаются без покрытия или оцинкованными разными способами (гальваническим, термодиффузионным, горячим). Аналоги с мелкой резьбой – DIN 960, DIN 961.
-
DIN 912, DIN 6912, ГОСТ 11738, ISO 4762
По данным стандартам изготавливаются винты с внутренним шестигранником и головкой в форме цилиндра, которые используются в самых разных отраслях промышленности. Винты DIN, ISO имеют более длинный перечень размеров, выпускаются только в высоких классах прочности 8.
8, 10.9, 12.9, тогда как ГОСТ допускает их изготовление и низких классов, но ограниченного диаметра от М3 до М36.
-
DIN 444, ГОСТ 3033-79
Настоящие стандарты описывают требования к откидным винтам (болтам) с ушком и метрической резьбой диаметром от М5 до М36, которые применяются в станочных приспособлениях, в качестве детали соединения в машиностроении или совместно со строительными анкерами с внутренней резьбой.
-
DIN 975, DIN 976
Данные стандарты регламентируют размеры, длину, шаг и тип резьбы резьбовых шпилек (штанг). К высокопрочным относят шпильки с границей прочности 800…1200 Нм. Они имеют фиксированную длину 1000 или 2000 мм, диаметр от М4 до М48. Применяются в машиностроении, строительной отрасли, при монтаже кабельно-трубных эстакад.
Все вышеперечисленные метизы изготавливаются в черном исполнении (под покраску) и оцинкованном различными способами.
Усилие затяжки высокопрочных болтов
При установке БВП следует учитывать характер монтажного соединения: сдвигоустойчивое (фрикционное) или с несущими болтами. В первом случае соединение затягивается до требуемой (проектной) величины динамометрическими ключами для обеспечения сил трения между соединяемыми элементами. Момент затяжки – это усилие, приложенное к гайке или головке винта и создающее в теле метиза контролируемое усилие натяжения. Расчетные значения момента закручивания и усилия предварительной затяжки болтов сведены в специальные справочные таблицы.
Таблица 3. Нормы затяжки болтов (коэффициент трения 0,14)
|
Диаметр резьбы, мм |
Шаг резьбы, Р |
Площадь сечения As, мм |
Усилие предварительной затяжки Q, кН |
Крутящий момент Мкр, кН | ||||
|
8. 8
|
10.9 |
12.9 |
8.8 |
10.9 |
12.9 | |||
|
М4 |
0,7 |
8,78 |
4,3 |
6,3 |
7,4 |
3,3 |
4,8 |
5,6 |
|
М5 |
0,8 |
14,2 |
7 |
10,3 |
12 |
6,5 |
9,5 |
11,2 |
|
М6 |
1 |
20,1 |
9,9 |
14,5 |
17 |
11,3 |
16,5 |
19,3 |
|
М8 |
1,25 |
36,6 |
8,1 |
26,6 |
31,1 |
27,3 |
40,1 |
46,9 |
|
М10 |
1,5 |
58 |
28,8 |
42,2 |
49,4 |
54 |
79 |
93 |
|
М12 |
1,75 |
84,3 |
41,9 |
61,5 |
72 |
93 |
137 |
160 |
|
М14 |
2 |
115 |
57,5 |
84,4 |
98,8 |
148 |
218 |
155 |
|
М16 |
2 |
157 |
78,8 |
115,7 |
135,4 |
230 |
338 |
395 |
|
М18 |
2,5 |
193 |
99 |
141 |
165 |
329 |
469 |
549 |
|
М20 |
2,5 |
245 |
127 |
181 |
212 |
464 |
661 |
773 |
|
М22 |
2,5 |
303 |
158 |
225 |
264 |
634 |
904 |
1057 |
|
М24 |
3 |
353 |
183 |
260 |
305 |
798 |
1136 |
1329 |
|
М27 |
3 |
459 |
240 |
342 |
400 |
1176 |
1674 |
1959 |
|
М30 |
3,5 |
561 |
292 |
416 |
487 |
1597 |
2274 |
2662 |
|
М33 |
3,5 |
694 |
363 |
517 |
605 |
2161 |
3078 |
3601 |
|
М36 |
4 |
817 |
427 |
608 |
711 |
2778 |
3957 |
4631 |
|
М39 |
4 |
976 |
512 |
729 |
853 |
3597 |
5123 |
5994 |
Где и как маркируется прочность на изделии?
Маркировка высокопрочных болтов
Требования к обозначению прочности болтов, винтов, шпилек прописаны в ГОСТ 1759.
0-87 (для диаметров до 48 мм) и ГОСТ 18126-94 (для диаметров от 48 мм). Знаки маркировки хорошо читаются на метизах, поэтому потребитель может легко определить класс прочности крепежа, с которым имеет дело.
Болты с шестигранными головками, винты с цилиндрическими головками под внутренний шестигранник и резьбовые шпильки маркируются по прочности цифровым кодом 8.8, 10.9, 12.9, 14.9 (с разделительной точкой или без нее), а шестигранные гайки – 9, 10, 12, 14. Это нестираемые выпуклые или углубленные клейма, нанесенные на головку болтов сбоку или сверху.
Маркировка классов прочности на крепеже малых диаметров может выполняться по системе циферблата.
Таблица 4. Циферблатная маркировка прочности болтов
Классы прочности шпилек отображаются, как правило, на их торцевой поверхности. Если шпилька имеет неполную резьбу, то цифровой код может быть нанесен на ее гладкую часть. Для шпилек также может применяться маркировка цветом (желтый для класса 8.
8, белый для 10.9) или условными обозначением, нанесенным на торец:
Маркировка высокопрочных шпилек
Критерии выбора высокопрочного крепежа
-
Тип, размер и класс прочности крепежных изделий должен соответствовать проектной документации. -
Замену одних деталей крепления на другие вправе производить только специалист после проведения соответствующих нормативных расчетов. -
Крепежные изделия должны быть равны или превышать по прочности материал конструкции. -
Несущая способность БВП должна соответствовать поставленной задаче, а антикоррозийная защита соответствовать эксплуатационным условиям. -
Необходимо учитывать совместимость металла конструкции и метиза во избежание гальванической коррозии. -
Не стоит покупать высокопрочные метизы у поставщиков с сомнительной репутацией. -
Перед покупкой желательно провести визуальный контроль для выявления возможных дефектов.
Высокопрочные болты, винты и шпильки – это особый вид метизов, на которые возлагается большая ответственность за надежность и долговечность автомобилей, станков, грузоподъемной техники, мостов, эстакад, портовых сооружений, спортивных арен, других масштабных строительных объектов. Компания «Крепком» сотрудничает только с ответственными производителями, на предприятиях которых исследуется состав поступающего сырья, а каждая партия готового крепежа проходит испытания, установленные действующими стандартами. Кроме того, в собственной лаборатории «Крепком» осуществляется входной контроль поступающей продукции на соответствие стандартным прочностным показателям.
Высокопрочка
Обновлено: 21.12.2022 07:31:26
Поставить оценку
Успешно отправлено, Спасибо за оценку!
Нажмите, чтобы поставить оценку
Виды болтов, их назначение и классификация
Соединение двух или нескольких деталей в одну конструкцию производится разными способами.
Болт — популярный крепеж, использующийся в строительстве, машиностроении, производстве мебели и бытовой техники. Конструктивно — это металлический стержень с нарезанной резьбой и головкой, предназначенной для удержания и вращения болта при помощи специального инструмента — ключа, отвертки, биты шуруповерта. Назначение болта — создание прочных разборных креплений сквозного типа. С противоположной стороны конструкции болт фиксируется гайкой.
Для создания прочных креплений используются разные виды болтов. Классифицировать можно по нескольким признакам, например, по длине резьбы. По этому параметру болты подразделяются на метизы с полной и неполной резьбой. Первые — крепёж, в котором резьба начинается на открытом торце и заканчивается непосредственно у головки. Вторые — резьба начинается на торце, но заканчивается, не доходя к головке на треть, или даже половины длины стержня.
Используется классификация болтов по форме головки. Это:
- шестигранные;
- под отвертку;
- потайные;
- полукруглые;
- квадратные:
- с внутренним пазом и другие.

Головка метиза соответствует определенным стандартам, размеры и форма соответствуют типовым размерам ключей, отверток и бит.
Из опыта: для крепления деталей и узлов, которые разбираются в исключительных случаях, используют нестандартные болты с особой формой головки, инструменты для которой есть только у персонала со специальным допуском. Такие соединения лучше не трогать.
Резьба на болтах нарезается по метрическому и дюймовому стандарту. При покупке метиза проверяют тип резьбы, чтобы он соответствовал типу, шагу и размерам гайки. Некоторые конструкции не предусматривают сквозного крепежа — болты завинчиваются в отверстия, в которых заранее нарезана соответствующая резьба.
Стальные метизы подразделяются на две категории — черные и оцинкованные. Первые используются в большинстве конструкций, вторые — там, где существует риск взаимодействия с влагой или другими агрессивными факторами, способными вызвать коррозию. Также производят большое количество болтов из нержавеющей стали и цветных металлов.
Они дороже, чем стальные, но стоимость оправдана долговечностью и отсутствием риска «закипания» резьбы.
Характеристики крепежных элементов
Одна из основополагающих характеристик метиза — прочность. Зависит от материала изготовления, типа резьбы и диаметра стержня. Изготавливаются стандартные болты из разных материалов. В основном — это стали:
- конструкционные;
- жаропрочные;
- низкоуглеродистые;
- нержавеющие;
- легированные;
- химически стойкие.
Для производства метизов также используются сплавы титана, меди, латуни. Ряд болтов изготавливаются из прочных полимеров, например PEEK, РС, РА, RENY, PVC.
От материала зависит класс прочности болта — показатель, на который обязательно смотрят при выборе метиза. Классификация болтов по классу прочности предусматривает 11 классов прочности, согласно ГОСТ Р 52627-2006 и соответствующему стандарту ISO 898/1-78. Классы обозначаются цифрами в такой записи:
3.
6; 4.6; 4.8; 5.6; 5.8; 6.6; 6.8; 8.8; 9.8; 10.9; 12.9.
Первая цифра умножается на 100 и показывает сопротивление Н/мм2, а второе умножается на 10 и показывает соотношение предел текучести/сопротивление выраженное в процентах. Например. Болт класса прочности 3,6 обладает временным сопротивлением 300 Н/мм2, при 60% номинального усилия, вызывающего деформацию стержня. Если умножить две цифры между собой и на десять, получим показатель номинального предела текучести. В нашем случае — это 180 Н/мм2. Классификация болтов по прочности необходима при монтаже ответственных конструкций — подъемных кранах, строительной и сельскохозяйственной технике, мостах, на железных дорогах.
Согласно требованиям ГОСТ, к болтам высокой прочности относят метизы классов 6.8 – 12,9, изготовленные из сталей 20, 20КП, 20Г2Р 35, 65Г, 35Х, 40Х. После накатки резьбы, метизы дополнительно подвергаются термообработке и приобретают повышенную механическую прочность.
Назначение болтов
Класс прочности во многом определяет сферу использования болта.
Корреляция носит достаточно условный характер, тем не менее, большинство метизов конкретного назначения производятся в определенных классах прочности:
- Мебельные — класс прочности 3,6 – 5,8. Предназначены для сборки деревянных деталей в одну конструкцию. Обычно оснащаются потайной или полукруглой головкой.
- Машиностроительные, класс прочности 5,8 – 12,9. Применяют при сборке узлов, кузовов и агрегатов автомобилей, тракторов, железнодорожной и другой техники. Отличаются высокой надежностью и виброустойчивостью соединений.
- Лемешные. Класс прочности 3,6 – 5,8. Предназначены для фиксации деталей навесного оборудования сельскохозяйственной и строительной техники.
- Дорожные. Класс прочности 3,6 – 10,9. Используют для сборки металлоконструкций дорожной инфраструктуры. Большинство изделий выпускается в оцинкованном виде.
Из опыта: Назначение болта не ограничивает его использования в других конструкциях, важно проверить класс прочности и соответствие размеров, материала и уровня антикоррозионной защиты.
Типоразмеры болтов
Широкое использование болтовых соединений в разных отраслях вызывает определенные сложности с выбором метизов. Для упрощения расчетов и проектирования машин и строительных конструкций, все крепежи разделены на стандартные типоразмеры. ГОСТ 7805-70 нормирует размеры болтов с метрической резьбой, изготовленные из разных марок стали и цветных металлов. В списке — первая цифра показывает тип резьбы и диаметр стержня, вторая — диапазон длины в миллиметрах:
- М6, 10-90;
- М8, 16-100;
- М10, 18 – 200;
- М12, 20 – 260;
- М14, 22-300.
Пользуясь специальными таблицами, в которых содержаться более подробные характеристики болтов, легко подобрать метиз для конструкции с заданными параметрами.
Как выбрать болт по типу резьбы
При производстве болтов производители использую разные виды резьбовой накатки. Самые распространенные — метрическая и дюймовая. Первая доминирует в Европе и странах СНГ, вторая — в США, Англии, Канаде, Австралии.
Для различных конструкций также используют болты с резьбой:
- трапецеидальной;
- квадратной;
- трубной;
- прямоугольной;
- трубной.
При покупке болта с неметрической резьбой покупайте гайки соответствующего вида. Если таких найти не удалось, то болт не получится использовать по назначению.
Совет: Для использования в домашнем хозяйстве выбирайте метизы с метрической резьбой, но обязательно смотрите на шаг. Резьба бывает с мелким и крупным шагом, такими же должны быть и гайки. Если вы ремонтируете машину, то обязательно выбирайте болт с такой же резьбой, как и пришедший в непригодность. Конструкторы рассчитывают тип резьбы на прочность и виброустойчивость, что важно в промышленных механизмах и машинах.
Часто метизы с полной резьбой называют винтами, а с неполной — болтами. Но единого мнения на это счет нет. В большинстве случаев крепеж, который можно использовать в паре с гайкой, называют болтом, что вполне справедливо.
Стержень винта может быть коническим, а у болта он всегда цилиндрический в зоне накатки резьбы.
Особенности головок болтов
Чаще всего болты выпускают с шестигранной головкой под ключ. Согласно стандартам DIN 933 и DIN 93, метизы производятся с полной и неполной (соответственно) резьбой. Стандарты DIN 960 и DIN 961 регламентируют выпуск болтов с мелкой и очень мелкой резьбой, использующихся для сборки точных механизмов. Сами шестигранные головки могут быть разного вида:
- основная;
- с опорным выступом;
- с фланцем;
- с буртом.
Размеры головки бывают нормальными (массовый выпуск), увеличенными (для нагруженных резьбовых соединений) и уменьшенными (для декоративных и скрытых крепежей). Болты с уменьшенной головкой выпускаются в нескольких вариантах.
Болты с конической и полукруглой головкой используют преимущественно в мебельной промышленности. Для установки конического болта необходимо заранее подготовить отверстие с помощью зенковки или сверла увеличенного диаметра.
Откидные, или рым болты вместо шестигранной головки оснащены кольцом. Они используются как детали такелажа. К кольцу крепежа легко зацепить трос, цепь, канат, карабин. Обычно рым-болты производят с неполной резьбой, но возможны и другие варианты.
Применение болтов с разными видами стержней
Метизы изготавливают не только с прямым цилиндрическим стержнем, хотя такие болты и получили самое широкое распространение. В технике и строительстве используются такие крепежи:
- со стандартным стержнем;
- с утоньшением в центральной части;
- с утолщением выше резьбы;
- с утоньшенным стержнем в гладкой части и кольцевым выступом.
Стандартный тип используется в типовых соединениях, в том числе работающих под вибрационными и переменными нагрузками. Отверстие под такой болт точно соответствует диаметру стержня. Производят метизы с полной и неполной резьбой.
Болты с утоньшенной гладкой цилиндрической частью используются в конструкциях, где необходим зазор.
Это нужно, например, при высоком коэффициенте термического расширения материала.
Метизы с утолщенным цилиндром используются при ремонте, когда отверстие рассверливалось, например, чтобы извлечь сломанную часть резьбы. Такой способ применения болта позволяет оставить гайку прежнего размера, что упрощает дальнейшие работы по монтажу и демонтажу, особенно, если точек крепления много.
Последний вариант болта применяют в конструкциях, где на метиз приходится динамическое напряжение. Специфическая форма стержня позволяет равномерно распределить усилия и не перегрузить метиз.
Класс точности
Стандартные метизы выпускают в трех классах точности — А, В и С. В России их характеристики определяет ГОСТ 7798 – 70:
А — повышенная точность;
В – нормальная;
С – грубая.
Болты классов А и В производятся в диаметрах стержня до 48 мм. Использую метизы класса С в конструкциях, где на болты приходится незначительная часть нагрузки. Для их установки в деталях просверливается отверстия на 2 – 3 мм больше толщины стержня (по резьбе).
Крепление получается прочным, но низкой точности относительно положения отверстий в разных частях конструкции. Возможны небольшие смещения по плоскости контакта.
В ответственных расчетных соединениях используются метизы классов В и С. Это точные механизмы, машины, создающие вибрационные воздействия, опоры и несущие детали, где нагрузка на точки крепления определяют прочность конструкции. При установке метизов класса В диаметр отверстия не должен превышать толщину стержня более. Чем на 1 – 1,5 мм. Отклонения в размерах крепежного отверстия и стержня болта для метизов класса А не должно превышать 0,3 мм.
Маркировка болтов
Производят болты по разным стандартам — ГОСТ, DIN EN, DIN ISO, ANSI/ISO. В России используют метизы, изготовленные по ГОСТ. В маркировке указывают:
класс прочности;
данные производителя в виде клейма;
стрелку направления вращения (в случае левой резьбы).
Метизы из нержавеющих сталей дополнительно обозначаются индексом А и цифрой, указывающей особенности стали.
Например, А4 – кислотоустойчивая, А2 – водостойкая. Еще одна цифра показывает предел прочности. Выглядит это так: А2 (А4) – 50.
Также на головке болта может быть указано вариант исполнения, например, ХЛ – холодостойкое. По ГОСТ Р 52644-2006 надпись на головке выглядит так:
1 – индекс завода, 2 – класс прочности, 3 – вариант исполнения, 4 – номер плавки стали, 5 – размер головки, в данном случае S – увеличенный, под шестигранный ключ. На болтах с дюймовой резьбой вместо цифр класса прочности наносятся насечки, от 1 до 6.
При покупке болта пользоваться и другим видом маркировки. Например, М12 х 1.75 х 25. Здесь М обозначает метрическую резьбу на стержне диаметром 12 мм с шагом 1,75. Длина стержня болта без учета размеров головки — 25 мм.
Из опыта: При замене болта в крепеже лучше покупать метиз, аналогичный установленному ранее. Если маркировка не сохранилась, снимите старый крепеж и найдите идентичный в магазине или на специализированном сайте.
Ссылка на видео: https://www.youtube.com/watch?v=MN385tRAGHg
Знакомство с метрической маркировкой головок болтов
Мы говорили о том, как использовать маркировку головок для определения различных марок и производителей болтов дюймовой серии, но метрическая маркировка головок болтов — это совсем другое дело.
Они не звери, с которыми мы не можем справиться. Давайте рассмотрим, как расшифровать метрическую маркировку головок болтов, используя в качестве примеров один стандарт ISO и следующие его классы свойств:
ISO 898-1 Класс свойства 8.8 Метрическая маркировка головок болтов
ISO 898-1 Класс прочности 10.9 Метрическая маркировка головок болтов
ISO 898-1 Класс свойств 12.9 Метрическая маркировка головок болтов
Что такое метрические крепежные детали?
Прежде чем мы обсудим основные метрические спецификации, которые мы используем в Wilson-Garner, ISO 898-1, давайте сначала объясним метрические крепежные детали в целом.
Важно знать, что метрические крепления являются частью совершенно другой системы, чем крепления дюймовой серии. Метрические крепежи имеют разные единицы измерения, разные резьбы и разные характеристики.
Следовательно, вы не можете обязательно «преобразовывать» детали из метрической серии в дюймовую и наоборот. Существуют грубые эквиваленты и точки пересечения — например, болт M6 и ¼ дюйма имеют примерно одинаковые диаметры, а гайка M10X1,50 может быть навинчена на болт ⅜-16, — но системы отделены друг от друга.
Хорошо, давайте перейдем к спецификации.
ISO 898-1 Метрическая маркировка головок болтов
ISO 898-1 — это единственная спецификация, о которой мы будем говорить здесь, потому что это, безусловно, наиболее часто используемая метрическая спецификация для крепежных изделий. Этот стандарт распространяется на болты, винты и шпильки, изготовленные из углеродистой и легированной стали, и устанавливает требования для десяти различных классов прочности.
Хотите узнать о стандартах ISO для крепежных изделий? Проверьте этот блог.
Что такое класс недвижимости? Проще говоря, это метрический эквивалент класса в терминологии дюймовой серии. Одна приятная особенность ISO 898-1 заключается в том, что обозначения номеров классов свойств имеют конкретное значение. В классах SAE J429, таких как класс 2 и класс 8, «2» и «8» на самом деле ни к чему не относятся, но в классах свойств ISO 898-1 числовые обозначения относятся к действительным числам.
При этом обозначение класса прочности состоит из двух чисел, разделенных точкой. Вот что означают эти цифры:
- Первое число соответствует 1/100 номинальной прочности детали на растяжение в мегапаскалях (МПа).
- Второе число составляет 1/10 процента номинального предела текучести детали по сравнению с номинальным пределом прочности детали.
Итак, в английском языке болт класса прочности 8.8 — это болт с номинальным пределом прочности при растяжении 800 МПа и номинальным пределом текучести, который составляет 80% от этого номинального предела прочности при растяжении, то есть 640 МПа.
*Примечание: Вы, наверное, заметили, что слово «номинальный» часто используется в последних двух предложениях. Это связано с тем, что сильные стороны, указанные в системе нумерации, должны быть приблизительными цифрами, а не обязательно точными требуемыми сильными сторонами.
Из десяти классов свойств ISO 898-1 давайте сосредоточимся только на трех: классах свойств 8.8, 10.9 и 12.9. Мы обсудим, как выглядит их метрическая маркировка на головке и каковы некоторые из их требований к прочности на растяжение.
ISO 898-1 Метрическая маркировка головки болта класса прочности 8.8
Давайте сначала посмотрим на маркировку головки болта класса прочности 8.8:
Одна вещь, которая хороша в обозначениях класса прочности ISO 898-1, заключается в том, что здесь указана приблизительная прочность на растяжение. на маркировке головки болта. Болты класса прочности 8.8 имеют минимальный предел прочности при растяжении 800 МПа для болтов диаметром 16 мм и меньше и 830 МПа для болтов диаметром более 16 мм.
Чтобы дать вам представление о том, как это соотносится с прочностью крепежных изделий дюймовой серии, 6,9 МПа примерно равны 1 кПа. 800 МПа составляют около 155 тысяч фунтов на квадратный дюйм. Таким образом, болт класса прочности 8.8 — это крепеж средней прочности, который примерно такой же прочности, как и крепеж SAE J429 класса 5.
ISO 898-1 Метка головки болта класса прочности 10.9
Маркировка головки болта класса прочности 10.9 показана здесь:
Болты класса прочности 10.9 имеют минимальную прочность на растяжение 1040 МПа для всех размеров. Как видите, они немного сильнее номинального значения в обозначении класса собственности. Класс собственности 10.9болты считаются высокопрочными деталями. Они находятся по соседству с деталями SAE J429 Grade 8.
ISO 898-1 Класс прочности 12.9 Метрическая маркировка головки болта
Наконец, вот маркировка головки болта класса прочности 12.9:
И в этом нет ничего удивительного! Болты класса прочности 12.
9 имеют минимальную прочность на растяжение 1220 МПа для всех размеров. 1220 МПа примерно эквивалентны 175 тысячам фунтов на квадратный дюйм. Эти детали обладают очень высокой прочностью. На самом деле, они самые прочные из всех крепежей, о которых мы рассказывали в наших блогах, посвященных дюймовой и метрической маркировке головок болтов.
Узнайте больше о маркировке головок болтов с Wilson-Garner
Хотите узнать больше о маркировке головок болтов? Хотя в настоящее время это наш единственный блог, посвященный маркировке головок болтов в метрической системе, у нас есть несколько других статей, посвященных деталям дюймовой серии, о которых вам следует прочитать:
- Что означают маркировки на головках винтов и болтов?
- Понимание нескольких распространенных маркировок болтов ASTM
И если у вас есть какие-либо вопросы, на которые эти блоги не могут вам ответить, не стесняйтесь обращаться к нам. Имея большой опыт в индустрии крепежа, у нас, вероятно, будет ответ для вас.
Позвоните нам по телефону (800) 656-2658 или свяжитесь с нами онлайн.
Производство холодной штамповки
Типы и размеры болтов
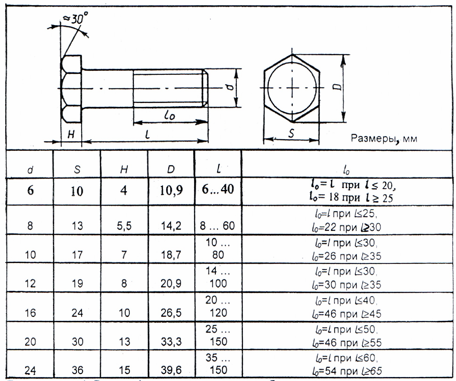
: метрические и дюймовые размеры Таблица размеров болтов
Болты представляют собой тип основного крепежа, который часто собирается с гайками. Использование болта правильного размера жизненно важно для работы с различными машинами и оборудованием. В этой статье мы рассмотрим полное руководство по болтам, которое включает в себя определение болтов, типы, размеры, а также стандартную таблицу размеров болтов в метрических и британских единицах измерения.
Что такое болты?
Болты — это разновидность крепежа с внешней резьбой, используемого с гайкой. Он не будет вращаться в процессе сборки, а затягивается поворотом гайки. Винт обычно вставляется в существующее резьбовое отверстие или проходит сквозь материал, образуя собственную внутреннюю резьбу, а затем затягивается путем приложения крутящего момента к головке.
Какие существуют типы болтов? Типы болтов и их применение
Фрезерные работы с ЧПУ и технологии обработки в Junying позволяют производить и отделывать широкий спектр крепежных изделий, включая болты, винты, гайки и другие детали с резьбой. Для пользовательских продуктов в конкретном приложении Online CNC design также удовлетворит ваши потребности.
Анкерный болт
С резьбовой частью на одном конце и без резьбы на другом конце, который может быть выполнен в форме L, шпильки, клинового типа или других форм, часто работает со стальными пластинами или ребрами жесткости для соединения конструкционных и ненесущие элементы бетону, передают силы растяжения и силы сдвига. Анкерные болты бывают разных типов в зависимости от способа установки. Самая простая и самая прочная форма анкерного болта — закладная, другой тип — анкеры с последующей установкой.
Болт с квадратным подголовком
Болт с квадратным подголовком, также называемый каретным болтом, с круглой головкой и квадратной шейкой, что отличает болт от других болтов, а также делает его самостопорящимся при вставлении в квадратное отверстие и предотвращает проворачивание болта при затяжке.
Шейка не имеет резьбы. Его можно установить с помощью только одного инструмента, гаечного или гаечного ключа, работающего с одной стороны. Болты с квадратным подголовком обычно используются для крепления металла к металлу или металла к дереву. Вы можете найти его в креплениях безопасности, таких как замки и петли. Такие болты использовались в повозке, которая была основным транспортным средством во время бездействия.
Элеваторный болт
Аналогичен квадратному болту, но элеваторный болт с тонкой плоской или потайной головкой и квадратным вырезом, используемый в установках конвейерных систем. Диаметр головки элеваторных болтов больше, чем у других типов, что может предотвратить прохождение болта через мягкий конвейерный материал. При его установке головка болта элеватора должна прилегать к внутренней поверхности ремня элеватора, а гайки и шайбы — на внутренней стороне ковша элеватора. Правильная установка обеспечит плотное прилегание головки болта элеватора чуть ниже поверхности ленты элеватора.
Болт с шестигранной головкой
Болты с шестигранной головкой имеют шестигранную головку, которую можно закручивать гаечным ключом, и наружную машинную резьбу, с частичной или полной резьбой. Сталь является одним из наиболее распространенных материалов для болтов, но болты с шестигранной головкой также могут быть изготовлены из алюминия, меди, латуни, титана или даже пластика. Болты с шестигранной головкой можно использовать для инфраструктуры, требующей прочного крепежа с высокими свойствами прочности на растяжение, их также можно использовать в ограниченном пространстве с ограниченным доступом, поскольку инструменты могут получить доступ к ним со всех сторон, или для крепления дерева, стали или других материалов в мостах, зданий и других строительных объектов.
Стяжной болт
Стяжные болты, также известные как стягивающие винты, являются одними из самых прочных крепежных элементов и чрезвычайно прочны. Они значительно больше, чем большинство других винтов.
Этот тип болта может создавать свою собственную резьбу и образовывать фрикционное соединение в древесине с их грубой резьбой и других мягких материалах при затягивании, им не нужны гайки, обычно используемые для соединения тяжелых пиломатериалов или других тяжелых материалов, которые несут интенсивную нагрузку.
Рым-болт
Рым-болт состоит из стержня с резьбой с кольцом или петлей на одном конце, часто используется для крепления проушины к конструкции, через которую можно закрепить веревки, тросы или скобы. Рым-болты обычно используются в оборудовании при погрузочно-разгрузочных работах. Еще одно распространенное использование болта — создание подъемной проушины, которую кран можно прикрепить к оборудованию. В зависимости от их резьбы рым-болты можно разделить на резьбу машинного винта и резьбу винта по дереву. По конструкции рым-болты можно разделить на кованые и гнутые.
J-образный болт
J-образный болт представляет собой J-образный крепеж с резьбой на неизогнутом участке, другой участок предназначен для крюка для опоры.
J-образные болты бывают разной длины и диаметра, в строительстве они крепятся к арматуре, залитой в бетон. J-болты обычно используются в конструкционных приложениях, например, при возведении нового здания или гаража вам необходимо прикрепить стены к бетонному фундаменту с помощью J-болтов. Они легко доступны во многих хозяйственных магазинах.
U-образный болт
U-образный болт имеет форму буквы «U» с резьбой на обоих концах. Обычно он используется для поддержки/зажатия труб, по которым проходят жидкости и газы, и для скрепления канатов. Теперь более широкое применение U-образных болтов, включая зажим любых труб / круглых стержней. U-образный болт можно описать по размеру трубы, которую он зажимает. Важно определить правильный размер U-образного болта для вашего приложения. U-образные болты могут быть изготовлены из различных материалов, в первую очередь, из прочного и неагрессивного металла, такого как нержавеющая сталь 316, нержавеющая сталь 304 и обычная углеродистая сталь.
Болт с буртиком
Болты с буртиком, также известные как винты с буртиком или болты для снятия изоляции, представляют собой тип крепежных винтов, которые состоят из трех секций, длинный цилиндрический буртик без резьбы находится между головкой и резьбой, что позволяет прикрепленной части вращаться вокруг или скользить по его длине. Головка имеет наибольший диаметр, буртик описывается своим диаметром и длиной, а диаметр резьбовой части несколько меньше диаметра буртика. Болты с буртиком обычно используются для крепления шкивов, движущихся частей двигателя, шестерен, катящихся колес и съемных пластин.
Секс-болт
Секс-болт, также известный как бочкообразный болт, соединительный болт или соединительный цилиндр, представляет собой тип сопряженного крепежа, сочетающего гайку и винт, он состоит из цилиндра с внутренней резьбой и винта с наружной резьбой. резьбы, и ствол, и винт имеют головки, предназначенные для зажима материала между головкой ствола и головкой винта.
Некоторые секс-болты имеют стволы с накаткой, что позволяет выполнять одностороннюю сборку. Ответные застежки известны под многими другими названиями.
Подвесной болт
Подвесной болт — это болт без головки с резьбой на обоих концах, используемый для подвешивания предметов или прикрепления предметов к дереву, он добавляет внешнюю резьбу или создает скрытое крепежное соединение. Подвесные болты имеют одну сторону с самонарезающей резьбой для затягивания в древесину, а другой конец имеет резьбу для машинного винта для установки гайки или резьбы в отверстие с внутренней резьбой.
Болт с фланцем
Болт с фланцем имеет круглый фланец под головкой, который действует как шайба для распределения нагрузки. Гребень, окружающий их головы, также позволяет легко их идентифицировать. Фланцевые болты имеют насадку, что ускоряет сборку и устраняет необходимость в шайбе. Они могут обеспечить надежную, долговечную связь между двумя участками большой и закрытой площади.
Популярное использование фланцевых болтов, включая автомобильные выхлопные трубы, сантехнику, электронные устройства и труднодоступные места.
Существуют также машинные болты с полностью резьбовым стержнем и полуконусным наконечником, используемые для крепления дерева к дереву, дерева к металлу и металла к металлу. Его острие не будет скошено или закруглено. Машинные болты можно разделить на болты с шестигранной головкой и квадратные болты в зависимости от типа головки.
Объяснение размеров болтов – Размеры/метрические размеры болтов
Метрические болты
обозначаются размерами «M», например размер болта M8. Размер метрического болта указывается с помощью шага, диаметра и длины в миллиметрах. Например, в M8-1,0*20 «М» означает обозначение метрической резьбы, цифра 8 — номинальный диаметр (в миллиметрах), 1,0 — шаг, а 20 — длина. Иногда в сокращенном формате шаг опускается, например, М8-20, это означает, что болт имеет крупную резьбу. Размер болта также может быть выражен в имперских единицах.
1. Диаметр : ширина стержня болта, головка болта не включена. Заданный диаметр метрических болтов на самом деле немного больше фактического диаметра. Таким образом, болт M8 будет иметь диаметр чуть меньше 8 мм.
2. Шаг : расстояние между вершинами соседних витков резьбы на стержне болта, равное отношению витков резьбы к единице длины. Метрические болты доступны с крупным или мелким шагом резьбы. Метрические болты с крупным шагом резьбы имеют больше витков на дюйм, чем сопоставимые дюймовые болты.
3. Длина : для болтов с головкой под торцевой ключ, плоской головкой, полукруглой головкой и болтов с шестигранной головкой длина от скошенной кромки до выточки головки болта не включена. Но для болтов с плоской головкой длина включает высоту головки болта, а для болтов с куполообразной головкой длина измеряется от самой высокой точки на изогнутой головке. Длина метрического болта измеряется и определяется точно так же, как и длина метрического болта (крепежа).


..660
8

