Электрическая принципиальная схема инверторного сварочного аппарата: Схема сварочного инвертора – принципиальная схема инверторной сварки
Содержание
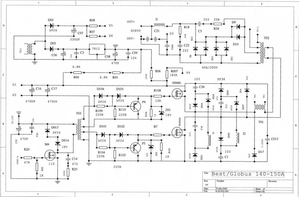
Схема сварочного инвертора, описание работы на примере сварочного аппарата РЕСАНТА САИ 140
СХЕМА СВАРОЧНОГО ИНВЕРТОРА И ОПИСАНИЕ ПРИНЦИПА РАБОТЫ
НА ПРИМЕРЕ СВАРОЧНОГО АППАРАТА РЕСАНТА САИ 140
Основных схем сварочного инвертора Ресанта САИ 140 удалось найти две. Управление у них очень похоже, а вот технологически они отличаются довольно сильно.
| |
НАЖМИТЕ РИСУНОК ДЛЯ ПРОСМОТРА В ПОЛНОМ РАЗМЕРЕ | |
Первый вариант принципиальной схемы сварочного инвертора Ресанта 140 выполнен с использованием управляющего трансформатора, а второй — с использованием оптодрайверов для силовых транзисторов. Есть отличия и в питании управления. Первый с самозапитом, а второй использует отдельный источник питания.
Поскольку первый похож на то, что есть у меня, т.е. используется управляющий трансформатор, то с него и начнем.
ДВА ВАРИАНТА ПРИНЦИПИАЛЬНОЙ СХЕМЫ СВАРОЧНОГО ИНВЕРТОРА РЕСАНТА САИ 140 | |
НАЖМИТЕ НА РИСУНОК ДЛЯ ПРОСМОТРА В ПОЛНОМ РАЗМЕРЕ | |
Итак, подаем питание и смотрим что будет происходить.
Напряжение 220 вольт проходит фильтр на С3 и L… Пардон, на схеме почему то ЭТО обозначено трансформатором Т1 и доходит конденсаторов С1 и С2. Емкость этих конденсаторов для частоты 50 Гц слишком мала, но вот статику они на корпус спускают отлично и именно по этой причине крайне желательно для трансформатора использовать с заземление, только с реальным, а не иметь розетку в которой есть ни куда не подключенная клемма заземления.
Вверху есть точка №1, как раз на левом выводе термистора РТС, а на правом выводе резистора R2 есть точка №2.
Эти нумерные точки идут на контакты реле RL1, которое сейчас не включено – мы только что подали напряжение питания и пока что заряжаются конденсаторы С4 и С5 через термистор и R2, разумеется пройдя диодный мост.
По мере зарядки конденсаторов напряжение +300VDC начинает увеличиваться и начинает протекать ток через резистор R21 заряжая С18 и С19.
Тут следует обратить внимание на используемый операционный усилитель LM324 который уже начинает работать при напряжении питания +3 вольта, т.е. при достижении напряжения на верхнем выводе С19 трех вольт операционный усилитель уже начинает выполнять свои функции.
Теперь смотрим очень внимательно не забыв перевести мозг в состояние ВКЛ.
Сопротивление R21 меньше суммы сопротивлений R22 и R23 в 20 раз, а емкость С19 больше емкости С20 в 4700 раз, следовательно напряжение на верхнем выводе С20 будет больше напряжения на верхнем выводе на 0,6 вольта – напряжение падения на диоде D24.
Это в свою очередь однозначно переведет компаратор на U2A в состояние, когда на его выходе будет напряжение близкое к напряжению питания, следовательно LED2 будет светится, а транзистор Q8 будет открыт и пока он открыт на выходе U2D будет напряжение близкое к нулю. Это в свою очередь имитирует превышение порога срабатывания компаратора контроллера U1A и если бы он работал, то на выходе у него был бы ноль. Но он не работает, поскольку подающий на него питание транзистор Q7 еще закрыт.
Тем временем конденсатор С19 продолжает заряжаться и напряжение на нем увеличивается. Как только оно превысит 5 вольт в дело вступает формирователь опорного напряжения на D25 – он не дает напряжению на выводе 2 U2A и выводе 5 U2B стать выше 4,7 вольта.
На выводе 3 U2A напряжение по прежнему больше, чем на выводе 2 и напряжение на выходе компаратора продолжает удерживаться близким к напряжению питания.
Напряжение на выводе 6 продолжает увеличиваться, поскольку этот вывод подключен к делителю напряжения на резисторах R49 и R50.
И пока напряжение на 6-м выводе меньше опорного 4,7 вольта компаратор U2B держит на своем выходе напряжение близкое к напряжению питания, а это удерживает транзистор Q7 в закрытом состоянии.
Как только напряжение на верхнем выводе С19 станет равным 12 вольтам на делителе сформируется напряжение равное 4,9 вольта, а это больше опорного напряжения 4,7 вольта и компаратор U2B сформирует на своем выходе напряжение близкое к нулю, транзистор Q7 открывается и подает питание на контроллер UC3845.
Контроллер начинает выдавать управляющие импульсы и силовые транзисторы начинают открываться. Но делают они это на очень короткий промежуток времени, поскольку на контроллере формируется имитация превышения выходного тока все еще открытым транзистором Q8.
На обмотке питания управления появляется напряжение и теперь все управление может потреблять гораздо больший ток. Это напряжение стабилизируется импульсным стабилизатором U1 и тут становится наглядной одна проблема – если первоначально напряжение с левого вывода R21 будет идти сразу на всю схему, то запуска у нас не произойдет никогда – вентилятор потребляет слишком много и напряжение не будет увеличиваться на верхнем выводе С19.
Автор схемы учел этот момент и сделал на схеме поправку – только после начала работы стабилизатора напряжения для управления питание подается и на вентилятор и на реле софтстарта и на верхний вывод трансформатора управления. Что до отметки на подсветку LED1, то это исключено – напряжение там не появится пока не запуститься UC3845, а он не запустится, поскольку не будет на него питания.
Тем временем конденсатор С13 заряжается до напряжения, превышающее 5 вольт и стабилитрон D19 пропускает ток на базу Q6, тот открывается и включает реле RL1, которое своими контактами шунтирует токоограничивающий термистор и резистор R2.
Тем временем на выходе инвертора появляется напряжение и оно пройдя ограничитель тока засвечивает светодиод ISO1. Транзистор оптрона открывается и резко уменьшает напряжение на выводе 3 компаратора U2A. Поскольку напряжение на инвертирующем входе теперь больше, чем на не инвертирующем компаратор перекидывается в состояние когда на выходе у него ноль.
Светодиод LED2 гаснет, а транзистор Q8 закрывается разблокируя усилитель регулирующего напряжения для контроллера UC3845 и контроллер уже формирует импульсы максимальной длительности, поскольку нагрузки еще нет и ток ограничивать не нужно.
При работе, т.е. при сварке регулировка тока производится путем сравнения напряжения с трансформатора тока с напряжением управления, которое формируется усилителем U2D. Подробно о принципе работы UC3845 есть отдельное видео и статья, ссылки в описании.
| |
НАЖМИТЕ РИСУНОК ДЛЯ ПРОСМОТРА В ПОЛНОМ РАЗМЕРЕ | |
Поэтому рассмотрим лишь оставшиеся узлы.
Управление силовыми транзисторами происходит с помощью управляющего трансформатора, вторичные обмотки которого через диоды Шотки идут на затворы силовых транзисторов при наличии управляющего импульса.
Как только импульс управления прекращается остаточная магнитная энергия сбрасывается D15…D17, а силовые транзисторы закрываются с помощью транзисторов Q3 и Q5, причем происходит это через конденсаторы С 9 и С 10. Эти конденсаторы позволяют получить больше энергии для закрытия транзисторов и это происходит именно в момент окончания управляющего импульса.
При наличии управляющего импульса оба транзистора сварочного инвертора открываются и через первичную обмотку протекает ток, который создает магнитное поле наводящее напряжение на вторичной обмотке. При исчезновении управляющего импульса транзисторы закрываются, а не израсходованная магнитная энергия сбрасывается на шины первичного питания через диоды D2 и D3, тем самым полностью размагничивая магнитопровод трансформатора и подготавливая его с следующему циклу передачи энергии во вторичную обмотку.
| |
НАЖМИТЕ РИСУНОК ДЛЯ ПРОСМОТРА В ПОЛНОМ РАЗМЕРЕ | |
К сервису данного сварочного инвертора можно отнести защиту от перегрева и залипания электрода, выполненных на одном управляющем элементе – оптроне ISO1.
Пока светодиод данного оптрона светится открытый транзистор оптрона формирует почти ноль на выводе 3 U2A. Как только электрод касается свариваемой заготовки напряжение на светодиод еще какое то время поступает за счет накопленной в конденсаторе С34 энергии. Это время и есть время поджига дуги и если дуга не загорелась, т.е. электрод залип, то светодиод оптрона тухнет, тем самым закрывая транзистор оптрона. На выводе 3 компаратора U2A появляется практически напряжение питания и компаратор зажигает LED2 и открывает транзистор Q3, который душит на землю управляющее напряжение и контроллер выдает только очень короткие импульсы управления, которые не позволяют перегрузить силовой каскад – работа то идет практически на короткое замыкание и единственным сопротивление вторичного напряжения является реактивное сопротивление L1 индуктивность которого и выбрана таким образом, чтобы она оказывала влияние только на самые короткие импульсы.
Как только электрод отодрали от заготовки напряжение на выходе инвертора снова появляется и снова загорается светодиод оптрона.
Компаратор U2A гасит светодиод LED2 и закрывает транзистор Q8, тем самым переводя контроллер UC3845 в штатный режим работы.
Если же происходит перегрев, то срабатывает самовосстанавливающийся термопредохранитель КТ, который разрывает цепь питания оптрона и светодиод гаснет и процессы повторяются – горит светодиод LED2, а на выходе сварочного инвертора очень короткие импульсы, не позволяющие производить сварочные работы и это состояние удерживается пока радиатор не остынет и термопредохранитель не включится.
Второй вариант принципиальной схемы все того же инвертора Ресанта 140 отличается не большими изменениями в самом управляющем блоке, ну например транзистор подающий питание на UC3845 открывается через стабилитрон. Питание управление организовано от отдельно блока питания, который выдает 4 напряжения:
15 вольт для питания управления, которые стабилизируются дополнительной КРЕНкой, вольт 12 для вентилятора и два напряжения для оптодрайверов силовых транзисторов.
Величина должна быть порядка 25 вольт.
Оптодрайверы управляют силовыми транзисторами через дополнительный формирователь отрицательного напряжения, выполненный на R6-D5 и R9-D6. Подача отрицательного напряжения на затворы силовых транзисторов значительно уменьшает время их закрытия, следовательно уменьшается нагрев транзисторов.
Софтстарт второго варианта сварочного инвертора тоже организован несколько иначе – пока горит светодиод оптрона транзистор Q3 будет закрыт, но нагреваясь термистор RV2, имеющий отрицательную зависимость сопротивления от температуру увеличивает свое сопротивление и светодиод тухнет, тем самым разблокируя базу Q3 и реле софтстарта включается.
Откровенно говоря и в первом варианте схемы инвертора и во втором включение реле происходит довольно медленно и не зависит от состояния схемы управления, что может приводить к подгоранию контактов реле.
На последок остается добавить, что я собираю информацию по используемым в сварочных инверторах компонентам и результаты поисков свожу в таблицу с краткими характеристиками.
ПОСМОТРЕТЬ МОЖНО ЗДЕСЬ.
Осциллограмма выходного напряжения без нагрузки.
Осциллограмма выходного напряжения инвертора при нагрузке 60 А.
Осциллограмма выходного напряжения инвертора Ресанта при сработанной защите.
Небольшая подборка принципиальных схем сварочных инверторов РЕСАНТА сложены в АРХИВ. Кроме принципиальных схем сварочных аппаратов приведены несколько пособий по ремонту, несколько фотографий внутренностей инверторов, несколько паспортов.
com/embed/nWV1DUzMZVE» frameborder=»0″ allowfullscreen=»»>
Адрес администрации сайта: [email protected]
Принципиальная электрическая схема сварочного инвертора
Опубликовано: 10.05.2017
Современные схемотехнические решения и элементная полупроводниковая база позволили уйти от устаревших и тяжёлых трансформаторных выпрямителей. В наши дни используется преобразование сетевого напряжения по несколько иному принципу. Образцом такого решения служат схемы сварочных инверторов, преимуществами которых являются как небольшой вес, так и отсутствие нагрузок на электрические сети общего пользования.
Электрические схемы, основанные на использовании современной полупроводниковой электроники, открыли широкие возможности для совмещения инновационных принципов с высокими потребительскими качествами.
Оглавление:
Виды сварочных аппаратов
Технологические возможности нашего века характерны использованием новых решений не только в военно-космической сфере, но и в бытовом применении инженерных, прогрессивных принципов. Этот процесс находит отражение и в технологии производства оборудования для сварочных работ. Стали возможными операции по соединению сплавов металлов и разнородных составов в единое целое. Для этого предназначены различные схемы сварочных инверторов, которые необходимы для выполнения определённых функций, а именно:
- для электродуговой сварки покрытыми электродами необходимы инверторы ММА, которые обеспечивают высокий КПД, при малом потреблении и невысоком весе оборудования;
- аппараты ММА+TIG, которые обеспечивают отличные показатели работы тугоплавкими электродами в среде инертных газов;
- агрегаты с полуавтоматической подачей сварочной проволоки (MMA+MIG) в среду защитных или активных газов в сварочной ванночке;
- оборудование для импульсной, точечной сварки для осуществления кузовного и прочего ремонта.

- сварочные преобразователи для резки металлов различного принципа действия.
Важно подбирать оборудование в соответствии с вашими потребностями, чтобы не переплачивать за аппаратуру, которая в дальнейшем может не понадобиться, и убедиться в наличии центров гарантийного ремонта сварочных инверторов и обслуживания.
Принципиальная схема аппаратов инверторного типа
Для того чтобы понимать суть работы современного сварочного агрегата, необходимо знать из каких блоков состоит принципиальная схема сварочного инвертора, который обеспечивает энергией дугу короткого замыкания при сварочном процессе. Эти аппараты могут питаться как от трёхфазной сети 380В, так и от однофазного напряжения 220 В. Причём колебания питающего напряжения могут достигать значительных величин, что не сказывается на работоспособности агрегатов.
Это позволяет работать в нестабильных сетях загородного электроснабжения, которое довольно часто присутствует в дачных поселениях.
Переменное напряжение частотой 50 Гц поступает на вход аппарата, где выпрямляется и преобразуется в высокочастотные колебания до 70−85 кГц. Это даёт возможность за счёт высококачественной элементной базы и компактных трансформаторов получать на выходе импульсный и постоянный сварочный ток. Такая схема сварочного аппарата состоит из следующих элементов:
- низкочастотный понижающий выпрямительный блок с конденсаторным фильтром;
- регулируемый инвертор, преобразующий постоянный ток в высокочастотный переменный;
- трансформатор высокой частоты, выдающий на выходе высокочастотный или постоянный сварочный ток большой мощности;
- сдвигающий фазу дроссель, стабилизирующий характеристики выходного напряжения;
- схема обратной связи, управляющая выходными параметрами и блок управления, который меняет параметры тока и напряжения сварки.

Мощные выходные транзисторы и диоды должны обладать эффективными теплоотводящими радиаторами, которые охлаждаются принудительной вентиляцией, интенсивность действия которой должна зависеть от сварочной нагрузки. Только в этом случае удастся избежать неисправности силового блока инверторного аппарата. Также безупречная работа обеспечивается путём соблюдения правил безопасной работы и своевременного обслуживания отдельных агрегатов и узлов. Важное место занимает регулярная очистка от пыли охлаждающих радиаторов силовых, полупроводниковых элементов.
Отличия схемотехнических решений разных видов инверторов
Поэтому сварка в таких условиях имеет свои отличия от стандартной схемы, а именно:
- в аппаратуре TIG и MIG/MAG присутствует схема задержки сварочного тока относительно подачи защитного газа;
- для обеспечения работы аргонодугового метода (TIG) аппаратура снабжается специальными разъёмами для подачи газа, а горелка имеет устройство крепления для вольфрамового электрода;
- в полуавтоматических инверторах присутствует устройство протяжки сварочной проволоки с регулируемой скоростью, для этой цели используют еврорукав, через который подаётся газ и проволока в зону сварочного шва.

Широкие возможности аппаратурной регулировки параметров импульсного напряжения, позволяют сваривать сплавы титана и алюминия, тонкостенную легированную и нержавеющую сталь. Прочность соединения различных материалов обеспечивается правильным подбором параметров тока и состава сварочной проволоки, а также грамотным выбором состава газовой смеси.
Возможные неисправности и способы их устранения
Основными причинами плохой или неустойчивой работы схемы инвертора могут быть следующие причины:
- слишком низкое или высокое напряжение в электрической сети, обычно инвертор работоспособен от 170 до 250 В;
- малое сечение или большая длина сетевого провода, жилы должны быть сечением не менее 2,5 мм2, а длина не превышать 30 метров;
- штатный сварочный кабель не должен быть длиннее 3 м, а сечение от 35 до 50 мм2;
- необходимо убедиться в бесперебойной работе вентилятора, иначе может произойти выход из строя силовых полупроводниковых элементов схемы инвертора;
- плохой контакт одного или обоих кабелей.

Если причина неработоспособности инверторного аппарата заключается в подгорании контактов или транзисторов схемы, то лучше не предпринимать самостоятельных действий. Дело в том, что видимая неисправность, может повести за собой выход из строя других элементов схемы аппарата, которые можно обнаружить только с помощью соответствующего оборудования.
Важно проводить сложный ремонт в гарантийных и специализированных мастерских, чтобы избежать последствий и затрат, связанных с неквалифицированным вмешательством.
Итог
Мы рассмотрели принципиальную схему сварочного инвертора, знание которой убережёт вас от основных ошибок при эксплуатации сложной аппаратуры. Современные схемные решения сделали возможным создание лёгких и мощных сварочных аппаратов с широкими возможностями и высоким классом защиты.
Но не следует забывать о правилах техники безопасности при выполнении сварочных работ, а также использовать спецодежду.
Сергей Одинцов
tweet
инвертор%20сварщик%20схема%20диаграмма тех.паспорт и примечания по применению
Toshiba Electronic Devices & Storage Corporation
Инструменты Техаса
Инструменты Техаса
Инструменты Техаса
Инструменты Техаса
Инструменты Техаса
инвертор%20сварщик%20схема%20диаграмма Листы данных Context Search
| Каталог данных | MFG и тип | ПДФ | Теги документов |
|---|---|---|---|
2002 — ИНВЕРТОР ШМИТТА ТРИГГЕР Реферат: Шестигранный триггер Шмитта ecl cmos 74C шестигранный инвертор DM74ALS05A | Оригинал | 74AC04 74ACT04 74ACTQ04 74F04 74LCX04 74LVQ04 74LVX04 74VHC04 74VHCT04A ДМ74АС34 ИНВЕРТОРНЫЙ ТРИГГЕР ШМИТТА Шестигранный триггер шмитта ecl смос 74С шестигранный инвертор DM74ALS05A | |
а698 Резюме: HOA0973-N51 HOA0973N51 2p51 3P55 HOA0971 HOA0961-N51 A697 HOA0963 A0973-N | OCR-сканирование | А0961-Л51 А0961-Л55 А0963-Л51 963-L55 А0971-Л51 А0971-Л55 НОА0973-L51 973-L55 НОА0961-N51 961-Н55 а698 НОА0973-N51 НОА0973N51 2р51 3П55 ТСЖ0971 А697 ТСЖ0963 А0973-Н | |
2014 — Трансформатор 2,5 МВА Резюме: нет абстрактного текста | Оригинал | L00410648-02 Трансформатор 2,5 МВА | |
2008 — Схема АВР Реферат: Схемы инвертора 800 кВА Схема синусоидального инвертора Принципиальная схема инвертора мощности 7,5 кВА Схема инвертора мощности 100 ВА Универсальный инвертор для ноутбука Инвертор для ноутбука Напряжение на основе микроконтроллера Инвертор электронный 40 кВА ИБП Схема инвертора мощности | Оригинал | CC408634265 CC408634273 CC408633283 CC408634281 CC408634224 CC408634422 ДС03-004 схема автоматического включения резерва Схемы инвертора 800 кВА схема синусоидального инвертора принципиальная схема инвертора мощности 7,5 кВА принципиальная схема инвертора мощности 100 ВА универсальный инвертор для ноутбука напряжение инвертора ноутбука инвертор на базе микроконтроллера электронные ИБП 40 кВА схема силового инвертора | |
2010 — CXA-0373 Аннотация: инвертор 1000 ватт | Оригинал | СЕ-1077 PS-LD0101-x-yyy PS-LD0301-x-yyy PS-LD0302-х PS-LD0304-х PS-LD0305-х PS-LD0602-x-yyy ПС-ДА0136-01 PS-DA0136-02 CXA-0323 CXA-0373 инвертор 1000 ватт | |
2008 — электрическая схема преобразователя мощности 7,5 кВА Аннотация: схема автоматического включения резерва инвертор 200 ва схема схема синусоидальный инвертор схема схема инвертора постоянного тока на переменный ток 400 Гц схема инвертора на 100 ВА инвертор постоянного тока на переменный ток схема инвертора схема инвертора схема инвертора постоянного тока на переменный ток 800 кВА схемы инвертора схема инвертора на 600 Вт диаграмма | Оригинал | CC408634265 CC408634273 CC408633283 CC408634281 CC408634224 CC408634422 ДС03-004 принципиальная схема инвертора мощности 7,5 кВА схема автоматического включения резерва Инвертор 200 ВА Принципиальная схема схема синусоидального инвертора инвертор постоянного тока в переменный 400 Гц принципиальная схема инвертора мощности 100 ВА схема инвертора постоянного тока в переменный схема инвертора постоянного тока в переменный Схемы инвертора 800 кВА Схема инвертора на 600 ватт | |
2004 — У20Н2К2С Реферат: U20N1K5S Vat20 u20x2k2 ВПЕРЕД НАЗАД 3-ФАЗНЫЙ ДВИГАТЕЛЬ 3 схема управления проводкой с пуском и толчком | Оригинал | НДС20 00В-240В 200/240В 380/460В НДС20, 89/336/ЕЭС) U20X1K5 U20X2K2 U20AF2K2 У20Н2К2С У20Н1К5С Ват20 у20х2к2 ВПЕРЕД НАЗАД 3-ФАЗНЫЙ ДВИГАТЕЛЬ 3 схема управления проводкой с работой и толчковым режимом U20X0K7S U20N0K7S инвертор частоты драйвер однофазного инвертора IGBT 50 кВА U20N0K4S ПРИВОД ПОСТОЯННОГО ТОКА GE 460 В ПРИВОД С РЕГУЛИРУЕМОЙ СКОРОСТЬЮ | |
2010 — схема инвертора Резюме: нет абстрактного текста | Оригинал | D-74360 DE234167965 HEISDE66 DE24620500000000798879 PS-INVC132 PS-INVC186 PS-INVC196 PS-INVC617 PS-INVC657 PS-INVC667 схема инвертора | |
2003 — схема инвертора ноутбука Реферат: принципиальная схема ЖК-ноутбук инвертор принципиальная схема онлайн ИБП принципиальная схема 5кВА онлайн ИБП инвертор ИБП печатная плата руководство по обслуживанию принципиальная схема мге ИБП модуль tyco igbt 25A aic 2565 принципиальная схема ИБП 5 кВА 5кВА принципиальная схема ИБП | Оригинал | ||
1995 — эрг вкл.
Аннотация: 12 вольт постоянного тока в 220 вольт переменного тока инвертор постоянного тока переменного тока инвертор 1000 Вт симисторный инвертор инвертор исходный код постоянного тока в переменный преобразователь схема однофазных инверторов принципиальная схема постоянного тока в переменный инвертор принципиальная схема 12 вольт постоянного тока в 220 вольт переменного тока инвертор 1000 Вт 220 вольт переменного тока в 12 инвертор постоянного тока | Оригинал | ||
2013 — Недоступно Резюме: нет абстрактного текста | Оригинал | 2013/10-МКТ 0097A0 | |
2012 — НЭК МИС 502 Реферат: NEC MYS FR-D700 FR-BLF NEC MYS microcontrols S-N10 Магнитный контактор РЕЛЕ УТЕЧКИ НА ЗЕМЛЮ mitsubishi | Оригинал | ФР-Д700 ФР-Д720-0 ФР-Д740-0 ФР-D720S-0 ФР-D710W-0 -0600438ENG-B 1А2-П34 НЭК МИС 502 НЭК МИС ФР-Д700 FR-BLF Микроконтроллеры NEC MYS Магнитный контактор S-N10 РЕЛЕ УТЕЧКИ НА ЗЕМЛЮ mitsubishi | |
Схема инвертора 1 кВА Реферат: ремонт инвертора инвертор постоянного тока РУКОВОДСТВО ПО ОБСЛУЖИВАНИЮ Инвертор 1 кВА JST YNT 1614 Схема однофазных инверторов 1 кВА Пожарная сигнализация абстрактная дымовая сигнализация абстрактная инвертор 60 Гц 800 кВА схемы инвертора | Оригинал | DA10SRC0-100U DA10SR0PDB5DPMU UL60950 E203489 DA10SR0PDB5DPMU DA10SR0PDB5DPMU. ![]() схема инвертора 1кВА ремонт инвертора Инвертор постоянного тока в переменный РУКОВОДСТВО ПО ОБСЛУЖИВАНИЮ инвертор 1 кВА JST YNT 1614 Схема однофазного инвертора 1 кВА аннотация пожарной сигнализации дымовая сигнализация аннотация инвертор 60 Гц Схемы инвертора 800 кВА | |
2013 — инвертор tripp lite РУКОВОДСТВО ПО ОБСЛУЖИВАНИЮ Резюме: нет абстрактного текста | Оригинал | АПС2424 АПС2424 БП-260 инвертор tripp lite РУКОВОДСТВО ПО ОБСЛУЖИВАНИЮ | |
FR-BSF01 Реферат: Фильтр FR-D740-012 FR-ASF-H FR-D720S FR-D720 FR-D740-036-EC FR-D740-022 FR-BiF FR-D740-036 FR-D740-080 | Оригинал | ib0600352ENG ФР-Д700 ФР-Д740-012 160-ЕС ФР-D720S-008 100-ЭК FR-BSF01 фильтр FR-ASF-H ФР-D720S ФР-D720 FR-D740-036-EC ФР-Д740-022 ФР-БиФ ФР-Д740-036 ФР-Д740-080 | |
СХЕМА ГЕНЕРАТОРА АРН 150 кВА Реферат: принципиальная СХЕМА AVR 500 kva GENERATOR принципиальная схема igbt инвертор сварочный аппарат A143 PNP переключающий транзистор 007NFEF2 040HFEF2 005NFEF2 L200-011NFE 200V DC TO 240V AC инвертор принципиальная схема принципиальная схема ИБП 5 кВА | Оригинал | Л2002 NB675X СХЕМА ГЕНЕРАТОРА АРН 150 кВА СХЕМА ГЕНЕРАТОРА АРН 500 кВА принципиальная схема igbt инверторный сварочный аппарат Переключающий транзистор A143 PNP 007NFEF2 040HFEF2 005NFEF2 L200-011NFE Схема инвертора 200 В постоянного тока на 240 В переменного тока принципиальная схема ИБП 5 кВА | |
2014 — UL458 Резюме: нет абстрактного текста | Оригинал | RV1250ULHW UL458 RV1250ULHW БП-260 com/sku/RV1250ULHW. ![]() UL458 | |
2006 — Плата инверторного сварочного аппарата Реферат: CPF00 JVOP-160 yaskawa контакторы инвертора yaskawa A70P900 yaskawa блок динамического торможения схема MC 1200 плата управления двигателем h4 OMRON 2,5 кВА ссылки истории инвертора | Оригинал | Е2-01) АН-24 плата инверторного сварочного аппарата CPF00 СВОП-160 яскава инвертор контакторы yaskawa А70П900 схема блока динамического торможения yaskawa Плата управления двигателем MC 1200 h4 ОМРОН Ссылки на историю инвертора 2,5 кВА | |
2013 — Недоступно Резюме: нет абстрактного текста | Оригинал | АПС750 АПС750 БП-260 | |
2014 — Недоступно Резюме: нет абстрактного текста | Оригинал | АПС2012 АПС2012 БП-260 com/sku/APS2012. ![]() | |
2014 — Недоступно Резюме: нет абстрактного текста | Оригинал | АПС2448УЛ АПС2448УЛ БП-260 com/sku/APS2448UL. | |
2013 — Недоступно Резюме: нет абстрактного текста | Оригинал | АПС2448УЛ АПС2448УЛ БП-260 | |
OS 430 NR, ВАРИСТОР Резюме: FR-D740-120 FR-D740-012 Варистор NEC 039 06 fr-d740 e.oc3 Чувствительность прерывателя цепи утечки на землю, пример инвертора pid PWM 555 DC MOTOR CONTROL 500A Автоматический выключатель Mitsubishi | Оригинал | ФР-Д700 ФР-Д740-012 160-ЕС D-40880 OS 430 NR, ВАРИСТОР ФР-Д740-120 Варистор NEC 039 06 фр-д740 e.oc3 Чувствительный автоматический выключатель утечки на землю пример pid инвертора ШИМ 555 УПРАВЛЕНИЕ ДВИГАТЕЛЕМ ПОСТОЯННОГО ТОКА Автоматический выключатель 500А Митсубиси | |
2011 — Недоступно Резюме: нет абстрактного текста | Оригинал | В23990-П700-Ф44 поток90PACK 200В/50А В23990-П700-Ф44-ПМ | |
2011 — ИНВЕРТОР IC Резюме: нет абстрактного текста | Оригинал | В23990-П709-Ф40-ПМ поток90PACK 200В/25А ИС ИНВЕРТОРА | |
Предыдущий
1
2
3
.
..
23
24
25
Next
[PDF] Аппарат для дуговой сварки с полумостовым передним преобразователем
- DOI:10.18178/IJEEE.5.2.106-109
- Идентификатор корпуса: 59331788
@article{Birbir2017ArcWM,
title={Аппарат для дуговой сварки с полумостовым передним преобразователем},
автор={Яшар Бирбир},
journal={Международный журнал электроники и электротехники},
год = {2017},
страницы={106-109}
} - Ю. Бирбир
- Опубликовано в 2017 г.
- Машиностроение
- Международный журнал электроники и электротехники
В статье представлен сварочный аппарат мощностью 3 кВт на основе полумостового прямоходового преобразователя. [] Ключевой метод Преобразователь использует интегральную схему ШИМ-контроллера текущего режима. SG1844 улучшает частоту переключения 100 кГц по размеру и весу, но частота переключения ограничена переключающими устройствами и материалом трансформатора.
Этот метод управления обеспечивает правильное зажигание при напряжении 78 В. Важным требованием к источнику питания данного сварочного аппарата является управление формой волны ШИМ и ее адаптация…
Просмотр через Publisher
ijeee.net
Удвоитель тока для аппаратов дуговой сварки с фазосдвигающим преобразователем ЗВС трехуровневый DC-DC преобразователь
Трехуровневый фазосдвигающий ЗВС-ШИМ с Н-мостом DC/ Постоянный ток с преобразователем большой мощности в высокочастотном звене для аппарата дуговой сварки имеет уменьшенный размер фильтра, улучшенную динамическую характеристику и уменьшенные потери напряжения на полупроводниковых ключах.
Прямой автономный двухключевой прямоходовой преобразователь с повышающим преобразователем ККМ для питания электромагнитных систем постоянного тока
- Димитров Борислав Дмитриевич
Машиностроение
- 2018
Предлагаемая схема работает в широком диапазоне входных напряжений, что решает проблему с просадками напряжения, возникающими в системе распределения электроэнергии, и обеспечивает стабильную работу контактного оборудования и релейные схемы в их промышленном применении.
ПОКАЗАНЫ 1–10 ИЗ 11 ССЫЛОК
СОРТИРОВАТЬ ПОРелевантность Наиболее влиятельные документыНедавность
Простой инвертор для аппаратов дуговой сварки с выпрямителем с удвоением тока
В этом письме предлагается новая инверторная схема для аппаратов дуговой сварки. Выходной выпрямитель, замененный двойным выпрямителем по току, может эффективно уменьшить пульсации выходного тока. Таким образом, нижняя…
Усовершенствованный преобразователь постоянного тока высокой мощности с использованием полумоста нового типа ШИМ-инвертор с мягким переключением и высокочастотным трансформатором для дуговой сварки
мягкое переключение ШИМ-преобразователь постоянного тока инверторного типа для дуговой сварки. Предлагаемый силовой преобразователь состоит из…
Сравнительный анализ блоков питания мощностью 4 кВт для сварочного аппарата
- P.
Cancelliere, V. Colli, R. D. Stefano, G. Tomassi Engineering
Пятая международная конференция по силовой электронике и системам привода, 2003. PEDS 2003.
- 2003
В статье рассматривается исследование, проведенное для оценки надежности топологии Н-моста для преобразователя постоянного тока со стратегией фазовой модуляции с тремя различными силовыми устройствами. Первый…
Высокоскоростное динамическое управление инверторным источником питания для дуговой сварки
Источник сварочной мощности устанавливается на основе метода усреднения выходного тока и
реализована постоянная выходная мощность (ток или напряжение)…
Новая схема управления смешанным током и напряжением для инверторных сварочных аппаратов
- Y. Chae, Y. Jang, M. Jovanovic, J.S. Gho, G. Choe
Engineering
APEC 2001. Шестнадцатая ежегодная конференция и выставка IEEE по прикладной силовой электронике (кат.

В этой статье предлагается новая схема управления смешанным током и напряжением для инверторно-управляемого аппарата для дуговой сварки. В предлагаемой схеме управления используется как регулятор тока с обратной связью, так и…
Электронный сварочный аппарат с высокочастотным резонансным инвертором
- Л. Малезани, П. Маттавелли, Л. Россетто, П. Тенти, В. Марин, А. Поллманн
Инженерное дело
Протокол конференции IEEE по отраслевым приложениям 1993 г. Двадцать восьмое ежегодное собрание IAS
- 1993
Представлено новое поколение электронных сварочных аппаратов, включающих инверторы с плавным переключением, приводящие в действие высокочастотные трансформаторы. Они легкие, надежные и гибкие, обладают хорошей эффективностью,…
Анализ больших сигналов источника питания для дуговой сварки на основе моделирования и симуляции в Matlab
Из сравнения моделирования и экспериментов было доказано, что нелинейная модель системы управления сварочным инвертором верна, и этот метод является полезным подходом для анализа электропитания дуговой сварки.








Cancelliere, V. Colli, R. D. Stefano, G. Tomassi