Из чего состоит станок фрезерный: Из чего состоит фрезерный станок
Содержание
Портальные фрезерные станки с ЧПУ
Портально фрезерные станки с ЧПУ – это современное оборудование, созданное для выполнения, таких задач как фрезерование, гравировка, сверление. Перед началом работ специалистом создается чертеж, загружается в управляющий модуль станка, после чего фрезерный портал ЧПУ сам выполняет обработку заготовки. Используя наши Фрезерные ЧПУ станки портального типа можно обрабатывать металл, дерево, камень, пластмассу и другие материалы.
Станки с ЧПУ портального типа не нуждаются в участии большого количества специалистов, и при этом способны выполнять высокоточные фрезерные работы при высокой скорости производства. Одного оператора будет достаточно для обслуживания нескольких фрезерных станков с ЧПУ. В основном задача оператора заключается в установке заготовки, запуске программы и последующем снятии готовой детали.
Очень выгодно использовать на производстве портально фрезерный станок с ЧПУ, он дает возможность сократить время на изготовление продукта, если сравнивать с тем же процессом на обычном фрезерном станке без ЧПУ.
Промышленные портальные ЧПУ станки — обладают большими размерами и имеют высокую стоимость, если для сравнения взять обычный фрезерный станок. Однако все это с избытком компенсируется высокой надежностью и как следствие продолжительным сроком эксплуатации. Промышленные условия использования оборудования предъявляют определенные требования к станкам ЧПУ.
Безостановочная работа в течение долгого срока, в условиях повышенных нагрузок, максимальная точность, и обязательная возможность обработки деталей больших размеров. Дополнительно, фрезерный портальный станок может оснащаться всевозможным оборудованием, таким как:
- системы водного охлаждения шпинделя
- смены инструмента
- конвейер для стружки и другими.
Фрезерный станок ЧПУ состоит из следующих элементов:
- станина, которая расположена под порталом, на ней располагается рабочий стол, и направляющие, по которым происходит движение рабочей п-образной конструкции
- портал, который двигается над рабочем столом.
На нем расположены узлы и механизмы фрезерного станка - двигатели (шаговые или серводвигатели). Они приводят в движение узлы, которые перемещают инструмент по заданной оси.
- направляющие станка ЧПУ. Бывают рельсового или трубного типа. Обеспечивают прямолинейное, точное движение узлов станка по заданной оси.
- механизмы перемещения портала. Бывают двух видов: ШВП или комплект рейка-шестерня. Шаговые двигатели посредством этих механизмов преобразуют вращение в движение узлов станка.
- шпиндель станка. Обеспечивает вращение режущего инструмента.
- система ЧПУ. Выполнена в виде отдельной стойки со специальным программным обеспечением.
Купить фрезерный станок ЧПУ портального типа — это отличные инвестиции, которые окупятся в короткие сроки.
Горизонтально-фрезерный станок FO
Производитель: TOS KUŘIM
Описание:
Высокая производительность, высокая точность и стабильность. Это основная характеристика станка FO, который подходит для черновых и чистовых операций.
Благодаря этим свойствам он нашел свое применение в автомобильной и авиационной промышленности. Этот динамичный, высокоскоростной обрабатывающий центр имеет жесткую конструкцию, что позволяет проводить черновую обработку, а так же финишные операции. Станок состоит из жесткой рамы, которая закреплена на фундаменте. По продольным направляющим рамы перемещается колонна. По колонне в вертикальном направлении перемещается консоль. В поперечном направлении по консоли двигается ползун, который оснащен механизмом для закрепления сменных шпиндельных головок.
Концепция станка с сменными шпиндельными головками позволяет подстроить станок требуемому технологическому запросу. Смена шпиндельных головок позволяет выбор оптимального типа шпиндельной головки для данной операции с возможностью использования лучшего режима резания и одновременно позволяет расширение рабочего пространства станка.
Основные технические параметры станка FO
|
| FO |
Рабочий ход |
|
|
X | [mm] | 2 600 |
Y | [mm] | 825 |
Z | [mm] | 1 650 / 2 650 |
V (ход поворотного стола) | [mm] | 1 250 |
В (поворот стола) | [°] | 360 |
диапазон рабочих подач |
|
|
X, Y, Z / V | [mm/min] | 1 – 30 000 / 1 – 12 000 |
Исполнение главного привода шпинделя |
|
|
Мощность привода | [kW] | 37 |
|
|
|
магазин инструмента |
| 40/60 |
максимальны диаметр инструмента в магазине | [mm] | 125/250 |
максимальная длина инструмента | [mm] | 400 |
вес инструмента | [kg] | 25 |
СМОТРИТЕ ТАКЖЕ ФРЕЗЕРНЫЕ ГОЛОВКИ:
- Двухосевая головка VK
- Двухосевая головка VKE с электрошпинделем
- Прямая головка VA1/VA2
- Угловая головка VP1/VP2
- Универсальная головка VO
Что такое фрезерный станок? | Основные части фрезерного станка
Важный момент
1
Что такое фрезерный станок?
Фрезерный станок — это инструмент, который в основном используется в металлообрабатывающей промышленности.
Фрезерные станки — это оборудование, предназначенное для обработки металла, дерева и других твердых материалов. Часто автоматизированные фрезерные станки могут быть установлены как в вертикальном, так и в горизонтальном положении для вырезания материала, в зависимости от уже существующей конструкции.
Обычно эта машина используется для придания формы твердым изделиям путем удаления лишнего материала для формирования готового изделия. Фрезерные станки можно использовать для различных сложных задач по резке — от прорезания пазов, нарезания резьбы и фальцовки до фрезерования, планирования и сверления.
Они также используются при штамповке, которая включает в себя формирование стальных блоков, чтобы их можно было использовать для различных задач, таких как лепные украшения, пластик или монеты. Эта машина может содержать более одного устройства одновременно. Резак вращается с высокой скоростью, а благодаря множеству режущих кромок он снимает металл с очень высокой скоростью.
Машины также могут содержать один или несколько резаков одновременно. Таким образом, фрезерный станок является одним из важнейших станков в мастерской. Все операции на этом станке выполняются с высокой точностью. Скорость съема металла выше по сравнению с токарными, строгальными и строгальными станками. Он имеет хорошую точность и превосходную чистоту поверхности. Именно поэтому фрезерный станок находит широкое применение в производственных работах.
Читайте также: Что такое строгальный станок? | Строгальный станок | Тип строгального станка | Принцип работы строгального станка | Основные части строгального станка
Как работает фрезерный станок?
Фрезерные станки были разработаны еще в 18 веке. Его модели-предшественники использовались для изготовления небольших шестерен внутри часов. Несколько лет спустя производители начали производить для металлургического сектора. Более ранние модели специально разработаны, чтобы в значительной степени полагаться на точность и аккуратность оператора.
Напротив, новейшие станки с ЧПУ управляются компьютерными программами или алгоритмами.
На первый взгляд, вы можете принять его за циркулярную пилу, которая только режет материал на более мелкие части. Однако при ближайшем рассмотрении можно увидеть, что он нарезает заготовку определенной формы.
Может также вырезать плоские поверхности, гладкие края и сверлить отверстия с резьбой в зависимости от типа используемого приспособления. Быстро вращающееся фрезерное или режущее приспособление удаляет части заготовки. Машинист подает заготовку в оборудование для получения желаемого результата.
Также прочтите: Что такое станок с ЧПУ? | Блок-схема ЧПУ | Части станка с ЧПУ
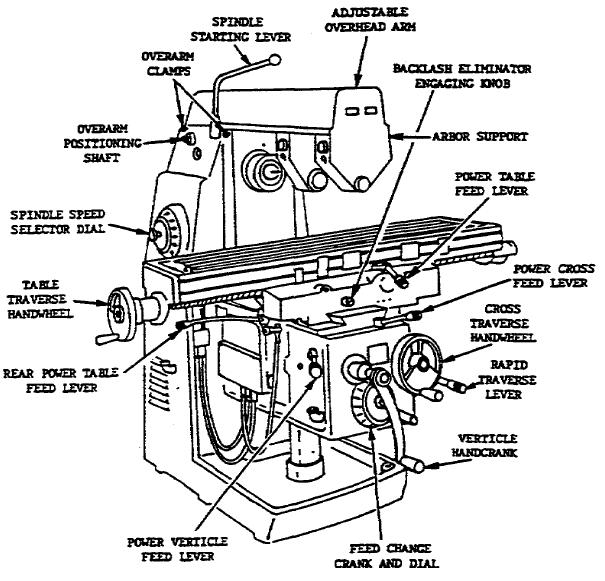
Основные части фрезерного станка:
#1. Колонна и основание
Колонны, включая основание, являются основной отливкой, поддерживающей все остальные части фрезерного станка.
- Колонна состоит из масляного резервуара и насоса, смазывающего шпиндель.

- Колонна опирается на основание, а основание содержит резервуар для охлаждающей жидкости и насос, который используется во время операций обработки, требующих охлаждающей жидкости.
#2. Колено
Это отливки, поддерживающие седло и стол. Все зубчатые механизмы заключены в колено.
- Вяжется столбиком «ласточкин хвост».
- Колено поддерживается и регулируется винтами вертикального позиционирования (подъемными винтами).
- Подъемный винт используется для регулировки колена вверх и вниз путем подъема или опускания рычага вручную или с помощью механической подачи.
№3. Седло и поворотный стол
Седло находится на уровне колена и поддерживает стол. Он скользит по горизонтальному ласточкиному хвосту в колене и параллельно оси шпинделя ласточкиного хвоста (в горизонтально-фрезерном станке).
- Поворотный стол (только в универсальных станках) крепится к седлу, которое можно поворачивать горизонтально в любую сторону.

#4. Механизм механической подачи
Колено содержит механизм механической подачи. Он используется для управления продольной (влево и вправо), поперечной (внутрь и наружу) и вертикальной (вверх и вниз) подачами.
- Для достижения желаемой скорости подачи на станках рычаг выбора подачи размещается, как указано на пластинах выбора подачи.
- На некоторых универсальных фрезерных станках с коленом и колонной подача достигается вращением рукоятки выбора скорости до тех пор, пока на шкале подачи не отобразится желаемая скорость подачи.
- Большинство фрезерных станков имеют рычаг быстрого перемещения, который можно установить, когда требуется временное увеличение скорости продольной, поперечной или вертикальной подачи. Например, этот рычаг будет задействован, когда оператор выполняет рабочее положение или выравнивание.
№5. Стол
Это прямоугольная отливка, которая присутствует в верхней части седла.
- Используется для удержания рабочего или рабочего оборудования.

- Он имеет несколько Т-образных пазов для удержания работы и удерживающих устройств (т. е. приспособлений и приспособлений).
- Столы могут управляться вручную или с помощью электричества. Чтобы переместить столы вручную, задействуйте и поверните продольную рукоятку. Чтобы переместить его через мощность, задействуйте продольные направления для подачи рычага управления.
#6. Шпиндель
Имеет вал, который используется для удержания и привода режущего инструмента фрезерного станка.
- Шпиндель установлен на подшипниках и поддерживается колонной.
- Шпиндель с приводом от электродвигателя через зубчатую передачу. Зубчатые передачи присутствуют внутри колонны.
- Внутренний конус выточен на торце шпинделя рядом со столом. Внутренний конус в передней части шпинделя позволяет использовать только конический держатель фрезы или оправку. Он имеет две шпонки на передней панели, которые обеспечивают принудительный привод держателя фрезы или оправки.

- Стяжной болт и контргайка используются для крепления держателя и оправки к шпинделю.
#7. Консоль/консоль
Это горизонтальная балка, расположенная в верхней части колонны. Это может быть единая отливка, которая скользит по направляющим типа «ласточкин хвост» на верхней поверхности колонны.
- Консоль используется для крепления опоры вала. Он может иметь один или два цилиндрических стержня, проходящих через отверстия колонны.
#8. Опора вала
Это отливка с подшипником, который поддерживает внешний конец вала. Это также помогает выровнять внешний конец арки с осью.
- Предотвращает подпружинивание внешнего края оправки во время резки.
- Во фрезерных станках обычно используются два типа опор вала. Первый имеет отверстие под подшипник меньшего диаметра, с максимальным диаметром 1 дюйм. А другой имеет отверстие большего диаметра, обычно до 23/4 дюйма.
- Опора оправки содержит резервуары для масла, которые смазывают поверхности подшипников.
Его можно зажать в любом месте на рукоятках. Оправочные опоры применяются только на фрезерных станках горизонтального типа.
#9. Ram
Подвесной рычаг в вертикальных машинах называется домкратом. Один конец ползунов установлен на вершине колонны, а другой конец оснащен фрезерной головкой.
Также прочтите: Части и функции шлифовального станка | Шлифовальный станок | Типы шлифовальных станков
Принцип работы фрезерного станка:
Принцип работы фрезерного станка применяется при удалении металла на фрезерном станке. Заготовка жестко закреплена на столе станка, а вращающаяся многозубая фреза установлена на любом шпинделе.
Фреза вращается с нормальной скоростью, и работа постепенно настигает фрезу. Работа может подаваться продольно, вертикально или в поперечном направлении. По ходу работы зубья фрезы удаляют металл с рабочих поверхностей для получения желаемых форм.
Также прочтите: Простая индексация на фрезерном станке
Размер фрезерного станка:
Размер фрезерного станка определяется размерами максимальной длины продольного, поперечного и вертикального перемещения стола и также рабочая поверхность машины.
В дополнение к вышеуказанным размерам, количество скоростей шпинделя, количество подач, доступная мощность, конусность переднего конца шпинделя, вес нетто, требуемая площадь и т. д. Следует также учитывать спецификацию станка в целом.
Также читайте: Части слоттерной машины | Типы слоттеров | Приводной механизм слот-машины | Прорезные машины
Типы фрезерных станков:
#1. Вертикально-фрезерный станок
В вертикально-фрезерных станках шпиндель располагается вертикально или вертикально на столе. Вертикально-фрезерный станок используется для обработки пазов, пазов и т. д. Также они применяются для обработки плоских поверхностей. Шпиндельная головка вертикально-фрезерного станка закреплена вертикальной колонной, а вертикальная колонна вращается под углом.
Для работы с угловатыми поверхностями на шпинделях устанавливается фреза. В некоторых вертикально-фрезерных станках шпиндели можно регулировать вверх и вниз. Эти станки оснащены прецизионным инструментом, который используется для формирования и придания формы заготовке путем удаления заготовки из металлической заготовки.
В зависимости от материала и оборудования также обрабатываются пластмассы и другие материалы.
Фрезерные станки могут быть с числовым программным управлением, ручным управлением или комбинацией ручного управления и ЧПУ. Роторный резец используется в шпинделе для удаления материала фрезерного станка.
Из-за вертикального движения шпинделя и возможности резки с подвижным столом этот станок более сложен, чем сверлильный станок. Некоторые вертикально-фрезерные станки имеют поворотную револьверную головку для верхней режущей головки, что расширяет возможности обработки.
Области применения вертикально-фрезерных станков:
1.1. Сверление или растачивание:
Вертикально-фрезерные станки предназначены для обработки отверстий и точной индексации.
1.2. Точные порезы:
Шпоночные пазы, шпоночные, шпоночные или плоские вырезаются с помощью вертикально-фрезерных станков с точной фиксацией.
1.3. Фрезерование:
При этой операции на заготовке создаются пятна или плоская поверхность.
Операция торцевания обычно используется для заготовок неправильной формы.
№2. Плоский или горизонтальный фрезерный станок
Плоский или горизонтальный фрезерный станок прочнее ручного фрезерного станка. В горизонтально-фрезерных станках шпиндель расположен горизонтально. Режущие инструменты установлены на шпинделях, ориентированных горизонтально, как в случае горизонтально-фрезерного станка, что позволяет им снимать материал с неподвижной заготовки.
Они предлагают режущие инструменты, отличные от вертикально-фрезерных станков. Их конструкция очень похожа друг на друга. Вращающиеся режущие инструменты присутствуют в шпинделе горизонтально-фрезерного станка. Заготовка прессуется для удаления материала с заготовки.
Плоские или горизонтальные фрезерные станки отличаются от вертикально-фрезерных станков по нескольким параметрам. Одним из основных различий между ними является ориентация оси.
В вертикально-фрезерных станках шпиндель имеет вертикальную ориентацию, тогда как в горизонтально-фрезерных станках шпиндель имеет горизонтальную ориентацию.
#3. Дуплексный фрезерный станок
Дуплексный фрезерный станок представляет собой комбинацию двух станков, расположенных друг напротив друга. Они работают отдельно. Когда заготовка обрабатывается двумя шпинделями, они работают как фрезерный станок. Шпиндель дуплексного фрезерного станка может вращаться как в вертикальном, так и в горизонтальном направлениях.
Основные преимущества дуплексных фрезерных станков:
- Дуплексные фрезерные станки увеличивают производительность на 50 процентов по сравнению с другими фрезерными станками.
- В этих машинах значительно улучшена точность.
- Duplex могут управляться одним оператором.
- Требуемые капиталовложения и пространство меньше по сравнению с двумя отдельными фрезерными станками.
- Duplexes имеют различные конфигурации, такие как маятниковые рабочие зоны, отдельные рабочие зоны или системы смены поддонов.
- Высокая производительность дуплексных фрезерных станков может привести к более быстрой амортизации инвестиций.

Фрезерные станки
Фрезерные станки
#4. Универсально-фрезерный станок
В универсально-фрезерном станке имеется стол, оснащенный всеми разъемными головками и движениями (с переключением передач). Поэтому он может выполнять различные фрезерные операции. Универсальные фрезерные станки используются для выполнения множества задач.
Стол повернут из нормального положения на угол 45 градусов в обе стороны. Стол горизонтально-фрезерных станков можно перемещать в трех направлениях. Спиральные фрезерные работы также выполняются на этом станке. Дополнительные навесные приспособления используются для увеличения вместимости машины.
Используемые специальные приспособления:
- Вращающееся приспособление
- Прорезное приспособление
- Делительная головка или делительная головка
- Приставка для вертикального фрезерования
Универсально-фрезерные станки производят развертки, фрезы, спирали, спиральные сверла, шпоры, фаски и т.п. Операции, выполняемые на строгальных станках, могут выполняться на универсальных фрезерных станках.
№5. Симплексный фрезерный станок
В этих фрезерных станках шпиндельная головка или шпиндель могут перемещаться только в одном направлении. Вертикальное направление является очень распространенным направлением, в котором может работать симплексный фрезерный станок.
Фрезерные станки Simplex отличаются плоскостностью фрезерованных поверхностей и превосходным качеством поверхности, стабильным фрезерованием, высокой производительностью, длительным сроком службы и низкими эксплуатационными расходами.
#6. Фрезерный станок с ЧПУ
Фрезерный станок с ЧПУ также известен как фрезерный станок с числовым программным управлением. Они компьютеризировали управление процессом обработки.
Режущие инструменты используют многоточечное вращение для последовательного удаления материала с заготовки, что приводит к производству изделий или деталей по индивидуальному заказу. (Типы станков с ЧПУ)
Фрезерный станок с числовым программным управлением состоит из вращающейся цилиндрической фрезы, которая перемещается по нескольким осям и создает отверстия, пазы и широкий материал для превращения его в механическую деталь или транспортное средство.
Различные станки работают с тремя-пятью осями, что обеспечивает большую детализацию и точность.
Современный фрезерный станок с числовым программным управлением имеет как вертикальные, так и горизонтальные обрабатывающие центры. Компоненты фрезерного станка с ЧПУ изготовлены из таких материалов, как керамика, пластик и композитные металлические материалы. Инструментальные магазины и карусели, устройство автоматической смены инструмента, корпуса и системы охлаждения являются техническими характеристиками фрезерных станков с ЧПУ.
#7. Тройной фрезерный станок
В тройных фрезерных станках шпиндель станка перемещается в трех направлениях: по оси X, по оси Y и по оси Z. Фрезерные станки Triplex очень точны и производительны. Фрезерные станки Triplex подходят для приложений, которые основаны на точности, требуемой клиентами.
#8. Барабанная фрезерная машина
Эти машины используются в производственных работах. Барабанные фрезерные станки имеют вертикальный центральный барабан, который вращается вокруг горизонтальной оси, как паромное колесо.
Предусмотрены фрезы торцевого типа.
Чистовые и черновые фрезы барабанного фрезерного станка аналогичны фрезерному станку с вращающимся столом. Приспособление вращается медленно, что работает против вращающегося резца при работе барабанно-фрезерных станков. Обычно предусмотрено три или четыре режущих шпинделя.
Операция продолжается после удаления обработанных деталей и добавления новых в конце рабочего цикла. Барабанные фрезерные станки широко используются в промышленных операциях. (тип фрезерного станка)
#9. Фрезерный станок станочного типа
В случае фрезерных станков станочного типа рабочий стол размещается на станине. Для обеспечения продольного движения во фрезерном станке станочного типа колено отсутствует.
№10. Фрезерный станок с поворотным столом
Фрезерные станки с поворотным столом могут выполнять до 2D и 2,5D машинных циклов на конце или вокруг конца цилиндра. Когда машина работает в радиальном направлении, движение параллельно или параллельно оси вращения ограничено..png)
Фрезерные станки с поворотным столом ориентированы радиально вдоль осевой линии оси вращения. У них есть круглый стол, который может вращаться вдоль вертикальной оси. В этом фрезерном станке приходится устанавливать множество фрез на разной высоте.
Один резец станка используется для черновой обработки заготовки, а остальные используются для чистовой обработки поверхности. Когда станок работает, оператор может непрерывно выгружать и загружать заготовку, и это является основным преимуществом использования фрезерного станка с поворотным столом.
№11. Фрезерный станок с трассерным управлением
Эти фрезерные станки оснащены инструментами, которые могут копировать с трассерным управлением, что позволяет воспроизводить автомобиль или копировать внутреннюю и внешнюю геометрию в двух измерениях.
Этот станок используется для обработки канавок, кулачков, контурных поверхностей и т. д. (тип фрезерного станка)
Это идеальный станок для воспроизведения красителей неправильной и сложной формы и микроэлементов.
Некоторые фрезерные станки с копировальным управлением имеют сервомеханизм, и этот механизм сложен. Процессы, включающие механическую обработку полостей, такие как штамповка, выполняются на трехмерных дупликаторах или профилировщиках.
№12. Станок для фрезерования колонн
Станки для фрезерования колонн обычно используются для изготовления деталей автомобилей. Этот станок является простейшим типом фрезерного станка. Они состоят из пяти основных частей: головы, рабочего стола, колена и седла. В этой машине используется дрель, которая подвешивается вертикально.
№13. Револьверно-фрезерный станок
Эти станки очень универсальны и обычно используются для изготовления самых разных деталей. Револьверные фрезерные станки также называются фрезерными станками типа Бриджпорт, они имеют углубленные отверстия и имеют более широкий спектр применения.
№14. Фрезерный станок с C-образной рамой
Эти машины прочны и мощны. Фрезерный станок с С-образной рамой использует гидравлический двигатель для своей работы.
Они идеально подходят для промышленного использования.
Станки фрезерные с С-образной рамой предназначены для изготовления дублирующих деталей на основе эталонной модели. Фрезерные станки с трассерным управлением обычно используются для контурной обработки поверхностей и обработки канавок.
Также читайте: Работа радиально-сверлильного станка | Что такое радиально-сверлильный станок | Детали радиально-сверлильного станка
Работа фрезерного станка:
Различные операции фрезерного станка:
#1. Фрезерование торца
Эта операция создает плоскую поверхность на торце заготовки. Эта операция обработки выполняется на поверхностях, перпендикулярных оси фрезы. Операция выполняется торцевой фрезой, установленной на цапфе станка.
№2. Боковое фрезерование
Это процесс механической обработки, при котором на краях заготовки получаются плоские вертикальные поверхности. Эта операция выполняется с помощью боковых фрез.
#3. Плоское фрезерование
Это процесс соединения плоских поверхностей с осью фрезы, параллельной поверхности. Его также называют фрезерованием поверхностей или фрезерованием плит. Плоские фрезы используются для плоского фрезерования.
№4. Двухстороннее фрезерование
Это процесс, в котором фрезы для двустороннего фрезерования используются для одновременной обработки двух противоположных сторон заготовки. Операции по фрезерованию с двух сторон показаны на рисунке ниже.
№5. Угловое фрезерование
Процесс фрезерования плоских поверхностей, которые не параллельны и не перпендикулярны оси фрезы. Его также называют угловым фрезерованием. Для выполнения этой операции используются одноугловые фрезы.
#6. Групповое фрезерование
Это процессы механической обработки, в которых два или более фрез используются вместе для одновременного выполнения различных операций фрезерования. При групповом фрезеровании фреза устанавливается на оправку.
№7. Фасонное фрезерование
Это процесс специальной обработки контуров, состоящих из кривых, прямых линий или полных кривых за один проход. Для выполнения этой операции используется фреза, выполненная по форме контура выреза. Эта операция выполняется с помощью выпуклых, вогнутых и угловых фрез.
#8. Фрезерование профиля:
Эти операции фрезерования используются для вырезания профиля на заготовках.
#9. Торцевое фрезерование
Это процесс изготовления плоских поверхностей, которые можно обрабатывать горизонтально, вертикально и под любым углом, принимая за основу. Для выполнения этой операции используется концевая фреза.
№10. Фрезерование пилой
Это процесс механической обработки, используемый для создания узких канавок или пазов на заготовке.
- Также используется для разделения заготовки на две равные или неравные части.
- Данная операция фрезерования выполняется с помощью лобзиковой фрезы.
- Ширина этой фрезы намного меньше ширины заготовки.

#11. Методы фрезерования шпонок, канавок и пазов
Эта операция фрезерования используется для создания шпоночных канавок, канавок и пазов на заготовке.
#12. Зубофрезерование
Это процесс фрезерования, используемый для нарезания зубьев на заготовке. Эта операция выполняется с помощью формованной фрезы, называемой эвольвентной зубчатой фрезой.
№13. Винтовое фрезерование
Эта операция фрезерования выполняется для изготовления изделий винтовой конструкции, таких как косозубые шестерни, спиральные сверла и т. д. Это делается на периферии цилиндрической заготовки.
№14. Фрезерование кулачков
Это процесс механической обработки, используемый для изготовления кулачков. Кулачки используются для открытия и закрытия клапанов в двигателях внутреннего сгорания.
№15. Фрезерование резьбы
Это процесс фрезерования, используемый для нарезания резьбы на цилиндрических заготовках. Все дело в деталях и типах фрезерных станков.
Если вы обнаружите какие-либо улучшения в статье, сообщите нам об этом в своих ценных комментариях. И если вы найдете эту статью информативной и полезной, пожалуйста, не забудьте поделиться ею.
Читайте также: Что такое автомобильный водяной насос? | Как работает водяной насос? | Каково назначение водяного насоса? | Что такое слезные отверстия водяного насоса?
Часто задаваемые вопросы (FAQ)
Для чего используется фрезерный станок?
Фрезерный станок удаляет материал с заготовки, вращая режущий инструмент (резец) и перемещая его в заготовку. Фрезерные станки, как вертикальные, так и горизонтальные, обычно используются для обработки плоских поверхностей и поверхностей неправильной формы и могут использоваться для сверления, растачивания и нарезания зубчатых колес, резьбы и пазов.
Что такое фрезерный станок?
Фрезерные станки представляют собой тип оборудования для удаления материала с заготовки с помощью вращающихся фрез.
Эти машины могут сверлить, сверлить и резать множество материалов.
Принцип работы фрезерного станка
Фреза вращается с высокой скоростью, и заготовка медленно проходит мимо фрезы. Работа может подаваться вертикально, продольно или поперечно. По мере продвижения работы зубья фрезы удаляют металл с рабочей поверхности, придавая ей желаемую форму.
Типы фрезерных станков
- Вертикально-фрезерный станок
- Плоский или горизонтальный фрезерный станок
- Дуплексный фрезерный станок
- Универсальный фрезерный станок
- Симплексный фрезерный станок
- Фрезерный станок с ЧПУ
- Тройной фрезерный станок
- Фрезерный станок для барабанов
- Фрезерный станок станины
- Фрезерный станок с поворотным столом
- Фрезерный станок с трассерным управлением
- Фрезерный станок для колонн
- Револьверно-фрезерный станок
- C-фрезерный станок
Эксплуатация фрезерного станка
Фрезерный станок — это станок, который режет металл при подаче заготовки к вращающемуся многогранному резцу.
Фреза вращается с очень высокой скоростью из-за множества режущих кромок; режет металл очень быстро. Эта машина также может содержать один или несколько резаков одновременно.
Фрезерные станки | мужчиныавтоматикарабин
Фрезерные станки
Фрезерные станки представляли собой инструменты, которые придавали металлическим предметам форму с помощью «быстровращающейся фрезы с несколькими зубьями для удаления металла с обрабатываемой детали». объект. Поскольку эти инструменты позволяли выполнять сложную резку металла, их использовали на оружейных заводах во время Гражданской войны. Обеспечивая более точный способ резки металла, фрезерный станок продвигал унифицированные детали, которые требовало Управление артиллерийского вооружения.
Север
Симеон Норт, изобретатель, известный тем, что создал первый фрезерный станок, создал свое изобретение примерно в 1816 году. сообщая, что суперинтенданты Harper’s Ferry и Springfield Armory приезжали на фабрику Норта, чтобы посмотреть на инструмент.
Норт также посетил Harper’s Ferry в 1816 году, поделившись своими идеями с Джоном Холлом, который руководил там производством винтовок и страстно любил взаимозаменяемые детали. Холл работал в течение следующего десятилетия, чтобы усовершенствовать фрезерный станок, чтобы сделать его более эффективным. машина для распространения на другие оружейные. В частности, фрезерные станки распространились из Спрингфилдской оружейной палаты на компании Новой Англии, региона, известного своим производством станков и оружия.0003
Работа
кусок металла или дерева, отлитый в виде детали машины или карабина
Фрезерные станки
механизированный инструмент, который перемещает заготовку относительно фрезы, позволяя придавать заготовке сложную форму
Паровые двигатели
«Ни один другой станок не внес большего вклада в раннюю историю «американской системы», чем фрезерный станок»
—L.T.C. Ролт,
Краткая история станков,
стр.
161
«Фрезерный станок […] был самым важным американским изобретением девятнадцатого века для механического цеха».
—Брук Хиндл и Стивен Любар, 90 453.
Двигатели перемен: американская промышленная революция, 1790–1860 гг.,
стр. 182
Хоу
Ранние фрезерные станки были не самыми эффективными инструментами. Машинисты не могли регулировать резак и рабочий стол по вертикали3, а это означало, что заготовка и резак двигались только по горизонтальной оси, а не по вертикальной. Эта проблема была решена в 1848 году Фредериком Хоу из производственной фирмы Robbins & Lawrence, который создал сверхмощный фрезерный станок, который позволял шпинделю, удерживающему фрезу, перемещаться вертикально.4 Хоу впоследствии создал еще более адаптируемый индексный фрезерный станок, который позволял рабочий стол должен быть «точно отрегулирован под любым углом в горизонтальной плоскости», а также по вертикали. Последним фрезерным станком, созданным Хоу, был его фрезерный станок 1852 года, в котором были исправлены некоторые недостатки его предыдущих моделей, и поскольку его последний станок был очень универсальный, он был известен как «универсальный».
0003
Рут и Пратт
После того, как Robbins & Lawrence потерпела неудачу (которая изначально собиралась поставлять фрезерные станки), Colt получил свое оборудование от Phoenix Ironworks компании Джорджа С. Линкольна. Там Элиша Рут и Фрэнсис Пратт модифицировали конструкцию Хоу 1848 года, которая также регулировалась по горизонтали и вертикали, и их станок получил название Lincoln Miller5. производство сложных взаимозаменяемых частей оружия, соответствующих государственным контрольным приборам. Только на фабрику Кольта было поставлено сто «Линкольн Миллерс», что удвоило производственные мощности компании в 1861 году5. Когда такие компании, как Кольт, получили эти машины, они были более способны выполнять крупные государственные контракты и снабжать войска оружием. Особенно в начале войны фрезерные станки, а также другие инструменты, обсуждаемые на этом веб-сайте, высоко ценились в военной промышленности за содействие экономике, увеличение военного производства и поддержку военных действий.
1. Брук Хиндл и Стивен Любар, Двигатели перемен: американская промышленная революция, 1790–1860 (Вашингтон, округ Колумбия: Smithsonian Institution Press, 1986), 182.
2. «Зал славы станкостроения Американского музея точности: Симеон Норт (1765–1852), Американский музей точности, http://www.americanprecision.org/exhibits/machine-tool-hall-of-fame/74-hall- of-fame/198-simeon-north, Hindle and Lubar, Engines of Change, 182.
3 Л. Т. С. Ролт, Краткая история станков (Кембридж, Массачусетс: M. I. T. Press, 19).65), 157.
4 Ролт, Краткая история станков, 159.
5 Ролт, Краткая история станков, 161.
6 Лютер Д. Берлингейм, «Универсальный фрезерный станок», American Machinist, январь 1911 г., стр. 9–10.
7Берлингейм, «Универсальный фрезерный станок», 11.
8 Ролт, Краткая история станков, 173.
9 Бурлингейм, «Универсальный фрезерный станок», 10.
10 Бурлингейм, «Универсальный фрезерный станок», 9, 11.
11 Зал славы станкостроения Американского музея точности: Фредерик У.
Хоу (1822–189 гг.).1)», Американский музей точности, http://www.americanprecision.org/exhibits/machine-tool-hall-of-fame/74-hall-of-fame/187-frederick-w-howehttp://www. americanprecision.org/exhibits/machine-tool-hall-of-fame/74-hall-of-fame/187-frederick-w-howe; Бурлингейм, «Универсальный фрезерный станок», 13.
.
12 Ролт, Краткая история станков, 170–171.
13 Зал славы станкостроения Американского музея точности: Симеон Норт (1765–1852), Американский музей точности, http://www.americanprecision.org/exhibits/machine-tool-hall-of-fame/74-hall-of- известность/198-симеон-север.
ИСКУССТВО И ФОТО: АМЕРИКАНСКИЙ МУЗЕЙ ТОЧНОСТИ
Этот «универсальный» фрезерный станок был изготовлен в 1862 году. Этот станок был лучше для производства, чем станок выше 1850 года, потому что он был быстрее и точнее. Однако он не был таким гибким в своих операциях, как вышеупомянутая машина. Эта машина также использовалась в Гражданской войне.
«Универсальный» был очень широко применяемым термином, как видно из этих двух разных машин.
Браун
Джозеф Браун из J.R. Brown & Sharpe создал первый полностью универсальный фрезерный станок в 1861–1862 гг. и продал его компании Providence Tool Company, которая использовала его на протяжении всей Гражданской войны. Среди других известных компаний, купивших универсальный фрезерный станок Брауна, была Spencer. Repeating Rifle Company, Burnside Rifle Company и Gwyn & Campbell Company (одна из двух компаний к западу от Нью-Йорка, получивших одну)7. К концу 1862 г. семнадцать универсальных фрезерных станков были проданы различным оружейным заводам по всей территории Соединенных Штатов во время войны.Браун не запатентовал свою машину до 21 февраля 1865 г., и ей был присвоен номер 46 521.10
Как заявил Браун в своем патенте 1865 года: «Конструкция и расположение деталей […] обеспечивают подъем каретки […], ее продольное скольжение со шпинделем ножевого вала и установку ее таким образом. как скользить с ним под любым удобным углом, так что получаются все возможные движения или положения, необходимые для любой работы, которую может выполнять машина такого типа» (патент № 46521).
Его машина сочетала, как указано в его патенте, различные части, такие как скользящая пластина, поворотная пластина и скользящая каретка с вращающимся резаком. Универсальные фрезерные станки, такие как у Брауна, удерживают работу в так называемой головке, которая затем перемещается под разными углами, чтобы обеспечить сложную резку. Эти устройства также позволяли делать несколько надрезов на работе одновременно. Фрезерный станок Брауна можно было даже оснастить различными типами фрез для нарезания различных зубчатых колес, что делало его еще более ценным. Имея несколько фрез, фрезерный станок выполнял больше операций. Это позволило производителям оружия использовать один станок для нескольких операций, что существенно ускорило и удешевило процесс.
ИСКУССТВО И ФОТО: АМЕРИКАНСКИЙ МУЗЕЙ ТОЧНОСТИ
По словам технического специалиста по коллекциям Американского музея точности Джона Александра, эта модель «универсального» фрезерного станка (около 1850 г.) «чрезвычайно универсальна, но не так хороша для производства».
На нем расположены узлы и механизмы фрезерного станка



Его можно зажать в любом месте на рукоятках. Оправочные опоры применяются только на фрезерных станках горизонтального типа.
