Как подобрать заклепку по толщине скрепляемого материала: Как выбрать заклепки вытяжные правильно: таблица расчета
Содержание
Таблица подбора вытяжных заклепок
11 Октября 2019
как подобрать заклепку • таблица подбора заклепок • какие заклепки ставить
Ознакомьтесь с данной таблицей которая предназначена для вытяжных заклепок и подберите необходимые заклепки для скрепляемого материала.
| Таблица подбора размера заклепки к толщине материала | |||||
| Диаметр гильзы, мм | Длина гильзы, мм | Толщина пакета материалов, мм | |||
| 2,4 | 4 | 0,5 — 2,0 | |||
| 6 | 2,0 — 4,0 | ||||
| 8 | 4,0 — 6,0 | ||||
| 10 | 6,0 — 8,0 | ||||
| 12 | 8,0 — 10,0 | ||||
| 3 | 4 | 0,5 — 1,5 | |||
| 5 | 0,5 — 2,5 | ||||
| 6 | 1,5 — 3,5 | ||||
| 7 | 1,5 — 4,5 | ||||
| 8 | 3,5 — 5,5 | ||||
| 10 | 5,5 — 7,0 | ||||
| 12 | 7,0 — 9,0 | ||||
| 14 | 9,0 — 11,0 | ||||
| 16 | 11,0 — 13,0 | ||||
| 18 | 13,0 — 15,0 | ||||
| 3,2 | 4 | 0,5 — 1,5 | |||
| 5 | 0,5 — 2,5 | ||||
| 6 | 1,5 — 3,5 | ||||
| 8 | 3,5 — 5,5 | ||||
| 10 | 5,5 — 7,0 | ||||
| 12 | 7,0 — 9,0 | ||||
| 15 | 9,0 — 12,0 | ||||
| 18 | 12,0 — 15,0 | ||||
| 20 | 15,0 — 17,0 | ||||
| 4 | 5 | 0,5 — 2,5 | |||
| 6 | 1,5 — 3,0 | ||||
| 7 | 3,0 — 4,5 | ||||
| 8 | 3,0 — 5,0 | ||||
| 10 | 5,0 — 6,5 | ||||
| 12 | 6,5 — 8,5 | ||||
| 14 | 8,5 — 10,5 | ||||
| 16 | 10,5 — 12,5 | ||||
| 18 | 12,5 — 14,5 | ||||
| 20 | 14,5 — 16,5 | ||||
| 25 | 16,5 — 21,5 | ||||
| 30 | 21,5 — 26,0 | ||||
| 4,8 | 6 | 0,5 — 3,0 | |||
| 8 | 3,0 — 4,5 | ||||
| 10 | 4,5 — 6,0 | ||||
| 12 | 6,0 — 8,0 | ||||
| 14 | 8,0 — 10,0 | ||||
| 16 | 10,0 — 12,0 | ||||
| 18 | 12,0 — 14,0 | ||||
| 21 | 14,0 — 17,0 | ||||
| 24 | 17,0 — 20,0 | ||||
| 27 | 20,0 — 23,0 | ||||
| 30 | 23,0 — 25,0 | ||||
| 32 | 25,0 — 27,0 | ||||
| 35 | 27,0 — 30,0 | ||||
| 40 | 30,0 — 35,0 | ||||
| 45 | 35,0 — 40,0 | ||||
| 50 | 40,0 — 45,0 | ||||
| 5 | 6 | 0,5 — 3,0 | |||
| 8 | 3,0 — 4,5 | ||||
| 10 | 4,5 — 6,0 | ||||
| 12 | 6,0 — 8,0 | ||||
| 14 | 8,0 — 10,0 | ||||
| 16 | 10,0 — 12,0 | ||||
| 18 | 12,0 — 14,0 | ||||
| 20 | 14,0 — 16,0 | ||||
| 25 | 16,0 — 21,0 | ||||
| 30 | 21,0 — 25,0 | ||||
| 35 | 25,0 — 30,0 | ||||
| 40 | 30,0 — 35,0 | ||||
| 45 | 35,0 — 40,0 | ||||
| 50 | 40,0 — 45,0 | ||||
| 6 | 8 | 2,0 — 4,0 | |||
| 10 | 4,0 — 6,0 | ||||
| 12 | 6,0 — 8,0 | ||||
| 14 | 8,0 — 10,0 | ||||
| 16 | 10,0 — 11,0 | ||||
| 18 | 11,0 — 13,0 | ||||
| 20 | 13,0 — 15,0 | ||||
| 25 | 15,0 — 20,0 | ||||
| 30 | 20,0 — 24,0 | ||||
| 35 | 24,0 — 29,0 | ||||
| 6,4 | 12 | 2,0 — 6,0 | |||
| 15 | 6,0 — 9,0 | ||||
| 18 | 9,0 — 12,0 | ||||
| 22 | 12,0 — 16,0 | ||||
| 26 | 16,0 — 20,0 | ||||
| 30 | 20,0 — 24,0 | ||||
| 35 | 24,0 — 29,0 | ||||
| 50 | 29,0 — 42,0 | ||||
Вернуться к списку публикаций
Подбор заклепок
Заклёпка — один из простейших видов крепежа для создания неразъёмных соединений.
В общем случае — это стержневая или трубчатая деталь, имеющая на одном конце опорную «закладную» головку определённой формы. Устанавливается в соединении, как следует из названия, методом клёпки (а также усадки, вальцовки, протяжки, взрыва).
По форме заклёпки можно условно разделить на несколько основных типов:
- Заклёпки с замыкающей головкой (бывают полнотелые, пустотелые и полупустотелые)
- Заклёпки с протяжкой (называют также — отрывные или вытяжные)
- Заклёпки резьбовые (также называют — гайки клепальные)
Заклёпки с замыкающей головкой
Исторически первыми были изобретены заклёпки с замыкающей головкой — поэтому они получили наибольшее распространение. Такие заклёпки имеют с одной стороны закладную головку. Вторая головка, называемая замыкающей, формируется с помощью вальцовочного или клепального инструмента: клепальный молоток, клещи.
По форме головки заклёпки с замыкающей головкой делятся на:
- Заклёпки с полукруглой головкой
- Заклёпки с потайной головкой
- Заклёпки с полупотайной головкой
- Заклёпки с плоской головкой (с бочкой)
Также конструктивно они отличаются наличием отверстия внутри заклёпки:
- Полнотелые заклёпки — отверстие отсутствует
- Пустотелые заклёпки — трубчатые — имеют сквозное отверстие
- Полупустотелые заклёпки — под развальцовку — имеют глухое отверстие
Материалы для заклёпок
Заклёпки с замыкающей головкой могут быть изготовлены из разнообразных металлов и сплавов, которые хорошо поддаются пластической деформации.
Наибольшее распространение получили следующие материалы:
- Стали — в основном, используются пластичные высококипящие стали 03кп, 05кп, 08кп, 10кп, 15кп, 20кп
- Нержавеющие стали — аустенитные стали 12Х18Н9, 08Х18Н10, 03Х18Н11, 12Х18Н10Т
- Алюминиевые сплавы — наиболее применимы сплавы АД, АД1, алюминиево-магниевые сплавы АМг2, АМг5, АМг5П, АМг6, сплавы АМц, В94, В65, также используют дюралюминиевые сплавы Д1, Д16, Д16Т, Д18, Д18П, Д19П
- Латунные сплавы — в основном, сплав Л63
- Медь — марки МТ, М3
Маркировка заклёпок по материалам
Заклёпки могут быть маркированы на головке — для последующей идентификации. Маркировка может быть выпуклой или вогнутой (клеймение).
Далее приведена таблица с принятой маркировкой основных материалов в виде точек или штрихов.
|
Алюминиевые сплавы
|
Сталь
|
Медь и латунь
| ||||||
| В65 | Д18П | Д19П | АМг5 | АМц | АД1 | 20ГА | 10, 20, 12Х18Н10Т | М3, Л63 |
| без метки | без метки | без метки | ||||||
Определение длины заклёпки
Правильная установка заклёпки предусматривает создание полной формы замыкающей головки и отсутствие при этом каких-либо избыточных зазоров и наплывов. Для правильной установки заклёпки необходимо определить длину тела заклёпки, зависящую от толщины склёпываемых материалов и типа заклёпки.
«Справочник конструктора-машиностроителя» под редакцией Анурьева В.И. предлагает пользоваться одной универсальной формулой для всех форм головок заклёпок. Здравый смысл подсказывает, что такой подход ошибочный — поэтому воспользуемся формулами из другого источника: «Основы конструирования» под редакцией Орлова П.И., 1988 года.
| Конструкция заклёпки | Припуск «Н» для заклёпок без зазора | Припуск «Н» для заклёпок с зазором |
| H=1,2d | H≈1,2d+0,1S | |
|
| H=d | H≈d+0,1S |
|
| H=0,6d | H≈0,5d+0,1S |
|
| H=0,8d | H≈0,7d+0,1S |
|
| H=d | H≈0,9d+0,1S |
| H=1,2d | H≈1,1d+0,1S |
Вычислив по формуле необходимый размер припуска, можно определить длину заклёпки L, прибавив к толщине склёпываемых материалов S значение припуска H.
Затем необходимо выбрать ближайшее значение длины заклёпки из стандартного ряда длин. Для заклёпок утверждён стандартный ряд длин, согласно которого они и производятся (в мм):
- 2, 3, 4, 5, 6, 7, 8, 9, 10, 12, 14, 16, 18, 20, 22, 24, 26, 28, 30, 32, 34, 36, 38, 40, 42, 45, 48, 50, 52, 55, 58, 60, 65, 70, 75, 80, 85, 90, 95, 100, 110, 120, 130, 140, 150, 160, 170, 180
Пример расчёта длины заклёпки
Например, нам необходимо склепать несколько листов общей толщиной 32 мм; склёпывать будем без зазора заклёпками с полукруглой головкой Ø6 мм (1-я конструкция в таблице).
d = 6 мм
S = 32 мм
H = 1,2d = 1,2 x 6 = 7,2 мм
Таким образом, необходимо использовать заклёпку с длиной стержня
L = S + H = 32 + 7,2 = 39,2 мм
Выбираем ближайшую длину из стандартного ряда — это 40 мм.
В итоге, мы выяснили, что для склёпывания пакета листов толщиною 32 мм нам понадобится заклёпка размера Ø6х40 мм.
Заклёпки с протяжкой
Заклёпки с протяжкой изготавливают пустотелыми, с головкой на одном конце, внутрь заклёпки вставляется подвижный расширительный стержень, который при установке протягивается через заклепку, расширяет её, формирует вторую замыкающую головку и стягивает скрепляемые листы материала. После затяжки стержни обламываются или протягиваются полностью через заклепки.
Такие заклёпки часто называют отрывными или вытяжными — по технологии установки. Заклёпки с протяжкой в последнее время становятся всё более и более популярными. Это происходит по нескольким причинам:
- технологическая простота установки заклёпок;
- достаточно иметь доступ к монтажу только с одной стороны конструкции;
- не требуется поддержка заклёпки с обратной стороны;
- дешевизна и компактность инструмента для установки заклёпок;
- высокая производительность при установке заклёпок
- разнообразие видов заклёпок
Так как отрывные заклёпки пустотелые, то после установки внутри заклёпки остаётся отверстие, в которое можно проложить провода, установить другой крепёж — например, винты.
Диаметр нормальной головки таких заклёпок приблизительно равен двум диаметрам заклёпки D ≈ 2d. Наряду с нормальной головкой заклёпки могут иметь увеличенную головку с диаметром равным трём диаметрам заклёпки D ≈ 3d.
Выпускается также специальный тип водо- и газонепроницаемых заклёпок с протяжкой — глухие или герметичные заклёпки, после установки которых соединение получается герметичным.
Установка заклёпок с протяжкой осуществляется с помощью специального инструмента — пистолета для заклёпок — заклёпочника. Производятся заклёпочники механические ручные и высокопроизводительные пневматические и аккумуляторные электрические.
Материалы для заклёпок с протяжкой
Исходя из способа установки заклёпок с протяжкой, логичным представляется, что заклёпка в сборе состоит из двух материалов, и материал стержня должен быть прочнее, чем материал самой заклёпки — иначе как стержень разожмёт и спрессует заклёпку раньше, чем разрушится сам.
В таких заклёпках используются или пара разных материалов или однотипные материалы, но с различной прочностью. Приведём наиболее распространённые пары материалов для заклёпок с протяжкой:
- Алюминиевая заклёпка + стальной оцинкованный стержень (на самом деле заклёпка сделана не из алюминия, а из алюминиево-магниевого сплава АМг, который может иметь различное процентное содержание магния (Mg): 1%; 2,5%; 3,5%; 5% — соответственно сплавы АМг, АМг2, АМг3, АМг5 — чем больше содержание магния (Mg), тем прочнее заклёпка) — обозначают Al/St
- Алюминиевая заклёпка окрашенная + стальной оцинкованный стержень (заклёпка сделана из алюминиево-магниевого сплава АМг, и снаружи окрашена порошковой краской в определённый цвет из цветовой раскладки RAL) — обозначают Al/St 0000, где 0000 — четырёхзначный номер цвета раскладки RAL
- Алюминиевая заклёпка + алюминиевый стержень (заклёпка и стержень сделаны из алюминиево-магниевых сплавов АМг, но с различным процентным содержанием магния — стержень прочнее) — обозначают Al/Al
- Алюминиевая заклёпка + нержавеющий стержень — обозначают Al/A2
- Нержавеющая заклёпка + нержавеющий стержень (и заклёпка и стержень изготовлены из нержавеющей стали, но различных марок, и стержень прочнее) — обозначают A2/A2 или A4/A4
- Медная заклёпка + стальной оцинкованный стержень — обозначают Cu/St
- Медная заклёпка + бронзовый стержень — обозначают Cu/Br
- Медная заклёпка + нержавеющий стержень — обозначают Cu/A2
- Стальная оцинкованная заклёпка + стальной оцинкованный стержень (заклёпка и стержень из стали, но различных марок и стержень прочнее) — обозначают St/St
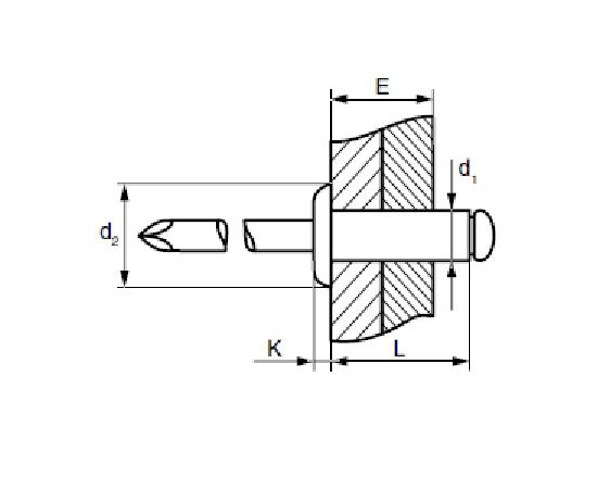
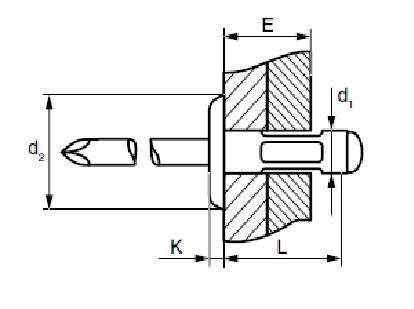
Определение длины заклёпки с протяжкой
Длину заклёпки с протяжкой можно определить с помощью следующей таблицы, в зависимости от толщины скрепляемых материалов (производитель настоятельно не рекомендует применять заклёпки для склёпывания материалов толщиною менее нижнего рекомендуемого предела и выше верхнего предела).![]()
Заклёпки резьбовые
Резьбовые заклёпки, хотя и были изобретены почти одновременно с заклёпками с протяжкой, но широкое распространение получили только в последнее время.
Резьбовая заклёпка представляет собой гибрид пустотелой заклёпки и гайки, поэтому второе название таких заклёпок — гайки клепальные. Вообще-то единства в названии нет — называют также гайка-заклепка, заклепка с резьбой, заклёпочная гайка. Такой кавардак с названиями объясняется отсутствием стандарта ISO или DIN на данный вид крепежа. Конструктивная особенность клепальных гаек обуславливает их двойное назначение: с их помощью можно как склёпывать между собой листовые материалы, так и просто создавать точки резьбового крепления на тонкостенных элементах конструкции. Удобство установки заклёпок связано с отсутствием необходимости доступа с обратной стороны конструкции — так называемая «установка вслепую». При установке не повреждается уже обработанная поверхность детали, например, с покрытием, окраской.
По форме бурта (головки) гайки клепальные делят на:
- с плоским цилиндрическим буртом (нормальным и уменьшенным)
- с потайным буртом (нормальным и уменьшенным)
По конструкции заклёпки резьбовые разделяют на открытые — со сквозным отверстием, и глухие — закрытые с одной стороны.
По форме наружной поверхности резьбовые заклёпки делят на:
- гладкие
- рифлёные
- шестигранные
- полушестигранные
Установка, как и в случае с заклёпками отрывными (вытяжными) осуществляется с помощью специализированного инструмента — щипцов для клепальных гаек — заклёпочника. Производятся заклёпочники механические ручные и высокопроизводительные пневматические.
Материалы для резьбовых заклёпок
В настоящее время европейские производители изготавливают резьбовые заклёпки из следующих материалов:
- Алюминиево-магниевые сплавы
- Сталь оцинкованная
- Нержавеющая сталь
Как выбрать длину заклёпки резьбовой
Подбор правильной длины заклёпки осуществляется в зависимости от вида резьбовой заклёпки и толщины листовой конструкции на которую устанавливается заклёпка.
Длина заклёпки при одинаковой резьбе варьируется в зависимости от вида заклёпки. Многие виды резьбовых заклёпок бывают нормальной длины и удлинённые. Выбирать длину заклёпки необходимо руководствуясь
Таблицами с размерами и параметрами заклёпок
|
| |
|
| |
|
| |
|
| |
|
| |
|
| |
|
| |
|
| |
|
| |
|
| |
|
| |
|
| |
|
| |
|
| |
|
|
|
|
| |
Как правильно рассчитать длину заклепки под молоток
Заклепка – один из самых удобных и быстрых в монтаже крепежных элементов, обеспечивающих надежное неразъемное соединение.
Сегодня существует огромное многообразие форм и размеров клепального крепежа, но самыми первыми были изобретены заклепки под молоток. Они использовались при строительстве судов, мостов и других металлических инженерных сооружений, где с успехом заменяли сварные соединения. Сегодня этот старейший вид крепежа изготавливается из современных материалов, поэтому не утратил своей популярности и даже расширил сферу применения.
Принцип действия молотковой заклепки
Классическая заклепка под молоток представляют собой стержень, имеющий закладную головку определенной формы (полукруглую, потайную, полупотайную, плоскую). Замыкающая головка формируется из противоположного конца стержня путем его пластической деформации при помощи клепального молотка и специальной ударной оправки, которая придает головке аккуратную полукруглую форму. При этом со стороны закладной головки нужно обеспечить массивную поддержку. Очевидно, что для установки такой заклепки необходимо иметь доступ с двух сторон скрепляемых поверхностей.
Определение длины ударной заклепки
Для правильной установки заклепочного крепежа важно точно подобрать его длину, чтобы была возможность создать из выступающей части стержня замыкающую головку необходимой формы и получить соединение без зазоров. Длина выпускаемых заклепок под молоток варьируется в пределах от 2 – 180 мм и подбирается исходя из толщины пакета скрепляемых материалов. Сначала необходимо определить длину выступающей части стержня (припуска). Для варианта с полукруглой головкой величина припуска равняется 1.2…1.5d, а для варианта с головкой потаем – 0.8…1.2d, где d – диаметр стержня. Исходя из полученного значения припуска, несложно рассчитать полную длину стержня, прибавив к нему толщину склепываемых материалов – S.
- Расчет длины заклепки с полукруглой головкой: L = S + (1.2…1.5d)
- Расчет длины заклепки с потайной головкой: L = S + (0.8…1.2d)
Пример расчета:
Требуется склепать материалы суммарной толщиной 41 мм заклепкой потай Ø8 мм
L = 41 + 0.
8 х 8 = 41 + 6.4 = 47.4 мм
Затем выбираем из существующего стандартного ряда длин заклепок ближайшее к 47.4 значение, то есть – 48 мм. Итак, для создания потайного заклепочного соединения листов толщиной 41 мм нам потребуется крепеж размера Ø8х48 мм.
Как правильно установить заклепку под молоток?
Важной особенностью соединения на заклепках является то, что оно создается внахлест. Чтобы соединить две листовые детали, необходимо наложить их края или использовать соединительный элемент, который будет фиксироваться к двум листам. Этот нюанс делает подготовительную часть работы очень ответственной – перед началом работы нужно разместить все части изделия в проектном положении и при необходимости закрепить, чтобы избежать смещения. После того, как эта часть работы выполнена, процесс соединения происходит следующим образом:
- Подготовительный этап
Выполняют точную разметку соединения, отметив места для установки заклепок мелом или маркером.
При этом следят за тем, чтобы элементы не смещались относительно друг друга. Расстояние от центра крепежа до края детали должно составлять не менее чем полтора диаметра стержня. Расстояние между центрами заклепок вычисляется по формуле:
Р = 3d + 2 мм, где d – это диаметр стержня заклепки, а P – расстояние между их осями.
Для того, чтобы изготовить соединение, необходимо подготовить сквозное отверстие во всех элементах. Используя дрель и сверло по металлу, диаметр которого равен диаметру крепежа, сверлят листы. При работе со сталью, перед использованием дрели, кернером делают небольшое углубление в месте установки сверла.
Диаметр просверливаемого в материалах отверстия должен обеспечивать свободный ввод стержня, при этом величина зазора между телом заклепки и стенками отверстия не должна превышать параметров прописанных в ГОСТ. Так, для получения качественной клепки зазор для деталей диаметром до 5 мм составляет не более 0,1 мм, а для деталей от 5 мм не более 0,2 мм.
(!) Когда материалы склепывают потайной заклепкой, то под головку в отверстии снимают фаску под углом 60° – 90° на глубину, соответствующую высоте закладной головки.
- Процесс клёпки
После того, как отверстия готовы, приступают к установке метизов. Обычно заклепки забивают при помощи молотка – при правильном подборе сверла крепеж входит в металл очень плотно.
После того, как крепеж занял проектное положение, приступают к формированию второй головки, которую называют замыкающей. Для этого используют обжимку для плющения заклепочных головок, специальное вальцовочное оборудование, электрическое или пневматическое или молоток и клещи. При ручной установке заклепок большого диаметра обычно привлекают помощника, который клещами или специальным приспособлением удерживает крепеж со стороны головки.
Проверка качества выполненного соединения
Важным этапом работы по монтажу с использованием заклепок, является контроль качества соединения.
Каждую заклепку осматривают визуально и проверяют на смещение. Крепежный элемент, который легко можно сдвинуть вручную, снова расклепывают, добиваясь полной неподвижности. Если зафиксировать заклепку не удалось, ее удаляют с использованием зубила и молотка или методом высверливания, а на его место устанавливают другую.
Полезные советы
Обновлено: 14.08.2022 21:28:06
Поставить оценку
Успешно отправлено, Спасибо за оценку!
Нажмите, чтобы поставить оценку
виды, принцип действия вытяжных заклепок
Автор статьи: pkmetiz.ru
Содержание
- 1 Принцип действия
- 2 Как установить вытяжную заклепку?
- 3 Виды вытяжных заклепок
- 4 Заклепка тяговая и вытяжная
- 5 Область применения
- 6 Как выбрать вытяжную заклепку?
Заклепка относится к самым древним видам крепежных элементов, сохранившим свою актуальность до сегодняшнего дня.
Первые письменные упоминания об этих деталях восходят к Древнему Египту. Их возраст превышает 3 000 лет. Самые ранние археологические находки заклепок датируются 500 годом до нашей эры. Они использовались в составе античных бронзовых доспехов.
Такой преклонный возраст крепежа при повсеместном использовании и сегодня, объясняется рядом преимуществ. Заклепка отличается простой конструкцией и простотой в использовании, позволяет получать долговечные и надежные соединения. Благодаря своей универсальности она может использоваться практически в любых конструкциях.
Безусловно, современные заклепки сильно отличаются от деталей, используемых в древности. Сейчас применяется множество типов этого метиза, которые отличаются по функциональности и конструкции. Это позволяет использовать их в самых разных отраслях и направлениях. К наиболее распространенным разновидностям метиза относятся вытяжные заклепки. Они подходят для тех случаев, когда необходимо выполнить надежное соединение при доступе к скрепляемым элементам только с одной стороны.
Рассмотрим конструкцию, принцип действия и особенности выбора вытяжных заклепок.
Принцип действия
Принцип действия вытяжной заклепки, обеспечивающий ее односторонний монтаж, основан на особой конструкции метиза. Внутри цилиндрической гильзы со шляпкой на одной стороне размещен стержень из твердого металла с расширением на конце (пуансон). Метиз устанавливается в отверстие соответствующего диаметра, просверленное в соединяемых деталях перед тем, как установить вытяжную заклепку. Монтаж выполняется при помощи специального инструмента – заклепочника. Он удерживает заклепку в отверстии, одновременно вытягивая ее стержень. При этом происходит деформация гильзы, формируется шляпка с обратной стороны, которая со значительным усилием плотно прижимается к поверхности скрепляемой детали. В результате обеспечивается надежная фиксация.
Применение вытяжных заклепок обеспечивает высокую скорость монтажа. Благодаря обработке специальными составами метизы демонстрируют отличную стойкость к агрессивным средам и повышенной влажности.
Это увеличивает их срок службы и повышает надежность монтируемых конструкций.
Как установить вытяжную заклепку?
Манипуляции производятся с помощью специального инструмента — заклепочника. Без него использование метиза невозможно. Такие инструменты, в большинстве случаев, универсальны и подходят для разных типов метизов. Однако встречаются заклепки, которым требуется узкоспециализированный аппарат. При покупке необходимых метизов, а также комплектующих и инструментов, рекомендуем обращаться за консультациями к продавцам, а также внимательно изучать справочную информацию.
Виды вытяжных заклепок
Вытяжные заклепки классифицируют по ряду признаков. Основными из них выступают: назначение, материал, особенности применения.
По совокупности этих признаков выделяют такие виды вытяжных заклепок:
- Стандартные – классический тип вытяжных заклепок, применение которых было описано выше.
- Усиленные. Такие заклепки имеют особую головку, по форме похожую на наконечник стрелы.
Это обеспечивает повышенную стойкость соединения к боковым нагрузкам и растяжения при сохранении высокой степени герметичности. - Распорные. Оснащены гильзой увеличенной длины. При деформации гильзы во время клепания для фиксации используется больший объем металла. Такие метизы хорошо подходят при необходимости скрепления деталей, изготовленных из разных материалов и отличающихся по толщине.
- Лепестковые. Гильза заклепки при вытягивании стержня раскрывается лепестками, которые врезаются в поверхность основания. Хорошо подходят для крепления на мягкие материалы – пластик, дерево и т. д.
- Рифленые. Используются для установки в глухие отверстия. Могут использоваться для работы как по металлу, так и по дереву.
- Закрытые. Оснащены глухой гильзой, обволакивающей головку стержня, что позволяет получить полную герметичность зоны соединения. Применяются в тех случаях, когда необходимо исключить проникновение влаги, пыли, других загрязнителей через монтажный узел.

- Многозажимные. Для изготовления гильз заклепок этого типа используется гильза из мягкого металла. Крепеж легко регулируется в зависимости от толщины скрепляемых деталей. Образует аккуратное, эстетичное соединение.
Тип крепежа обязательно учитывается при подборе вытяжных заклепок для разных сфер использования.
Заклепка тяговая и вытяжная
Иногда в описании заклепки можно встретить наименование «тяговая». Это все та же вытяжная заклепка без каких-либо изменений. По-видимому, старое название сохранилось с тех времен, когда для вытяжных заклепок не существовало унифицированного инструмента. Стержень вытягивали подручными средствами, например, плоскогубцами. Такое соединение иногда используется и в наши дни, но хорошей фиксацией оно не отличается. Рекомендуется использовать заклепочники, которые стоят недорого и есть в каждом строительном магазине.
Область применения
Эти метизы применяют во многих отраслях, в том числе:
- строительство – от крепления элементов опорных конструкций до монтажа заборов;
- машиностроение – сборка конструкций и корпусов оборудования;
- приборостроение, электроника, бытовая техника;
- производство товаров народного потребления широкого ассортимента;
- мебельное производство и т.
д.
Как выбрать вытяжную заклепку?
Чтобы правильно подобрать вытяжные заклепки для выполнения монтажных работ, учитывайте следующие рекомендации:
- Оцените эксплуатационные нагрузки, которые будут воздействовать на зону стыка, негативные воздействия со стороны окружающей среды. Это поможет определить требуемую прочность соединения и свойства поверхности заклепки.
- Определите, какие инструменты и комплектующие есть у вас в наличии. Обязательно подберите заклепочник.
- Взвешенно подойдите к покупке заклепок с точки зрения цены. Цена сильно зависит от бренда. Нет необходимости покупать самые дорогие метизы. Главное, чтобы они отвечали ГОСТ.
Следуя этим рекомендациям, как выбрать вытяжную заклепку, вы сможете заказать надежный и удобный в работе крепеж при сравнительно небольших расходах.
Вытяжные заклёпки | Общая информация.
Заклёпочное соединение
Вытяжная заклёпка (или, как её ещё называют, тяговая заклёпка) — получила широкое применение в 50-х годах прошлого столетия.
Однако, как таковое, соединение заклёпкой известно человечеству с давних пор — первое упоминание о подобном соединении встречается 3000 лет до нашей эры в древнем Египте. Более активно заклёпки стали использоваться в Галло-римскую эпоху (III — V век нашей эры) — уже в те времена был изобретен аналог современной ударной оправки для расклёпывания заклёпки. В VII-VIII веках нашей эры к заклёпочному соединению обратились Викинги для крепления обшивки своих драккаров. Однако по-настоящему золотой век заклёпок наступил в середине XIX века.
С наступлением промышленной революции и появлением множества технологических инноваций в области металлургии, заклёпки получили широчайшее применение в самых различных отраслях промышленности. Начиная с 1830 года заклёпки использовались для изготовления паровых котлов, морских судов, строительных конструкций инженерных сооружений и т.д.
С наступлением промышленной революции и появлением множества технологических инноваций в области металлургии, заклёпки получили широчайшее применение в самых различных отраслях промышленности.
Но прогресс не стоит на месте и с появлением более новых материалов и технологий относительно непростой процесс клёпки цельнометаллической заклёпкой начал вытесняться железобетоном, сваркой и склеиванием — эти технологии обеспечивали большую производительность и были не менее надёжны. Таким образом, к 40-м годам XX столетия популярность заклёпочных соединений резко пошла на спад.
Вытяжные заклёпки
Изобретение технологии вытяжных заклёпок в середине XX века заставило вновь обратить внимание на соединение деталей заклёпкой. Особенность этой технологии заключалось в возможности односторонней установки заклёпок. Другими словами, для установки вытяжной заклёпки необходим доступ только с одной стороны рабочей поверхности. Такой метод называется “слепая установка”. Отсюда еще одно название — слепая заклёпка.
Установка заклёпок
Сам процесс установки заклёпки был значительно упрощен — больше не нужно раскалять заклёпку до красна, а для ее установки не требуются усилия двух рабочих — с большинством современных заклёпочных инструментов без труда справится один человек.
Установку вытяжной заклёпки можно производить, как вручную простейшим механическим инструментом, так и при помощи полностью автоматической станции.
Если коротко, процесс установки заклёпки состоит из нескольких простых шагов:
- Вставьте отрывной стержень заклёпки в клепальную головку инструмента.
- Тело заклёпки вставьте в отверстие подготовленное в соединяемых материалах.
- Приведите в действие инструмент. В этот момент происходит формирование обратной головки заклёпки и соединение материалов.
- В момент, когда усилие заклёпочника достигает определенного значения, стержень заклёпки отламывается, оставляя на поверхности соединяемых материалов лишь аккуратную головку заклёпки.
- Соединение готово.
Конечно же, как и в любом другом деле, в процессе установки заклёпки существуют определённые нюансы. Чтобы избежать ошибок и получить качественное соединение, рекомендуем вам ознакомится с руководством по установке вытяжных заклёпок.
Что касается выбора инструмента для вытяжных заклёпок, то он настолько богат, что любое предприятие, будь то мелкое штучное производство или крупная сборочная линия, без труда найдёт подходящий для своих нужд клепальный инструмент. В каталоге нашей компании представлен гидропневматический, аккумуляторный, электрический и ручной инструмент для установки вытяжных заклёпок. Если вы ещё не определились, какой тип инструмента лучше всего подойдёт для работы в ваших условиях, ознакомьтесь с коротким руководством по выбору заклёпочного инструмента, или свяжитесь с нашими специалистами.
Применение заклёпок
Благодаря отсутствию необходимости доступа к обратной стороне соединяемых материалов технология вытяжные заклёпки просто незаменимы во многих отраслях промышленности. Кроме того у этой технологии масса других преимуществ, а большое количество типов заклёпок позволяют применять их в самых разных сферах производства для соединения множества материалов, включая мягкие, хрупкие, рыхлые и тонкие листовые материалы.
Благодаря отсутствию необходимости доступа к обратной стороне соединяемых материалов технология вытяжные заклёпки просто незаменимы во многих отраслях промышленности.
Более подробно о типах вытяжных заклёпок и их применении мы рассказали в статье «Виды вытяжных заклёпок и их применение», а сейчас давайте рассмотрим самые популярные обозначения заклёпок.
Виды заклёпок
В зависимости от производителя, название и характеристики заклёпок могут отличаться. Кроме того, регулярно появляются новые виды заклёпок. Поэтому представленная ниже информация не является окончательной и служит лишь для общего знакомства с наиболее распространёнными типами вытяжных заклёпок. Итак, чаще всего используются:
- Вытяжные заклёпки открытого типа — стандартная заклёпка.
- Вытяжные заклёпки закрытого типа — для создания пыле- и влагозащищённого соединения.
- Распорные заклёпки — для крепления хрупких материалов (гипсокартон, пластик, стекло).
- Лепестковые заклёпки — для крепления мягких материалов (гипсокартон, пластик, древесные плиты).

- Усиленные заклёпки — для создания более крепкого соединения.
- Кассетные заклёпки — для быстрого выполнения большого объёма работ.
- Рифлёные заклёпки — для соединения с массивом дерева или ДСП.
- Многозажимные заклёпки (polygrip) — для работы с различной толщиной скрепляемых материалов.
- Клеммные заклёпки — для создания контактных соединений.
- Высокопрочные заклёпки — для создания высокопрочных соединений.
- Пластиковые заклёпки — для крепления деталей из пластика, картона и подобных материалов.
Материал заклёпок
Как правило, вытяжные заклёпки изготавливаются из следующих материалов:
- Сталь без покрытия
- Оцинкованная сталь
- Нержавеющая сталь A2 или A4
- Различные сплавы алюминия
- Монель (сплав меди и никеля)
- Медь
- Бронза
- Полиамид
В зависимости от сферы применения заклёпки, эти материалы могут комбинироваться между собой.
Например, стержень заклёпки (сердечник) может быть из оцинкованной стали, а сама заклёпка из алюминия. Кстати, именно поэтому этот вид соединения ещё называют комбинированной заклёпкой. Основной принцип подбора заклёпки по материалу заключается в том, чтобы материал заклёпок максимально совпадал по своим физическим и механическим свойствам с материалом соединяемых деталей.
Более подробную информацию о выборе материала заклёпки смотрите в статье «Как правильно подобрать материал вытяжной заклёпки».
Преимущества технологии вытяжных заклёпок
У технологии вытяжных заклёпок есть множество преимуществ, благодаря которым, она быстро захватила мир, внедрившись в самые различные отрасли промышленности по всему миру. Вот несколько ключевых преимуществ вытяжной заклёпки:
- Односторонний доступ к поверхности соединяемых материалов. Для установки вытяжных заклёпок требуется доступ только с одной стороны рабочей поверхности.
- Быстрая и лёгкая установка.
Вытяжные заклёпки — это самый быстрый способ соединения материалов. Простые в эксплуатации инструменты позволяют быстро и качественно производить установку вытяжных заклёпок. Сам процесс установки достаточно прост и не трудоёмок — большинство современных заклёпочников позволяют работать одной рукой. - Надёжность соединений. При правильной установке, вытяжные заклёпки обеспечивают качественное и надёжное соединение, которое не ослабнет со временем под воздействием вибраций или температурных колебаний. А при использовании заклёпок закрытого типа, полученное соединение будет ещё и герметичным.
- Большой выбор вытяжных заклёпок. Благодаря разнообразию типов заклёпок, форм их головок и материалов, из которых они производятся, сферы применения вытяжных заклёпок практически не ограничены.
- Большой ассортимент клепального инструмента. Широкий ассортимент инструмента для установки вытяжных заклёпок, позволяет подобрать заклёпочник для любых условий и объёма работ.

- Толщина пакета соединяемых материалов. Вытяжные заклёпки работают в определённом диапазоне. Используя заклёпку одного типоразмера вы можете соединять материалы различной толщины.
- Комплексное заполнение отверстия. Вытяжная заклёпка не просто сжимает детали. В момент установки тело заклёпки деформируется таким образом, чтобы максимально заполнить отверстие в соединяемых материалах.
- Аккуратный внешний вид. Установка заклёпки может производиться на готовой (крашенной/лакированной) поверхности. При соблюдении несложных правил установки заклёпки рабочая поверхность не царапается и не деформируется.
- Возможность замены заклёпки. Не смотря на то, что заклепочное соединение часто называют неразборным, в случае необходимости заклёпку легко демонтировать — просто высверлите подлежащую замене заклёпку сверлом соответствующего диаметра.
Больше информации об устройстве заклёпки и принципе её работы вы узнаете в статье «Устройство вытяжной заклёпки, основные термины и понятия».![]()
Данный материал соответствует запросам: Вытяжные заклёпки, Заклёпочное соединение, Вытяжная заклёпка, Тяговая заклёпка, Соединение заклёпкой, Клёпки, Инструмент для вытяжных заклёпок, Клепальный инструмент, Заклёпки, Купить заклёпки, Крепление заклёпками.
Заклепки > от Недвальс
>
>
Заклепки
Производим заклепки по ГОСТ, потайные, полукруглые, нестандартные под заказ.
Заклепки под молоток
В местах, где требуется идеально соединение и герметичное прилегание швов, обычно используют сварку. Но она подходит далеко не каждому материалу и процессу. Тогда на помощь строителям и конструкторам приходит метод клепки, при котором механическим путем листы и детали соединяются друг с другом с помощью специальных заклепок. Изготавливаются они из разных материалов, а также могут отличаться функциональностью и внешним видом.
Что такое клепка?
Процесс клепки – это метод соединения деталей путем механического усилия.
Используется процесс не только на металлических конструкциях, но также в аксессуарах и одежде. Широкое применение алюминиевые заклепки нашли в авиастроении, а также при монтаже профилированных листов.
Важно! Среди преимуществ использования заклепок при монтаже крыш и заборов из профнастила – невозможность снять крепеж. Если болты и саморезы можно выкрутить, то надежно зафиксированную заклепку снять не получится.
Установка заклепок происходит в полуавтоматическом режиме: сначала метиз устанавливается в сквозное отверстие, а затем его конец расплющивается под действием силы. Именно поэтому главное условие для производства заклепок – использование пластичных металлов.
Виды заклепочных швов
Чтобы алюминиевые заклепки и швы, созданные с их помощью, служили дольше, важно правильно проводить клепку. Для этого существует несколько методов:
- крепление листов внахлест или встык может использоваться с многорядным методом монтажа заклепок;
- также подходит двухрядный способ монтажа;
- существует и третий способ – однорядный, как самый простой и быстрый.

Располагаться алюминиевые заклепки под молоток по ходу шва могут напротив друг друга или в шахматном порядке.
Заклепки под молоток
Заклепки под молоток.
Заклепки — популярная разновидность крепежа для неразъемного соединения, которая так же с успехом используется в производстве молотка. Заклепки алюминиевые под молоток абсолютно не подвержены внешним воздействиям: влаге и механическим нагрузкам. При дополнительном покрытии могут служить десятками лет. Так же они востребованы за счет своей пластичности. Для использования и крепления заклепки под молоток не нужны дополнительные или какие-то особенные инструменты, достаточно клепального молотка, который расплющивает конец заклепки, скрепляя необходимые элементы. Даже при своей мягкости заклепки прочно держат соединения.
Заклепки купить
Купить заклепки под молоток вы можете на заводе Nedwals, их стоимость зависит от размера партии, но остается небольшой благодаря собственному производству заклепок компании.
Вы можете приобрести заклепки под молоток изготовленные по ГОСТ 10299, 10300, 10303, 10302.
Материал, из которого изготавливаются заклепки алюминиевые под молоток, разнообразен – это сталь, латунь, медь, алюминий или алюминиевый сплав, а так же из других сплавов, хорошо поддающихся ударному воздействию. Заклепки покрывают специальными веществами для увеличения срока их службы.
Заклепки под молоток еще называют ударными заклепками, они выпускаются в разных видах модификаций, поэтому, когда планируется купить заклепки под молоток необходимо определиться, где планируется их использовать. В промышленности выпускают стержневые, трубчатые, полутрубчатые и обычные заклепки.
Подробно о материалах для производства заклепок
Главное требование к материалам, из которых изготавливаются заклепки под молоток, — максимальная пластичность и вязкость в холодном состоянии. Это существенно ограничивает набор возможных веществ: медь, латунь, алюминий, серебро, обычная сталь.
Важно! Если используется горячий метод клепания, то можно применять сталь 30, 35 и 45 марки, а в специальных соединениях используют сталь, устойчивую к коррозии, жаропрочный материал.
Если же предполагается холодное соединение деталей, то применяют пластичные стали 10 и 20 марки. Если к финальной металлоконструкции предъявляются повышенные требования прочности, то применяют 15Х и 20Х марки.
Также можно выделить дополнительные особенности выбора материала для ГОСТ заклепок:
- крепление цветных и мягких металлов – выбирают бронзу, медь, латунь, а также возможно использование алюминиевых сплавов;
- если к цветным металлам применяются повышенные требования по защите от коррозии – используют нержавеющую сталь, никелевые и титановые соединения;
- крепление благородных металлов – используют сплавы золота, платины и серебра;
- применение неоднородных материалов – используют алюминиевые заклепки, а также другие сплавы, но дополнительно крепеж покрывают кадмием или цинком.

Если монтаж выполняется холодным методом, то нельзя использовать металлы с электрохимическим потенциалом, так как они могут приводить к образованию гальванических паров. Это повышает уязвимость крепежа перед коррозией.
Заклепка производство
Классификация заклепок в производстве:
Трубчатые и полутрубчатые, а так же пистонные заклепки алюминиевые под молоток имеют внутри полость и были специально разработанные для легкого процесса крепления. Но их прочность будет невысока, так как толщина стенок всего 0,5 миллиметра.
Закладные заклепки представляют собой трубчатый ствол, внутри которого размещают металлический стержень, который формируют замыкающую головку. Чаще всего используют, если нет возможности подобраться к скрепляющим деталям с двух сторон.
Винтовые заклепки выглядят как трубка с резьбой внутри, в которую при необходимости можно вкрутить какое-нибудь крепеж с резьбой снаружи, что бы создать более прочное соединение.
Такие заклепки устанавливаются только специальным оборудованием.
Заклепки под молоток представляют собой гладкий стержень и головкой на одной из сторон. Длина стержня зависит от назначения и варьируется от 10 до 180 миллиметров, диаметр колеблется от 2 до 22 миллиметров.
Чтобы купить заклепки под молоток свяжитесь с нашими специалистами, мы поможем подобрать любой, производимый у нас заклепочный материал, который полностью поможет решить ваши задачи. Так же мы организуем быструю доставку, с учетом вашей территориальной удаленности.
Виды заклепок под молоток:
Классифицируют заклепки на производстве по виду головки: заклепка с потайной головкой, заклепка с полукруглой головкой, заклепки с полукруглой низкой головкой, заклепки с плоской головкой.
Особенности заклепок для мягких металлов
Если требуется установка заклепки под молоток в таких материалах, как ДСП или пластик, то применяются метизы с меньшей прочностью:
- лепестковые – корпус раскрывается на несколько лепестков, что существенно снижает нагрузку на основной материал в месте крепления;
- распорные – вид вытяжной заклепки с надрезами на корпусе, при монтаже они складываются, образуя двойные лепестки, но головка остается на поверхности.

Чуть реже используются пластиковые заклепки – в основном в мебельной сфере и при отделке декоративными панелями.
Заклепки алюминиевые
Заклепка ГОСТ 10299-80 с полукруглой головкой изготавливается из стали и алюминиевых сплавов, представляет собой небольшие металлические стержни, на одном конце, которого находится небольшая полукруглая шляпка, которая чаще всего несет декоративную функцию. Купить заклепки под молоток вы можете разной длины, все будет зависеть от толщины соединяемых элементов. Это самые распространенные заклепки под молоток, они позволяют делать прочные неразъемные соединения, работающие на разрыв, поэтому крепеж получается равным прочности металла, из которого изготавливается изделие. Для крепкого соединения сквозное отверстие для заклепки должно быть больше на 0,1 миллиметра, но не более чем 0,5, так как при большом свободном пространстве заклепка алюминиевая под молоток может искривиться.
Это повлияет на ее прочность и надежность соединения — в процессе использования клепка расшатается и перестанет качественно скреплять детали. Длина стержня должна быть на 1,5 диаметра больше суммарной толщины скрепляемых материалов, что бы сформировать при ударе вторую скрепляющую головку.
Заклепка ГОСТ 10302-80 с полукруглой низкой головкой изготавливается из стали с никелевым или цинковым покрытием, выглядит как металлический стержень, на одном конце которого приплюснутая полукруглая головка. Заклепка предназначена для соединений твердых конструкций и материалов классов точности В и С. Для таких заклепок под молоток делается отверстие не более 0,2 миллиметра, что бы не дать места для деформации стержня во время удара для создания крепления. Длина заклепки должна составлять сумма толщины скрепляемых деталей и иметь выход в размере 1,5 диаметра самого стержня для создания скрепляющей головки на другом конце. Купить заклепки под молоток с полукруглой низкой головкой можно на нашем заводе Nedwals.
Вам нужно только позвонить нашим менеджерам по телефонам указанным на сайте.
Заклепка ГОСТ 10300-80 с потайной головкой, изготавливаются из стали и алюминиевых сплавов, представляют собой металлический стержень, на одном конце, которого цилиндрическая головка со скошенными краями. Форма такой заклепки алюминиевой под молоток позволяет во время клепальных работ создавать высадную головку, размещенную заподлицо, то есть без выступа над поверхностью скрепляемой детали. Эти заклепки очень удобны, если есть необходимость обеспечить вращение или свободный ход скрепляемых деталей. Устанавливаются заклепки под молоток в установочные отверстия шириной не более 0,5 миллиметров больше чем сама заклепка. Что бы создать идеально ровную поверхность отверстие под заклепку готовится тщательным образом: на поверхности под головку делается углубление с учетом ее размеров, что бы при клепании она встала туда, создавая ровную правильную поверхность без зазора и неровностей.
Заклепки ГОСТ 10303-80 с плоской головкой, чаще производство заклепок происходит из алюминия и выглядит как небольшой отрезок металлического стрежня с плоской шляпкой на одном конце. Их, как правило, используют, когда нужно создать прочное и надежное соединение, выдерживающее динамические нагрузки. Такие заклепки алюминиевые под молоток помещают в отверстие больше чем диаметр заклепки на 0,1-0,2 миллиметра, что бы дать возможность микросмещения скрепляемых материалов. Длина изделия должна быть равна суммарной толщине скрепляемых материалов и плюс 1,5 диаметра самого стержня для создания обратной головки при ударе. Если при креплении плоская головка заклепки под молоток не сравнялась с поверхностью – ее зачищают наждачной бумагой или напильником.
Свойства и преимущества алюминиевых заклепок
У алюминиевых заклепок много положительных свойств, которые нашли широкое применение в сфере строительства и монтажа различных конструкций.
Главное – учесть свойства металлов, для которых подбирается такой крепеж. Ведь использовать их нельзя с неоднородными по структуре веществами, особенно при отсутствии оцинковки или другого защитного покрытия.
Алюминиевые заклепки разрушаются при длительном контакте со стальными поверхностями, поэтому нужно внимательно подходить к выбору сплава. Очень важно, чтобы метиз был изготовлен в соответствии с ГОСТом. Среди материалов, используемых для этого вида крепежа, используют следующие сплавы:
- 2017-Т4 с отечественным аналогом Д1;
- 2024 – для его производства в России используется сплав Д16;
- 2117 – аналогичен сплаву Д18;
- 5056 – редкий материал, для которого нет прямого аналога, но он заменим сплавом АМt5;
- 7050 – тоже редкий материал, но может заменяться группой сплавов В94.
Некоторые сплавы обладают повышенной твердостью, например, Д16. Такие материалы «доводятся» до готовности в процессе установки алюминиевой заклепки.
В ходе монтажа их нагревают до 500 градусов и быстро остужают в воде.
Плюсы алюминиевых заклепок
Алюминий может обеспечивать высокую защиту от коррозии благодаря цинковому покрытию. Есть у алюминиевых заклепок и другие положительные свойства:
- небольшой вес – даже если использовать крепежный элемент с малым шагом, конечный вес конструкции будет значительно меньше;
- простой монтаж – заклепки быстро устанавливаются и надежно фиксируются в заданном положении;
- широкий выбор форм и размеров – при изготовлении по чертежам заказчика несложно добиться требуемых параметров;
- невысокая стоимость – так как заклепки быстро и просто изготавливаются, то их цена будет ниже, чем у многих других метизов;
- из-за простоты установки существенно снижается и стоимость этой услуги.
Однако использовать алюминий со сталью и титаном нельзя, так как это агрессивные материалы, которые способствуют разрушению алюминиевой заклепки.
Но даже в этом случае существует особый выход из положения – применение меди, резиновых прокладок и других материалов, предотвращающий контакт металлов друг с другом.
Процесс клепания заклепок под молоток.
Прежде чем начать процесс крепления необходимо вычислить необходимое количество заклепки алюминиевые под молоток, если у вас нет такой возможности, то специалисты завода Nedwals готовы вам помочь в этом. Когда у вас будет нужное число купленных заклепок под молоток, то вы сможете приступить к клепанию.
Крепление заклепок происходит в несколько небольших этапов. Сначала для установки делается разметка на соединяемых деталях, после чего делается отверстие насквозь дрелью или другим инструментом, все зависит от материала скрепляемых деталей. Отверстия на деталях необходимо сверлить по нанесенной ранее разметке, диаметр сверла или любого другого инструмента, которым вы будете делать отверстие под заклепку, должен быть больше примерно на 0,2 миллиметра стержня самой заклепки.
Если детали тонкие и легкие, к примеру, тонкий листовой материал, то детали проще пробить пробойником, это сэкономит вам время.
Затем заклепки алюминиевые под молоток помещают отверстие соединяемых деталей расширением или головкой вниз. Прежде чем начать клепание необходимо убедиться, что соединяемые детали плотно прижаты к друг другу и не смещены. После этого специальным клепальным молотком вкруговую разбивается конец заклепки, торчащий вверх, который деформируясь, создает вторую головку, создавая надежное крепление. В итоге вы получите неразъемное крепление, которое хорошо держит даже при применении грубой физической силы.
Стоит обратить внимание, если скрепляемые детали разной толщины, тогда более тонкую деталь размещают вниз и с ее стороны в отверстие размещают заклепку под молоток. Так же если планируется делать ряд заклепок, то заклепки алюминиевые под молоток размещают по всему ряду, а затем начинают скрепление с двух крайних с каждой стороны.
Это необходимо для плотного крепления деталей и недопущения смещения конструкции во время крепления.
Заклепки ГОСТ
В каталоге нашего сайта вы можете купить заклепки под молоток:
Заклепки ГОСТ 10300-80 с потайной головкой
Заклепки ГОСТ 10303-80 с плоской головкой
Заклепки ГОСТ 10299-80 с полукруглой головкой
Заклепки ГОСТ 10302-80 с полукруглой низкой головкой
Все производство заклепок проходит с соблюдением все стандартов и норм. На производстве есть специальные сотрудники, регулярно отслеживающие соблюдение технологий на каждом этапе производства. Наши заклепки под молоток обладают рядом неоспоримых преимуществ: среди них и высокий уровень качества и надежности соединения, и способность выдержать значительные нагрузки.
Наши менеджеры всегда вас проконсультируют и помогут с выбором материала заклепок под молоток, а так же с оформлением заказа.
Для оптовых покупателей, как производитель, мы предоставляем особые условия сотрудничества, цены и условия оплаты. Для каждого покупателя мы организовываем доставку удобной для него транспортной кампанией.
Оформить заказ
Для размещения заявки свяжитесь с нами по телефону:
+7 (383) 284 44 40. Заявку можно отправить
на [email protected], либо заполните форму для расчёта стоимости изделия.
Прикрепите файл (чертёж, схема…)
Согласен с условиями обработки персональных
Заявка отправлена, мы скоро с Вами свяжемся!
Как выбрать пластиковые заклепки: руководство | Центр знаний
5
минут | 09 дек 2019
Пластиковые заклепки используются в большинстве вещей — от компьютеров до креплений панелей в ракетах. В большинстве случаев (но не во всех) используемая заклепка должна иметь те же механические свойства, что и материалы, для соединения которых предназначены заклепки.
Это означает, например, что пластиковые заклепки-защелки можно использовать для соединения мягких материалов, таких как другие пластмассы, уретан и резина.
Мы составили это руководство, чтобы помочь вам лучше понять пластиковые заклепки и их назначение, их применение, различные доступные типы и способы определения нужного размера. Во-первых, давайте начнем с типов заклепок.
Заклепки толкающие
Возможно, ни один другой тип заклепок не предлагает столько различных стилей. Всех их объединяет простота использования — как следует из названия, вы просто вставляете их в отверстие в панели, обычно вручную. Мы сказали обычно, не всегда. Вставьте глухие заклепки, называемые так потому, что их можно установить, когда вы не можете получить доступ к стороне задней панели — или «глухой» стороне — требуется инструмент для установки заклепок. Другие типы включают съемные нажимные заклепки, которые позволяют быстро и легко получить доступ внутрь панелей, если это необходимо.
Пример:
Вставная заклепка – защелка
Распорная заклепка проста в установке. Нажмите на головку, и втулка расширится для плотного прилегания. Съемный, просто потянув за головку.
Заклепки с храповым механизмом
Заклепка с храповым механизмом, как правило, натурального или черного цвета, состоит из двух одинаковых частей. Две части соединяются вместе, обычно на гофрированной панели, во время сборки, образуя надежное и защищенное от несанкционированного доступа крепление. Заклепки с храповым механизмом обычно имеют привлекательный внешний вид, что дает инженерам-конструкторам еще одну причину их использования.
Пример:
Заклепки с защелкой
Имеют охватываемые и охватываемые части, используемые для надежного соединения плоских панелей. Пластиковые заклепки идеально подходят для жестких или компрессионных материалов, где требуется готовая головка с обеих сторон.
Заклепки с защелкой на самом деле представляют собой пластиковые нажимные заклепки и могут различаться по стилю. Например, заклепки с зазубринами защелкиваются. Эти нейлоновые заклепки с защелками имеют зубья, которые сцепляются друг с другом для быстрого крепления.
Пример:
Заклепки с тремя или четырьмя зубцами, без предварительного привода
Это несъемные заклепки различных стилей и размеров. Эти пластиковые нажимные заклепки, предназначенные для различных материалов и толщин панелей, имеют конические штыри, которые защелкиваются в крепежном отверстии и расширяются для надежной фиксации, когда штифт вставляется на место. Этот тип заклепок часто используется для обеспечения распределения нагрузки и расстояния между панелями и обычно может использоваться на непластичных материалах.
Пример:
Заклепки для распределения нагрузки
Идеально подходят для:
- Бытовой электроники
- Бытовые приборы
- Мебель
- Строительство
Заклепки из ели
При максимальной толщине панели 10 мм эта разновидность заклепок предназначена для соединения двух панелей или крепления компонентов к панелям.
Простая в установке, эта заклепка сжимается при входе, а затем расслабляется, чтобы закрепить две панели. Имейте в виду, что эта заклепка также носит такие названия: пуговица из сосны, застежка для елки или крепеж для облицовки.
Пример:
Заклепки с потайной головкой
Заклепка с потайной головкой используется для соединения заготовок вместе, при этом головка монтажного инструмента находится на одном уровне с верхней частью материалов. В результате получается защищенная от несанкционированного доступа панель с чистой и гладкой поверхностью. После сборки их нельзя снять.
Пример:
Заклепки с потайной головкой
Идеальный вариант, когда требуется простое в использовании, долговечное решение с гладкой поверхностью.
Пластиковые материалы
Вам необходимо знать характеристики различных пластиков, чтобы сузить свой выбор.
Важно отметить, что пластмассы могут приобретать желаемые характеристики с помощью добавок или стабилизаторов. Например, нейлон особенно чувствителен к УФ-лучам, но стабилизаторы могут дать вам нейлон, который обеспечит вам высокие характеристики при наружном применении, например, в компонентах наружной кабельной оболочки.
Вот самые популярные пластики для заклепок:
Полиэтилен низкой плотности (LDPE)
Как следует из названия, этот пластик имеет низкую плотность. Причина в том, что его молекулы не плотно упакованы, и он не такой кристаллический, как, скажем, полиэтилен высокой плотности (HDPE). На самом деле LDPE будет плавать на воде. Гибкий, но прочный ПЭНП может выдерживать холод, особенно температуры до -58˚F (50˚C), прежде чем он станет хрупким.
Заклепки из материала LDPE:
- Заклепки для распределения нагрузки
- Заклепки с трещоткой с наружной/внутренней резьбой
Полипропилен (ПП)
Упаковочная промышленность является крупнейшим потребителем полипропилена, но вы найдете этот термопластик в любой отрасли, от автомобилестроения до производства оборудования.
Он обладает хорошей химической стойкостью, что является еще одной причиной его популярности в качестве упаковки для бытовых жидкостей и моющих средств. Полипропилен также устойчив к электричеству, что делает его ценным для электронной промышленности.
Заклепки из полипропилена:
- Заклепки с храповым механизмом с наружной/внутренней резьбой
- Заклепки из ели
Нейлон
Свойства нейлона с низким коэффициентом трения делают его идеальным материалом для шестерен, втулок и подшипников. Обладает плохой устойчивостью к разбавленной кислоте, но отличной устойчивостью к маслам и смазкам. Существуют различные типы нейлона, из которых нейлон 6/6, пожалуй, наиболее широко используется в производстве. Особой популярностью пользуются нейлоновые заклепки-кнопки. Нейлоны устойчивы к большинству химических веществ, но могут подвергаться воздействию сильных кислот, спиртов и щелочей.
Заклепки из нейлона:
- Заклепки с защелкой, наружная/внутренняя мини
- Отвинчивание заклепок
- Нейлоновые заклепки, головка с круглой головкой
Полисульфон (БП)
Полисульфон используется в специальных целях благодаря его высокой термической и механической прочности.
Иногда его используют в качестве замены поликарбоната. Полисульфон обладает хорошей химической стойкостью, что делает его популярным материалом в медицинской технике, фармацевтике, пищевой промышленности и переработке. Он также используется в электронной промышленности.
Заклепки из полисульфона:
- Заклепки
Как сравнить материалы для заклепок
| Свойства | ПЭВД | Полипропилен | Нейлон 6/6 | Ацеталь | Полисульфон |
| Прочность на растяжение – psi | 1400 | 3 800 – 5 400 | 12 400 | 9 800 – 10 000 | 10 200 |
| Ударопрочность (надрез), ударная вязкость – Мин. — Макс. значение, (Дж/м²) | без перерыва | 12,5 – 1,2 | 1. 2 | 1,0 – 1,5 | 1,3 |
| Диэлектрическая прочность (кВ/мм) | 16 – 28 | 20 – 28 | 20 – 30 | 13,8 – 20 | 15 – 10 |
| Плотность (г/см³) | 0,917 – 0,940 | 0,900 – 0,910 | 1,130 – 1,150 | 1,410 – 1,420 | 1,240 – 1,250 |
| Макс. постоянная рабочая темп. | 212˚F/ 100˚C | 266˚F/ 130˚C | 284˚F/ 140˚C | 221˚F/ 105˚C | 356˚F/ 180˚C |
| Теплоизоляция, Мин. — Макс. значение (Вт/м.К) | 0,320 – 0,350 | 0,150 – 0,210 | 0,250 – 0,250 | 0,310 – 0,370 | 0,120 – 0,260 |
Узнайте больше о том, чем пластиковый крепеж отличается от металлического в качестве крепежа, и как каждый из них имеет свое место, но все больше и больше пластик становится предпочтительным материалом.
Определение правильного размера заклепки
Общее эмпирическое правило и, возможно, самый простой подход заключается в измерении толщины пластин, которые необходимо заклепать. Диаметр ваших заклепок должен составлять четверть этой толщины, которая также называется диапазоном захвата.
Ваша формула будет выглядеть следующим образом: Диаметр = ¼ x толщина пластин, подлежащих заклепке
Примечание : Диаметр ваших заклепок включает не головку, а стержень заклепки.
Загрузите бесплатные САПР и попробуйте их перед покупкой
Для большинства решений доступны бесплатные CAD-файлы, которые можно скачать бесплатно. Вы также можете запросить бесплатные образцы, чтобы убедиться, что выбранные вами заклепки — это именно то, что вам нужно. Если вы не совсем уверены, какая заклепка лучше всего подойдет для вашего применения, наши специалисты всегда рады проконсультировать вас.
Загрузите бесплатные CAD сейчас и запросите бесплатные образцы.
Статьи, которые вам также могут понравиться:
- Застежки: какой материал мне нужен?
- Пластиковые и металлические крепежи: почему пластик может быть лучшим выбором
- Когда использовать пластиковые шайбы
Делиться
Твитнуть
Делиться
- Отрасли:
- Автомобильный
- Внутренние и наружные корпуса
- Оборудование
- Решения:
- Крепежные компоненты
- Строительные продукты
- Общая защита
- Материалы:
- Пластмассы
- Нейлон
- Металл
Руководство по выбору полутрубчатых заклепок
Четыре особых момента, которые следует учитывать
Опубликовано 27.
03.2019 | by The Orbitform Blog Team
Ударная заклепка использует ударную силу для прочного соединения компонентов. Быстрый процесс помогает минимизировать время цикла, увеличить производительность и снизить эксплуатационные расходы. Наиболее часто используемая заклепка для ударной клепки представляет собой полутрубчатую заклепку из мягкой стали. Правильная геометрия заклепок имеет решающее значение для удовлетворения требований к соединению.
Специалисты лаборатории Orbitform помогли многочисленным клиентам собрать свои детали в лаборатории нашего решения и помогли определить, какой крепеж лучше всего подходит для их применения. Обладая более чем 30-летним опытом, мы разработали общие рекомендации, которые следует учитывать при выборе полутрубчатых заклепок.
Рекомендации по диаметру
При выборе полутрубчатой заклепки следует учитывать три критических диаметра: диаметр головки, диаметр стержня и диаметр торцевого отверстия.
Требуемое для соединения усилие отрыва определяет необходимый диаметр головки. Мягкие материалы потребуют головок большего диаметра с большей площадью поверхности, чтобы выдерживать силы отрыва.
Диаметр стержня заклепки можно определить, сравнив его с толщиной стопки материала. Оптимальное соотношение между диаметром хвостовика и толщиной детали должно составлять от 1:1 до 1:3 для металлических деталей (ближе к 1:1 для пластмассовых деталей).
После определения диаметра стержня можно спроектировать отверстие с зазором, подходящее для заклепки. Это важно, потому что слишком маленькое отверстие может привести к проблемам с подачей заклепки или повреждению заклепки или детали. Как правило, отверстие с зазором должно быть на 0,010–0,015 дюйма больше, чем диаметр хвостовика.
Диаметр торцевого отверстия заклепки должен составлять около 70-80 % диаметра стержня. Большие проценты означают, что стена тоньше, ее легче сформировать и требуется меньше усилий. Однако это также может снизить прочность соединения.
Глубина торцевого отверстия
Другим важным фактором является глубина отверстия на конце заклепки. Средняя глубина составляет 100-125% диаметра концевого отверстия. Необходима правильная глубина отверстия, чтобы предотвратить удар роликового комплекта о тело заклепки и вызвать вздутие стержня или деформацию заклепки.
Длина стержня и вылет заклепки
Длина стержня определяется толщиной стопки деталей и требуемым вылетом заклепки. Этот вылет также известен как припуск на обжим и обычно составляет 50–55 % от диаметра хвостовика. Если заклепка слишком длинная, детали могут быть неплотно скреплены между собой. Если заклепка слишком короткая, может не хватить материала для соединения деталей.
Материал имеет значение
Заклепки из мягкой стали чаще всего используются для ударных заклепок. Однако разные материалы заклепок могут давать очень разные результаты.
Например, более твердые материалы, такие как нержавеющая сталь, требуют большей силы для формирования. Это может увеличить вероятность вздутия стержня и должно учитываться при определении длины стержня. Очень важно знать твердость заклепок при проектировании деталей и выборе подходящего сборочного оборудования.
Обладая более чем 30-летним опытом производства и сборки, наши лаборанты и инженеры поддержали десятки тысяч приложений по сборке. Позвоните нам сегодня, чтобы помочь определить правильный размер заклепки для вашей детали, и позвольте нам собрать образцы в нашей лаборатории решений, чтобы убедиться, что ваша деталь соответствует вашим требованиям.
Orbitize Your Inbox
Получите информацию от экспертов Orbitform в режиме реального времени, доставленную на ваш почтовый ящик. Приготовьтесь к новейшим и лучшим инновациям в области формовки, крепления, автоматизации и общей сборки.
Джессика Лафлин | 09.09.2022
Все больше и больше производителей переходят на 100%-ную проверку важнейших функциональных характеристик в процессе.
Причины такого увеличения числа проверок каждой детали включают требования клиентов, экономию средств, связанную с устранением дефектов качества, и/или желание производить более стабильные и качественные детали. Вращающий момент узла шарнирного соединения часто попадает в эту категорию критических функциональных характеристик, требующих проверки в процессе эксплуатации.
Подробнее
Челси Винбиглер | 29/07/2022
Узнайте, как использовать нашу группу обслуживания для поддержки вашего сборочного оборудования
Подробнее
Джессика Лафлин | 07.15.2022
Какой тип клепального станка лучше всего подходит для вашего процесса крепления? Важно понимать различия между типами клепальных машин, поскольку каждая машина имеет определенные преимущества и недостатки в зависимости от исследуемого процесса сборки.
Подробнее
Джессика Лафлин | 07.
15.2022
Поставщику автозапчастей требовалось установить звукопоглощающую перегородку внутри кожуха двигателя. Винты были дорогими, требовали много времени для установки и имели тенденцию выпадать со временем.
Подробнее
Челси Винбиглер | 07.01.2022
Рекомендации по проектированию диаметра и длины заклепок в соответствии с процессом орбитальной или ударной клепки
Подробнее
By Chelsea Winbigler | 06.03.2022
После 22 лет службы Фил Спонслер уходит с поста президента Orbitform; Джейк Спонслер продвигает
Подробнее
Джессика Лафлин | 05.20.2022
Вы можете упустить значительные преимущества, если используете временный метод вместо постоянной сборки, когда ваши детали не требуют разборки.
Подробнее
Челси Винбиглер | 05.06.2022
Когда случаются чрезвычайные ситуации, упреждающая стратегия инвентаризации может сэкономить драгоценное время
Подробнее
Джессика Лафлин | 22/04/2022
Хорошая организация и коммуникация являются ключом к управлению производственным проектом.
Узнайте, как мы создали нашу замечательную команду по управлению проектами.
Подробнее
Челси Винбиглер | 04.08.2022
Как инженеры обеспечивают соответствие дизайна нового продукта новому процессу сборки?
Подробнее
Джессика Лафлин | 25.03.2022
Различные инструменты на наших орбитальных станках позволяют производить разные готовые формы. В этой статье и видео рассказывается о каждой из наших стандартных форм
Подробнее
Джессика Лафлин | 25.02.2022
Компания Orbitform разработала уникальный процесс клепки под названием Hot Upset. Это решение для заклепки/формования использует тепло и силу для формирования заклепок или части шипов.
Подробнее
Челси Винбиглер | 02.15.2022
Узнайте, как индивидуальное машинное решение помогло одному производителю устранить узкие места и улучшить качество деталей
Подробнее
Джессика Лафлин | 01.
07.2022
Если вы устанавливаете несколько заклепок на заготовку, вам необходимо рассмотреть ударную машину с несколькими головками или несколькими ударами. По сравнению с однозаходной машиной эти ударные заклепочники сокращают время цикла и занимаемую площадь на рабочем месте, одновременно увеличивая производительность.
Подробнее
Челси Винбиглер | 01.14.2022
Быстрый ответ сервисной службы Orbitform позволяет быстро восстановить работу клиента после аварии машины
Подробнее
Автор: Chelsea Winbigler | 17.12.2021
5 причин, по которым было бы выгодно приобрести силовую головку большего размера.
Подробнее
Сара Грант | 12.03.2021
Производителям пришлось немало потрудиться, чтобы выжить в нынешних условиях и стать устойчивыми, находя творческие способы преодоления вызовов 2021 года.
Подробнее
Автор: Chelsea Winbigler | 11.
19.2021
Рекомендуемые варианты Orbitform при интеграции пневматических ударных заклепочных головок в рабочую ячейку
Подробнее
Сара Грант | 11.05.2021
Пакет мониторинга процессов Orbitform может помочь во многих типах приложений. Пакет включает в себя тензодатчик для обратной связи по силе, приложенной во время формовки, и LVDT или дифференциальный трансформатор с линейной переменной, который дает обратную связь о расстоянии, пройденном инструментом для формирования заклепки.
Подробнее
Челси Винбиглер | 22/10/2021
Производители могут убедиться, что они приобретают правильное сборочное оборудование, проверяют свою конструкцию сборки или собирают небольшие объемы деталей или прототипов, используя лабораторию решений Orbitform
Подробнее
Челси Винбиглер | 08.08.2021
С чего производителям следует начать расследование при возникновении проблем с подачей заклепок?
Подробнее
Сара Грант | 08.
06.2021
Какие шаги предпринимает Orbitform, чтобы наш продукт продолжал выходить вовремя…
Подробнее
By Chelsea Winbigler | 21/07/2021
Требуется ли для вашего конвейера ориентация деталей, поточные процессы, управление движением или буферизация деталей?
Подробнее
Сара Грант | 07.06.2021
При работе на новом станке нет ничего более неприятного, чем преждевременный износ инструмента. У нас есть решение!
Подробнее
Челси Винбиглер | 06.16.2021
Увеличьте рентабельность инвестиций, предлагая настраиваемые продукты с помощью регулируемого сборочного оборудования
Подробнее
Автор Sara Grant | 06.04.2021
Электроформовочные станки с сервоприводом — это чистый и более точный способ сборки деталей.
Подробнее
Челси Винбиглер | 20.
05.2021
Валковая формовка может стать альтернативой опрессовке при возникновении проблем с качеством.
Подробнее
Сара Грант | 05.06.2021
Недавно к нам обратился клиент после того, как машина, доставленная на грузовом судне через Атлантический океан, подверглась неправильному обращению и долгое время находилась в ящике.
Подробнее
Челси Винбиглер | 04.16.2021
Сокращение времени цикла при орбитальном формовании за счет одновременного формования более одной заклепки с помощью наших многошпиндельных и многоточечных опций.
Подробнее
Сара Грант | 04.05.2021
Для борьбы с растущей нехваткой рабочей силы Orbitform предлагает множество решений в виде автоматизации. Каждая сборка уникальна, и мы можем предоставить такое же уникальное решение…
Подробнее
By Chelsea Winbigler | 19/03/2021
Orbitform ставит клиентов на первое место, поскольку мы стремимся установить новые стандарты качества в области крепления, формовки и сборки.
Подробнее
Сара Грант | 03.05.2021
Сравнение этих двух процессов приводит к одной и той же готовой форме, но с очень разными усилиями, необходимыми для ее получения.
Подробнее
Челси Винбиглер | 02.16.2021
В процессе горячей осадки используется высокая температура, аналогичная сварке, но результат совершенно другой.
Подробнее
Сара Грант | 28.01.2021
В связи с ростом спроса производители ищут решения, которые помогут увеличить объемы производства как можно быстрее.
Подробнее
Челси Винбиглер | 01.14.2021
Orbitform готова сотрудничать с производителями основных товаров, собирая продукты для поддержки усилий по поддержке пандемии
Подробнее
Сара Грант | 12.11.2020
Требовалась готовая форма в форме купола, и размеры были критически важны, чтобы соответствовать изготовленному концу и оставаться эстетически привлекательными.
ПОДРОБНЕЕ
Челси Винбиглер | 25.11.2020
Несмотря на трудные времена, Orbitform продолжает поддерживать производителей по всему миру. Даже после отгрузки и установки машины
Подробнее
Сара Грант | 11.06.2020
Партнерство с Orbitform может упростить этот процесс.
Подробнее
Челси Винбиглер | 10.14.2020
Это новое предохранительное устройство для опускания челюстей решает проблемы с зазорами, возникающие при использовании типичных предохранительных устройств для ударных заклепок, за счет использования уже имеющихся губок для проверки зазора.
Подробнее
Сара Грант | 10.02.2020
Используя нашу силовую головку в качестве пресса, компания Orbitform завершила развальцовку и сплющивание втулки в двух местах с помощью многофункциональной головки.
Подробнее
Челси Винбиглер | 09.
16.2020
Orbitform и группа инвесторов приобрели C&B Machinery, поставщика решений мирового класса в области оборудования для шлифовки дисков и удаления металла
Подробнее
Автор Sara Grant | 09.04.2020
… обратился к Orbitform с проблемой создания эндоскопического хирургического инструмента.
Подробнее
Челси Винбиглер | 20.08.2020
Производители, желающие внедрить собственные процессы сборки, станут партнерами Orbitform, чтобы проверить свой процесс и получить индивидуальное решение для оборудования.
Подробнее
Сара Грант | 08.06.2020
«Профилактическое обслуживание: не начинайте сегодня, выполняя вчерашнюю работу» — Денис Шофилд
ПОДРОБНЕЕ
Автор Chelsea Winbigler | 23.07.2020
Машины, восстановленные на заводе, представляют собой решение «лучше, чем бывшее в употреблении», отвечающее тем же стандартам, что и новые.
Подробнее
Сара Грант | 07.08.2020
По мере роста и развития производства растет и потребность в автоматизации процесса сборки. Цель Orbitform — работать с производителями, чтобы определить и обеспечить точный уровень автоматизации, необходимый для сборки, без чрезмерного усложнения системы.
Подробнее
Челси Винбиглер | 26/06/2020
Когда происходят изменения в производстве, переоснащение существующего оборудования является отличным вариантом, который может существенно повлиять на рентабельность инвестиций.
Подробнее
Сара Грант | 06.11.2020
Инженеры Orbitform представили еще одно машинное решение для компании HVAC
Подробнее
Автор: Chelsea Winbigler | 28/05/2020
Когда конструкция детали требует нестандартного расположения соединений, в процессе сборки требуется найти способ добраться до места соединения.
Подробнее
Сара Грант | 05.15.2020
Компания Orbitform работала с инженером-конструктором над проектом медицинского устройства. Конструкция предусматривала формирование двух заклепок разного размера и требующих разных характеристик крутящего момента. Инженеры Orbitform пересмотрели конструкцию…
Подробнее
Челси Винбиглер | 28.04.2020
Orbitform рада объявить о приобретении Diamond Precision Tool Group.
Подробнее
Челси Винбиглер | 04.22.2020
Orbitform разрабатывает УФ-камеру обеззараживания для обеззараживания масок N95
Подробнее
Сара Грант | 04.16.2020
Снятие заклепок — распространенный метод, используемый для экономии денег и переделки деталей. В поисках решения для демонтажа узлов многие производители обращаются к Orbitform.
Подробнее
Сара Грант | 18.
03.2020
В связи с растущими опасениями по поводу COVID-19 мы усердно работаем над соблюдением мер предосторожности, продолжая обеспечивать безопасные результаты.
Подробнее
Челси Винбиглер | 03.05.2020
Стремясь повысить скорость наших операций, компания Orbitform стандартизировала цвета окраски машин.
Подробнее
Сара Грант | 02.19.2020
Можно ли холодноформовать пластмассовые крепежные изделия с помощью орбитального процесса?
Подробнее
Челси Винбиглер | 02.06.2020
Когда потребность в годовом объеме высока, эта уникальная машина сочетает в себе два решения по автоматизации в одном оборудовании.
Подробнее
Сара Грант | 23/01/2020
Узнайте, как компания Orbitform помогла клиенту разработать надежное решение для формовки роторов и статоров шасси.
Подробнее
Челси Винбиглер | 01.
10.2020
Сформируйте заклепки близко к другим элементам детали, когда в обычных процессах сборки могут возникнуть проблемы с зазорами.
Подробнее
Сара Грант | 12.11.2019
Какое профилактическое обслуживание необходимо проводить для машин Orbitform.
Подробнее
Челси Винбиглер | 12.04.2019
Когда производители готовы вернуться к работе, Orbitform станет надежным консультантом.
Подробнее
Сара Грант | 27/11/2019
Подробнее
Челси Винбиглер | 20.11.2019
В конечном счете, форма инструмента для накатки влияет на окончательную геометрию формы, процесс формовки и получаемое соединение.
Подробнее
Сара Грант | 11.13.2019
Подробнее
Челси Винбиглер | 11.06.2019
Узнайте, какие запасные части вам нужны, чтобы избежать ненужных простоев.
Подробнее
Сара Грант | 11.01.2019
Подробнее
Челси Винбиглер | 29.10.2019
Для производителей, которые ищут наиболее экономичное решение, наш новый цифровой счетчик ходов обеспечивает точность переключения и снижает количество бракованных деталей.
Подробнее
Челси Винбиглер | 10.11.2019
Октябрь — захватывающее время для Orbitform, поскольку мы представляем новые продукты на общественных мероприятиях в рамках подготовки к The Assembly Show.
Подробнее
Челси Винбиглер | 26/09/2019
Когда производители работают с различными узлами, важно найти экономичные решения, которые положительно повлияют на итоговую прибыль.
Подробнее
Сара Грант | 09.18.2019
Использование параметров видеочата для просмотра сборки прототипов в лаборатории решений Orbitform
Подробнее
By Chelsea Winbigler | 09.
12.2019
Когда точность и постоянство от детали к детали имеют решающее значение, производители могут получить большую выгоду от включения в свое оборудование прижимной подушки.
Подробнее
Сара Грант | 08.22.2019
В Orbitform обратился клиент с орбитальной машиной трехлетней давности. Они заметили, что их силовая головка опускалась, когда операторы уходили.
Подробнее
Автор | 08.21.2019
Обеспечение безопасности — наш главный приоритет
Подробнее
Автор | 07.03.2019
Как определить подходящее сборочное оборудование
Подробнее
Автор | 06.19.2019
Работа с пищевой промышленностью
Подробнее
Автор | 06.13.2019
Поиск оптимального процесса сборки
Подробнее
Автор | 29.
05.2019
Формирование шкворней водила планетарной передачи
Подробнее
Автор | 23.05.2019
Предоставление наилучших качественных решений
Подробнее
Автор | 05.15.2019
Ведущий эксперт в области конвейеров на поддонах
Подробнее
Автор | 05.08.2019
Экономичное решение
Подробнее
Автор | 05.01.2019
Выбор правильного процесса автоматизации
Подробнее
Автор | 04.04.2019
Определение наилучшего процесса для вашей части
Подробнее
Автор | 04.17.2019
Добавление ценности с помощью лазерного резака Trumpf
Подробнее
Автор | 04.10.2019
Сборка автомобильных приложений
Подробнее
Автор | 04.
04.2019
Уникальные и гибкие решения для клепки
Подробнее
Автор | 03.02.2019
Большие шаги в правильном направлении
Подробнее
Автор | 03.13.2019
Расширение ассортимента продукции
Подробнее
Автор | 03.11.2019
С 1984 года Orbitform развивается в интересах наших клиентов. Вот наша история постоянного роста.
Подробнее
Автор | 03.06.2019
Преимущества орбитального формирования факела
Подробнее
Автор | 27.02.2019
Инвестирование в постоянное совершенствование
Подробнее
Автор | 20.02.2019
Какая разница?
Подробнее
По | 02.13.2019
Повышение качества и производительности
Подробнее
Автор | 02.
06.2019
Удовлетворение требований к сборке
Подробнее
Автор | 30/01/2019
Широкий плоский валик
Подробнее
Автор | 25/01/2019
Как мы можем удовлетворить ваши производственные потребности
Подробнее
Автор | 01.03.2019
Объединение процессов и снижение затрат
Подробнее
Автор | 01.18.2019
Устранение киберугроз
Подробнее
Автор | 01.10.2019
Безопасность превыше всего
Подробнее
Автор | 01.03.2019
Инженеры Orbitform нашли решение
Подробнее
Автор | 12.19.2018
Формовочный ролик с шарнирным соединением решает кризис
Подробнее
Автор | 12.
11.2018
Предоставление продукции высочайшего качества
Подробнее
Автор | 12.05.2018
В поисках подходящего
Подробнее
Автор | 11.19.2018
Мониторинг и управление процессами
Подробнее
Автор | 11.07.2018
Наш беспристрастный подход
Подробнее
Автор | 11.01.2018
Почему вам следует инвестировать в запасные части и инструменты
Подробнее
Автор | 29.10.2018
Демонстрация наших новых продуктов
Подробнее
По | 10.19.2018
Обеспечение единообразия сборки спринклерной головки
Подробнее
Автор | 10.11.2018
Откройте для себя «Orbitform Way»
Подробнее
Автор | 10.
03.2018
Решения для заполнения трубопроводов
Подробнее
От | 09.26.2018
Учащиеся вместе решают реальные проблемы
Подробнее
Автор | 09.12.2018
Постоянное совершенствование линейки продуктов Milford
Подробнее
Автор | 05.24.2018
Посещение первого ежегодного выпускного ужина AMC
Подробнее
Автор | 05.18.2018
Удержание подшипника в водяном насосе
Подробнее
Автор | 05.02.2018
Горячая осадка формирует вольфрамовые заклепки
Подробнее
Автор | 04.11.2018
Высокоэффективный процесс, созданный с помощью орбитальной формовки
Подробнее
Автор | 03.12.2018
Процесс расширения границ
Подробнее
Автор | 01.
02.2018
Все ваше клепальное оборудование собственного производства
Подробнее
Автор | 01.02.2018
Процесс сборки ударной клепкой
Подробнее
Автор | 12.04.2017
Обеспечение безопасности и сохранности детали
Подробнее
Автор | 27/11/2017
Использование СМИ по правильным причинам
Подробнее
Автор | 11.20.2017
Поддержание чистоты
Подробнее
Автор | 11.13.2017
Огромное спасибо всем, кто служит нашей стране
Подробнее
Автор | 11.04.2017
Президент Orbitform удостоен награды
Подробнее
Автор | 30.10.2017
Найдите наиболее подходящую машину с помощью Solutions Lab
Подробнее
Автор | 23.
10.2017
Прорыв, изменивший производство
Подробнее
По | 10.16.2017
Подготовка к сборочной выставке
Подробнее
От | 10.09.2017
Обеспечение устойчивости роликовым формованием
Подробнее
Автор | 10.06.2017
Orbitform принимает учащихся старшей школы Джексона
Подробнее
Автор | 10.02.2017
История мансардной двери
Подробнее
Автор | 09.25.2017
Знакомство с приложениями сборки
Подробнее
Автор | 09.09.2017
Посетите стенд Orbitform!
Подробнее
Автор | 09.18.2017
Производственные работы в лаборатории Orbitform
Подробнее
Автор | 09.
13.2017
Демонстрация нашей продукции
Подробнее
Автор | 09.11.2017
Клепка детали грузовика
Подробнее
От | 09.04.2017
Сохранение имени Milford
Подробнее
По | 28.08.2017
Предметы быта, собранные с помощью клепальных станков
Подробнее
От | 08.14.2017
Производство продукции с лучшим процессом сборки
Подробнее
Автор | 08.07.2017
Роликовая сборка для деталей большого диаметра
Подробнее
От | 07.03.2017
Новое партнерство Orbitform по продажам
Подробнее
Автор | 24.07.2017
Представленные преимущества и проблемы
Подробнее
Автор | 07.
10.2017
Клепка всех видов кухонной утвари
Подробнее
Автор | 07.03.2017
Предоставление высококачественных решений для пищевой промышленности
Подробнее
Автор | 26.06.2017
Инженеры Orbitform принимают новые вызовы
Подробнее
Автор | 06.19.2017
Как появился процесс сборки
Подробнее
Автор | 06.12.2017
Сборка оборудования для приготовления пищи и выпечки
Подробнее
Автор | 06.04.2017
Преимущества орбитальной клепки и формовки
Подробнее
Автор | 29.05.2017
Поиск оптимального процесса сборки
Подробнее
Автор | 05.22.2017
Альтернативный метод постоянной сборки
Подробнее
Автор | 05.
15.2017
Безопасность в приоритете
Подробнее
Автор | 05.10.2017
Учащиеся применяют инженерные знания на соревнованиях
Подробнее
Автор | 05.08.2017
Механизм фиксации для опорной пластины для позвоночника
Подробнее
Автор | 05.01.2017
Какая разница?
Подробнее
Автор | 04.25.2017
Инженеры Orbitform разработали новый дизайн гусиной шеи
Подробнее
Автор | 04.18.2017
9-е место Финиш на чемпионате штата Мичиган
Подробнее
Автор | 04.13.2017
Вакуумные силовые захваты обеспечивают плавный процесс сборки
Подробнее
Автор | 04.06.2017
Беспристрастный подход Orbitform
Подробнее
Автор | 28.
03.2017
Прием фантастической группы посетителей
Подробнее
Автор | 03.21.2017
Универсальность орбитальных машин
Подробнее
Автор | 03.14.2017
Веселый учебный день
Подробнее
Автор | 03.07.2017
Разработка пользовательской сборки
Подробнее
Автор | 28.02.2017
Solutions Lab разработала новый прототип
Подробнее
Автор | 02.02.2017
Совместная работа над созданием эффективной сборки
Подробнее
Автор | 02.15.2017
Использование шарнирно-роликовой формовки в сочетании с серводвигателем
Подробнее
Автор | 02.09.2017
Компания по восстановлению клепальной машины Приобретена Orbitform
Подробнее
By | 02.
01.2017
Работа с поставщиком мебельных механизмов
Подробнее
От | 01.02.2017
Детали и оснастка для клепальных машин
Подробнее
От | 01.15.2017
День знаний для детей
Подробнее
Автор | 01.08.2017
Стационарная сборка металлов без хлопот
Подробнее
Автор | 01.01.2017
Развитие нашего бизнеса
Подробнее
Автор | 11.08.2016
Предоставление качественных решений
Подробнее
Автор | 11.01.2016
Сборка всех видов медицинских изделий
Подробнее
Автор | 25.10.2016
Новая эра вальцевания
Подробнее
Автор | 10.18.2016
С Orbitform вам не придется оплачивать
Подробнее
По | 05.
13.2016
Разработка процесса сборки кофемолок
Подробнее
Автор | 30/03/2016
4 совета по обеспечению бесперебойной работы вашей орбитальной сборки
Подробнее
Автор | 19.02.2016
Признание сотрудника Orbitform
Подробнее
От | 02.17.2016
Поиск подходящего процесса
Подробнее
Автор | 01.07.2016
Ударные клепальные станки, повышающие эффективность
Подробнее
Автор | 01.02.2016
Памяти Пэт Бич
Подробнее
Автор | 12.17.2013
Варианты формирования
Подробнее
Автор | 12.16.2013
30-летний опыт сборки работает для вас!
Подробнее
Автор | 27.
11.2013
Преимущества постоянной части в сборе
Подробнее
Автор | 27/11/2013
6 причин, почему вы должны стать постоянным
Подробнее
Автор | 27/11/2013
Воспользуйтесь преимуществами постоянных процессов сборки Orbitform
Подробнее
Автор | 27/11/2013
Гладкие безударные формовочные решения
Подробнее
Автор | 27.11.2013
Оборудование для быстрой и постоянной сборки
Подробнее
Автор | 27.11.2013
3 различных типа ударных устройств
Подробнее
Автор | 11.27.2013
Горячий новый процесс клепки Orbitform
Подробнее
Автор | 27.11.2013
Постоянный узел для крупных цилиндрических деталей
Подробнее
Автор | 27.
11.2013
Формовка с размашистой линией давления
Подробнее
Автор | 27.11.2013
Орбитальная альтернатива
Подробнее
Автор | 27.11.2013
Многоточечная ударная заклепка
Подробнее
Автор | 27.11.2013
Автоматизация сборки от Orbitform
Подробнее
Автор | 27.11.2013
Повышение производительности и ускорение производства деталей
Подробнее
Автор | 22/11/2013
Гладкие безударные решения для формовки
Подробнее
Автор | 11.18.2013
Прецизионный контроль в чистой среде
Подробнее
Автор | 11.15.2013
Универсальный магазин, который удовлетворит все ваши потребности
Подробнее
Автор | 01.
01.0001
Четыре особых момента, которые следует учитывать
Подробнее
Автор | 01.01.0001
Как определить правильный размер силовой головки
Подробнее
Загрузить больше статей
Выбор крепежа для тонкостенных соединений
Болты и крепежные винты
Гайки, болты и крепежные винты являются наиболее распространенными крепежными элементами, используемыми для тонких соединений, несмотря на постоянное развитие других типов крепежных изделий. Одной из причин их популярности является то, что они бывают самых разных типов и размеров. В продаже имеется более 500 000 стандартных версий, а также бесчисленное множество пользовательских и специальных версий.
Болты и крепежные винты также являются основным выбором для соединений, которые требуют последующей разборки и повторной сборки. Другие типы крепежа удовлетворяют этому требованию, включая пружинные зажимы, но они не обеспечивают такой же прочности конструкции.
Резьбовые соединения могут расшатываться после сборки, особенно при сильных вибрациях. Крепеж с преднамеренно деформированной резьбой борется с таким расшатыванием, но стоит он немного дороже стандартного крепежа и значительно увеличивает время монтажа. А самостопорящиеся резьбы на крепежных элементах перестают быть самостопорящимися при повторном использовании крепежных элементов.
Для данного размера крепежа прочность соединения на сдвиг является самой высокой для болтов и крепежных винтов и последовательно ниже для саморезов, обычных заклепок и глухих заклепок. Однако даже при использовании глухих заклепок материал соединения обычно выходит из строя раньше, чем застежка.
Сборка гаечных и болтовых соединений выполняется относительно медленно, даже если рабочие используют электроинструменты.
В некоторых случаях время сборки можно сократить за счет использования нажимных креплений вместо обычных гаек. Насадки также предотвращают расшатывание; однако они ограничены относительно небольшими растягивающими нагрузками.
Пожалуй, самым серьезным ограничением гаек и болтов является необходимость доступа к задней части соединения при использовании гайки. Это ограничение не распространяется на крепежные винты с резьбой в соединительных элементах, но на соединения тоньше 1/8 дюйма. может не обеспечить достаточное зацепление с резьбой, чтобы должным образом удерживать крепежный винт.
В некоторых случаях резьбовые вставки решают как проблемы с доступом, так и с зацеплением резьбы. Некоторые вставки привариваются к основному компоненту, но это трудоемкий метод, а тепло может деформировать детали и повредить отделку. Лучшей альтернативой сварке является установка самозажимных вставок, чаще всего в виде гаек, запрессованных в отверстия подходящего размера. Такие вставки также доступны в виде распорных и наружных шпилек.
Типичная самозажимная гайка, которая обеспечивает 1/4 дюйма. резьба от 1/16 до 1/8 дюйма. холоднокатаная сталь имеет прочность на выталкивание 600 фунтов и прочность на крутящий момент 160 фунтов на дюйм.
Саморезы
Саморезы делятся на две большие категории: резьбонарезные и резьбонарезные. Оба делают свою собственную резьбу, когда вбиваются в предварительно сформированные отверстия соответствующего размера. Некоторые протыкают или сверлят собственные отверстия, исключая отдельную операцию формирования отверстия, а некоторые имеют встроенные шайбы для добавления дополнительных опорных или уплотнительных поверхностей.
Саморезы подходят для широкого спектра материалов и толщин. Они работают с листовым металлом, конструкционной сталью, латунью, бронзой, цинком, алюминием, полиамидами, поликарбонатами и деревом толщиной от 0,02 до 0,50 дюйма 9.0003
Саморезы данного размера стоят меньше, чем гайки и болты или крепежные винты, но больше, чем обычные и глухие заклепки.
Саморезы можно устанавливать вручную или с помощью электроинструмента. Однако установка по своей природе занимает много времени, особенно когда твердые материалы, такие как нержавеющая сталь, требуют больших вращающих моментов.
Поддержание постоянного крутящего момента от самонарезающего винта к самонарезающему винту может быть затруднено из-за различий в прочности и толщине материала. Эти изменения крутящего момента приводят к тому, что винты имеют широкий диапазон прочности. Кроме того, чрезмерная затяжка может срезать самоформирующуюся резьбу, особенно в мягких материалах, таких как алюминий и пластик, или в соединениях менее 0,04 дюйма. толстый. Сорванная резьба, распространенная в воздуховодах, приводит к пустой трате времени и требует замены винтов увеличенного размера.
Саморезы не требуют доступа к задней стороне соединения, но в соединениях до 0,06 дюйма. толщиной, винт должен выступать на 3/8–5/8 дюйма за заднюю часть соединения, чтобы обеспечить приемлемую прочность крепления.
В некоторых приложениях нехватка места для резервного копирования исключает использование саморезов в качестве варианта крепления.
В некоторых самонарезающих винтах используется механизм самообжатия, предотвращающий ослабление из-за вибрации. Тем не менее, расшатывание все еще может быть проблемой для металла толщиной 16 (0,0579 дюйма) и тоньше.
Обычные заклепки
Обычные заклепки, такие как гайки и болты, доступны в широком ассортименте стандартных типов, размеров и материалов. Варианты включают сплошные, трубчатые, полутрубчатые, раздвоенные и двухкомпонентные заклепки. Двухкомпонентные версии устанавливаются там, где цельные заклепки могут расколоть, сломать или расколоть такие материалы, как дерево и пластик. Инструменты и машины для укладки обычных рек варьируются от простых ручных инструментов до передовых, полностью автоматизированных роботов.
Заклепки обладают отличной виброустойчивостью. К сожалению, это затрудняет разборку и сборку.
Возможно, основное ограничение обычных заклепок заключается в том, что задняя часть соединения должна быть доступна для раскряжевки во время установки. Во многих случаях такой доступ осуществляется только путем сверления отверстия для доступа.
Вытяжные заклепки
Существует два типа вытяжных заклепок: вытяжной шпиндель и шпилька. Оба типа бывают самых разных размеров, материалов и вариаций.
Заклепки с вытяжным стержнем могут иметь полые сердечники, сплошные сердечники с открытыми концами или паронепроницаемые сплошные сердечники с закрытыми концами. Для данной длины заклепки они имеют широкий диапазон захвата (толщина материала, который они могут скрепить). Инженеры могут выбирать из длинного списка материалов для заклепок и оправок.
Заклепки с приводным штифтом имеют штифт, выступающий из головки. Рабочие устанавливают их, забивая штифт молотком, расширяя стержень напротив глухой стороны соединения. Установка не требует специальных инструментов, но материалы должны быть достаточно прочными, чтобы выдерживать удары молотком.
Оба типа глухих заклепок можно легко установить за пять секунд или меньше, и нет необходимости в доступе к задней части соединения. Инструменты для установки относительно просты и недороги.
Вытяжные заклепки не так прочны, как гайки и болты. Однако они обладают достаточной прочностью для тонких соединений и лучше противостоят вибрациям, чем саморезы, гайки и болты.
Глухие заклепки можно устанавливать в глухие отверстия в фанере, композитных плитах и некоторых пластмассах. Ограничивающим критерием является способность материала выдерживать растяжение заклепками без разрушения. При сквозном креплении вытяжные заклепки требуют минимального запасного пространства. Около 0,15 дюйма необходимо для 1/8 дюйма. диаметр заклепки, меньше для меньших размеров. Глухие заклепки не позволяют легко разобрать. Однако некоторые типы легко высверливаются и заменяются.
Выбор правильного крепежа
Не существует простых правил для определения того, какой крепеж лучше всего подходит для данного тонкостенного применения.
Но ответы на следующие восемь вопросов могут дать проектным группам прочные основания для принятия правильного решения.
- После первоначальной сборки будет ли соединение разбираться и снова собираться для обслуживания или доступа к другим частям? Если это так, саморезы или гайки и болты почти наверняка являются лучшим выбором.
- Будет ли шарнир испытывать удары или вибрации? Если это так, вероятно, необходимы либо обычные, либо глухие реки, а саморезы исключены.
- Какая сила нужна? Гайки и болты обеспечивают наибольшую прочность на растяжение и сдвиг, за ними в порядке убывания прочности следуют обычные заклепки, саморезы и глухие заклепки. Гайки и болты также лучше всего сопротивляются скручиванию. Если соединяемый материал тонкий или мягкий и требуется сопротивление ослаблению, следует использовать глухие заклепки.
- Можно ли доставлять компоненты соединения к сборочному станку или необходимо доставлять инструмент на работу? Если инструменты должны работать, заклепки, скорее всего, будут лучшим выбором.

- Доступна ли задняя часть шарнира? В этом случае допустимы обычные заклепки, гайки и болты. В противном случае необходимо использовать глухие заклепки или саморезы. И на каком расстоянии отверстие застежки от края стыка? Расстояния более 6-12 дюймов, вероятно, исключают использование обычных клепальных машин.
- Если приложение требует глухого крепления, сколько доступно места для резервного копирования? Менее 0,225 дюйма свободного пространства требует использования глухих заклепок; больше места позволяет использовать самонарезающие винты.
- Может ли какой-либо из крепежных элементов-кандидатов иметь специальные функции, которые могут быть важны для приложения? Например, некоторые глухие заклепки и винты являются самогерметизирующимися, а большинство заклепок можно предварительно обработать, чтобы они сочетались с цветами стыков.
- Если все остальные факторы равны, какой крепеж приводит к наименьшим затратам на месте? В некоторых случаях решение простое.
Например, если требуется второй рабочий, чтобы расковырять обычную заклепку с обратной стороны, то установка глухой заклепки обойдется дешевле. Другие приложения требовали более глубокого анализа. Например, капитальные вложения, необходимые для создания автоматизированной клепальной машины, могут быть неоправданными для небольших тиражей.
Сравнительное руководство ⋆ Заклепка ADP
В этом руководстве по использованию вытяжных заклепок сравниваются четыре различных типа заклепок:
1) Обычные глухие заклепки,
2) Разрывные тройные заклепки, заклепки типа 000 3) Разрывные заклепки и
4) наши заклепки Ultimate Multigrip.
С цветовой маркировкой плюсов и минусов для каждого типа заклепок. Плюс рейтинги «плохо», «удовлетворительно», «хорошо», «лучше» и «лучший» для описания каждого из этих типов заклепок.
| Сравнить Типы заклепок | применение материалы | применение толщина | Применение Размер отверстия | Прочный Прочный | Безопасность касается | Простота использования | Стоимость | Задний боковой зазор | Один размер подходит всем | Мягкие, резиновые или пластмассовые материалы | Технология |
|---|---|---|---|---|---|---|---|---|---|---|---|
| Обычные заклепки | Справедливый выбор | Справедливый выбор | Справедливый выбор | Справедливый выбор | Справедливый выбор | Хороший выбор | $ Самый низкий | Хороший выбор | Плохой выбор | Справедливый выбор | Около 1940 г.![]() |
| Взрывные/колбочки/тройные алюминиевые заклепки | Справедливый выбор | Справедливый выбор | Справедливый выбор | Справедливый выбор | Справедливый выбор | Хороший выбор | $$$$ Самый высокий | Хороший выбор | Справедливый выбор | Хороший выбор | Около 1980 г. |
| Заклепки ADP Exploding Peel | Хороший выбор | Лучший выбор | Лучший выбор | Лучший выбор | Справедливый выбор | Лучший выбор | $ средний | Лучший выбор | Лучший выбор | Хороший выбор | Около 1990 г.![]() |
| Заклепки ADP Ultimate Strength | Лучший выбор | Лучший выбор | Лучший выбор | Лучший выбор | Лучший выбор | Лучший выбор | $$ средний | Лучший выбор | Лучший выбор | Лучший выбор | Последние инновации |
Материалы для нанесения? (то, что склеивается): это руководство по использованию глухих заклепок предлагает как заклепку, так и скрепляемые материалы, которые повлияют на предельную прочность соединения. Как правило, материалы для заклепок должны иметь такие же физические и механические свойства, как и скрепляемые материалы.
| Обычные заклепки | Справедливый выбор: ограниченный диапазон посадок и функций. Эти заклепки требуют постоянных условий применения и должны использоваться в одинаковых материалах. то есть алюминиевые заклепки в алюминиевом листе, стальные заклепки в стальном листе. Заклепки из алюминия/стали в различных материалах. |
| Разрывные заклепки, колбчатые, тройные алюминиевые заклепки | Справедливый выбор: Ограниченная способность зажимать и удерживать из-за более низкой прочности гвоздя и/или только трехточечного контакта с материалом глухой стороны. Может не обеспечивать долговечность при использовании в условиях движения, таких как транспортные средства, квадроциклы, прицепы, снегоходы и т. д. |
| Заклепки ADP Exploding Peel | Лучший выбор: отличная способность работать со многими материалами и условиями применения. Очень удобный, плотный зажим и удерживающая способность. Работает с резиной, пластиком, стекловолокном, сталью и алюминиевым листом. |
| Заклепки ADP с максимальной прочностью | Лучший выбор из стали : превосходная способность работать со многими материалами и условиями применения. Очень удобный в использовании, прочный зажим и фиксация стального и алюминиевого листа, не трескает мягкие или хрупкие материалы. |
Суммарная толщина нанесения? Какая толщина клепаных материалов? Что такое заклепки Способность стягивать и зажимать несколько слоев аппликации вместе: Измерьте общую толщину соединяемых материалов. Это определяет необходимое «сцепление» выбранной вами заклепки. Обратитесь к таблице «Диапазон захвата» обычных глухих заклепок и выберите заклепку с диапазоном захвата, который включает требуемую рабочую толщину. Наши заклепки Ultimate Rivets сэкономят вам время и деньги, поскольку одна заклепка может заменить до ШЕСТИ заклепок обычных размеров. Просмотрите информацию о том, как использовать вытяжные заклепки, и вы поймете, что наши заклепки Ultimate Multigrip, как правило, являются лучшими заклепками для использования. Это руководство по использованию глухих заклепок обычно демонстрирует улучшенные характеристики и преимущества заклепок Ultimate.
| Обычные заклепки | Справедливый выбор: заклепки имеют ограниченный рабочий диапазон, часто отклонение составляет всего 1/8″ или может произойти неисправность. |
| Разрывные, тройные, расщепляющиеся заклепки | Плохой выбор , несколько ограниченный рабочий диапазон (около 1/4″), так как этот тип заклепки имеет ограниченный диапазон зажима материала (зажимает только половину своей длины), поскольку он сгибается в середине своей длины. Часто НЕ будет соединять несколько слоев прикладных материалов вместе. Тройная конструкция соприкасается с прикладными материалами только тремя складками, оставляя около 35% свободного контакта с креплением. |
| Заклепки ADP Exploding Peel | Очень хороший выбор : Улучшенная способность работать с более широким диапазоном толщины материалов от 1/8″ до 5/8″ материалов предлагает ОДИН размер застегивает все с его вариацией диапазона 1/2″, то есть вдвое больше , что «взрывающихся» заклепок. Эта заклепка начинает зажимать с крайней задней стороны и плотно стягивает несколько слоев, листов прикладных материалов. |
| ADP Заклепки предельной прочности | ЛУЧШИЙ выбор , выдающаяся способность работать с толщиной бумаги до 5/8″ с длиной XXL. Отличный вариант для консолидации деталей, поскольку наша длина XXL может заменить до ШЕСТИ стандартных размеров. Эта заклепка плотно скрепляет несколько листов или слоев прикладных материалов. |
Размер отверстия? (какое сверло и соответствующий диаметр заклепки используются): обратите внимание, как в этом руководстве по использованию вытяжных заклепок указан размер отверстия. Это может быть очень важно при использовании обычных вытяжных заклепок. Слишком маленькое отверстие, конечно, затруднит установку заклепки. Слишком большое отверстие может снизить прочность соединения и/или потребует использования «защитной» шайбы на глухой стороне. Отверстия слишком большого размера также могут привести к тому, что головка гвоздя будет втягиваться в отверстие, что может привести к «высоким поломкам гвоздя».
Крайне важно следовать предоставленным рекомендациям по размерам отверстий. Кроме того, избегайте заусенцев внутри и вокруг отверстий. Наши 9Заклепки 1724 Ultimate Rivets устраняют эти проблемы, поскольку их производительность заполняет слишком большие отверстия и никогда не подвергает «высоким поломкам гвоздей». Обратите внимание, что в руководстве по использованию глухих заклепок не будут хорошо оцениваться взрывающиеся заклепки из соображений безопасности. Руководство по использованию направляющей для вытяжных заклепок также ставит обычные заклепки в более низкое положение в этом отношении из-за их чувствительности к отверстиям слишком большого размера.
| Обычные заклепки | Критично и часто требует использования «резервных» шайб, что увеличивает затраты и утомляет задачу установки шайбы поверх глухой стороны заклепки. |
| Разрывные заклепки, луковичные, тройные | Справедливый выбор: заклепка частично заполнит слишком большие отверстия, однако контактирует только с тремя точками, оставляя около 35% отверстия незаполненным, открытым и незагерметизированным, что часто приводит к ослаблению и вибрации соединений.![]() |
| Заклепки ADP Exploding Peel | Лучший выбор: лучшие возможности для заполнения слишком больших, изношенных, переработанных отверстий. Эта заклепка диаметром 3/16 дюйма расширяется, чтобы полностью заполнить отверстия диаметром 1/4 дюйма. |
| Заклепки ADP с максимальной прочностью | BEST выбор, превосходная способность полностью заполнять большие отверстия за счет формирования расширенных слоев на глухой стороне и предотвращения поломки высоких гвоздей |
Долговечность и прочность: Это руководство по использованию вытяжных заклепок покажет насколько прочной и долговечной может быть каждая заклепка в вашем приложении. Сначала определите значения прочности на растяжение и сдвиг для одного соединения, необходимые для применения. Это функции общей прочности соединения, расстояния между крепежными элементами, материала и диаметра заклепок.
Затем обратитесь к столбцам «Сдвиг» и «Растяжение» в продукте (каталог) и выберите заклепку, которая обеспечивает требуемые значения. Значения прочности на сдвиг и растяжение, указанные в нашем каталоге и/или на веб-сайте, представляют собой типичные результаты. Фактические результаты применения могут отличаться в зависимости от условий каждого приложения. Заклепки ADP не сертифицированы для аэрокосмических применений, и их использование не рекомендуется, если не будет достигнут процесс проверки. Руководство по использованию вытяжных заклепок еще раз оценит заклепки Ultimate multigrip как лучший выбор в этой группе за долговечность и высокую прочность соединения. . При рассмотрении этой информации о том, как использовать вытяжные заклепки, имейте в виду, что многое исходит из реальных приложений.
| Обычные заклепки | Справедливый выбор из-за ограниченной посадки и способности к ярости. Эти заклепки могут быть надежными, когда выбор заклепок и применение оптимальны и соответствуют размеру заклепки и выбранному материалу. Меньше снисходителен при воздействии непоследовательных условий. |
| Заклепки разрывные, тройные, бульбовые или расщепляющиеся | Неправильный выбор из-за ограниченного заполнения отверстия, только в трех точках остается незаполненным около 35% и отсутствия контакта с заклепкой. Взрывающиеся заклепки НЕ известны своей долговечностью и часто расшатываются, вызывая вибрацию, что приводит к преждевременному выходу из строя соединения. |
| Заклепки ADP Exploding Peel | Лучший выбор: лучшие возможности для расширения и заполнения слишком больших, изношенных, переработанных отверстий. Эта высоколегированная алюминиевая заклепка диаметром 3/16″ расширяется и полностью заполняет отверстия диаметром 1/4″, обеспечивая прочную и долговечную прочность соединения. |
| ADP’s Заклепки предельной прочности | ЛУЧШИЙ выбор , выдающаяся способность работать практически с любым материалом и 360-градусное заполнение отверстий для нанесения, обеспечивающее оптимальную прочность соединения и высокую долговечность, пробег за километром даже на неровных дорогах.![]() |
БЕЗОПАСНОСТЬ: Это руководство по использованию глухих заклепок оценит чистовую сторону и открытую или неоткрытую глухую сторону: Безопасность является серьезной проблемой, особенно когда и передняя, и задняя сторона заклепки незащищенный. Сторона отделки (лицевая сторона) должна быть гладкой, и должна быть видна только гладкая головка заклепки. Задняя сторона, когда она открыта, предпочтительно иметь закругленный, запечатанный след высаженной заклепки. Обратите внимание еще раз, что некоторые типы заклепок могут не занимать высокое место в руководстве по использованию вытяжных заклепок, когда речь идет о безопасности.
| Обычные заклепки | Справедливый выбор: из-за возможного обнажения гвоздя над финишной стороной при слишком большом отверстии и/или при использовании в тонких материалах. |
| Разрывные, тройные, расщепляющиеся заклепки | Неправильный выбор: рассмотрите возможности как передней, так и задней стороны Задняя сторона этой заклепки функционирует, оставляя три раздельных крыла, обнажая шесть острых алюминиевых кромок, о которые можно порезаться пальцами , зацепиться тряпкой и собрать грязь на грунтовых дорогах. В тонких материалах гвоздь может выступать за чистовую сторону заклепки |
| Заклепки ADP Exploding Peel | Неверный выбор: учитывайте потенциал обратной стороны. Задняя сторона В результате отслаивания педали имеют алюминиевые кромки, о которые можно порезаться и зацепиться тряпкой. |
| Конечные заклепки | НАИЛУЧШИЙ выбор: Гладкая головка заклепки с лицевой стороны не беспокоит торчащих гвоздей. Гладкая форма задней стороны оставляет закругленный, герметичный шов. |
Простота использования? Удобная заклепка?: Насколько легко использовать и/или заменять заклепки. Многие клиенты оценивают это как один из своих главных критериев, и в этом руководстве по использованию вытяжных заклепок содержится информация. Откровенно говоря, заклепки Ultimate multigrip — это самые простые в установке заклепки, и пользователь может сделать это одной рукой и, конечно же, не нуждается в помощи.
| Обычные заклепки | Справедливый выбор, когда условия применения находятся в ограниченном диапазоне заклепок. Часто требуется резервная шайба, что требует дополнительных затрат, времени и труда. Может быть трудно высверлить, так как гвоздь представляет трудность для сверления. |
| Разрывные тройные заклепки | Хороший выбор, когда условия применения находятся в диапазоне заклепок. Может быть трудно высверлить, так как гвоздь представляет трудность для сверления. |
| Заклепки ADP Exploding Peel | Очень хороший выбор благодаря более широкому рабочему диапазону условий применения, который как минимум в два раза больше, чем у тройной заклепки взрывного типа. Гвоздь можно выбить с помощью пробойника, оставив только алюминий для легкого высверливания. |
| Заклепки ADP Ultimate | Лучший выбор из : очень прост в использовании, «эта заклепка не выйдет из строя!» Легко высверливается, так как сверло никогда не касается гвоздя, только алюминиевая головка заклепки. Безотказная работа и настоящая технология «Одна заклепка соединяет все». |
Стоимость?: Сколько денег будет стоить каждый тип заклепок? Также учитывайте общую стоимость, которая включает в себя установку, доработку и работу. Просмотрите информацию о том, как использовать вытяжные заклепки, чтобы определить лучший, простой в использовании и долговечный тип заклепки, чтобы вам нужно было установить его только один раз. Обратите внимание на рейтинг стоимости ($) в этом руководстве по использованию заклепок.
| Обычные заклепки | $ Самая дешевая заклепка. Однако дополнительные расходы на опорные шайбы |
| Разрывные, тройные, расщепляющиеся заклепки | $$$$ Самая дорогая заклепка |
| Заклепки ADP Exploding Peel | $ умеренная стоимость, примерно на 40 % МЕНЬШЕ, чем у «взрывных» заклепок, плюс экономия затрат на резервную шайбу. Самая низкая общая стоимость благодаря простоте использования и долговечности. Вариант клепки «сделай это правильно один раз». |
| Заклепки ADP Ultimate | $$ умеренная стоимость, примерно на 30 % МЕНЬШЕ, чем у «взрывных» заклепок, а также экономия затрат на резервную шайбу. Снижение общей стоимости за счет простоты использования и долговечности. Вариант клепки «сделай это правильно один раз». |
Глухой зазор; Пространство для полной вставки и формирования обратной стороны: Это расстояние от нижней стороны головки заклепки до конца стержня перед установкой за вычетом общей толщины скрепляемых материалов. Конструкция должна обеспечивать достаточный зазор с глухой стороны для полного введения до затвердевания (глубина) и достаточную ширину для набухания после затвердевания. Всегда важно, чтобы заклепка была полностью вставлена как в инструмент, так и в приложение до того, как произойдет отверждение. Это руководство по использованию вытяжных заклепок также содержит рекомендации по применению, как указано выше.
| Обычные заклепки | Хороший выбор: при использовании в пределах ограниченного диапазона захвата, однако при использовании в минимальном диапазоне захвата или ниже его слепая сторона торчит вверх. |
| Разрывные тройные заклепки типа бульбекс | Справедливый выбор: при использовании в пределах ограниченного диапазона захвата, однако после затвердевания форма торчит выше, чем у других заклепок, и требует значительно большего зазора с глухой стороны, чем другие. Этот тип заклепки требует больше места на задней стороне и оставляет больший след или выступ. |
| Заклепки ADP Exploding Peel | Очень хороший выбор: обеспечивает выдающуюся способность сжимать материалы вместе, в то время как расширяющееся отслаивающее действие плотно стягивает материалы для нанесения, оставляя более низкую форму. |
| Конечные заклепки | ЛУЧШИЙ выбор: обеспечивает выдающуюся способность сжимать материалы вместе, прижимаясь к глухой стороне, оставляя более низкую форму |
Совместимость с инструментами и зазоры: За некоторыми исключениями, большинство инструментов и заклепок разработаны в соответствии с промышленными стандартами крепежа и универсальны.
Однако, в зависимости от страны происхождения, стандарты могут не соответствовать мировым стандартам. Наши заклепки и инструменты разработаны в соответствии со стандартными спецификациями США. Зазор: Избегайте препятствий, которые мешают инструменту установить заподлицо на заготовке и/или полностью вставить заклепку в инструмент. Если этой проблемы не избежать, попробуйте перевернуть заклепку и установить ее с противоположной стороны. Вариант «Один размер подходит всем»: Зачем покупать и/или хранить несколько заклепок, если можно сделать все сразу? Это руководство по использованию глухих заклепок также может привести вас в этом направлении, потому что заклепки с несколькими захватами Ultimate имеют лучшие рейтинги.
| Обычные заклепки | Неудачный выбор: эти заклепки имеют ограниченный рабочий диапазон, только 1/8″ |
| Разрывные заклепки | Справедливый выбор: эти заклепки имеют ограниченный рабочий диапазон, только 1/4: |
| Заклепки ADP Exploding Peel | Очень хороший выбор: заклепки 3/16″ работают от толщины 1/8″ до 5/8″ |
| Конечные заклепки | Лучший выбор: длина 3/16″ XXL работает от тонкой бумаги до 5/8″ |
Зазор от кромки (где сверлить отверстия): Для лучшей прочности соединения центральная линия заклепки должна быть не менее чем в два раза больше диаметра кромки листа.
т.е. для заклепки диаметром 3/16″ x 2 = 3/8″ минимальное расстояние от края листа до центра просверленного отверстия. Там, где прочность соединения не критична, этот размер можно уменьшить, однако предпочтительно, чтобы головка заклепки находилась на расстоянии не менее 1/32 дюйма от края заклепываемого листа. Неблагоприятные условия нанесения (толстый и/или тонкий, или мягкий и/или твердый): Подсказка: везде, где это возможно, материал слепой стороны должен быть более толстым и/или более твердым. Если это невозможно, вам может понадобиться стопорная шайба для достижения желаемых результатов. В руководстве по использованию вытяжных заклепок заклепки Ultimate с несколькими захватами лучше ранжируются, поскольку они часто не требуют стопорных шайб.
| Обычные заклепки | Справедливый выбор: ограниченная способность работать в неблагоприятных условиях применения |
| Разрывные тройные заклепки типа бульбекс | Удачный выбор: удовлетворительная способность зажимать мягкие или тонкие материалы, однако может не стягивать несколько слоев и оставляет около 30% незаполненного материала и отсутствие контакта с заклепкой. В тонких материалах гвоздь может выступать за край заклепки, вызывая заедание и травму рук. |
| Заклепки ADP Exploding Peel | Очень хороший выбор благодаря способности работать со многими материалами и 360-градусному заполнению монтажных отверстий, а также изношенных отверстий увеличенного размера, что обеспечивает прочное соединение с плотным зажимом |
| Конечные заклепки | ЛУЧШИЙ выбор , выдающаяся способность работать практически с любым материалом и 360-градусное заполнение отверстий для нанесения, что обеспечивает оптимальную прочность соединения без торчащих гвоздей с финишной стороны или заклепки. |
Трубка: Это распространенное применение встречается во многих случаях, когда плоские или профилированные листы крепятся к конструкции трубной рамы. Это классическое слепое применение, так как в большинстве случаев заклепка вставляется сквозь лист в отверстие в трубе, которое запаивается.
Для достижения наилучших результатов используйте заклепки, которые обеспечивают максимальную площадь контакта с глухой стороной для достижения оптимальной прочности и жесткости соединения. Опять же, руководство по использованию глухих заклепок хорошо подходит для этого сценария.
| Обычные заклепки | Критическое конструктивное соображение из-за ограниченного размера слепой зоны |
| Разрывные тройные выпуклые заклепки | Менее критичный, хорошая способность к распространению слепого следа, ОДНАКО, если внутренний диаметр трубы не допускает разведения вслепую, в результате может получиться слабое соединение с ограниченным удержанием. |
| Заклепки ADP Exploding Peel | Менее критичный, хорошая способность к распространению слепого следа, Если внутренний диаметр трубы не допускает полного отслаивания слепой стороны, результат все равно может быть хорошим, так как отшелушивание будет продолжаться и закручиваться само по себе.![]() |
| Заклепки ADP Ultimate | ЛУЧШИЙ выбор, выдающаяся способность работать практически с любым материалом и 360-градусное заполнение отверстий для нанесения, что обеспечивает оптимальную прочность соединения без торчащих гвоздей с финишной стороны или заклепки. |
Пластик, резина и хрупкий акрил Материалы: Будут ли заклепки трескаться или деформироваться? Руководство по использованию вытяжных заклепок ранжирует каждый тип заклепки и то, что вы можете ожидать от каждого.
| Обычные заклепки | Справедливый выбор: ограниченные возможности работы с этими материалами. Размер отверстия имеет решающее значение, и может потребоваться опорная шайба |
| Тройная заклепка с разрывной выпуклостью | Лучший выбор с возможностью зажима мягких материалов за счет расширяющейся формы задней стороны, , однако , контакт только в трех точках, оставляющий около 30% незаполненным, и отсутствие контакта, которые часто ослабевают, что приводит к плохой прочности соединения. Эти заклепки не могут обеспечить длительный срок службы. |
| Заклепки ADP Exploding Peel | Хороший выбор. Будет работать со многими материалами, не портя поверхность и не вызывая трещин на лексане, акриле или пластике. Эти заклепки обеспечат длительную прочность соединения и долговечные результаты. |
| Конечные заклепки | ЛУЧШИЙ выбор, выдающаяся способность работать практически с любым материалом, не портя поверхность и не вызывая трещин на лексане, акриле или пластике. Эти заклепки обеспечат длительную прочность соединения и долговечные результаты. |
Технология: Это руководство по использованию вытяжных заклепок предлагает временную шкалу для каждого типа заклепок. Возможно, не стоит придерживаться «старых верных», когда новейшие технологии обеспечивают превосходную производительность и большую долговечность. Руководство по использованию вытяжных заклепок поможет вам сделать выбор.
| Обычные заклепки | Около 1940 г.: Надежный и недорогой крепеж на протяжении многих десятилетий продолжается на |
| Разрывные заклепки | Примерно 1980 год: популярность угасает из-за плохой долговечности Дорого $$$$ |
| Заклепки ADP Exploding Peel | Приблизительно 1990 г.: Надежный крепеж по умеренной цене в течение многих десятилетий сохраняется благодаря широкому спектру применения и способности плотно зажимать. |
| Конечные заклепки | Новейшая технология обеспечивает «безотказную» работу. Никакая другая заклепка не подходит близко. Предлагает экономичные цены с конструктивной особенностью «один размер подходит всем». |
Как работают заклепки: В скрепляемых материалах просверлено отверстие (см. рекомендуемые размеры отверстий в нашем загружаемом каталоге) во всех материалах. Для обычных заклепок настоятельно рекомендуется, чтобы материал задней или глухой стороны имел рекомендуемый размер отверстия.
Заклепка либо полностью вставляется в отверстие, либо полностью вставляется в носовую часть инструмента для заклепок, а затем полностью вставляется в отверстие для нанесения. В любом случае важно, чтобы заклепка была полностью вставлена в прикладное отверстие, а инструмент для заклепки полностью прилегал к головке заклепки ДО активации триггера настройки инструмента для заклепки. Заклепка «устанавливается» «челюстями» инструмента, захватывая «гвоздь» и втягивая его в инструмент, в результате чего головка «гвоздя» выпячивает тело заклепки и сжимает материалы вместе. Затем «гвоздь» ломается в заранее определенном месте, как только достигается прочность, необходимая для «установки» заклепки. Инструмент со сломанным или израсходованным гвоздем теперь свободен от «установленной» заклепки, а гвоздь выбрасывается. Наше руководство по использованию вытяжных заклепок с нашими аккумуляторными заклепочными инструментами. Вытяжная заклепка представляет собой сборку из двух частей, состоящую из «тела заклепки» и закрепительного «гвоздя» (также называемого «стержнем»).
Высокоскоростные машины для формования проволоки (жатки) формируют сплошную проволоку как в «тело заклепки», так и в «гвоздь».
- Определение из Википедии (в просторечии: глухая заклепка )
- Посмотрите, как производятся глухие заклепки
- Глухие заклепки – Виды головок – Купол, маленькая головка, зенковка или большая головка
- Как работают вытяжные заклепки с помощью заклепочных пистолетов и наших аккумуляторных заклепочных инструментов
- Как снять заглушки, выскочившие заклепки – (Видео-инструкция)
- Видео-демонстрация заклепок ULTIMATE Rivet с превосходными возможностями зажима и заполнения отверстий без необходимости использования опорной шайбы!
Успех любой застежки также зависит от того, насколько хорошо она применяется. Включены все марки вытяжных заклепок, которые изготовлены в соответствии с рекомендациями IFI-114. Глухие заклепки представляют собой заклепки, состоящие из нескольких частей, которые можно устанавливать с одной стороны заготовки.
Их называют «глухими заклепками», потому что вам не нужно видеть или иметь доступ к обратной стороне приложения. Возможности применения вытяжных заклепок бесчисленны, поскольку они предлагают более низкую стоимость за единицу, а также более низкие затраты на рабочую силу и установку. Вытяжные заклепки просты в использовании и устраняют многие эргономические и технические проблемы, связанные с другими креплениями. После того, как глухая заклепка «установлена», она не будет ослаблена, как многие резьбовые крепежные детали. Это руководство по использованию глухих заклепок и сравнение могут расширить ваши знания о заклепках и помочь вам выбрать лучшую заклепку для вашего конкретного применения. Это руководство по использованию вытяжных заклепок содержит описание и рекомендации по применению в зависимости от выбранного типа заклепки. Сравнение каждого типа заклепок приведено в руководстве по использованию глухих заклепок. В частности, в этом руководстве по использованию глухих заклепок будут перечислены материалы применения и состояние, мягкое или твердое? Это имеет значение, и каждый тип заклепки может по-разному работать с мягкими или твердыми материалами.
Какова общая толщина того, что вы будете клепать? В этом руководстве по использованию глухих заклепок будет ранжироваться каждый тип заклепок и насколько они чувствительны к толщине приложения. Еще одним важным условием применения является размер отверстия, в которое будет вставлена заклепка. Руководство по использованию глухих заклепок расскажет о плюсах и минусах каждого типа заклепок и о том, как они могут работать в зависимости от размера отверстия. Удобные для пользователя заклепки являются важной особенностью, и это руководство по использованию глухих заклепок укажет, какой тип заклепки лучше, чем другие. Это руководство по использованию вытяжных заклепок ранжирует каждый тип заклепки для каждого из условий применения. Безопасность также является важной характеристикой, и руководство по использованию вытяжных заклепок оценивает каждый тип заклепок. В поисках долговечности в этом руководстве по использованию вытяжных заклепок будет указано, какой тип заклепки обеспечит наилучшую долговечность.
Лучшая установка заклепок должна быть простой, и это руководство по использованию глухих заклепок оценит каждую функцию заклепок и оценит эксклюзивные заклепки aDP Rivet «все заклепки одного размера» как лучшее из-за своей простоты. Задняя или слепая сторона приложения также является темой, заслуживающей упоминания, и это руководство по использованию глухих заклепок предлагает подробности. Насколько новым или старым является каждый тип технологии заклепок? Воспользуйтесь новейшими технологическими достижениями, поскольку они обеспечат превосходную производительность. Обратите внимание, как использовать руководство по вытяжным заклепкам, в котором приведены рейтинги технологий для каждого типа заклепок. Если вам интересно, как работают заклепки, это руководство по использованию вытяжных заклепок содержит много полезной и полезной информации. Видеоролики переносят реальные жизненные ситуации на ваш экран и делают руководство по использованию заклепок более привлекательным. Это может быть наиболее информативным руководством по использованию заклепок в сети.
Мы считаем важным предоставлять клиентам полезную информацию, и в этом руководстве по использованию вытяжных заклепок содержится вся информация, необходимая для выбора типа или типов заклепок, которые лучше всего подходят для вас. Пожалуйста, используйте следующее руководство по использованию слепых заклепок и сравнение при выборе того, какой тип заклепки лучше всего подходит для вас. Это руководство по использованию вытяжных заклепок является нашим эпицентром для информирования клиентов о том, чего ожидать от типа заклепки, который вы используете в настоящее время, или о том, что может подойти вам лучше. Для приложений, где требуется защита от несанкционированного доступа, посмотрите наше видео с практическими рекомендациями для Rivet Mates, двухкомпонентных компрессионных заклепок для материала толщиной до 2 дюймов.
Знания — Введение в слепую заклепку
Общие сведения о вытяжных заклепках
Глухая заклепка — это механическое крепление, способное соединять детали вместе только с одной стороны сборки.
Ниже приведены некоторые комментарии к деталям продукта, которые предназначены только для общего ознакомления. Никакая ответственность за содержание не может быть принята.
Что такое вытяжная заклепка – введение
Вытяжная заклепка состоит из двух частей:-
• корпус, также называемый корпусом заклепки
• и внутри него установочное устройство, оправка (иногда называемая стержнем гвоздя или заклепки).
Корпус заклепки обычно изготавливается одним из трех способов:
• из проволоки, самый распространенный метод
• из трубы, обычно большей длины, обычно не такой прочной, как проволока
• из листа, наименее популярный и вообще самый слабый вариант.
Вытяжные заклепки особенно используются, когда доступ к стыку возможен только с одной стороны. Заклепку помещают в предварительно просверленное отверстие и устанавливают, втягивая головку оправки в тело заклепки, расширяя тело и заставляя его расширяться по отношению к обратной стороне.
Когда головка оправки достигает поверхности материала слепой стороны, тянущее усилие сопротивляется, и при заданном усилии оправка сломается в точке разрыва оправки. Плотное соединение, образованное телом заклепки, остается, головка оправки остается инкапсулированной на глухой стороне, хотя доступны варианты этого, и стержень оправки выталкивается.
Факторы выбора заклепок, которые необходимо учитывать
• а. Прочность соединения заклепок
Сначала определите значения прочности на растяжение и сдвиг для одного соединения, необходимые для применения. Это функции общей прочности соединения, расстояния между крепежными элементами, материала корпуса заклепки и диаметра заклепки. Затем обратитесь к столбцам «Сдвиг» и «Растяжение» на продукте и выберите заклепку ТОП-марки, которая обеспечивает требуемые значения. Заклепки марки «TOP» не сертифицированы для применения в аэрокосмической промышленности, поэтому их использование не рекомендуется.
• б.
Толщина шва
Измерьте общую толщину соединяемых материалов. Это определяет необходимое «сцепление» выбранной вами заклепки. Обратитесь к столбцу «Диапазон захвата» и выберите заклепку с диапазоном захвата, включающим требуемую рабочую толщину. Помните, что недостаточная длина заклепки не позволит правильно сформировать вторичную головку в задней части изделия.
• в. Природа материалов заклепок
И заклепка, и скрепляемые материалы будут влиять на конечную прочность соединения. Как правило, материалы для заклепок должны иметь те же физические и механические свойства, что и скрепляемые материалы, поскольку заметное различие может привести к разрушению соединения либо из-за усталости материала, либо из-за гальванической коррозии.
• д. Размер отверстия
Размер отверстия может быть важен при глухих заклепках. Слишком маленькое отверстие, конечно, затруднит установку заклепки. Лучше всего следовать предоставленным рекомендациям по размеру отверстий.
• е. Тип головки заклепки
Низкопрофильная заклепка с куполообразной головкой подходит для большинства применений.
Однако, когда мягкие или хрупкие материалы крепятся к жесткому опорному элементу, следует рассмотреть заклепку с большой фланцевой головкой, поскольку она обеспечивает двойную опору. поверхность. Если требуется ровная поверхность, следует выбрать заклепку с потайной головкой.
Сравнение названий заклепок
| Описание | ФАСТ-ФИКС |
| Сталь, заклепка из нержавеющей стали | ССМГ, ББМГ |
| Заклепка Авинокс | BB-A-FIX |
| Заклепка авиабульб | СС-А-ФИКС |
| Заклепка моноболтовая | ЧАШКА-FIX |
| Заклепка ХЕМЛОК | ХЕМФИКС |
| Магна-лок | ЧАШЕЧНЫЙ ЗАМОК |
Сравнение кодов заклепок:
| КОД | ФАСТ-ФИКС | КОД | ФАСТ-ФИКС |
| 2771-0613 | SS-C-FIX 0604 | 2221-0812 | SS-H-FIX0812 |
| 2771-0617 | SS-C-FIX 0607 | 2221-0813 | SS-H-FIX0813 |
| 2771-0817 | SS-C-FIX 0806 | 2221-0814 | SS-H-FIX0814 |
| 2771-0824 | SS-C-FIX 0810 | 2221-0815 | SS-H-FIX0815 |
| 2761-0615 | СС-С-ФИКС 0606C | 2221-0817 | SS-H-FIX0817 |
| 2761-0619 | СС-К-ФИКС 0608К | 2221-0818 | SS-H-FIX0818 |
| 2761-0821 | СС-К-ФИКС 0808К | 2221-0819 | SS-H-FIX0819 |
| 2711-0613 | BB-C-FIX 0604 | 2221-0820 | SS-H-FIX0820 |
| 2711-0617 | BB-C-FIX 0607 | 2221-0821 | SS-H-FIX0821 |
| 2711-0817 | BB-C-FIX 0806 | БН01 | BB-A-FIX |
| 2711-0824 | BB-C-FIX 0810 | БС01, БС04 | SS-A-FIX |
| BE34 | ССМГ-ЛФ | БС11 | ББМГ |
Язык заклепок:
① Головка стержня заклепки
②Замок сборки оправки
③Точка разрыва оправки
④Оправка заклепки
①Диаметр заклепки
②Длина заклепки
③Заклепка
④Заклепочная головка
⑤Диаметр головки заклепки
⑥Высота головки заклепки
①Диаметр заклепки
②Диапазон захвата заклепки
③Прочность заклепки на растяжение
④Прочность заклепки на сдвиг
⑤ Основной тип головки
⑥Полностью сформированная вторичная головка
⑦Зазор глухой стороны
⑧Природа материалов
Вытяжная заклепка | mfsupplyblog
Опубликовано: 30 января 2015 г.
| Автор: mfsupplyblog | Рубрики: Глухие заклепки, POP Rivet | Оставить комментарий
Информационный бюллетень
Том 13
28 января 2015 г.
Что за чертовщина? Глухие заклепки POP?
Глухая заклепка
Вот и мы, уже в конце января 2015 года! Пришло время вернуться к нашей ежемесячной серии «Что это за черт?», в которой мы обсуждаем некоторые уникальные крепежные детали и электронное оборудование, которые производители используют при проектировании и сборке своей продукции. Сегодня наша тема — заклепки Blind или «POP»®.
Что такое вытяжная заклепка?
A Вытяжная заклепка представляет собой предварительно собранный крепежный элемент из двух частей, состоящий из полого трубчатого корпуса с головкой, называемой заклепкой, и стержня в виде гвоздя, установленного внутри заклепки, который ломается во время установки. Вытяжные заклепки часто называют заклепками «Pop», потому что «POP»® — это торговая марка оригинального производителя вытяжных заклепок.
Симпатичный факт, что «Pop» — это звук, который эти заклепки издают в процессе сборки.
Кто использует заклепки?
Вытяжные заклепки вокруг нас! Обычно они используются для сборки тонкого листового металла (обычно толщиной менее 1 дюйма) и широко используются в самолетах. В отличие от винтов и гаек, которые требуют доступа с обеих сторон для соединения материала, заклепки можно устанавливать, когда у вас есть доступ только к одной стороне закрепляемого материала. Итак, вы видите, откуда происходит название «слепой»!
Какие стили вытяжных заклепок доступны?
Четыре наиболее распространенных типа заклепок:
1) Открытый конец – наиболее широко используемый тип, часто называемый ломаным стержнем.
2) Закрытый конец – используются, когда требуется водо- и паронепроницаемость.
3) Multigrip — может использоваться в материалах различной толщины, для работы с отверстиями слишком большого размера, а также для сокращения складских запасов и замены ненужных размеров.
4) Bulbex – обычно используется для мягких материалов и стекловолокна, эта заклепка равномерно распределяет нагрузку и защищает хрупкие материалы.
Некоторые другие стили вытяжных заклепок включают Orlock, Peel и Structural.
Что еще нужно учитывать при выборе заклепок?
Хотя все стили заклепок не бывают всех размеров, материалов и типов головок, при выборе подходящей заклепки для вашего приложения необходимо учитывать следующие основные варианты:
– Размер отверстия или диаметр заклепки тело.
– Диапазон захвата – минимальная и максимальная толщина или «захват» материала, скрепляемого заклепкой. Диапазон захвата НЕ является длиной корпуса заклепки.
– Прочность – Для выбора подходящей заклепки необходимо определить прочность на растяжение (усилие отрыва перед разрывом) и прочность на сдвиг (усилие, разрушающее заклепку сбоку), необходимые для применения.
– Материал – Выбирайте заклепку из металла с такими же механическими и физическими свойствами, что и соединяемые материалы, чтобы снизить риск гальванической коррозии и усталости материала.
Наиболее распространенными вариантами являются все алюминиевые, все стальные, все нержавеющие, алюминиевые заклепки/стальные оправки и заклепки из нержавеющей стали/стальные оправки.
— Тип головки — распространенные стили: куполообразная, с большим фланцем и плоской головкой/потайной головкой.
«POP»® имеет классный конфигуратор вытяжных заклепок (да, они называют его конфигуратором!) Проверьте его, нажав здесь:
Урок, полученный при работе с вытяжными заклепками:
5
4 Двумя наиболее популярными предлагаемыми заклепками являются Pop/Avdel, принадлежащие Stanley Black and Decker, и Marson, принадлежащие Alcoa Fastening systems. Другие распространенные бренды включают Huck, Cherry и Gesipa. Вы можете заказать по торговой марке или запросить общие альтернативы.

Это обеспечивает повышенную стойкость соединения к боковым нагрузкам и растяжения при сохранении высокой степени герметичности.
д.
Вытяжные заклёпки — это самый быстрый способ соединения материалов. Простые в эксплуатации инструменты позволяют быстро и качественно производить установку вытяжных заклёпок. Сам процесс установки достаточно прост и не трудоёмок — большинство современных заклёпочников позволяют работать одной рукой.



2
Например, если требуется второй рабочий, чтобы расковырять обычную заклепку с обратной стороны, то установка глухой заклепки обойдется дешевле. Другие приложения требовали более глубокого анализа. Например, капитальные вложения, необходимые для создания автоматизированной клепальной машины, могут быть неоправданными для небольших тиражей.

Эти заклепки требуют постоянных условий применения и должны использоваться в одинаковых материалах. то есть алюминиевые заклепки в алюминиевом листе, стальные заклепки в стальном листе. Заклепки из алюминия/стали в различных материалах.
Очень удобный в использовании, прочный зажим и фиксация стального и алюминиевого листа, не трескает мягкие или хрупкие материалы.
Эта заклепка начинает зажимать с крайней задней стороны и плотно стягивает несколько слоев, листов прикладных материалов.
Меньше снисходителен при воздействии непоследовательных условий.
В тонких материалах гвоздь может выступать за чистовую сторону заклепки