Схема дип 500: ДИП-500 Станок универсальный токарно-винторезный. Паспорт, схемы, характеристики, описание
Содержание
Коробка подач ДИП 500, 1М65, 1Н65. Запчасти и ремонт.
Тяжелый токарно-винторезный станок ДИП 500, а также его последующие модификации 1М65 и 1Н65 в свое время олицетворяли успех советского ☭ станкостроения. Примером тому служит тот факт, что они и сегодня представляют станочные парки многих отечественных предприятий. Естественно годы ? продолжительной эксплуатации отражаются на работоспособности ?? «ветеранов металлообработки». Страдают различные узлы, в том числе коробка подач ДИП 500 и его аналогов. Подарить новую жизнь заслуженным станкам помогают узлы и детали, изготовленные в цехах нашего предприятия.
Приоритетным направлением нашего завода ? является производство деталей для станков оригинального качества. Для этих целей мы используем техническую документацию производителей станков и изготавливаем детали по оригинальным технологиям. Кроме того мы занимаемся восстановлением ? станочного оборудования, вплоть до капитального ремонта в ходе которого станку возвращаются все характеристики, производится полная модернизация.
При необходимости у нас несложно ? купить коробку подач 1Н65 или станков предыдущих модификаций в сборе. Замена узла целиком полностью восстанавливает его ресурс и зачастую представляет собой более рациональное решение ?.
Универсальные токарно-винторезные станки – сложные агрегаты, обеспечивающие металлообработку, как в ручном, так и в автоматическом режиме. Они реализуют различные алгоритмы обработки металлов, за слаженную работу в автоматическом режиме отвечает важный узел – коробка подач 1М65. Фактически это согласующее устройство, обеспечивающее корректное взаимодействие режущего инструмента и вращающейся заготовки. Это необходимо в частности при нарезании различного типа резьб.
При всей своей конструктивной сложности, функциональное назначение и алгоритм работы узла достаточно понятен. Вращающий момент в нее поступает с выходного вала шпиндельной бабки через сменные шестерни коробки передач 1М65 (именуемой в профессиональной среде гитарой).
Таким образом, все режимы работы коробки подач, в том числе реализация сложных алгоритмов нарезания резьб синхронизированы с вращением шпинделя.
Кроме организации взаимодействия в винторезном режиме, коробка подач обеспечивает ?:
- ✅ продольную подачу, посредством ходового винта;
- ✅ поперечную подачу путем вращения ходового вала;
- ✅ ускоренное передвижение суппорта, гарантируемое применением обгонной муфты.
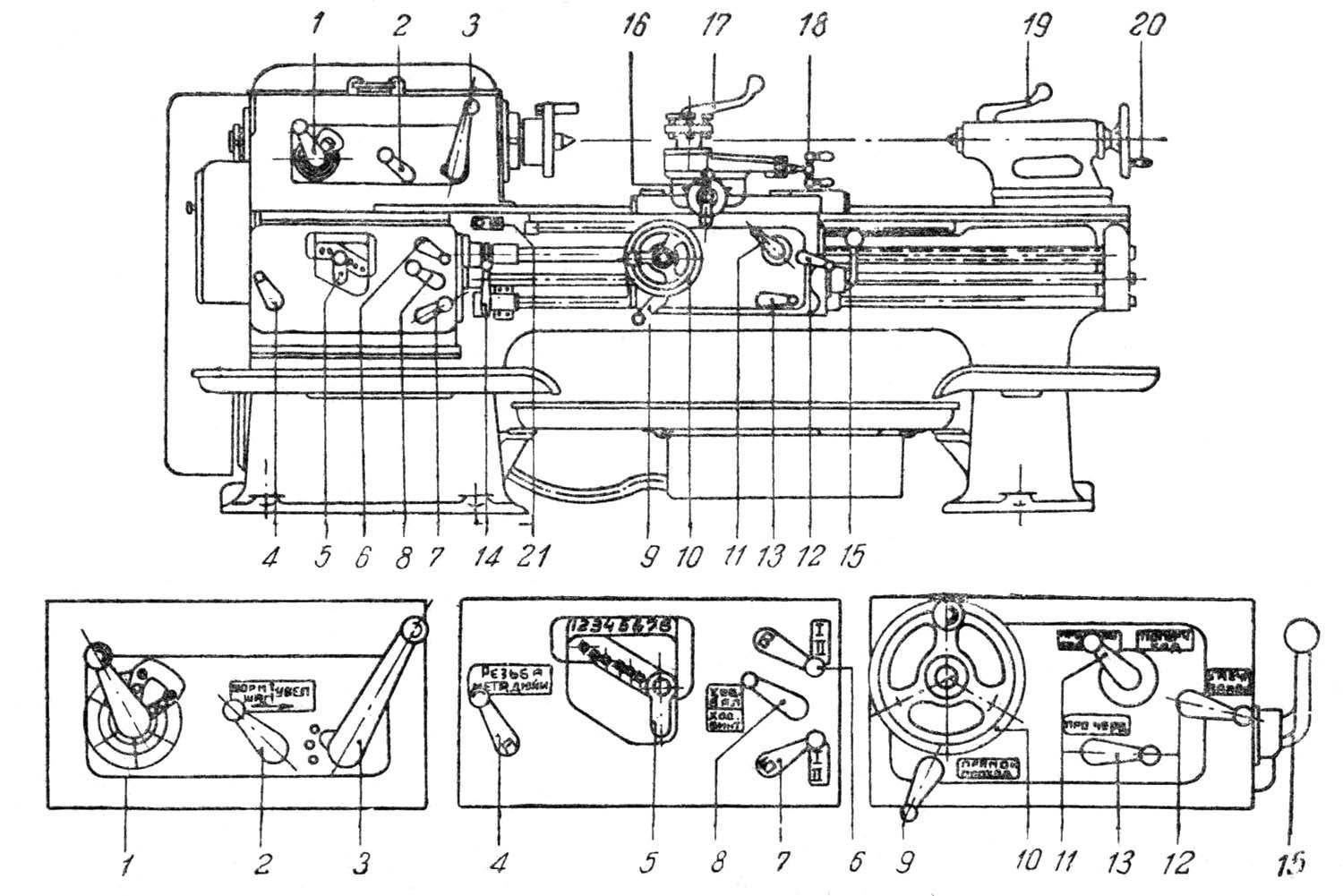
Необходимые режимы подач и работы коробки в целом выбираются посредством рукоятей, вынесенных на лицевую сторону.
Сложный механизм коробки подач включает большой набор деталей, представляющих ее кинематическую схему. Валы и шестерни, муфты и подшипники, вилки и рычаги взаимодействуя друг с другом, подлежат износу ⛔. Проблемы зачастую усугубляют:
- ✅ поломки в системе смазки;
- ✅ отсутствие должного технического обслуживания;
- ✅ неквалифицированный ремонт, проведенный ранее.

Чтобы полноценно восстановить ? коробку подач 1М65, купить комплектующие взамен изношенным с последующей заменой недостаточно. Квалифицированный ремонт, прежде всего, предусматривает профессиональную дефектовку, в ее ходе не только выявляются бракованные детали ?, но и определяются причины появления неисправности. Неслучайно ремонт коробки подач 1М65 требует проведение восстановления в заводских ? условиях. Идеальные запасные части, профессионализм и опыт ?? персонала – гарантия успешно проведенного ремонта.
1 Общая часть
Ввеление
Электромашиностроение как
составная часть электротехнической
промышленности в области стандартизации
базируется на нормах и правилах, принятых
для всей электротехники и зафиксированных
в соответ-ствуюших обших для всей
электротехники стандартах.
К таким
общим стандартам относятся, например,
стандарты, устанавливающие параметры
электроэнергии, условия эксплуатации
электрических машин в части воздействия
факторов внешней среды, требования к
маркировке и упаковке, классификацию
изоляционных конструкций по
нагрево-стойкости и т. д. Во
второй половине XIХ в. качество американских
станков было уже достаточно высоким.
Станки выпускались серийно, причем
вводилась полная взаимозаменяемость
деталей и блоков, выпускаемых одной
фирмой. При поломке детали достаточно
было выписать с завода аналогичную и
заменить сломанную деталь на целую без
всякой подгонки.
Во
второй половине XIХ в. были введены
элементы, обеспечивающие полную
механизацию обработки — блок автоматической
подачи по обеим координатам, совершенную
систему крепления резца и детали. Режимы
резания и подач изменялись быстро и без
значительных усилий. В токарных станках
имелись элементы автоматики — автоматический
останов станка при достижении определенного
размера, система автоматического
регулирования скорости лобового точения
и т.
д.
Однако
основным достижением американского
станкостроения было не развитие
традиционного токарного станка, а
создание его модификации — револьверного
станка. В связи с необходимостью
изготовления нового стрелкового оружия
После
изобретения и успешного применения
быстрорежущей стали, а затем и твердых
сплавов появились быстроходные мощные
станки современной конструкции. Эти
станки имеют массивные станины и снабжены
коробками скоростей, позволяющими
быструю перемену чисел оборотов
обрабатываемого изделия, и более
совершенными коробками подач. На рис.
6 показан наиболее совершенный
токарно-винторезный станок модель 1620,
изготовляемый заводом
«Красный пролетарий».
В
настоящее время на производстве
применяются усовершенствованные
многофункциональные станки, также
станки типа 16К20, и ДИП 100, ДИП 200, ДИП 300,
ДИП 400, ДИП 500, ДИП 800, ДИП 1000.
Таким
образом, до появления современного
токарного станка был пройден тяжелый
путь от древних времен, когда использовались
станки с применением ручной физической
силы, до сегодняшнего момента, когда
применяются полностью или частично
автоматизированные станки, имеющие
большую производительность и меньшие
затраты рабочей силы.
1.1 Тип станка, его основные технические данные
Токарно-винторезный
станок модели 16К20П предназначен для
выполнения разнообразных токарных
работ: обтачивания и растачивания
цилиндрических и конических поверхностей,
нарезания наружных и внутренних
метрических, дюймовых, модульных и
питчевых резьб, а также сверления,
зенкерования, развертывания,и т.п.
Отклонение от цилиндричности 7 мкм,
конусности 20 мкм на длине 300 мм, отклонение
от прямолинейности торцевой поверхности
на диаметре 300 мм — 16 мкм.
Таблица 1 –
Технические данные
Наименование параметра
Единица измерения
Величины параметра
Наибольшая длинна обрабатываемого
изделиямм
1000
Пределы чисел оборотов шпинделя
Об/мин
12,5-1600
Пределы подач
Об/мин
0,05-2,8
Высота оси центров над плоскими
направляющими станиныМм
215
Габарит станка
Длина
мм
2505
ширина
1190
высота
1500
Масса станка
Кг
2835
3010
Наибольший диаметр изделия,
устанавливаемого над станиноймм
400
Наибольший диаметр обработки над
поперечными салазками суппортамм
220
Наибольший диаметр изделия,
устанавливаемого над выемкой в станинемм
—
Наибольший диаметр
прутка , проходящего через
отверстие в шпинделемм
53
Наибольшая длина обтачивания
(соответственно L)мм
935
Пределы шагов нарезаемых резьб
Метрических
мм
0,5-112
Модульных
Модуль
0,5-112
Дюймовых
Число ниток
56-0,5
Питчевых
питч
56-0,5
1.
2 Кинематическая схема, назначение приводов
Привод вращения
шпинделя (главное движение). От
электродвигателя М через клиноременную
передачу и коробку скоростей с передвижными
скользящими блоками шпиндель получает
различные «прямые» частоты вращения
при включении фрикционной муфты (главного
фрикциона Ml)
влево. При включении муфты Ml
вправо через промежуточные (паразитные)
передачи и осуществляется изменение
направления вращения и шпиндель получает
12 «обратных» частот вращения в
пределах 19…1900 мин»1.
Кинематическая
цепь привода главного движения
представляется следующим образом:
Здесь
в скобках записаны номера валов привода,
и в промежутках -возможные передаточные
отношения между ними при соответствующих
позициях зубчатых блоков. Частоты
вращения шпинделя 500 и 630 мин-1 повторяются
дважды (перекрытие), что и определяет
наличие 22, а не 24 скоростей. Торможение
коробки осуществляется с помощью
ленточного тормоза Т, расположенного
на ступице колеса Z
— 60 на валу Ш.
Привод подачи служит для
получения продольной и поперечной подач
суппорта от ходового валика XVIII, нарезания
резьб при вращении ходового винта XVII.
Движение механизму подачи передается
либо от шпинделя VI, как показано на
схеме, либо, для увеличения подачи (или
шага нарезаемой резьбы) в 2,В и 32 раза,
через звено увеличение шага:
Далее
с вала VII вращение через реверсивный
механизм (правое вращение передача
30/45, левое — передачи 30/25*24/45 передается
на вал VIII и через гитару сменных колес
на вал IX коробки подач с передвижными
зубчатыми блоками. При нарезании
метрических и дюймовых резьб, а также
для получения механических подач от
ходового валика устанавливается гитара
при нарезании модульных и питчевых
резьб,
С
вала IX коробки подач движения может
передавать по двум кинематическим
цепям. При включении зубчатых муфт М3,
М4 и М5 и выключенной муфте М2 нарезается
метрическая или модульная резьба либо
вращается ходовой валик при включении
муфты М6.
При
отключении муфты М2,М3 и М4 при включенной
муфте М5 нарезаются дюемовые или питчевая
резьба.
М1-главный
двигатель
Рисунок 1 – |
S&P 500 падает с рекордно высокого уровня при закрытии по мере того, как фокус смещается на заседание ФРС s Индексы S&P 500, Dow
14 июня (Рейтер) — Индексы S&P 500 и Dow снизились в понедельник, на следующий день после того, как S&P 500 достиг рекордного уровня закрытия, поскольку инвесторы ждали сигналов от Федеральной резервной системы. встреча на этой неделе, посвященная взглядам центрального банка на инфляцию и будущее покупки облигаций.
Технологический индекс Nasdaq (.IXIC) вырос в шестой раз за последние семь сессий благодаря росту акций Tesla Inc (TSLA.
O), Apple Inc (AAPL.O) и Amazon.com Inc (AMZN). .О).
Последние данные показали, что экономика США набирает обороты, но не перегревается, укрощая опасения по поводу инфляции и отправляя S&P 500 (.SPX) на исторический максимум.
Хотя ФРС заверила, что любой всплеск инфляции будет преходящим, политики могут начать обсуждение сокращения покупки облигаций на заседании во вторник-среду. Однако большинство аналитиков не ожидают принятия решения до ежегодной конференции центрального банка в Джексон-Хоуле, штат Вайоминг, в августе. читать дальше
Любой сдвиг в голубиной риторике ФРС может перевернуть фондовые рынки. В этом году эталонный индекс вырос на 13%, в то время как Dow (.DJI) и Nasdaq (.IXIC) выросли на 12% и 9,5% соответственно.
«По мере того, как мы приближаемся к концу лета, они (ФРС) захотят начать говорить о сужении и телеграфировать, когда они собираются повышать ставки, и именно здесь у нас есть потенциал для оплошности, «, — сказал Макс Гохман, глава отдела распределения активов Pacific Life Fund Advisors в Ньюпорт-Бич, Калифорния.
«Технологии работают немного лучше, чем стоимость, но я не думаю, что это постоянная тенденция. Стоимость останется доминирующим сектором.»
Акции быстрорастущих компаний, связанных с технологиями, которые были в центре распродажи, вызванной опасениями роста ставок, восстановили свои позиции в этом месяце за счет связанных с экономикой промышленных (.SPLRCI), финансовых (.SPSY) и запасы материалов (.SPLRCM).
Здравоохранение (.SPXHC) и финансы были самым большим тормозом для S&P 500 в понедельник, в то время как технологии (.SPLRCT) и дискреционные потребительские товары (.SPLRCD) обеспечили наибольший рост.
В 11:18 по восточному времени индекс Dow Jones Industrial Average (.DJI) упал на 188,53 пункта, или 0,55%, до 34 291,07, а S&P 500 (.SPX) потерял 8,32 пункта, или 0,20%, до 4 239,12. Индекс Nasdaq Composite (.IXIC) прибавил 42,10 пункта, или 0,30%, до 14 111,52 пункта.
Акции энергетических компаний (.SPNY) прибавили 0,3%, так как цены на нефть достигли самого высокого уровня более чем за два года.
Lordstown Motors Corp (RIDE.O) упала на 18% после того, как ее главный исполнительный директор Стив Бернс и финансовый директор Хулио Родригес ушли в отставку через несколько дней после того, как производитель электрических грузовиков предупредил, что у него может не хватить денег, чтобы оставаться в бизнесе в течение Следующий год. читать дальше
Tesla прибавила 1,3% после того, как генеральный директор Илон Маск написал в Твиттере, что производитель электромобилей может возобновить транзакции с биткойнами. Биткойн поднялся выше 40 000 долларов после комментариев Маска. читать далее
Количество падающих выпусков превысило число растущих в соотношении 1,1 к 1 на NYSE и в соотношении 1 к 1 на Nasdaq.
Индекс S&P 500 зафиксировал 21 новый 52-недельный максимум и два новых минимума, в то время как Nasdaq зафиксировал 166 новых максимумов и 14 новых минимумов.
Репортаж Медхи Сингха и Девика Джейна из Бангалора; Под редакцией Маджу Самуэля
Наши стандарты: Принципы доверия Thomson Reuters.
Фондовый рынок США: S&P 500, Dow упали до закрытия, так как ставки на повышение ставок тверды, банки подскочили снижение энтузиазма инвесторов после того, как серия больших доходов банков США открыла сезон отчетности за первый квартал.
Все три основных фондовых индекса США закрылись в минусе, но далеко от сессионных минимумов. Вслед за сильным ралли в четверг все три основных фондовых индекса США продемонстрировали недельный рост.
«Сегодня мы немного отдохнем», — сказал Сэл Бруно, главный инвестиционный директор IndexIQ в Нью-Йорке. «После вчерашнего резкого движения вверх рынок, возможно, немного опередил сам себя».
Citigroup Inc, JPMorgan Chase & Co и Wells Fargo & Co превзошли ожидания по доходам, извлекая выгоду из роста процентных ставок и ослабления опасений стресса в банковской системе.
«Как и ожидалось, более крупные банки, вероятно, не сильно пострадали от региональных банковских беспорядков и, возможно, даже выиграли от этого», — сказал Росс Мэйфилд, аналитик инвестиционной стратегии Baird в Луисвилле, Кентукки. «Мы видели в основном сильные и здоровые балансы, и совершенно очевидно, что кризис (региональный банковский сектор) не носит системного характера».
Банковский сектор S&P 500 подскочил на 3,5%, а JPMorgan Chase вырос на 7,6%, что стало самым большим однодневным процентным приростом с 9 ноября 2020 года.
Но множество смешанных экономических данных, включая данные о розничных продажах, промышленном производстве и настроениях потребителей, укрепили ожидания того, что ФРС повысит ставки еще на 25 базисных пунктов на заседании по вопросам политики в следующем месяце.
«Промышленное производство и загрузка мощностей оказались сильнее, чем ожидалось», — добавил Бруно.
«Оба указывают на то, что экономика все еще сохраняет некоторую динамичность, что дает ФРС возможность продолжать политику повышения ставок в мае, возможно, в июне».
Эти ожидания были подчеркнуты президентом ФРБ Атланты Рафаэлем Бостиком, который сказал, что еще одно повышение на 25 базисных пунктов может позволить ФРС завершить цикл ужесточения, несмотря на то, что президент ФРБ Чикаго Остан Гулсби призвал центральный банк к осторожности.
По последним данным, финансовые рынки оценили вероятность того, что это произойдет, с вероятностью 74%, согласно инструменту CME FedWatch.
Промышленный индекс Доу-Джонса упал на 143,22 пункта, или 0,42%, до 33 886,47 пункта; S&P 500 потерял 8,58 пункта, или 0,21%, до 4 137,64; а Nasdaq Composite упал на 42,81 пункта, или 0,35%, до 12 123,47 пункта.
Среди 11 основных секторов S&P 500 семь завершили сессию снижением, при этом недвижимость упала больше всего. Финансовые показатели испытали самый большой процентный скачок, поднявшись на 1,1%.
Сезон отчетности за первый квартал вступит в свои права на следующей неделе. Ожидаются результаты от нескольких крупных компаний, включая Goldman Sachs Group Inc, Morgan Stanley, Bank of America Corp, Netflix Inc, а также длинный список региональных банков и промышленных предприятий.
Аналитики понизили ожидания, предсказывая, что совокупная прибыль S&P 500 упадет на 4,8% по сравнению с прошлым годом, что противоречит приросту на 1,4% в годовом исчислении, наблюдавшемуся в начале квартала, согласно Refinitiv.
Акции BlackRock Inc выросли на 3,1% после того, как крупнейший в мире управляющий активами превзошел ожидания квартальной прибыли.
Boeing Co подешевел на 5,6% после того, как производитель самолетов приостановил поставки некоторых самолетов 737 MAX из-за проблем с качеством поставщиков, связанных с Spirit AeroSystems, акции которых упали на 20,7%.
Акции Lucid Group Inc упали на 6,3% после разочаровывающих показателей производства и поставок в первом квартале этого производителя роскошных электромобилей.
