Станок 6м82: 6М82 Станок фрезерный консольный горизонтальный с поворотным столом (универсальный). Паспорт, схемы, характеристики.
Универсальный консольно-фрезерный станок 6М82 предназначен для фрезерования плоскостей небольших деталей различной конфигурации из стали, чугуна и цветных металлов цилиндрическими, дисковыми, торцовыми, фасонными и другими фрезами. Широкая техническая характеристика станка позволяет использовать быстрорежущий инструмент. Применяется в единичном, серийном и крупносерийном производстве. |
Особенности конструкции 6Т82Г:
|
ТЕХНИЧЕСКИЕ ХАРАКТЕРИСТИКИ СТАНКА 6Т82Г:
| Размеры рабочей поверхности стола, мм | 1250х320 |
| Перемещение стола, мм — продольное (X), — поперечное (Y), — вертикальное (Z). | 800 320 370 |
| Поворот стола в обе стороны, град. | 45 |
| Расстояние от оси горизонтального шпинделя до рабочей поверхности стола, мм | 30-450 |
| Пределы частот вращения шпинделя, мин | 31,5-1600 |
| Максимальная масса обрабатываемой детали с приспособлением, кг | 1000 |
| Габаритные размеры, мм: | 2280x1965x1690 |
| Масса станка с электрооборудованием, кг | 3050 |
ФОТО ОБОРУДОВАНИЯ:
Станок 6Т82Г на складе.
Новые станки 6Т82, 6Т82Ш, 6Т82Г, а также 6Т82-1, 6Т82Ш-1 и 6Т82Г-1 от производителя.Возможно приобретение любых запчастей к данным моделям станков.
Заказать и купить горизонтально-фрезерный станок 6Т82Г вы можете с заказом отгрузки транспортными компаниями в города: Архангельск, Владивосток, Волгоград, Воронеж, Екатеринбург, Ижевск, Иркутск, Казань, Кемерово, Краснодар, Красноярск, Москва, Нижний Новгород, Новосибирск, Омск, Оренбург, Пенза, Пермь, Ростов-на-Дону, Санкт-Петербург, Самара, Саратов, Тюмень, Уфа, Чебоксары, Челябинск, Ярославль и прочие регионы России.
Особенности конструкции
Универсальный консольно-фрезерный станок 6М82 разрабатывался коллективом специалистов ГЗФС. Оборудование имеет конструктивные особенности, выгодно отличающие его от аналогичных моделей:
- стол поворачивается на 45⁰ в обе стороны вокруг вертикальной оси;
- возможность автоматизации станков за счет использования цифровой индикации и подключения оперативного управления;
- стол перемещается одновременно по 3 осям;
- в приводе подач установлены бесконтактные муфты быстрого действия;
- смазка узлов производится автоматически;
- рабочая подача в автоматическом цикле может замедляться;
- можно устанавливать в приводе подач электродвигатель постоянного тока;
- неограниченный диапазон работ в автоматическом режиме, включая обработку по контуру – рамке;
- большое количество подач в широком диапазоне;
- имеется механизм замедления подач;
- быстрая смена инструмента.

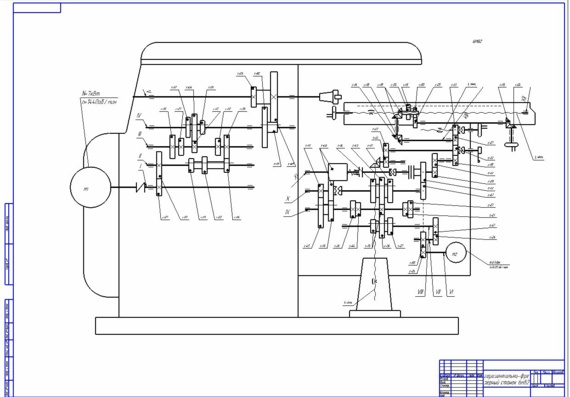
Кинематическая схема
Особенность конструкции оборудования – привод подач работает от отдельного, установленного на консоли, фланцевого электродвигателя. Станок имеет 18 автоматических подач.
Электрическая схема
Кинематическая схема фрезерного станка 6Т82Г
Привод подач осуществляется от отдельного фланцевого электродвигателя, смонтированного в консоли. Рабочие подачи настраиваются с помощью переключаемых зубчатых колес коробки подач, состоящих из двух трехвенцовых блоков и одного передвижного зубчатого колеса с кулачковой муфтой. На последнем валу коробки в кинематической цепи рабочих подач предусмотрена шариковая пружинная регулируемая муфта, предохраняющая механизм подач от перегрузок.
С последнего вала коробки подач движение передается в консоль. Затем через ряд цилиндрических и конических зубчатых колес, смонтированных в консоли и салазках, путем включения соответствующей кулачковой муфты приводится во вращение один из трех ходовых винтов, и таким образом осуществляются продольная, поперечная или вертикальная подачи.
Переключаемые зубчатые колеса коробки подач позволяют при разных зацеплениях получить 18 различных подач.
Кинематическая цепь для ускоренных (установочных) перемещений стола, салазок и консоли выполняется путем передачи движения от двигателя через паразитные зубчатые колеса непосредственно на зубчатое колесо фрикциона быстрого хода, смонтированного на последнем валу коробки подач.
Указанный фрикцион сблокирован с муфтой рабочих подач, тем самым устраняются случаи их одновременного включения.
Электрооборудование
Электрооборудование фрезерного станка представлено питающей сетью с напряжением 380 В. Частота переменного тока составляет 50 Герц. Присутствует две сети управления, одна из которых подает переменный ток под напряжением в 110 В, а другая — постоянный под напряжением 65 В.
Станок оснащен приборами света до 24 В. При этом сумма одновременно функционирующих электрических двигателей станка не может превышать 20 Ампер. В тоже время до 65 Ампер наблюдается в защитных устройствах, например, датчиках, регуляторах автоматического питания и выключения, предохранителей конструктивных узлов механизма.
Описание электрооборудования
Электрооборудование модели станка 6М82 работает от тока напряжением 380 В с частотой 50 Гц. Для питания цепи управления ток понижался до 127 В, освещение работает от сети в 36 В. Защита от перегрузок установлена на нулевой фазе электродвигателя. Плавкие предохранители не допускают замыканий в сети станка.
Справка! Для отдельных предприятий и на экспорт производилось оборудование под напряжение 220 В и 500 В.
Под электроаппаратуру в станине сделаны ниши. В каждой по две панели, соединенные в общую схему. Слева рукоятка для включения питания всего агрегата. Шпиндель имеет кнопочное управление с реверсивным переключателем направления вращения. Электродвигатель подачи включается с двух командоаппаратов:
- продольного перемещения;
- поперечного и вертикального движения.
Режимы работы запускаются в электросхеме ПУ – пусковым переключателем, имеющим 3 рабочих положения:
- автоматический цикл;
- подача от рукояток;
- круглый стол.

Электронасос, качающий охлаждающую жидкость, включается ВО. На плафоне местного освещения переключатель для лампочки. Электромагнит ЭБ стоит на фрикционной муфте быстрого хода и отключает ее при включении механической подачи.
Торможение осуществляется подмагничивающим током, направленным селеновым выпрямителем на электродвигатель. Быстрое сцепление зубчатых колес производится с «толчка». При переключении скоростей происходит кратковременное обратное движение шпинделя до попадания зубьев в зацепление.
Запчасти для горизонтально-фрезерного станка 6М82, 6М83 в Минске от компании «ООО»Торговый Дом Асти»».
по порядкупо росту ценыпо снижению ценыпо новизне
16243248
+375 (29) 133-29-48
Евгений
+375 (29) 157-15-97
Сергей
+375 (17) 303-99-99
тел/факс
+375 (29) 133-29-48
Евгений
+375 (29) 157-15-97
Сергей
+375 (17) 303-99-99
тел/факс
+375 (29) 133-29-48
Евгений
+375 (29) 157-15-97
Сергей
+375 (17) 303-99-99
тел/факс
+375 (29) 133-29-48
Евгений
+375 (29) 157-15-97
Сергей
+375 (17) 303-99-99
тел/факс
+375 (29) 133-29-48
Евгений
+375 (29) 157-15-97
Сергей
+375 (17) 303-99-99
тел/факс
+375 (29) 133-29-48
Евгений
+375 (29) 157-15-97
Сергей
+375 (17) 303-99-99
тел/факс
+375 (29) 133-29-48
Евгений
+375 (29) 157-15-97
Сергей
+375 (17) 303-99-99
тел/факс
+375 (29) 133-29-48
Евгений
+375 (29) 157-15-97
Сергей
+375 (17) 303-99-99
тел/факс
+375 (29) 133-29-48
Евгений
+375 (29) 157-15-97
Сергей
+375 (17) 303-99-99
тел/факс
поездов в реальном времени | 6M82 1239 Грузовой терминал Уолсолла в Доулоу Бриггс Сдгс
Departing on 1st March 2023
WTT
RTTRealtime
Route
Location
Pl
Arr
Dep
Arr
Dep
Dly
Path
Line
Walsall Freight Terminal
-34
Walsall [WSL]
1½
Прекращение обслуживания по причинам отсутствия персонала
3
1244
1246
1240
1248¾
+2
Ryecroft Jn
4
pass
1250
pass
1250½
Sutton Park
pass
1304½
Нет отчета
Park Lane Jn West Mids [XIA]
1½
Pass
1312
Пропуск
1318½
+6
USP
WOC
Water Orton West JN
0007
Pass
1315½
Pass
1322 3
+6
Water Orton [WTO]
2
1316½
.
Pass
1320½
Pass
1327½
+7
Kingsbury Branch JN
Пропуск
1321½
.0006 2
pass
1324½
pass
1331¼
+6
Tamworth [TAM]
3
pass
1326½
pass
1333½
+7
Elford
pass
1331
Pass
1337
+6
Wichnor JN [XWE]
1
Pass
1334
Pass
1340,
+6
Barton Barton под Weeply Weeply Weep Weeply Weep Weep Weeply Weep Jn Weeply Weep Weep Weeply Weep Weeply Weep wom0007
pass
1334½
pass
1341
+6
Barton Under Needwood N Jn
pass
1336
pass
1342¼
+6
Branston Jn
pass
1339
Pass
1344½
+5
Burton Leicester JN
Pass
1340
Pass
1346
+6
Burton-on-Trent [но]
1
+6
6660007
pass
1340½
pass
1346¾
+6
Horninglow Bridge Jn
pass
1341
pass
1347½
+6
Burton Wetmore Jn
pass
1342
Пропуск
1351 объявила
+9
UTF
UTG
Глиной Миллс JN
Pass
1343
Pass
1356½
+13
Willhon [Wil]0007
1
pass
1345½
pass
1400¾
+15
North Stafford Jn
pass
1346½
pass
1402
+15
Stenson Jn
pass
1347
Pass
1404 объяви
+17
Замок Донингтон [XDD]
1 6
Pass
1358,5
Pass
1416 3
+17
GAVETAK0007
pass
1400
No report
Sheet Stores Jn
2
pass
1411
pass
1440
+29
Trent East Jn [XTR]
pass
1415
Пропуск
1442¼
+27
Long Eaton Town X
Pass
1417½
Pass
1444 4
+26
Toton JN.
проходной
1418½
Нет отчета
Toton Center
Pass
1419½
Pass
1620 3
+120
Stapleford & Sandiacre
Pass
1420,5
NO. проходящий поезд), остановки по кадровым причинам
1422½
1603½
1451
1615
+11
Stapleford & Sandiacre 7
0007
1608½
pass
1621½
+13
DTG
DEF
Trowell Jn
pass
1612
pass
1627¼
+15
Ilkeston Junction
pass
1612½
Pass
1628
+15
Ilkeston [ILN]
1
Pass
1613½
Pass
1628¾
+15
Langle0007
1
Pass
1617
Pass
1632
+15
Codnor Park JN
914
9111,
1111,
9111,
1,1000911,
1,
111,
111,
11,
11,
1,1000911,
11,
111,
11,
111,
111,
1,
111,
1,
1,
11,
1,
1,
1,
11,
1,
1,9 0007
1,
1,
1,
.
Pass
1635
+14
Alfreton [ALF]
1
Pass
1624½
Pass
1638 3
+13
Blackwell Joul0007
pass
1625½
pass
1639
+13
Morton
pass
1627½
pass
1641½
+14
Clay Cross North Jn
2 1
pass
1631½
Пропуск
1645½
+14
Hasland
Pass
1635
Pass
1647½
+12
South Jn
.0007
1638½
pass
1653¼
+14
Chesterfield [CHD]
1
pass
1639½
pass
1656¼
+16
Tapton Jn
1
pass
1640½
Pass
1656 8
+16
Dronfield [DRO]
2
Pass
1647½
Pass
1701
+14
Dore JN
+14
Dore JN
+14
Dore JN
+14
Dore JN
0007
½
pass
1651
pass
1706¾
+15
Dore West Jn
1
pass
1653½
pass
1708½
+15
Totley Tunnel East
Пропуск
1656
Пропуск
1710 3
+14
Grindleford [GRN]
1
Pass
1701
Pass
1716
+15
1716
+15
0006 Hathersage [HSG]
Pass
1703
NO Report
BAMFORD [BAM]
1
PASS
1705
NO Report
HOPE (Derbyshire) [Hop]
7.
7.
7.
7.
7.
7.
7.
7075 7075.
Нет отчета
Earles Sdgs S.B.
Остановки для проезда (прохождение поезда)
1709
1714
1721
1721
+7
Earles Passing 90 Sig 90 Es0071 s00710007
1719
No report
Edale [EDL]
1
pass
1721
pass
1727
+6
Chinley East Jn
pass
1728
No report
Chinley Южный JN
½
Пропуск
1730
Нет отчета
Чинли сигнал Cy168
½
Pass
1732½
No Report
Peak Forest S.B.
Сервисные остановки по кадровым причинам
1740
1747
1745
1756
+9
Great Rocks JN
. пропуск
1758½
Нет отчета
Бакстон С.
Б.
Сервис обменивает токены здесь
1805½
1806½
Нет отчета
Бакстон Урс
Здесь ходит локомотив
1811½
1835½
1819
1838
+2
Бакстон С.Б.
Токен обменов обслуживания здесь
1840½
1841½
Нет отчета
Briggs Ground Frame
1852,5
1854½
NO Report
Dowlow Briggs SDGS
9
9007 9007 9007 9007 9007 9007 9007 9007 9007 9007 9007 9007 9007 9007 9007 9007 9007 9007 9007
7
9007 9007 9007
9007 9007 9007 9007 9007 9007 9007 9007 9007 9007
9007
9007
. Retrade предлагает подержанные машины, транспортные средства, оборудование и излишки материалов онлайн. Сделайте ставку прямо сейчас!
Все аукционы
Yleisjyrsinkone Stanko 6 M 82
| Все суммы в | |
| Самая высокая ставка | 575,- |
| Приращение: | 25,- |
| НДС | Все предложения без НДС.![]() НДС применяется ко всем покупкам, если покупатель зарегистрирован в той же стране, что и аукцион. НДС на сборы за продажу применяется, если покупатель зарегистрирован в той же стране, что и аукцион. НДС в размере 25% применяется ко всем норвежским аукционам, за исключением транспортных средств, зарегистрированных в Норвегии, «> будет добавлен НДС в размере 25%. |
| Оплата: | Будут добавлены только платежные сборы, см. ниже. |
Вы подтверждаете свою ставку на следующем шаге. Подробнее об автоматических ставках
Создан: 18.10.2011 13:00:00
Аукцион закрыт: 03.11.2011 20:00:00 CET
| Год регистрации | 1970 |
|---|---|
| Другая информация | Пыт: 1250 x 320 мм Ликкит: Х — 700 мм, Y — 230 мм, Z — 380 мм. ![]() Каран Картио: Vaaka/Yleisp: ISO50/MK4. Valmistusmaa: Neuvostoliitto. |
- Комиссия за продажу включена в вашу ставку. Аукционные сборы и НДС добавляются, когда это применимо.
- Платежные сборы (250 крон / 25 евро) будут добавлены.
- Все счета имеют 5-дневный срок оплаты.
- Платеж должен быть зарегистрирован, прежде чем можно будет связаться с продавцом для получения купленных товаров
- Все покупки необходимо забрать в течение 21 дня. ПРИМЕЧАНИЕ! Мы ожидаем, что покупатель и продавец будут сотрудничать в организации сбора в соответствии с действующими ограничениями и инструкциями властей.
- Перед сбором ДОЛЖЕН быть заключен договор с продавцом
- Предмет аукциона одобрен покупателем при сборе.
- Покупатель несет ответственность за все расходы, связанные с получением, транспортировкой и экспортом.
| ИДЕНТИФИКАТОР ЗАКАЗЧИКА | Дата/время | Ставка |
|---|---|---|
| 3504117 | 02.
|



фрезы по металлу для фрезерного станка




