Вытяжная заклепка как работает: Заклепка вытяжная. Преимущества и особенности монтажа
Содержание
Заклепка вытяжная. Преимущества и особенности монтажа
Вытяжные заклепки появились сравнительно недавно и сразу стали самым популярным метизом для крепления металлических листов, профнастила, других тонкостенных материалов. Используя такой крепеж можно достаточно быстро, без сварки, сделать стены гаража или подсобного помещения, забор из профнастила, навес из металлического листа и много другого.
В отличии от заклепок под молоток, которые больше применяются в промышленности, вытяжные очень популярны в бытовом применении, при обустройстве частного дома или квартиры. В первую очередь, это обусловлено односторонним монтажом такого крепежа, высокой технологичностью и скоростью проведения работ.
Современный крепежный рынок предоставляет большой выбор вытяжных заклепок для различных задач. Алюминиевые со стальным сердечником отлично подходят для крепления профнастила, листового металла в качестве ограждений или навесов.
При повышенных требованиях к коррозионной стойкости выпускаются вытяжные заклепки из нержавеющей стали. Если нужна высокая эстетичность соединения, можно купить заклепки окрашенные в любой цвет по таблице RAL.Для крепления мягких и тонких строительных материалов (оргстекло, фанера, ДСП) целесообразно использовать крепежные изделия с широкой шляпкой (буртом). Весь вышеперечисленный крепеж есть в наличии в нашем интернет-магазине КРЕПКОМ.
Процесс монтажа вытяжной заклепки достаточно простой. Для ее установки нужны два инструмента — дрель и заклепочник. Кстати, купить заклепочник (одноручный, двуручный, аккумуляторный, пневмогидравлический) также можно в нашем интернет-магазине. Сначала прикрепляемый материал прикладывается к базовому, соответственно его рабочему положению. В месте скрепления просверливается сквозное отверстие.
Наконечник заклепочника надвигается до упора на стержень заклепки. Заклепка вставляется в отверстие.
При сведении ручек инструмента стержень втягивается во втулку. При этом с обратной стороны образуется замыкающая головка. Материалы плотно стягиваются между лицевой и замыкающей головками, образуя прочное и надежное скрепление. Стержень обрезается и выпадает. Образовавшееся отверстие можно использовать для крепления каких-либо элементов с помощью болтов и гаек. Существуют и глухие заклепки, которые не образуют при скреплении отверстие.
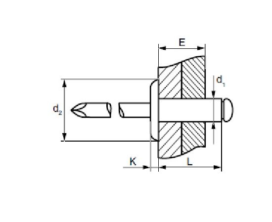
Один из главных факторов прочного соединения — правильный подбор размера заклепок, а именно диаметра и длины. Для этого мы рекомендуем воспользоваться таблицей ниже:
Как видно из таблицы, диаметр отверстия должен быть на несколько миллиметров больше диаметра заклепки. В комплекте с заклепочником всегда идут наконечники под разные диаметры стержня.
Статьи о продукции
Обновлено: 07.12.2020 14:28:46
Поставить оценку
Успешно отправлено, Спасибо за оценку!
Нажмите, чтобы поставить оценку
Как работают вытяжные заклепки | ПКФ Тандем
Как работают вытяжные заклепки
Компания «Тандем»
Содержание:
- История создания
- Из чего состоит конструкция вытяжной заклёпки
- Как действуют данные крепления во время монтажа
- Использование заклепочника
- Плюсы вытяжных заклёпок
- Ограничения при использовании данного вида крепления
Вытяжными заклёпками называется один из видов крепежа, при помощи которого можно создать неразъемные соединения деталей, имеющие очень высокую прочность.
История создания
Многие считают, что в древности использовали только гвозди, однако, существовали и заклёпки, которые упоминали уже в 3000 лет до нашей эры. В древнем Египте активно использовали соединения элементов при помощи заклёпок. Также данную технологию использовали викинги и римляне.
Принцип использования заклепок не изменился с того времени, крепеж вставляют в специально проделанное для него отверстие и расплющивают с обратной стороны. Данное соединение отлично держится и не расходится благодаря двум головкам, тщательно закрепляющим два элемента конструкции. Головки имеют размеры больше, чем отверстия. Материал стержня для соединения благодаря силе заполняет все отверстия в конструкции, благодаря этому соединение получается очень прочным.
Если говорить о самых известных сооружениях, в которых использовались такие заклёпки, то можно выделить Эйфелеву башню. В Санкт-Петербурге при помощи данного способа крепления строился Большеохтинский мост. Многие судостроители и викинги использовали данную технологию для того, чтобы надёжно закрепить обшивку на судах.
Активно вытяжные заклёпки начали использоваться именно во время развития судостроения, они не теряют свою актуальность и на данный момент, так как у них есть преимущества перед сваркой.
Особенно часто данный вид крепежа начал использоваться с пятидесятых годов.
Из чего состоит конструкция вытяжной заклёпки
В такой заклёпке находится всего два элементов, это само тело заклёпки, а также стержень. Они могут быть изготовлены из разных материалов в зависимости от того, где будет использоваться данный строительный узел. Этот тип крепления является комбинированных из-за использования разных материалов.
Стержень имеет форму цилиндра, у него распирающая головка, чаще всего для изготовления стержня используется прочная проволока. Очень важным элементом данной детали является утолщение, благодаря которому проволока надёжно фиксируется в заклёпке. Конец стержня чаще всего имеет форму затупленного конуса, однако, иногда можно встретить и другие типы.![]()
Стержень заклепки выглядит как трубка с плоской шляпкой. У шляпки могут быть разные типы бортиков. Есть вид заклёпок, в котором после установки края не выходят, они находятся в металле и прикрепляемой поверхности. Трубка изготовлена из достаточно мягкого материала.
Как действуют данные крепления во время монтажа
Стержень располагается в трубке. Данное изделие вставляют в заклёпочник, инструмент подносят к отверстию, диаметр которого должен быть равен диаметру заклёпки. Во время применения силы стержень пройдёт через трубку, а его головка расплющит тело заклёпки до того момента, как оно не упрется в скрепляемые материалы. Часть проволоки откусывает заклепочник. В итоге трубка заклёпки заполняет пространство отверстия. Для установки данного крепления нужно потратить всего несколько секунд.
Использование заклепочника
Заклёпочником называет рычажный инструмент. Во время установки заклёпки специальный механизм захватывает её стержень и вытягивает на себя, затем обрывается остаток проволоки.
Для того, чтобы закрепить элементы, находящихся в труднодоступных местах, используются поворотные головки, благодаря этому данный инструмент становится ещё универсальнее.
Плюсы вытяжных заклёпок
Разные преимущества заклёпок актуальны при разных условиях и требованиях:
- Выгодная стоимость при сравнении с аналогичными видами крепежей.
- Высокая степень гидроизоляции и виброустойчивости готового соединения.
- Монтаж даже при доступе к конструкции только с одной стороны.
- Закрепление даже тонколистовых элементов.
- Использование заклёпки для металлопрофилей, имеющих любую сложность.
- Отсутствие нагрузок на соединяемые материал.
Ограничения при использовании данного вида крепления
- Это крепление неразъемное, попытка закрепления будет только одна.

- Крепление можно использовать только для соединения тонких материалов.
- Скрепляемые элементы должны быть достаточно прочными.
- Необходимость в использовании ручного инструмента для установки заклёпок.
Дата публикации: 10.03.2022
Как работают заклепки? — Крепежная техника
Мишель Фрозе |
Автор Dr. Jody Muelaner
Набор заклепок, показанный после установки слева и в состоянии поставки справа. Сверху вниз: сплошная заклепка с универсальной головкой, сплошная заклепка с потайной головкой и глухая заклепка.
Заклепка представляет собой механическую застежку с плоским валом без резьбы, который вставляется через отверстия для соединения двух или более деталей вместе. Постоянно сформированная головка на каждом конце предотвращает удаление заклепки из отверстия. Вал предотвращает любые радиальные перемещения компонентов.
В зависимости от типа заклепки и ее способности выдерживать сдвигающие нагрузки, она может выдерживать значительные нагрузки. Головки предотвращают осевые перемещения деталей, хотя таким образом поддерживается меньшая сила.
Функция заклепки аналогична функции гайки и болта. Однако, хотя гайки можно легко открутить для разборки и повторной сборки, обычно заклепки ломаются или повреждаются перед снятием. Поэтому они предназначены для постоянных или полупостоянных соединений, выполняя ту же роль, что и конструкционные клеи или сварка. Преимущество заключается в их способности противостоять вибрации и обеспечивать фиксацию соединений с помощью короткой длины хомута.
Заклепка имеет предварительно сформированную головку на одной головке, называемую заводской головкой. Другая головка формируется после вставки и называется головкой цеха. Заводская головка похожа на головку на одном конце болта, а заводская головка похожа на гайку, которая образует временную головку на другом конце болта.![]()
Конец стержня заклепки, входящий в головку магазина, называется хвостовиком. Процесс превращения хвоста в голову известен как опрокидывание или раскряжевка, что означает его деформацию. При этом хвост расширяется, позволяя надежно удерживать заклепку на месте. Две головки на каждом конце установленной заклепки позволяют ей воспринимать растягивающие нагрузки (две силы тянут в противоположных направлениях) и сдвигающие нагрузки (сила параллельна поверхности или оси вала).
Сплошные заклепки
Сплошные заклепки являются одним из самых старых, популярных и часто используемых типов крепежных изделий. Это очень безопасные и надежные крепежные изделия, доказавшие свою эффективность в критических условиях. По этим причинам они широко используются в конструкции самолетов. В таких случаях требуется форма молотка и наковальни, чтобы сформировать заводскую головку цельной заклепки. Обе стороны отверстия также требуют доступа для установки, чтобы наковальня находилась напротив одного конца заклепки, а молоток ударял по другому концу.
Ручные молотки редко используются для этого процесса. Вместо этого в современных ручных клепальных операциях используются ручные пневматические молоты.
Автоматические сверлильные и клепальные станки также широко используются в аэрокосмической промышленности. К ним относятся гидравлические или электромагнитные прессы. Полутрубчатые заклепки сплошные над основной частью вала, несущей нагрузку на сдвиг, но полые на конце магазина, чтобы облегчить формирование головки магазина.
В строительной отрасли, например, при соединении стальных конструкций мостов или зданий со стальным каркасом, цельные заклепки в основном заменены болтами. Это связано с тем, что для установки и снятия заклепок требуется больше времени, что обеспечивает ограниченную нагрузку на зажим.
Вытяжные заклепки
Вытяжные заклепки полые с оправкой на стержне, проходящей через центральное отверстие. Протянув оправку через тело заклепки, можно сформировать заводскую головку с противоположной стороны.
Это означает, что их можно установить с одной стороны или в глухое отверстие.
Однако для установки глухих заклепок требуются специальные заклепочные инструменты. Ручные инструменты делятся на заклепочные клещи, которые, как правило, менее дороги и более компактны, и заклепочные инструменты с ленивыми клещами. Ленивые щипцы способны устанавливать прочные заклепки, требующие большого усилия.
Как работают заклепки? — FastenerLab
17 июня 2021 г. | Инструменты
Вытяжные заклепки используются для соединения двух компонентов между собой путем вбивания крепежных элементов через предварительно просверленные отверстия на соприкасающихся поверхностях. Независимо от того, является ли установочный инструмент ручным, пневматическим или гидравлическим, ключевыми факторами успешной заклепки являются качество заклепки, просверленное отверстие и сила инструмента, устанавливающего заклепку.
Что такое вытяжная заклепка?
Глухие заклепки или глухие заклепки называются так потому, что имеется доступ только к передней стороне соединяемых частей, а задняя или «глухая сторона» недоступна.
Компания POP® изобрела и произвела первую глухую заклепку, которая произвела революцию в нестроительной отрасли, став первым крепежным элементом, используемым в глухих узлах.
Хотя POP® была первой изготовленной вытяжной заклепкой, сегодня есть много других производителей коммерческих вытяжных заклепок, включая Huck, Cherry и Avdel.
Распространенные типы глухих заклепок
Закрытый конец – водонепроницаемые, удержание штока
Открытый конец – большой фланец, широкое распределение нагрузки
Micro – очень маленький для микроэлектроники
Pull-Thru – малый зазор, монтаж заподлицо
Какие инструменты устанавливают заклепки?
Хотя ручные заклепки справляются со своей задачей, когда ключевыми факторами являются время, простота и точность, предпочтительным методом установки заклепок являются электроинструменты. Пневматические заклепочные инструменты или пневматические молотки довольно просты в использовании.
Вытяжная заклепка вбивается в предварительно просверленное отверстие, когда пользователь устанавливает крепеж на место – будь то на конце отвертки или в предварительно просверленном отверстии. После того, как заклепка окажется на месте, установщик нажимает на спусковой крючок, который под действием сжатого воздуха вставляет застежку на место. Конец заклепки сжимает и фиксирует застежку на месте.
Как устанавливаются глухие заклепки?
В зависимости от области применения как пневматические, так и гидравлические инструменты для установки заклепок выполняют свою работу, вставляя заклепку на место с помощью сжатого воздуха. При нажатии на спусковой крючок гидравлическое давление в инструменте заставляет поршень и цангу начать втягиваться (рис. 2)
Когда это действие происходит в первый раз, губки не втягиваются, вместо этого они постоянно толкаются вперед под действием пружины губок. и последователь. По мере того, как цанга втягивается дальше, губки отодвигаются от кончика носика.
Когда происходит это противоположное движение, угол конуса в цанге заставляет губки смыкаться с шиловидным хвостиком заклепки.
Как только губки крепко захватят шиловидный хвост (рис. 3), тянущее действие шиловидного хвостовика втягивает головку шиловидного хвостовика в сердцевину тела заклепки, вызывая расширение тела заклепки.
По мере того, как это движение продолжается, шилохвостая голова достигает определенного сопротивления, которое больше, чем у бешеной головы. В этот момент формируется прочный, плотный сустав. Шилохвост отрывается, и заклепка устанавливается. (Рисунок 4) Закругленная головка на глухой стороне материала представляет собой заклепку.
Когда спусковой крючок отпущен, поршень, цанга, губки, пружина губок и толкатель губок возвращаются вперед под действием давления воздуха в их крайнее переднее положение. Челюсти все еще сжимают сломанный шилохвост, пока не коснутся задней части кончика носа. Затем их принудительно открывают и освобождают шилохвост.
