Вытяжные заклепки многозажимные: Заклепки вытяжные многозажимные — Harpoon.pro
Содержание
Заклепки вытяжные многозажимные — Harpoon.pro
- Продукция
- Саморезы
- Саморезы по металлу
- Саморезы по бетону
- Заклепки
- Заклепки вытяжные
- Гайки заклепки
- Сверла и буры
- Инструмент
- Аккумуляторный
- Пневмогидравлический
- Ручной
- Аккумуляторы для инструмента
- Комплектующие
- Насадки для шуруповерта
- Шестигранные насадки
- Колпачки для шурупов
- Уплотнительные ленты
- Дюбеля и шайбы
- Дюбель кровельный
- Шайба кровельная
- Рейки
- Рейка прямая
- Рейка угловая
- Термовтулки
- Саморезы
- Техподдержка
- Техническая документация
- Консультация и выезд специалиста
- Разработка продукции (R&D, OKP)
- О компании
- Преимущества
- История
- Новости
- Миссия и стратегия
- Проекты
- Публикации
- Контроль качества
- Области применения HARPOON
- Вакансии
- Контакты
Для укрепления монтажного узла при соединении особо плотных конструкционных материалов применяют специальные многозажимные заклепки вытяжного типа.
Благодаря наличию нескольких участков крепления, такой крепеж позволяет подвижно соединять от 3-х отдельных элементов конструкции.
Подбор продукта
Заклепки многозажимные. Стандартный бортик, алюминий/сталь (А/УС)
Заклепки многозажимные. Увеличенный бортик, алюминий/сталь (А/УС…/Dk)
Заклепки многозажимные. Стандартный бортик, сталь/сталь (УС/УС)
Заклепки многозажимные. Увеличенный бортик, сталь/сталь (УС/УС…Dk))
Всего продуктов 4
|
‹ Назад
1
Вперед ›
| Показать все
В отличие от тяговых заклепок других типов, многозажимный крепеж имеет несколько зон расклепывания (обычно от 2 до 5). Подобная конструкция является оптимальной для создания подвижных соединений листовых материалов или деталей, которые отделяются друг от друга расклепанным участком. Кроме того, используя такие элементы, удобно работать с материалами разной толщины.![]()
Компания HARPOON производит вытяжные заклепки многозажимного типа с прижимным бортиком увеличенного и стандартного размеров, для изготовления которых использована конструкционная сталь с антикоррозионной оцинковкой или комбинация материалов (алюминий для корпуса и оцинкованная сталь для стержня).
В зависимости от видов предстоящих работ и типов скрепляемых материалов (конструкций) вы можете заказать по выгодной цене крепежные элементы, длина которых составляет от 6,0 до 24,8 мм, а диаметр — от 3,2 до 4,8 мм.
ПромМетиз +7 (812) 385-76-07 Вытяжная заклепка Stavex Avdel многозажимная купольная головка
Главная » Крепежные изделия и метизы » Вытяжные заклепки » Модельный ряд вытяжных заклепок Avdel » Stavex Avdel вытяжные (тяговые) заклепки многозажимные купольная головка
Для более подробной информации обратитесь к нашим специалистам по телефону +7 (812) 385-76-07 Контакты | ||
Многозажимные вытяжные заклепки Stavex Avdel с высокой силой зажима из стали или нержавеющей стали.![]() | ||
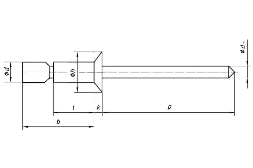
Артикул | 0 | min.-max. | min min. | M | B | D | E | kN | kN |
Stavex BS01 Корпус Оцинкованная сталь/ Стержень Оцинкованная сталь | |||||||||
SBS01032145ZNZN | M3,2 (1/8”) | 1,0-6,0 | 3,3-3,4 | 14,5 | 7,3 | 1,0 | 2,2 | 0,9 | 1,2 |
SBS01040160ZNZN | M4,0 (5/32”) | 2,0-8,0 | 4,1-4,2 | 16,0 | 8,2 | 1,4 | 2,9 | 1,5 | 1,8 |
SBS01048122ZNZN | M4,8 (3/16”) | 1,5-5,1 | 4,9-5,0 | 12,2 | 10,1 | 1,6 | 3,1 | 2,6 | 2,9 |
SBS01048138ZNZN | M4,8 (3/16”) | 1,5-6,3 | 4,9-5,0 | 13,8 | 10,1 | 1,6 | 3,1 | 2,6 | 2,9 |
SBS01048171ZNZN | M4,8 (3/16”) | 1,5-9,0 | 4,9-5,0 | 17,1 | 10,1 | 1,6 | 3,1 | 2,6 | 2,9 |
SBS01064168ZNZN | M6,4 (1/4”) | 1,5-7,6 | 0,6-6,9 | 16,8 | 13,5 | 2,7 | 4,0 | 3,1 | 3,6 |
Stavex BS11 Корпус Нержавеющая сталь/ Стержень Нержавеющая сталь | |||||||||
SBS11032145A2A2 | M3,2 (1/8”) | 1,0-6,0 | 3,3-3,4 | 14,5 | 7,3 | 1,0 | 2,2 | 1,6 | 1,9 |
SBS11040160A2A2 | M4,0 (5/32”) | 2,0-8,0 | 4,1-4,2 | 16,0 | 8,2 | 1,4 | 2,9 | 2,4 | 3,2 |
SBS11048171A2A2 | M4,8 (3/16”) | 1,5-9,0 | 4,9-5,0 | 17,1 | 10,1 | 1,6 | 3,1 | 4,1 | 4,5 |
Основные черты и преимущества
- Высокая прочность на сдвиг и растяжение обеспечивает прочное, виброустойчивое соединение
- Изготовление из нержавеющей стали обеспечивает высокую устойчивость заклепок к коррозии и делает их идеальнымии для применения в случаях, требующих повышенной термоустойчивости
- Многозажимность подходит для широкого ряда толщины материалов
- Одна заклепка может заменить несколько стандартных , что сокращает инвентаризацию и складской учет
- Хорошее заполнение отверстия обеспечивает надежное, устойчивое к вибрации соединение и может прекратить подвижность в нестандартных отверстиях
- Фиксированный стержень предотвращает повреждения, электрические проблемы или дребезжание, вызванные расшатанным стержнем
- Обеспечивает большую поверхность распределения нагрузки на обратной стороне листа
- Распределение нагрузки, зажима на обратной стороне делает Stavex идеальным для тонких металлов
Спецификация Размеры:
| Станадартный способ установки
|
Сферы применения
|
Рекомендуем посмотреть: Профессиональные инструменты для вытяжных заклепок
Контакты
Наши поставщики
Наши партнеры
Курсы валют
глухие заклепки Multigrip | Вытяжные заклепки Multi-Grip
ЗАПРОСИТЬ ПРЕДЛОЖЕНИЕ
Заклепки Multigrip представляют собой крепежные детали из алюминия или стали и обеспечивают более широкий диапазон захвата, чем стандартные глухие заклепки.
Они очень универсальны и обеспечивают превосходное усилие зажима при работе с большими отверстиями или отверстиями неправильной формы. Заклепки Multi-Grip также подходят для материалов различной толщины и могут использоваться для замены стандартных заклепок разных размеров. Они также обладают атмосферостойкими свойствами и обеспечивают превосходную прочность и устойчивость к вибрации по сравнению со стандартными глухими заклепками.
RC Fasteners предлагает заклепки с универсальным захватом из алюминия и стали, отвечающие вашим требованиям. Алюминий имеет более низкую прочность на растяжение, чем сталь, но это легкий материал, который также обеспечивает коррозионную стойкость. Сталь обеспечивает более высокую прочность на растяжение, но может ржаветь в агрессивных средах, если на нее не нанесено покрытие.
При выборе вытяжной заклепки с несколькими зажимами всегда следует выбирать материал, который соответствует тому, что вы используете для своего приложения.
Это поможет предотвратить гальванические реакции, которые могут ослабить прочность вашей универсальной заклепки или окружающего материала. Заклепки Multigrip имеют более широкий диапазон захвата и должны выбираться в зависимости от толщины вашего материала, а диаметр заклепки должен соответствовать размеру ваших предварительно просверленных отверстий. Выбор неправильного размера может вызвать проблемы с установкой или привести к неисправности заклепки.
Мы предлагаем заклепки с потайной головкой, куполообразной головкой и большим фланцем, в том числе:
Алюминиевые/стальные и цинковые заклепки с потайной головкой, многозахватные глухие заклепки
Потайные алюминиевые/стальные заклепки имеют алюминиевый корпус и цинковые стальной стержень с покрытием и головка, которая после установки остается на одном уровне с поверхностью материала. Алюминий устойчив к коррозии и имеет малый вес, а сталь с цинковым покрытием обеспечивает прочность на растяжение и коррозионную стойкость.
- Размеры: от 42-44 до 66-68
- Диапазоны захвата: 0,062-0,250, 0,125-0,312, 0,313-0,500
- Диаметры: 1/8, 3/16 Глухие заклепки
Заклепки с многозажимной головкой из алюминия и стали с цинковым куполом имеют легкий и устойчивый к коррозии корпус и прочный оцинкованный стальной стержень, который также устойчив к коррозии.
- Размеры: от 41-43 до 610-612
- Диапазоны захвата: от 0,039-0,187 до 0,563-0,750
- Диаметры: 1/8, 5/32, 3/16
Квасцы/сталь, цинк, глухие заклепки с большой фланцевой головкой и универсальным захватом
С увеличенной фланцевой головкой для использования в отверстиях большого размера или неправильной формы. Многозажимные заклепки из алюминиевого сплава/стали обеспечивают превосходное усилие зажима и широкий диапазон захвата и изготовлены из алюминия для обеспечения устойчивости к коррозии.
- Размеры: от 41–43 до 610–612
- Диапазоны захвата: от 0,062–0,250 до 0,563–0,750
- Диаметры: 1/8, 3/16
Имеет куполообразную головку и предназначен для использования в отверстиях неправильной формы или большого диаметра.
Эти глухие заклепки с несколькими захватами имеют стальной оцинкованный выступ и стержень для обеспечения высокой прочности на растяжение и коррозионной стойкости.- Размеры: от 41-62 до 62-64
- Диапазон захвата: от 0,039-0,125 до 0,063-0,250
- Диаметры: 1/8, 5/32, 3/16
Заклепки или свяжитесь с нами, чтобы узнать больше
RC Fasteners предлагает заклепки с универсальным захватом из различных материалов и размеров, соответствующие вашим требованиям. Мы также предлагаем стандартные глухие заклепки, закрытые глухие заклепки и многое другое.
Закажите многозаходные вытяжные заклепки в нашем интернет-магазине или свяжитесь с нами для получения дополнительной информации.Универсальные заклепки, сделанные в США ⋆ aDP Rivet
Универсальные заклепки предоставляют пользователям множество преимуществ по сравнению с обычными глухими (выдвижными) заклепками. Заклепки с несколькими захватами имеют более широкий захват или рабочий диапазон.
Эта более широкая рукоятка заменит как минимум две обычные глухие заклепки с открытым концом. Глухие заклепки — это другое название поп-заклепок, которое является зарегистрированной торговой маркой Emhart Teknologies. В отличие от салфеток Kleenex обычно используется для тканей. При обзоре производителей многозахватных заклепок. В США есть один производитель, который специализируется на окрашенных цветных заклепках с универсальным захватом. Кроме того, aDP Rivet выставляет на всеобщее обозрение свои почти идеальные рейтинги одобрения клиентов на витрине своего магазина. Имея более трех тысяч отзывов покупателей, этот производитель продолжает набирать 100% оценок. Этот производитель предлагает окрашенные цветные заклепки с универсальным захватом более дюжины цветов, длин и размеров головок.Многозажимные заклепки имеют немного больший допуск, когда речь идет о размере отверстий. Заклепки с несколькими захватами будут работать должным образом, если размер отверстия для приложения немного больше (около 10%), что выгодно, поскольку в реальных условиях часто возникают такие условия.
Еще одним преимуществом является то, что заклепки Multi-grip имеют более широкую и плоскую площадь основания. Это обеспечивает большую опорную поверхность и прочность сцепления по сравнению с обычными заклепками. Технология заклепок Multi Grip не использовалась до тех пор, пока aDP Rivet не разработала заклепку Ultimate Multi Grip. При этом многие дилеры отказываются от американских производителей и переходят на, казалось бы, более дешевый импорт из Китая. Заклепки «я тоже» высосали творческую жизнь этих продуктов, а технологии отошли на второй план. В результате конечные пользователи продукции были вынуждены использовать низкокачественные заклепки, и почти не осталось американских производителей, которые услышали бы их недовольное ворчание. Многие конечные пользователи привыкли к неисправным заклепкам и планировали дополнительное время и инструменты для ремонта и замены дефектов. Импортеры этих «я тоже» продуктов игнорируют жалобы клиентов и привозят еще больше таких же. Был один производитель, который прислушивался к мнению многих пользователей, которым требовалась лучшая заклепка.
Около пятнадцати лет назад компания aDP Rivet представила свою новую технологию заклепок Ultimate, которая привела к созданию нового семейства многозажимных заклепок американского производства. Эти заклепки Ultimate обеспечивают более дюжины преимуществ по сравнению с обычными и другими многоцелевыми заклепками. Для получения дополнительной информации и сравнения заклепок посетите веб-сайт aDP Rivet.
Одним из преимуществ является то, что заклепки Ultimate Multi Grip от ADP могут заменить до шести стандартных размеров заклепок и до четырех заклепок Multi Grip. Для максимальной клепки, aDP Rivet предлагает «заклепки одного размера для всех» толщиной от 1/16″ до 5/8″! Никакая другая заклепка не может сравниться с новейшей технологией ADP. 9№ 0003
Еще одним преимуществом является то, что заклепки Ultimate заполняют отверстия увеличенного размера в два раза лучше, чем другие заклепки с универсальным захватом. Заклепки Ultimate Rivets диаметром 3/16 дюйма от ADP заполнят отверстия, размер которых превышает размер примерно на 25%.
Эта функция делает заклепки Ultimate чрезвычайно простыми в использовании, поскольку условия применения гораздо менее критичны.Еще одним преимуществом заклепок Ultimate является более плотное прижатие и более широкая площадь контакта с глухой стороной по сравнению с заклепками других марок с несколькими захватами. Диаметры ADP 1/8″ и 3/16″ заклепок Ultimate Rivets будут расширяться более чем на 15%, обеспечивая значительно улучшенный зажим и заполнение отверстия в приложении. Когда эти уникальные заклепки активируются, они расширяются наружу, чтобы заполнить отверстие для нанесения, а также плотно сжать несколько слоев вместе. С инженерной точки зрения, чем больше поверхность контакта крепежа с приложением. Лучшей производительности можно ожидать от крепежного соединения. И наоборот, когда застежка оставляет места для неконтактирующих материалов. Соединение крепежа может быть подвержено нежелательным результатам и преждевременным нагрузкам. Эти заклепки Ultimate Rivet обеспечивают оптимальные характеристики базовой концепции конструкции: прочные, плотно скрепленные соединения работают лучше, чем свободные соединения с открытыми пустотами между крепежным элементом и/или слоями нанесения.


Эти глухие заклепки с несколькими захватами имеют стальной оцинкованный выступ и стержень для обеспечения высокой прочности на растяжение и коррозионной стойкости.
Эта более широкая рукоятка заменит как минимум две обычные глухие заклепки с открытым концом. Глухие заклепки — это другое название поп-заклепок, которое является зарегистрированной торговой маркой Emhart Teknologies. В отличие от салфеток Kleenex обычно используется для тканей. При обзоре производителей многозахватных заклепок. В США есть один производитель, который специализируется на окрашенных цветных заклепках с универсальным захватом. Кроме того, aDP Rivet выставляет на всеобщее обозрение свои почти идеальные рейтинги одобрения клиентов на витрине своего магазина. Имея более трех тысяч отзывов покупателей, этот производитель продолжает набирать 100% оценок. Этот производитель предлагает окрашенные цветные заклепки с универсальным захватом более дюжины цветов, длин и размеров головок.
Еще одним преимуществом является то, что заклепки Multi-grip имеют более широкую и плоскую площадь основания. Это обеспечивает большую опорную поверхность и прочность сцепления по сравнению с обычными заклепками. Технология заклепок Multi Grip не использовалась до тех пор, пока aDP Rivet не разработала заклепку Ultimate Multi Grip. При этом многие дилеры отказываются от американских производителей и переходят на, казалось бы, более дешевый импорт из Китая. Заклепки «я тоже» высосали творческую жизнь этих продуктов, а технологии отошли на второй план. В результате конечные пользователи продукции были вынуждены использовать низкокачественные заклепки, и почти не осталось американских производителей, которые услышали бы их недовольное ворчание. Многие конечные пользователи привыкли к неисправным заклепкам и планировали дополнительное время и инструменты для ремонта и замены дефектов. Импортеры этих «я тоже» продуктов игнорируют жалобы клиентов и привозят еще больше таких же. Был один производитель, который прислушивался к мнению многих пользователей, которым требовалась лучшая заклепка.
Эта функция делает заклепки Ultimate чрезвычайно простыми в использовании, поскольку условия применения гораздо менее критичны.