Чертеж цангового патрона для фрезерного станка: Цанговые патроны для станков и микродрелей: чертежи, видео
Содержание
Как сделать цанговый патрон своими руками? — РИНКОМ
Как сделать цанговый патрон своими руками? — РИНКОМ
Главная
Статьи
Как сделать цанговый патрон своими руками?
Как сделать цанговый патрон своими руками?
1 марта 2020
Гирин Кирилл
Как сделать цанговый патрон своими руками, — вопрос, который интересует домашних мастеров, занимающихся токарным и ювелирным делом, гравировальными работами, изготовлением печатных плат.
Содержание
Как сделать цанговый патрон своими руками
- Устройство цангового патрона
- Как работает цанговый патрон?
- Обозначение цанговых патронов
- Делаем цанговый патрон для ручного инструмента и станка
- Способ 1. Простейшая цанга из проволоки
- Способ 2. Цанговые зажимы из винтов
- Способ 3. Самодельный цанговый патрон для фрезерного станка
- Крепление цангового патрона на станке и ручном инструменте
- Где купить цанговые патроны?
Оснастка используется для фиксации деталей, поперечное сечение которых не совпадает с формой входного отверстия.
А необходимость в новых зажимах объясняется тем, что иногда бывает сложно найти серийные комплектующие необходимых параметров. В этой статье мы расскажем, как изготовить самодельную муфту-цангу для дрели и токарного станка, как ее установить и отцентрировать. Но начнем с принципа работы цангового патрона.
Фотография №1: Цанговый патрон производства ООО «Спецмашдеталь»
Устройство цангового патрона
Устройство цангового патрона достаточно простое. Основная деталь оснастки — это цанга, специальное приспособление в виде втулки с продольными разрезами. Эти разрезы формируют пружинящие лепестки, которые надежно удерживают обрабатываемую деталь. Лепестков может быть три, четыре, шесть и более — в зависимости от диаметра втулки.
На предприятиях машиностроения обычно используют зажимы типа ER. Эти детали имеют по две зоны зажима вдоль оси. Поэтому помещенный внутрь инструмент жестко фиксируется, а радиальные биения отсутствуют, так что их даже не учитывают при расчетах.
Изображение №1: Устройство цангового патрона
Серийные цанговые патроны изготавливают из инструментальной закаленной стали и обладают высокой прочностью и стойкостью к износу. Самодельные зажимы делают из бронзы, латуни, алюминия и стали.
Чем цанговый патрон отличается от кулачкового?
Цанговые патроны, как и кулачковые, представляют собой держатели для инструментов и заготовок, поэтому их часто путают. Однако у этих оснасток есть принципиальные различия. Кулачковые патроны считаются более универсальными и потому могут использоваться для фиксации инструментов с хвостовиками разных диаметров. Напротив, цанги предназначены для работы с определенными диаметрами и для инструментов с другими хвостовиками не подходят.
Как работает цанговый патрон?
Расскажем, как работает цанговый патрон, который используется на токарных станках и ручном инструменте.
Оснастка состоит из нескольких цанг и самозажимной гайки, которая оказывает давление на торец патрона.
Из-за прилагаемого усилия цанга смещается во втулку, уменьшаясь в размерах, а ее лепестки сжимаются и надежно закрепляют хвостовик инструмента или обрабатываемую деталь. Чтобы снять заготовку, гайку отвинчивают, тем самым увеличивая цангу в диаметре.
Главное преимущество оснастки — способность отлично центрироваться, из-за чего зафиксированный с их помощью инструмент имеет минимальное радиальное биение. А для приведения зажима в действие нет необходимости использовать ключи.
Обозначение цанговых патронов
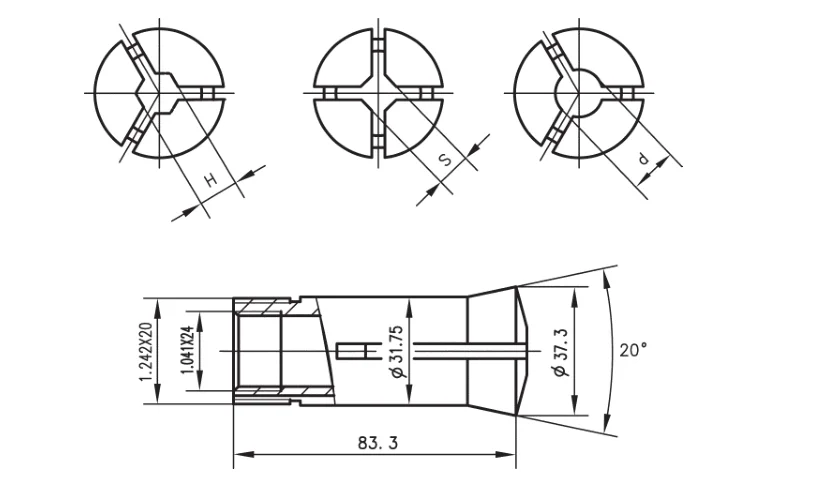
Обозначение цангового патрона с наружным конусом, предназначенного для фиксации инструмента с цилиндрическим хвостовиком, на чертеже выглядит следующим образом.
Изображение №2: Цанга для универсального станка с конусом номер 50, диаметром под хвостовик (d) 12 мм, длиной 90 мм
В таблице ниже приведены стандартные размеры цанговых патронов, которые важно учитывать в расчетах:
|
|
|
|
|
|
|
|
|
|
|
|
| ||
|
|
| ||
|
|
|
|
|
|
|
| ||
|
|
| ||
|
|
|
|
|
|
|
| ||
|
|
|
Действующие ГОСТы
Главный действующий стандарт, относящийся к такому типу оснастки, — ГОСТ 26539-85.
В нем вводятся характеристики и маркировка цангового патрона
с наружным конусом 7:24. А в Постановлении Государственного комитета СССР по стандартам №5943 даются следующие рекомендации:
- графические обозначения опор, зажимов и установочных устройств (в том числе цанговых патронов), используемые в технической документации;
- для отображения опор и зажимов применяют сплошные тонкие линии (ГОСТ 2.303-68).
Делаем цанговый патрон для ручного инструмента и станка
Простейший самодельный цанговый патрон
для ручного инструмента можно создать без использования токарного станка. Если же вам требуется оснастка для машины, ее придется вытачивать из заготовки и без специальных знаний здесь не обойтись.
Способ 1. Простейшая цанга из проволоки
Для оснащения дрели с малой мощностью двигателя, которая будет использоваться для работы с деревянными и пластиковыми заготовками, подойдет миниатюрная муфта-цанга, спаянная из стальной проволоки.
Важно учитывать, что полученный патрон может использоваться только для сверл одного диаметра, при этом диаметр сверла должен соответствовать выходному валу двигателя.
Фотография №2: Простейший цанговый зажим из проволоки
Для работы потребуются такие инструменты и материалы:
- цилиндрическая заготовка из металла, диаметр которой совпадает с диаметрами выходного вала двигателя и сверла;
- стальная проволока толщиной 1 мм;
- электрический паяльник;
- флюс для пайки или КФЭТ.
Проволоку следует намотать на болванку, формируя жесткую пружину. Витки проволоки необходимо располагать максимально близко друг к другу. Готовую пружину пропаивают прямо на заготовке, используя флюс или КФЭТ.
Получившуюся цанговую муфту надевают на вал электродвигателя, а в отверстие на противоположном конце вставляют сверло.
Способ 2. Цанговый зажим из винта
Цанговый патрон со схожими характеристиками можно изготовить и другим способом.
Изделие будет состоять из двух частей, соединенных винтом. Фиксацию зажима на валу электродвигателя и инструмента обеспечивают цилиндрические желобки на внутренних поверхностях оснастки.
Фотография №3: Заготовки для изготовления цангового зажима
Для работы потребуются:
- болт или винт на 8 мм;
- закрытая гайка М8;
- болгарка с диском по металлу;
- дрель и сверла на 2 и 5 мм.
Фотография №4: Цанговый патрон из винта, установленный на электродрель, в работе
В ножке болта просверлите отверстие на 3 мм. Сделайте крестообразно два ровных осевых пропила болгаркой или ножовкой по металлу. После этого в закрытой гайке ровно по центру просверлите отверстие диаметром 2 мм. Расширьте его до 5 мм. Закруглите край болта, чтобы получился конус. Готовый цанговый патрон перед применением необходимо отцентрировать. Только в этом случае он будет работать корректно.
Способ 3. Самодельный цанговый патрон для фрезерного станка
Самодельный цанговый патрон для фрезерного станка можно изготовить на токарном станке. Для оснастки потребуется стальная болванка (кругляк диаметром 40 мм и высотой 70 мм). Работа проводится в два этапа. Вначале делается корпус патрона, потом зажимная гайка.
Фотография №5: Цанга для фрезерного станка, выточенная на токарном станке
Изготовление корпуса патрона:
- Зажмите болванку в патрон обратными кулачками.
- Просверлите в ней сквозное отверстие по оси и расточите его.
- Нарежьте в отверстии резьбу М27 х 2.
- Обточите наружную поверхность болванки.
- Подрежьте торец, который станет опорой для базовой опорной поверхности на шпинделе.
- Снимите полученную оправку с патрона и трехкулачковый патрон со станка и навинтите оправку на шпиндель до упора.
- Расточите цилиндрическую и коническую поверхности гнезда под цангу.

- Проточите конец оправки и нарежьте в нем резьбу для зажимной гайки.
Изготовление зажимной гайки:
- Заготовку зажмите в обратные кулачки трехкулачкового патрона.
- Просверлите в ней отверстие, расточите внутреннюю полость.
- Проточите внутреннюю торцевую опорную поверхность.
- Нарежьте в гайке ответную резьбу.
- Навинтите гайку на патрон, предварительно установленный на шпиндель станка.
Получившуюся оснастку можно усовершенствовать для более простой фиксации инструмента. С этой целью проводят накатку рифлений на боковых поверхностях корпуса патрона и гайки и делают пазы в наружных боковых поверхностях.
Крепление цангового патрона на станке и ручном инструменте
Крепление цангового патрона и его центрирование выполняются на шпинделе токарного станка. Отметим, что диаметры патронов и методы их установки стандартизированы. К самым распространенным конструкциям конца шпинделя относят крепежи типа C и типа D (cam-lock).
Также для установки цанговых патронов часто используют фланцы и планшайбы, которые размещаются на шпинделе.
Теперь расскажем, как отцентрировать цанговый патрон на валу двигателя ручного инструмента (электродрели). Регулировку проводят в двух плоскостях, при этом вначале устраняют биение в одной плоскости, потом — в другой. Ход работ:
- Зафиксируйте дрель на столе (в лежачем положении).
- Прокрутите патрон, чтобы нужная пара болтов стала параллельна столу.
- Проверните патрон на 180 градусов и зафиксируйте отклонение патрона.
- Исключите биение, подтягивая и ослабляя пару винтов.
Аналогичным образом поступают со второй парой винтов. Чтобы отклонение в двух плоскостях было заметнее, используйте длинное сверло.
Где купить цанговые патроны?
Интернет-магазин «Ринком» предлагает купить цанговые патроны по оптимальной цене. Мы сотрудничаем с оптовыми и частными покупателями и даем скидки на большие партии товаров.
Вместе с цанговыми патронами вы можете приобрести держатели ER11. Подробности о сроках поставки оснастки уточняйте у менеджера магазина.
Больше полезной информации
Полезные обзоры и статьи
Все статьи
11 октября 2022
Токарные патроны
22 марта 2022
Токарные патроны «Бизон» (BISON-BIAL)
18 марта 2022
Как сделать шестерню?
22 апреля 2021
Как выбрать кулачки для токарного патрона?
Все статьи
Подписывайтесь на нас
Присылаем скидки на инструмент и только полезную информацию!
Не нашли нужной позиции в каталоге?
Мы готовы изготовить и поставить уникальные виды инструмента специально под ваш заказ!
Заказать
Мы используем файлы cookie. Они помогают улучшить ваше взаимодействие с сайтом.
Принимаю
?>
Цанговые патроны для фрезерного станка
Цанговые патроны для фрезерного станка используются для надежной фиксации фрез, сверл, оправок с цилиндрическим хвостовиком в шпинделе. Изделия представляют собой пружинящую втулку с разрезом. Цанги изготавливаются по ГОСТ 25557-82, ГОСТ 26539-85, ГОСТ 25827-93 (DIN 69871).
Применение цанговых патронов
-
Фрезерные станки с ЧПУ типа обрабатывающего центра. -
Горизонтально и вертикально фрезерное оборудование. -
Сверлильно-расточные и фрезерные группы.
Особенности конструкции цанговых патронов
Корпус. Элемент является основным в оснастке и предназначен для фиксации во фрезерном станке. В корпус вставляется цанга с режущим инструментом. Изделие изготавливается из прочных сплавов, устойчивых к деформации и механическим повреждениям, а также противостоящих коррозии.
Цанга. Элемент представляет собой втулку, в которую вставляется хвостовик фрезы. При закручивании гайки происходит равномерное обжатие и фиксация режущего инструмента. В корпус патрона можно вставлять цанги разного диаметра для использования различных фрез и других элементов.
Зажимная гайка. Крепеж предназначен для прижима цанги с насадкой. При закручивании гайки фреза фиксируется в патроне и не смещается в течение рабочего процесса. Крепеж имеет прорези под специальный ключ, который обычно поставляется в комплекте.
Основные преимущества
Цанговый патрон для фрезерного станка выгодно отличается от других типов зажимной оснастки по нескольким параметрам:
-
равномерно фиксирует режущий инструмент. При заворачивании гайки цанга контактирует с большой площадью хвостовика, причем усилие будет одинаковым в каждой точке. Такой способ фиксации существенно уменьшает вибрации при работе, а также не допускает смещения оси инструмента при боковой нагрузке, обеспечивая хорошую центровку.
Цанговые патроны повышают качество и точность обработки металла, особенно при манипуляциях с мелкими деталями, когда необходимо строго выдержать параметры изделия; -
подходит для использования с различными типами фрез. Корпус патрона является универсальным, поэтому во время работы с разными деталями потребуется менять только режущий элемент. Это значительно ускоряет производственный процесс. Достаточно просто ослабить гайку ключом и раскрутить вручную для установки цанги нужного диаметра; -
обеспечивает минимальное биение. Радиальные колебания внутреннего конуса, в котором фиксируется цанга, относительно внешнего конуса хвостовика не превышает 0,005-0,010 мм.
Виды цанговых патронов
Изделия классифицируются по нескольким признакам. В зависимости от назначения различают цанговые патроны для фрезерных станков следующих видов:
-
подающие.
Стальная цанга имеет три продольных разреза, которые образуют лепестки со сходящимися концами. Подобная конструкция обладает хорошей пружинящей способностью, что позволяет легко устанавливать и плотно фиксировать деталь подходящего размера внутри патрона. При выполнении операции подающая труба с навинченной цангой приходит в движение, еще сильнее сдвигая лепестки; -
зажимные. Цанга изготавливается в виде втулки с несколькими пружинящими лепестками, число которых соответствует диаметру крепления. Например, трехлепестковая цанга используется для фиксации деталей 3 мм, 4-лепестковая — до 80 мм, 5-лепестковая — 80 мм и более. Угол при вершине равен 30 градусам. -
Подающие патроны считаются более надежными, но для закрепления оснастки каждый раз необходимо использовать специальный ключ, чтобы извлекать корпус. Зажимные модификации используются в случаях, когда фрезы во время работы приходится часто менять.
В зависимости от конструкции различают следующие виды цанговых патронов для фрезерного станка:
-
с одной или двумя зонами зажима. Второй вариант обеспечивает более жесткую фиксацию рабочего элемента, так как удерживает его в двух точках оси; -
глухие или сквозные. Выбор патрона зависит от длины обрабатываемой заготовки. Сквозное изделие позволяет фиксировать элементы, длина которых определяется габаритами станка. Крепление глухого патрона ограничивает размеры заготовки, так как одна сторона корпуса запаяна; -
цанги для метчиков. Изделие имеет паз для квадрата, обеспечивающий компенсацию по оси; -
цанги ER. Наиболее востребованный вид патронов со сквозным отверстием и двумя зонами зажима.
Большинство частных мастеров и предприятия обычно приобретают наборы оснастки различных диаметров для выполнения различных задач.
В комплекте поставляются цанги нескольких видов и размеров, а также специальный ключ для быстрого закручивания зажимной гайки. При выборе изделий необходимо учитывать все типы заготовок, которые планируется обрабатывать на станке.
Предыдущая статья
Следующая статья
Получить консультацию
по инструменту, методам обработки, режимам или подобрать необходимое оборудование можно связавшись с нашими менеджерами или отделом САПР
Также Вы можете подобрать и приобрести режущий инструмент и оснастку к станку, производства Тайваня, Израиля
Отправляя заявку, вы соглашаетесь с политикой конфиденциальности
Проработать технологию, подобрать станок и инструмент
Высокоточный цанговый патрон DIN 69893-1 HSK-A40
Выбранный вами продукт: Стандартный цанговый патронТип ERМощный цанговый патронВысокоточный цанговый патронWeldon Держатель инструментаОправка для торцевой фрезыКомбинированная оправка для торцевой фрезы
Для зажима инструментов с цилиндрическим хвостовиком в цангах HAIMER Power и ER в соответствии с ISO 15488.
Высокоточный цанговый патрон — это цанговый патрон для максимальной производительности обработки в высокоскоростном производстве. Оптимизированная конструкция с улучшенной конструкцией сочетает в себе высокую жесткость с функциями гашения вибраций и снижения шума, обеспечивая большую защиту станков, шпинделей и инструментов. Универсальный высокоточный цанговый патрон — это уникальный высокопроизводительный патрон, который также можно использовать со стандартными цангами.
- Высокая точность биения: 0,003 мм при 3 × D с цангами HAIMER Power
- Также для стандартных цанг ER в соответствии с ISO 15488 (Обратите внимание, что при использовании со стандартными цангами ER расчетная длина A будет отличаться от приведенного ниже размера A! )
- Высокая жесткость
- Более плавный ход благодаря вибропоглощающей геометрии, следовательно, лучшее качество поверхности и защита инструментов, шпинделей и станков
- Повышенная производительность обработки за счет более высоких скоростей вращения шпинделя, более высоких скоростей подачи и большей глубины резания
- Сокращение времени обработки, более высокая точность обработки, высокое усилие зажима
- В равной степени подходят для высокоскоростного производства и тяжелого фрезерования
- С гладкой контргайкой со специальным покрытием, балансировка < 1 г/мм
- Дополнительно: с силовыми цангами Safe-Lock™ от ER 25
- Дополнительно: отверстия Cool Jet на цангах Power от ER 25 Ø 6 мм
| Заказ № | Расчетная длина A в дюймах | |||||
|---|---|---|---|---|---|---|
А40. 025.16.3.ХП | сверхкороткий, 1,97 дюйма |
| Аксессуар | |||
| А40.020.16.3.ХП | короткий, 3,15 дюйма |
| Аксессуар |
| Заказ № | Расчетная длина A в дюймах | |||||
|---|---|---|---|---|---|---|
| А40.025.25.3.ХП | сверхкороткий, 2,36 дюйма |
| Аксессуар | |||
| А40.020.25.3.ХП | короткий, 3,15 дюйма |
| Аксессуар |
| Заказ № | Расчетная длина A в дюймах | |||||
|---|---|---|---|---|---|---|
А40. 025.32.3.ХП | сверхкороткий, 2,76 дюйма |
| Аксессуар | |||
| А40.020.32.3.ХП | короткий, 3,15 дюйма |
| Аксессуар |
Цанговые патроны ER с V-образным фланцем
с ЧПУ
Наведите курсор на изображение, чтобы увеличить его
Сохранить 0
Accusize Industrial ToolsАртикул: 1601-0005
Размер цанговых патронов: CAT40 ER16 2,76 дюйма (1601-0005)
CAT40 ER16 2,76 дюйма (1601-0005)
CAT40 ER16 4 дюйма (1601-0010)
CAT40 ER20 2,76 дюйма (1601-0025)
CAT40 ER20 4 дюйма (1601-0030)
CAT40 ER32 2,76 дюйма (1601-0015)
CAT40 ER32 4 дюйма (1601-0020)
CAT40 ER40 2,76 дюйма (1601-0035)
CAT40 ER40 4 дюйма (1601-0040)
BT40 ER40 4 дюйма (1608-0040)
BT40 ER16 4 дюйма (1608-0016)
Вариант
CAT40 ER16 2,76 «(1601-0005) — $ 79,00CAT40 ER16 4» (1601-0010) — $ 79,00CAT40 ER20 2,76 «(1601-0025) — $ 79,00CAT40 ER20 4» (1601-0030) -$ 79.
00CAT40CAT40 ER20 4 «(1601-0030) -, ER32 2,76 дюйма (1601-0015) — 79,00 долл. США CAT40 ER32 4 дюйма (1601-0020) — 79,00 долл. США CAT40 ER40 2,76 дюйма (1601-0035) — 83,00 долл. США CAT40 ER40 4 дюйма (1601-0040) — 83,00 долл. США BT40 ER160 4-дюймовый 0040) — 83,00 долл. США BT40 ER16 4 дюйма (1608-0016) — 83,00 долл. США
Поделитесь этим продуктом
Способы оплаты
American ExpressApple PayDiners ClubDiscoverGoogle PayMastercardPayPalShop PayVisa
Ваша платежная информация надежно обрабатывается. Мы не храним данные кредитной карты и не имеем доступа к информации о вашей кредитной карте. Безопасность
Цанговые патроны CAT40 с V-образным фланцем
- Для цанг ER16, ER32, ER20 и ER40.
- Изготовлен из легированной кованой стали, закален до HRC 52-56.
- об/мин: 8000
- Резьба дышла:
- CAT40: 5/8-11″
- BT40: M16x2
| Товар | Конус | Размер цанги | Длина выступа | Диапазон |
| 1601-0005 | КАТ40 | ER-16 | 2,76 дюйма | 1/8″-7/16″ |
| 1601-0010 | КАТ40 | ER-16 | 4 дюйма | 1/8″-7/16″ |
| 1601-0025 | КАТ40 | ER-20 | 2,76 дюйма | 1/8″-1/2″ |
| 1601-0030 | КАТ40 | ER-20 | 4 дюйма | 1/8″-1/2″ |
| 1601-0015 | КАТ40 | ER-32 | 2,76 дюйма | 1/8″-3/4″ |
| 1601-0020 | КАТ40 | ER-32 | 4 дюйма | 1/8″-3/4″ |
| 1601-0035 | КАТ40 | ER-40 | 2,76 дюйма | 1/8″-1″ |
| 1601-0040 | КАТ40 | ER-40 | 4 дюйма | 1/8″-1″ |
| 1608-0016 | БТ40 | ER-16 | 4 дюйма | 1/32″-3/8″ |
| 1608-0040 | БТ40 | ER-40 | 4 дюйма | 1/8″-1″ |
| Эксцентриковая конструкция, ISO 15488:2003(E) | Сборка | Осмотр | Демонтаж |
Внутренняя часть гайки цангового патрона ER специально сконструирована со смещением по центру, чтобы упростить монтаж цангового патрона ER. Он соответствует требованиям, перечисленным в ISO 15488:2003(E). Если она выполнена симметричной, то цанга ER с диаметром больше внутреннего размера цанговой гайки не может быть установлена. | Вставьте цангу ER в гайку под углом. Зафиксируйте его на эксцентриковом пазу цанговой гайки и вставьте его внутрь. (Вставьте фрезу сразу после ступени, прежде чем подсоединять ее к держателю/патрону/оправке.) | Проверьте число оборотов цангового патрона ER, гайки цангового патрона ER, держателя/патрона/оправки цангового патрона ER и т. д. | Выньте насадку, нажимайте на конец цангового патрона ER, пока цанга не выйдет из положения. Вытолкните его из гайки. (после вынимания гайки из держателя.) |
У нас есть 30-дневная политика возврата, что означает, что у вас есть 30 дней после получения товара, чтобы запросить возврат.
Чтобы иметь право на возврат, ваш товар должен быть в том же состоянии, в котором вы его получили, неношеным или неиспользованным, с бирками и в оригинальной упаковке.
Вам также понадобится чек или подтверждение покупки.
Чтобы начать возврат, вы можете связаться с нами по адресу [email protected]. Если ваш возврат будет принят, мы вышлем вам этикетку для обратной отправки, а также инструкции о том, как и куда отправить вашу посылку. Товары, отправленные обратно к нам без предварительного запроса на возврат, не будут приняты.
Вы всегда можете связаться с нами по любому вопросу возврата по адресу [email protected].
Повреждения и проблемы
Пожалуйста, проверьте свой заказ при получении и немедленно свяжитесь с нами, если товар неисправен, поврежден или если вы получили не тот товар, чтобы мы могли оценить проблему и исправить ее.
Исключения/предметы, не подлежащие возврату
Определенные типы товаров не подлежат возврату, например товары, изготовленные по индивидуальному заказу (например, специальные заказы или персонализированные товары), а также товары личной гигиены (например, косметика).

Цанговые патроны повышают качество и точность обработки металла, особенно при манипуляциях с мелкими деталями, когда необходимо строго выдержать параметры изделия;
Стальная цанга имеет три продольных разреза, которые образуют лепестки со сходящимися концами. Подобная конструкция обладает хорошей пружинящей способностью, что позволяет легко устанавливать и плотно фиксировать деталь подходящего размера внутри патрона. При выполнении операции подающая труба с навинченной цангой приходит в движение, еще сильнее сдвигая лепестки;