Электрическая схема инвертора: Схема сварочного инвертора – принципиальная схема инверторной сварки
Содержание
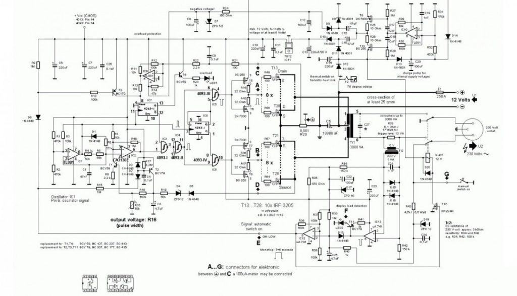
Принципиальная электрическая схема сварочного инвертора
индустрия »
Электротехника »
Сварочные аппараты »
Сварочный инвертор
Бытовые сварочные устройства все больше представлены на прилавках магазинов. Поскольку схема сварочного инвертора основана на использовании токов
высокой частоты, то габариты и вес устройства выгодно отличается от прочих выпрямителей, преобразователей и сварочных трансформаторов для переменного тока сварки. Отсюда и возникает высокий спрос на них. Поскольку электросхема сварочного инвертора, основанная на электронном принципе с использованием импульсного резонанса в работе, достаточно сложная, то и цена на инверторы значительно выше других сварочных агрегатов. Тем не менее, высокая цена компенсируется многими преимуществами.
Структурная схема сварочного инвертора упрощенно показана на Рис. 1
Схема состоит из 3 блоков.
- На входе стоит выпрямитель (входной) с емкостью подключенной параллельно. Конденсатор является накопителем, позволяющим поднять напряжение постоянного тока до 300в. Входной выпрямитель работает без трансформатора.
- Модуль инвертора производит преобразование постоянного тока в высокочастотный, переменный. Частота преобразованного тока измеряется в десятках килогерц. Понижение напряжения происходит в высокочастотном импульсном трансформаторе в составе инверторного блока. Модуль инвертора выполняется с использованием в схеме активных элементов. Схемотехническое исполнение блока инвертора подразумевает два варианта работы. Принципиальная электрическая схема сварочного инвертора может быть основана на использовании однотактных импульсов, другой вырабатывает двухтактные. Разница состоит в полярности импульсов. Двухтактные импульсы двухполярны, а однотактные являются однополярными. Но в обоих случаях транзисторы всегда работают в режиме ключей с возможностью регулировки времени включения.
Такой режим позволяет регулировать ток нагрузки. - Выходной выпрямительный блок преобразует переменный ток после инвертора в постоянный ток сварки.
Различные решения модульного блока в принципиальной схеме сварочного инвертора можно рассмотреть на представленных схемах.
Схема двухтактного инверторного модуля (сварочный инвертор мостовая схема). Рис. 2-1
В мостовом типе двухполярные импульсы образуются за счет парной работы ключевых транзисторов (VT1-VT3; VT2-VT4)/ Через них проходит только половина тока от моста, естественно, что напряжение на каждом будет составлять половину от емкости «С».
Схема двухтактного инверторного модуля (полумостовая схема). Рис. 2-2.
У полумостового модуля благодаря емкостному делителю напряжение на транзисторах (на каждом из них) и в первичной обмотке (у трансформатора) будет составлять половину от входного значения. Таким образом, при питании от входного выпрямителя напряжение составит 150в. В этой схеме при больших сварочных токах должны быть использованы мощные транзисторы (возможно использование групп).
Потребление тока сети повышено в сравнении с полным мостом.
Схема однотактного инверторного модуля (косой полумост). Рис. 2-3.
У однотактовой схемы «косого моста» ключевые транзисторы VT1-VT2 работают одновременно на отпирание и запирание. Напряжение в транзисторах (в запертом случае) не достигает половины входного. Энергия при закрытии транзисторов поглощается входным конденсатором «С» через диоды (VD1-VD2 на схеме). Недостатком «косого полумоста» является подмагничивание стержня трансформатора за счет составляющей константы выходного тока.
Схема импульсного сварочного инвертора может содержать все три рассмотренных варианта модуля.
Сварочный аппарат инвертор — схема которого изображена на Рис. 1 представляет собой настолько компактную конструкцию, что вес готового инвертора в корпусе составит 5-12 кг вместе с приборами контроля, в зависимости от его мощности.
Схема сварочного инвертора: принципиальная электрическая схема аппарата
Схема сварочного трансформатора и схема сварочного инвертора значительно отличаются друг от друга.
Во втором случае базу ранних агрегатов, чтобы провести сварочные работы, составляют трансформаторы с понижающим типом, что придает им габаритность и тяжесть.
На сегодняшний день современное оборудование, за счет частой эксплуатации во время производства, стало легким, компактным, с широким спектром возможностей и особенностей.
Главный элемент в электросхеме сварочных инверторов заключается в импульсивном преобразователе, благодаря которому вырабатывается высокочастотный ток.
Классификация инверторов
Каждый отдельный тип сварочных работ подразумевает использование определенного инверторного оборудования, которое необходимо ещё правильно выбрать. У каждой модели есть схема сварочного инвертора с особенностями, отличной характеристикой от других агрегатов и спектром возможностей.
Оборудования от современных производителей одинаково используются предприятиями в производственной сфере, а также любителями бытовой эксплуатации.
Изготовители регулярно изменяют принципиальные электрические схемы сварочных инверторов для того чтобы усовершенствовать их, наделить новым функционалом и повысить качество их технических характеристик.
Инверторное оборудование является основным устройством, при помощи которого выполняют такие технологические операции:
- электродуговая сварка с использованием плавящего либо неплавящегося электрода;
- плазменная резка;
- работы со сваркой по технологии полуавтоматики либо автоматики.
Помимо перечисленного, инверторное оборудование также считается самым эффективным способом, чтобы сварить алюминиевые детали, элементы из нержавеющей стали и иных материалов со сложной свариваемостью.
Несмотря на индивидуальные особенности каждой модели и каждой электросхемы, в результате инвертор для сваривания делает шов качественным, надежным и аккуратным, вне зависимости от использованного вида технологий.
Стоит также отметить, что он отличается компактностью, легким весом, благодаря чему его можно использовать при любых условиях, отнести в любое место, где проводится сварочный процесс.
Схема инвертора
Электросхема сварочного инвертора состоит из транзисторов, мощных, берущих на себя большую часть работы.
Частота тока в сети составляет всего 50 Гц, транзисторы же переключаются с высокой частотой, поэтому необходимо обеспечить их подачей постоянного напряжения. Вот тут и вступает в работу выпрямитель, как раз занимающийся тем, чтобы поступающий ток имел постоянные параметры.
Достигается этот эффект диодным мостом и фильтрующими конденсаторами. Диодный мост очень мощный, поэтому есть необходимость ставить его в паре с охлаждающим радиатором. На нем, в свою очередь, установлен предохранитель от перегревания, который при достижении критических температур размыкается. Необходим он для того, чтобы избежать поломки прибора от перегрева. Таким образом, на первом этапе мы получаем на выходе с выпрямителя постоянный ток, имеющий значение более 220V.
Важным элементом схемы является фильтр электромагнитной совместимости, ставится он перед выпрямителем и защищает сеть от высокочастотных помех, появляющихся из-за работы инвертора.
Сам инвертор состоит из двух транзисторов на радиаторах для контроля тепла.
Для понижения же напряжения схема простого сварочного инвертора успешно работает с трансформатором высокой частоты. Далее транзисторы коммутируют постоянное напряжение через обмотку трансформатора, величины достигают примерно 340V.
Если совсем по-простому, то роль трансформатора в том, что первичная обмотка выдает большое напряжение и маленький ток, а с вторичной обмотки уходит меньшее напряжение, но максимальный ток, показатели могут быть около 120 ампер.
Выходной выпрямитель – это диоды с высокими показателями быстродействия, сдвоенные, с общим катодом. Электросхема инверторного сварочного аппарата нуждается в именно быстродействующих диодах, суть их работы в том, что они очень шустро открываются и закрываются, нужно это для того, чтобы защитить сами диоды и весь прибор от перегревания и выхода из строя.
Когда инвертор включается, начинают заряжаться конденсаторы, поскольку в этот момент зарядный ток очень велик, настолько, что может вывести из строя диодные мосты, то применяется схема ограничения заряда, еще она называется «мягкий пуск».
Работа его основывается на резисторе, имеющем высокое сопротивление, как раз он и принимает на себя основной удар и отвечает за ограничение тока в схеме.
Схема инвертора для сварки
Электрическая схема сварочного инвертора
Схема инверторного сварочного агрегата имеет особенную характеристику и функционал, в который входят следующие составляющие:
- Орган управления и индикации.
- Система, отвечающая за работу термической защитной функции и управлением охлаждающим вентилятором. Сюда также относят вентилятор самого инверторного аппарата и датчик с температурными показателями.
- Электрические принципиальные схемы подразумевают под собой наличие ШИМ-контроллера, состоящий из трансформатора с током, датчика с током нагрузки.
- Система питания на детали слаботочного участка электросхемы аппаратного инвертора для сварки.
- В преобразователе схемы может устанавливаться механизм, благодаря которому в силовую систему аппарата поступает электропитание.
Сюда относится емкостный фильтр, выпрямитель, а также нелинейная зарядная цепь. - Силовая часть с однотактным конвертором. В неё также входят: силовой трансформатор, выпрямитель вторичного типа и дроссель для выхода тока.
В каждом описании принципиальной схемы сварочного инвертора должна быть краткая характеристика всех составляющих элементов.
Элементы электрической схемы сварочных инверторов
Принципиальная электрическая схема инверторного сварочного аппарата предусматривает сочетание нескольких элементов, которые связаны между собой. Основными можно назвать:
- Блок, отвечающий за подачу энергии к силовой части. Этот элемент представлен сочетанием нескольких устройств, которые способны изменять параметры тока до требуемых значений. Как правило, включается емкостный фильтр и выпрямитель.
- В устройство входит силовой трансформатор. Также в блок питания сварочного инвертора входит транзистор 4n90.
- Отдельный элемент отвечает за питание слаботочной части конструкции.

- Для контроля основных параметров устанавливается ШИМ контроллер. Он представлен сочетанием датчика тока нагрузки и трансформатора.
- Отдельный блок отвечает за защиту конструкции от воздействия тепла. При прохождении электрического тока некоторые элементы могут серьезно нагреваться. Поэтому дополнительно устанавливается охлаждающий модуль, представленный вентилятором и датчиком температуры.
- Блоки управления, которые позволяют устанавливать основные параметры, а также элементы индикации.
Пример принципиальной схемы для тока 250А
Оборудование диодного моста для сварочного аппарата производится и устанавливается с учетом мощности устройства и некоторых других моментов. Каждый аппарат имеет свои особенности, которые рассмотрим далее подробно.
Принцип работы схемы аппарата для сварки
Основной целью инверторного сварочного агрегата является создание тока с высокой мощностью, который формируется в электрическую дугу. Та, в свою очередь, плавит кромки свариваемых элементов и присадочный материал.
Все это происходит на большом диапазоне особенностей конструкции. Стоит также отметить и то, что схема сварочного аппарата помогает в ИПС ремонте любого устройства.
Схема инвертора для сварочных работ.
Примерно механизм действия электронной схемы выглядит следующим образом:
- Ток с переменной частотой в 50 гц через обычную электрическую сеть попадает в выпрямитель, в котором преобразовывается ток в постоянный.
- Затем ток происходит обработку для сглаживания за счет использования специализированной системы.
- После фильтра ток оказывается в самом инверторе, который, в свою очередь, должен переформировать его обратно в переменный, однако прибавляя к нему высокую частоту.
- Затем, применяя трансформатор, снижается напряжение в переменном токе с высокими частотами, благодаря чему усиливается его действие.
Чтобы более детально разобраться во всех нюансах принципиальной схемы сварочного инвертора, необходимо изучить все элементы по отдельности с их механизмом действия.
Принципиальная схема аппаратов инверторного типа
Для того чтобы понимать суть работы современного сварочного агрегата, необходимо знать из каких блоков состоит принципиальная схема сварочного инвертора, который обеспечивает энергией дугу короткого замыкания при сварочном процессе. Эти аппараты могут питаться как от трёхфазной сети 380В, так и от однофазного напряжения 220 В. Причём колебания питающего напряжения могут достигать значительных величин, что не сказывается на работоспособности агрегатов. Это позволяет работать в нестабильных сетях загородного электроснабжения, которое довольно часто присутствует в дачных поселениях.
Переменное напряжение частотой 50 Гц поступает на вход аппарата, где выпрямляется и преобразуется в высокочастотные колебания до 70−85 кГц. Это даёт возможность за счёт высококачественной элементной базы и компактных трансформаторов получать на выходе импульсный и постоянный сварочный ток. Такая схема сварочного аппарата состоит из следующих элементов:
- низкочастотный понижающий выпрямительный блок с конденсаторным фильтром;
- регулируемый инвертор, преобразующий постоянный ток в высокочастотный переменный;
- трансформатор высокой частоты, выдающий на выходе высокочастотный или постоянный сварочный ток большой мощности;
- сдвигающий фазу дроссель, стабилизирующий характеристики выходного напряжения;
- схема обратной связи, управляющая выходными параметрами и блок управления, который меняет параметры тока и напряжения сварки.

Крайне важно подбирать полупроводниковую базу от надёжных, проверенных производителей, которые обеспечивают высокие параметры при сварочных процессах и обеспечивают долговечную службу.
Мощные выходные транзисторы и диоды должны обладать эффективными теплоотводящими радиаторами, которые охлаждаются принудительной вентиляцией, интенсивность действия которой должна зависеть от сварочной нагрузки. Только в этом случае удастся избежать неисправности силового блока инверторного аппарата. Также безупречная работа обеспечивается путём соблюдения правил безопасной работы и своевременного обслуживания отдельных агрегатов и узлов. Важное место занимает регулярная очистка от пыли охлаждающих радиаторов силовых, полупроводниковых элементов.
Достоинства и недостатки сварочных аппаратов инверторного типа
Инверторный сварочный аппарат, как и любая другая техника, имеет свои достоинства и недостатки.
Схема сварочного аппарата инверторного типа.
К основным преимуществам этого оборудования, которое так умело заменило обычный трансформатор, можно отнести:
- За счет нового подхода к производству конструкций инверторного типа для сваривания металлов, а также новому контролю за током большинство моделей весит от 5 до 12 килограмм, в отличие от трансформаторов, которые имеют вес в 18-35 килограмм.

- У данных устройств есть достаточно высокий показатель КПД. Это происходит благодаря тому, что аппарат потребляет минимальное количество энергии для нагрева всех систем и механизмов. К примеру, трансформатор для сварки быстро нагревается, что приводит к перегреву и выходу из строя оборудования.
- В некоторых электросхемах трансформатора, также как и в инверторах, сварка может проходить при помощи электродов вне зависимости от его вида.
- Рассматриваемые устройства, за счет повышенного показателя КПД, тратят электроэнергию вдвое меньше, нежели простой трансформатор для сваривания.
- Многие современные оборудования имеют в своей структуре опции, благодаря которым минимизируется процесс совершения ошибок мастера во время технологических работ. К таким опциям можно отнести антизалипание и быстрый розжиг дуги.
- В некоторых устройствах встроена функция программирования, благодаря которой мастер с точностью и максимальной оперативностью регулирует режим работы во время сварочного процесса конкретного вида.

- Наличие высокое универсальности данных конструкций обуславливается регулированием всех систем, используя ток в широком диапазоне. Это дает возможность применять оборудование, что сваривает разнометалловые детали и выполняет процедуру с любой технологией.
У схем инверторных сварочных аппаратов также имеются и недостатки.
Они заключаются в следующих аспектах:
- Инверторные оборудования сваривания на рынке стоят достаточно дорого, до 50% больше, чем цена классических трансформаторов для сварочных работ.
- Принципиальная электрическая схема инверторного сварочного аппарата подразумевает, что чаще всего будет ломаться такой механизм, как транзистор. Он является достаточно уязвимой деталью, что влечет за собой ремонт стоимостью до 60% от стоимости всего оборудования. Из этого можно сделать вывод, что ремонт сам по себе – дорогое удовольствие.
- Поскольку принципиальные электросхемы у инверторов, чтобы сваривать материал, являются достаточно сложными, специалисты не советуют их эксплуатировать во время плохой погоды, либо на морозе, чтобы не вывести из строя механизмы и сохранить аппарат на долгий период.
Для сварочных работ в поле либо других открытых пространствах необходимо организовать и соорудить специальное закрытое место с отоплением, где можно будет воспользоваться данным агрегатом для сваривания.
Достоинства и недостатки оборудования
Устройства на основе электрической схемы инверторного сварочного аппарата имеют следующие положительные характеристики:
- Компактные размеры готового аппарата. Устройства весят не более 12 кг, что облегчает сварку сложных конструкций и работу в труднодоступных местах.
- Высокий коэффициент полезного действия, что объясняется сниженным потреблением энергии, необходимой для нагрева механизмов. Устройства старого образца быстро выходят из строя по причине постоянного повышения температуры трансформатора.
- Наличие дополнительных функций, исключающих возникновение ошибок при сварке. К ним относят защиту от залипания, автоматический розжиг дуги.
- Наличие возможности программирования некоторых инверторов. Эта функция позволяет сварщику быстро настраивать оборудование на нужный режим, соответствующий виду свариваемых материалов.

- Универсальность. Регулировка тока в широком диапазоне позволяет использовать инверторы для сварки элементов из различных металлов по любой технологии.
Рекомендуем к прочтению Схема подключения сварочного инвертора своими руками
Инверторные приборы имеют и недостатки:
- Высокая стоимость агрегатов. Самостоятельное изготовление помогает удешевить устройство.
- Выход из строя транзисторов при сборке сварочного инвертора своими руками. Особенно часто такое наблюдается при использовании доступных деталей китайского производства.
- Затраты на обслуживание и ремонт оборудования.
- Особенности электрических схем, не позволяющие применять аппарат в сложных условиях, например в морозную или ветреную погоду. Для работы на улице требуется организация закрытого отапливаемого рабочего места.
Итог
Для некоторых специалистов схема сварки представляет собой дополнительную подсказку при сборке агрегатов для сваривания металлов, что позволяет быстро выполнить нужную работу.
Достаточно важно обладать базовыми познаниями в сфере электротехники.
Доступность схем сварочных инверторов обуславливается их принципиальностью, иными словами любому мастеру для сборки понадобиться либо инструкция, либо чертежи. Стоит обратить внимание, что в принципиальных электрических схемах делается акцент на достижение стабильности высокого уровня у сварочной дуги.
Конструкция сварочного инвертора
Строение самодельного сварочного инвертора, определяющее функциональность и технические данные, включает следующие компоненты:
- Блок питания, подающий ток к силовой части прибора. Элемент состоит из фильтра, преобразователя и зарядной цепи нелинейного типа.
- Силовая установка. Собирается на основе конвертера. В эту часть цепи также внедряют силовой трансформатор, выпрямитель, дроссель.
- Блок, питающий компоненты слаботочной системы инвертора.
- ШИМ-контроллер. В состав этого узла входит датчик нагрузочного тока.
- Блок, необходимый для защиты от перегрева.
Данная часть электрической схемы управляет вентиляторами охлаждения. В нее входят термодатчики, быстро реагирующие на изменение параметра. - Индикационные и управляющие элементы.
Рекомендуем к прочтению Как выбрать электроды для инвертора
Схема инвертора
: полное руководство
Знания
Знайте все о принципиальной схеме инвертора
Что такое инвертор?
Инвертор представляет собой электронное устройство, используемое для преобразования постоянного тока (DC) в переменный ток (AC). Переменный ток — это ток, который последовательно изменяет свою величину во времени. Этот ток течет только в одном направлении. Постоянный ток также представляет собой однонаправленный ток, который обычно течет по проводнику, но иногда он также может течь по изоляторам.
Эти инверторы используются для работы, противоположной преобразователям .
Он не производит мощность, но источник постоянного тока также производит ее. Обычно инвертор представляет собой электронное устройство, но иногда он может состоять из механических компонентов. Они обычно используются в приложениях, где присутствуют напряжения и большие токи. КПД инвертора мощности более 95%. Инверторы мощности также используются для управления скоростью и крутящим моментом в электронных двигателях.
Как работает инвертор?
Инвертор предназначен для подачи напряжения 220 В переменного тока или 110 В переменного тока на подключенное к нему устройство в выходной розетке в качестве нагрузки. Когда основной источник переменного тока открыт, датчики инвертора учитывают это и передают этот переменный ток в секцию реле и зарядки аккумулятора. От реле переменный ток будет поступать на нагрузку, которая управляется линейным напряжением. Это линейное напряжение также подается на участок зарядки аккумулятора, преобразуя его в постоянный ток.
Универсальное программное обеспечение для построения диаграмм
Создавайте более 280 типов диаграмм без особых усилий
Легко начинайте строить диаграммы с помощью различных шаблонов и символов
- Превосходная совместимость файлов: Импорт и экспорт чертежей в файлы различных форматов, например Visio
- Кроссплатформенная поддержка (Windows, Mac, Linux, Интернет)
ПОПРОБУЙТЕ БЕСПЛАТНО
Безопасность подтверждена | Переключиться на Mac >>
ПОПРОБУЙТЕ БЕСПЛАТНО
Безопасность подтверждена | Перейти на Linux >>
ПОПРОБУЙТЕ БЕСПЛАТНО
Безопасность подтверждена | Переключиться на Windows >>
Типы и классификация инверторов
Ниже приведены основные типы инверторов, которые вы должны знать.
Синусоидальные инверторы
Это базовые типы инверторов без дополнительных функций. Они используются в типичных бытовых приборах, таких как кондиционеры, холодильники, стиральные машины, компьютеры, телевизоры и т. д.
Модифицированный инвертор синусоиды
Это инверторы, которые дешевле инвертора, как упоминалось выше. Они используются в устройствах с низким энергопотреблением, таких как вентиляторы, лампочки, микроволновые печи и т. д. Они преобразуют 12-вольтовые батареи и заряжают их с помощью генераторов на солнечных батареях.
Солнечные инверторы
Это инверторы с более продвинутыми функциями, и вместо традиционной энергии они используют солнечную энергию для преобразования постоянного тока в переменный.
Электрические характеристики инвертора
Инвертор внутри состоит из переключателей, трансформатора, батареи, МОП-транзистора и усилителя. Постоянный ток, хранящийся в батарее, преобразуется в переменный ток.
Выключатели играют важную роль в этом процессе, поскольку они постоянно включаются и выключаются. МОП-транзистор, трансформатор, также последовательно включает и выключает постоянное напряжение, создавая противоположное напряжение, переменное напряжение.
Как сделать схему инвертора?
Прежде чем перейти к принципиальной схеме инвертора, необходимо знать логический символ инвертора мощности. В области электроники или логического проектирования инвертор также известен как вентиль НЕ , который не выполняет ничего, кроме логического отрицания. Более подробно, инвертор или вентиль НЕ превращает высокий уровень в низкий, а низкий в высокий.
Инвертор является важной темой в мире электроники и логического проектирования, поскольку конечные автоматы, декодеры, мультиплексоры и т. д. используют его для своей работы. В той же теме, если у вас нет инвертора, который НЕ является вентилем, вы можете сделать его с комбинацией вентилей И-НЕ и НЕ-ИЛИ.
Логический символ инвертора показан ниже.
Шаги по созданию электрической схемы инвертора
В этом разделе будет рассказано о том, как сделать схему простого 100-ваттного инвертора. В домашних или промышленных сценариях вы обычно покупаете его на рынке, но когда вам нужно сделать его своими руками для целей проекта, вы можете точно выполнить эти шаги.
Вещи, необходимые для строительства
Для изготовления инвертора вам понадобятся следующие вещи.
- 12В Аккумулятор-1
- Конденсатор — 0,1 мкФ
- Конденсатор — 0,01 мкФ — 1
- Резистор – 390кОм – 1
- Резистор – 1кОм – 2
- Резистор – 220 Ом – 2 шт.
- Резистор – 330 Ом – 1 шт.
- Переключатель – 1
- ИС – CD4047 – 1
- МОП-транзистор IRF540-2
- ИС – CD4047 – 1
Лучший способ разработать принципиальную схему инвертора — использовать компьютерное программное обеспечение, доступное в Интернете.
Программное обеспечение, такое как EdrawMax , имеет все функции для создания идеальной принципиальной схемы. Вы также можете использовать любую программу для создания диаграмм.
- Чтобы создать целую схему с нуля, вам нужно обратиться к разделу программного обеспечения по электротехнике или электрическому проектированию.
- Второй шаг — получить все символы, необходимые инвертору. Перетащите все компоненты, упомянутые выше, в свой рабочий проект из доступных символов. Если вы не знаете их символов, не волнуйтесь. Просто введите название символа в строке поиска, и вы получите его.
- Получите провод, также известный как символы разъема, из доступного варианта.
- Теперь соедините все эти символы с помощью перетаскивания в соответствии с принципиальной схемой, показанной ниже, или вы также используете теории, которые у вас есть.
- В текстовой функции программного обеспечения напишите все значения компонентов и краткие имена.

- Теперь ваш проект готов к загрузке. Используйте программное обеспечение и загрузите его.
Важность использования инвертора
Инвертор играет жизненно важную роль в нашей повседневной жизни. Оборудование, использующее инвертор, экономит затраты на электроэнергию до 50%. Эти типы оборудования производят меньше шума, чем оборудование без инверторов. Кроме того, они более устойчивы во время работы.
Инверторы могут легко управлять изменением температуры устройств. Они могут легко рассчитать напряжение, ток и затем работать в соответствии с этим.
Используйте EdrawMax для создания принципиальных схем
Вы можете использовать EdrawMax для создания принципиальной схемы инвертора. EdrawMax — это надежное и простое в использовании программное обеспечение, которое делает вашу диаграмму более совершенной. Это программное обеспечение используется для создания диаграмм. Он содержит все необходимые функции и библиотеки, которых вам будет достаточно при создании диаграмм.
Программное обеспечение можно использовать бесплатно для создания основных диаграмм, но вы должны выбрать вариант с ценой, чтобы использовать более продвинутые функции. Программное обеспечение позволяет импортировать ваши шаблоны или использовать предварительно созданные шаблоны. Кроме того, это программное обеспечение также позволяет загружать ваш проект в нескольких форматах.
Связанные статьи
Схема подключения прицепа: полное руководство
Схема подключения сабвуфера: полное руководство
Полная схема сумматора: полное руководство
Схема подключения выключателя света: полное руководство
Схема подключения USB: полное руководство
Как сделать простую схему инвертора за 5 минут
Представьте себе Через несколько минут вы знаете, что электричество отключится.
У тебя нет свечей. У вас есть только фонарик от вашего мобильного телефона. Но вам нужно сохранить батарею вашего мобильного телефона. Для экстренного использования. Как вы будете делать?
В вашем магазине есть светодиодная лампочка 5 Вт 220В и аккумулятор 12В.
ฺНо невозможно сделать светодиодную лампочку яркой только от батареи 12В.
Им нужна помощь, чтобы зарядить батарею достаточно высоко для этой лампочки. Это называется инверторной схемой.
Они могут преобразовать батарею 12 В постоянного тока в 220 В переменного тока/120 В переменного тока, чтобы использовать небольшую лампочку или лампу мощностью до 10 Вт.
Вот как сделать схему инвертора за 5 минут. В 2 простых схема инвертора ниже. Просто используя 2 транзистора, 2 резистора и только один трансформатор. Это легко?
Они включают 2 идеи схемы
- Схема микроинвертора с использованием TIP41 или 2N6121
- Схема простого инвертора с использованием MJ2955 (транзисторы PNP)
Микро-инверторная схема с использованием TIP41 или 2N6121
Как работает
Как сделать инвертор
Тестирование/Приложение
Другие выборы
Список
Super Simple Current Diagram с использованием MJ2955
Super Simple Current Diagram с использованием MJ2955
Super Supper Supple Inverter Like с использованием MJ2955
эта схема
Related Posts
Схема микроинвертора с использованием TIP41 или 2N6121
Если у вас есть 2 силовых транзистора NPN, TIP41 и транзистор мятного размера, 0,5 А.
Эта схема может быть отличным выбором.
Может преобразовывать аккумулятор 12 В в переменный ток в диапазоне от 180 В до 220 В. На выходных частотах от 30 Гц до 65 Гц.
Вы можете использовать его для обычных приборов мощностью менее 10 Вт. Например, маленькие люминесцентные лампочки, светодиодные лампы, таймеры и т. д.
Светодиодная лампочка экономит больше энергии, чем люминесцентная лампочка, при той же легкости.
Вам может понравиться эта схема. Потому что, собирая схему, вы просто соединяете части вместе только ножкой к ножке.
Завершение этой цепи может занять около 5 минут.
Примечание: Пожалуйста, прочтите раздел «Тестирование/применение» ниже для реального применения.
Описание схемы
Общая схема инвертора использует генератор для управления трансформатором с силовым транзистором.
Использование двойных транзисторов обеспечивает двухтактное переключение для попеременного включения и выключения.
Оба транзистора должны иметь одинаковый коэффициент усиления. Но не нужно же.
Как это работает
Посмотрите на блок-схему ниже.
При вводе питания (DC12V) в цепь. Один из транзисторов будет насыщаться (замкнутая цепь) быстрее, чем другой.
Предположим, Q1 первым замкнул цепь. Итак, ток коллектора Q1 создает магнитное поле в катушке L2. Затем он получает большее базовое напряжение через R1. Итак, Q1 быстро переходит в состояние замкнутой цепи. Кроме того, это делает Q2 быстро разомкнутой цепью.
Такое состояние сохраняется до тех пор, пока сердечник трансформатора не достигнет точки насыщения. Таким образом, ток, протекающий через R1, уменьшается до тех пор, пока Q1 не перейдет в состояние замкнутой цепи. Q1 — разомкнутая цепь.
Наоборот, пока Q1 медленно переходит из состояния замкнутой цепи в состояние разомкнутой цепи. Q2 начнет проводить больше токов. Ток будет течь через R2, чтобы увеличить ток смещения до Q2. Это делает Q2 быстрым в замкнутом цикле.
Теперь ток батареи будет течь к катушке L1 в обратном направлении. Это приводит к тому, что индукция напряжения имеет противоположную полярность во вторичной обмотке трансформатора.
Q2 по-прежнему будет проводить ток, пока сердечник трансформатора не достигнет насыщения.
После этого процесс замкнуто-разомкнутой цепи между Q1 и Q2 снова будет таким же. Пока в цепь подается 12 В постоянного тока
Схема микроинвертора
Посмотрите на полную схему выше. Конструктор поместил несколько компонентов:
- Конденсатор C1 через первичный трансформатор, чтобы сделать выходное переменное напряжение сглаженным или с низким уровнем шума.
- Предохранитель F1 для защиты выхода и цепи при перегрузке.
- LED1 показывает, что цепь работает. Используйте резистор серии R3 для ограничения тока до безопасного значения.
Как сделать инвертор
Для проекта используйте несколько компонентов.
Таким образом, мы можем использовать приведенную ниже схему подключения без разводки печатной платы. Я предлагаю некоторые методы изготовления, как показано ниже.
Схема подключения этого проекта
Правильный способ монтажа транзистора
Посмотрите на рис ниже.
Правильный способ установки транзистора в радиатор. Используйте изоляционную вставку из слюды между корпусом и корпусом транзистора. Затем используйте пластиковый изолятор. Затем удерживайте корпус транзистора с помощью шестигранной гайки и металлического винта.
Крепление транзистора на радиаторе
Помните! Не допускайте соприкосновения выводов транзистора с корпусом или короткого замыкания между этими выводами.
Проверить на короткое замыкание!
Мы можем проверить сопротивление, чтобы убедиться в отсутствии короткого замыкания на металлический корпус.
Установите шкалу цифрового мультиметра (DMM) в положение НЕПРЕРЫВНОСТЬ.
Затем коснитесь концами обоих щупов между каждым выводом (B, C и E) транзистора и металлическим корпусом. Следует молчать и читать ПР.
.
Проверка короткого замыкания с помощью мультиметра
Проверка/применение
Проверка выполняется следующим образом:
2А для проверки.
2. Установите циферблат цифрового мультиметра (цифрового мультиметра) в положение ACV, чтобы измерить выходной сигнал (выход).
3. Примените к этому проекту батарею 12 В.
4. Измерьте выходное напряжение. Вы должны прочитать напряжение от 220В до 330В.
После этого попробуйте использовать этот проект схемы инвертора, чтобы загрузить светодиодную лампу мощностью 3 Вт. Из-за низкого энергопотребления.
Эта схема имеет выходную мощность от 5 Вт до 10 Вт.
Как и в видео выше, светодиодная лампа ярко светится 3 часа.
Потому что он использует только 0,5А.
Другие варианты
Так как у меня есть предел компонентов. Сборочные детали
I включают 2 x TIP41 с радиатором, 1K-резисторы на универсальной печатной плате.
Использую трансформатор 0,75А, 9В ТТ 9В.
Но эта схема может обеспечивать другую частоту и выходной сигнал в соответствии со спецификациями устройства. Но это не имеет значения. Потому что мы используем в качестве нагрузки светодиодные лампочки.
Список компонентов
Полупроводники
Q1, Q2: TIP41 или 2N6121, транзисторы NPN 40 Вт 45 В 4 А
Светодиод 1: Красный светодиод или по вашему желанию.
Резисторы (0,5 Вт +/- 5% углерода)
R1, R2: 1K
R3: 4,7K
Конденсаторы
C1: майларовый конденсатор 0,1 мкФ, 630 В перем. — вилка, слюдяной изолятор, светодиод, пластик, батарея 12 В пост. тока, одножильный Провод № 20 AWG, гайка, винт и т. д. ты, я тоже. Мы можем изменить некоторые детали.
Сейчас я сосредоточусь на схемах, использующих необходимое оборудование. И используется только временно.
В случае добавления мощности более 10 Вт. Для этого требуется трансформатор, который обеспечивает ток более 2 А, а изменения R1 и R2 вместо этого составляют 100 Ом 5 Вт.
Эта схема выглядит как показанная выше схема крошечного инвертора.
Но я меняю оба транзистора на 2N3055, а использование R1 и R2 составляет 68 Ом 5 Вт.
Принципиальная схема инвертора мощностью от 15 Вт до 20 Вт с использованием 2N3055
Другие идеи. Я проверяю в своем магазине. Есть много MJ2955. Это совместимая пара 2N3055. Но это силовой транзистор PNP.
Я ими практически не пользовался.
Итак, я установил новую схему инвертора. См. рис. Это так просто. Это два MJ2955, два резистора по 68 Ом и только один трансформатор.
Вот видите, действительно можно!
В данном случае мне не нужна большая мощность и долгое использование.
Потому что я использую мощность 10 Вт только на короткое время (примерно 30 минут).
Затем я ищу все детали в своем магазине. У меня много мощных транзисторов MJ2955.
Таким образом, я выбираю принципиальную схему инвертора, как на рисунке 1. Это так просто. Это два MJ2955, два резистора по 68 Ом и только один трансформатор.
Вот видите, действительно можно!
Схема инвертора MJ2955
В этом случае мне не нужна большая мощность и длительное время использования. Потому что я использую мощность 10 Вт только на короткое время (примерно 30 минут).
Оба транзистора и два резистора установлены в нестабильный режим мультивибратора.
Мой друг, который является гуру в электроэнергетике, рассказал мне. Хотя схема не будет иметь конденсаторов. Но он может генерировать частоту. Вторичный трансформатор работает как нагрузка, которая может преобразовывать электричество в высокое напряжение. Но не уверен, что 50 Гц. Это дает частоту примерно от 30 Гц до 90 Гц.
В зависимости от устройства, например, каждый транзистор имеет различные электрические свойства. Уровень напряжения батареи также влияет на частоту.
Однако, если в нагрузку только светодиодные лампочки. Работает без проблем.
Давайте построим эту схему
Эта схема очень простая и крошечная по размеру. Я собираю их на радиаторе и подключаю все провода, как показано на видео ниже.
Примечание:
Вот правильный способ установки транзистора в радиатор. Помните, проверяйте короткие замыкания, как описано выше.
Тестирование
Как и в видео, в качестве источника я использую аккумулятор 12В размером 2,5Ач. Во-вторых, я измеряю выходное переменное напряжение как 225 вольт. Далее прикладываю к выходу светодиодные лампы. Напряжение ниже 190 вольт и может поддерживать мощность (свет сглаживается).
Применение в этом проекте
Такой режим позволяет регулировать ток нагрузки.
Работа его основывается на резисторе, имеющем высокое сопротивление, как раз он и принимает на себя основной удар и отвечает за ограничение тока в схеме.
Сюда относится емкостный фильтр, выпрямитель, а также нелинейная зарядная цепь.


Для сварочных работ в поле либо других открытых пространствах необходимо организовать и соорудить специальное закрытое место с отоплением, где можно будет воспользоваться данным агрегатом для сваривания.
Данная часть электрической схемы управляет вентиляторами охлаждения. В нее входят термодатчики, быстро реагирующие на изменение параметра.