Инвертор как сделать: Преобразователь напряжения, инвертор 12-220 В своими руками
Содержание
Как сделать инвертор для дачи
Для дачи и даже жилого дома или квартиры можно создать источник резервного электроснабжения своими руками
Об этом мало кто догадывается, но любой блок бесперебойного питания (UPS) достаточно просто изготовить своими руками – причем сделать такое устройство можно любой мощности и при этом обойдется оно вам намного дешевле, чем если приобретать готовое изделие.
Это к тому, что для дачи и даже жилого дома или квартиры можно создать источник резервного электроснабжения, как говорится, малой кровью. Все, что для этого понадобится, это аккумуляторы на 12 или 24 вольта и такое приспособление, как инвертор, в задачи которого входит преобразование низковольтного напряжения в привычный ток 220V.
Именно о нем, а вернее о том, как выбрать инвертор для дачи, и пойдет разговор в данной статье – вместе с сайтом moyadacha.org мы поговорим о его разновидностях, изучим особенности и рассмотрим принцип изготовления резервного источника питания на основе инвертора.
Инвертор для дачи: о важности выходного сигнала
Практически все современные инверторы производятся в двух вариантах исполнения – они могут быть для автомобиля и для дома. Разница между этими устройствами огромная и выражается она в первую очередь в форме выходного сигнала электрического тока. Для специалистов этот момент понятен как нельзя лучше – нормальный ток на осциллографе выглядит в виде синусоидальной волны. Именно к такому току и приспособлено большинство бытовых потребителей и именно такой ток выдает правильный инвертор для дома и дачи – в отличие от него, автомобильный инвертор выдает неправильный ток с модифицированной или ступенчатой синусоидой.
По большому счету, это зло, на которое техника реагирует, мягко говоря, неадекватно, либо вообще не работает. Да, для водителя в дороге это отличное решение, позволяющее от автомобильной проводки вскипятить чай, посмотреть телевизор, побриться и так далее, но для дома лучше выбирать инвертор с чистой синусоидой на выходе.
Стоят они в два, а то и в три раза дороже, чем модифицированные, но зато вы полноценно используете свои бытовые приборы, не переживая об их сохранности. Скажу больше, даже энергосберегающие лампочки при работе от неправильного электрического тока могут издавать непонятные звуки.
О том, как работает и что представляет собой инвертор преобразователь для дачи, смотрите в этом видео.
Как выбрать инвертор для дома и дачи: изучаем характеристики
Самым важным показателем устройств подобного типа (разумеется, после формы выходного сигнала) является его мощность. Скажем просто – если вы приобретете инвертор мощностью в 500Вт, то запитать через него тот же электрочайник, который потребляет от 2кВт и выше, не получится. Как минимум сработает защита, и прибор отключится. Как максимум он сгорит, и именно по этой причине устройства подобного типа снабжают массой всевозможных защит, о которых мы поговорим позже, а пока вернемся к нашей мощности.
На сегодняшний день ее почему-то стали обозначать не стандартными буквами Вт или W, а такой аббревиатурой, как VA– обозначает она вольт-амперную характеристику. По сути, если не учитывать реактивную мощность, которая возникает при работе таких устройств, как электродвигатель, это одно и то же, что и классические Ватты. Если же речь идет о комплексной нагрузке, которая учитывает активную и реактивную потребляемую мощность, то это показатель меньше, чем стандартные Ватты. То есть если речь идет о 1000VA, то при пересчете на W получится, что мощность того же инвертора меньше процентов на 15%. Именно этот момент и забывают указывать производители – его нужно просто учитывать при подборе инвертора для дачи.
Второй момент (а вернее характеристика инвертора), который нужно учитывать при его выборе – это величина входного напряжения. Здесь есть два варианта.
- Инвертор преобразующий 12V в 220V.
- Инвертор преобразующий 24V в 220V.
Здесь все достаточно просто – если речь идет о маломощных источниках автономного или резервного электроснабжения дома, мощность которых не превышает 2-4кВт, то вполне подходят инверторы 15V.
Если же говорить о более серьезных нагрузках, то лучше отдать предпочтение инвертору, рассчитанного на преобразование напряжения с током 24V. Вообще, если потребление энергии из автономного источника превышает 2000Вт, то уже лучше отдавать предпочтение второму варианту. Дело в том, что здесь возникает такой момент, как запас емкости – в аккумуляторах на 24V энергии сохранить можно больше.
Как выбрать инвертор для дачи: защиты и прочие дополнения
Скажем прямо, инвертор – такая штука, что без автоматической защиты и ограничения здесь вообще не обойтись (слишком много факторов его эксплуатации, которые человеку придется контролировать без них). Стандартно такими защитами оборудованы все устройства данного типа, но, как говорится, бывают и исключения. При выборе инвертора нужно обратить внимание на наличие следующих защит.
- От чрезмерной нагрузки – без нее устройство может сгореть. Если, конечно, подключать к нему слишком мощные электроприборы.

- Защита от перегрева. Это стандартная опция, характерная для большинства современных электроприборов.
- Защита от полной разрядки аккумулятора. Автомобилисты знают, чем чревато падение напряжения в аккумуляторе ниже, чем допустимый уровень.
- Защита от перепутывания входных клемм. По незнанию или невнимательности человек может спутать плюс с минусом и без этой защиты могут перегореть некоторые компоненты устройства.
Это что касается защитных механизмов инвертора. Кроме них, отдельно можно упомянуть и о дополнительном оснащении. В частности, следует отметить наличие системы охлаждения, которая представляет собой обычные кулеры – в одних инверторах они включены постоянно (вне зависимости от того, греется устройство или нет), а в других имеется интеллектуальная система их включения. Кулеры запускаются только тогда, когда в их работе действительно есть необходимость – такие инверторы работают тихо, и если их не перегружать, можно сказать, что вообще бесшумно.
Выбор инвертора для дачи: устройство UPS на его основе
В принципе, если кому лень заморачиваться над всеми этими выборами и созданием самой системы, можно приобрести инвертор с функцией блока бесперебойного питания. Штука очень хорошая – по сути, это устройство, как говорится, три в одном. Это и инвертор, и UPS, и зарядное для аккумулятора – все хорошо, но, как правило, их стоимость, особенно если говорить о чистой синусоиде, очень высока. Именно по этой причине большинство людей, имея в своем распоряжении зарядное для автомобильного аккумулятора, предпочитают приобретать просто инвертор. С его помощью создать элементарный источник резервного электроснабжения достаточно просто – кроме инвертора, для него понадобится аккумулятор (лучше несколько и желательно гелевые), ну и зарядное устройство.
- Зарядное подключается к аккумулятору стандартным образом. Ничего особенного здесь нет.
- Инвертор подсоединяется к электрической емкости точно так же, как и зарядное устройство.
По сути, вам нужно соединить параллельно зарядное и аккумулятор (плюс к плюсу, а минус к минусу) и накинуть все это дело к соответствующим клеммам аккумулятора.
Вот и все, устройство готово, и остается изучить вопрос, как оно работает? А работает оно следующим образом. Когда в сети есть ток, работает зарядное устройство и заряжает аккумуляторы – естественно, этот процесс нужно контролировать и вовремя выключать зарядное устройство из сети.
Когда свет пропадает, вы выключаете центральный автоматический выключатель и с помощью переноски (папа\папа), которую придется изготовить самостоятельно, подключаете инвертор в штатную розетку и нажимаете на нем кнопку ВКЛ. И, о чудо, в доме появился свет! Естественно, когда появляется сетевое электричество, вы сначала отключаете инвертор, вынимаете из сети удлинитель, включаете главный рубильник в доме и пользуетесь напряжением из центральной сети. Не забывайте вовремя заряжать аккумуляторы.
В заключение темы про инвертор для дачи остается добавить не так уж и много.
В частности, сказать, на что можно рассчитывать и при каких условиях. Если применять стандартный автомобильный аккумулятор от легкового автомобиля емкостью 60А\ч или около того, то на полной зарядке можно пользоваться освещением, компьютером и смотреть телевизор в течение 4-5 часов. Газовый котел от такого источника энергии в состоянии работать на протяжении шести часов. Сразу же здесь отмечу, что длительность работы автономного источника питания от мощности и типа инвертора не зависит – хотите дольше пользоваться накопленной энергией, нужно увеличивать емкость аккумулятора.
Подключая параллельно друг к другу два или более аккумулятора, запасать энергию можно в большем количестве – естественно, большее количество аккумуляторов придется заряжать дольше. Как вариант, нужно приобрести более мощное зарядное устройство или заменить его солнечными панелями, ветрогенератором. опубликовано econet.ru
P.S. И помните, всего лишь изменяя свое потребление — мы вместе изменяем мир! © econet
Автомобильный инвертор.
Какой выбрать? Как сделать своими руками?
Пользуясь автомобилем , многие из нас хотят видеть в нем не только транспортное средство, но и своеобразный дом на колесах. Ну, а как во всяком полноценном жилище, должный комфорт в нем, нам обеспечивают электроприборы. Для того, чтобы электроприборы были запитаны непосредственно от электрической сети автомобиля требуется множество различных переходников (адаптеров), для каждого из них. Это не всегда удобно и практично, особенно при условии, что большинство наших электрических помощников могут полноценно работать от универсального для них напряжения в 220 вольт. С этим напряжением, необходимо иметь всего лишь одну розетку, в которую и можно вставить вилку нашего электроприбора.
Как получить из постоянных 12 или 24 вольт 220 переменных вольт, вопрос уже решенный. Для этих целей используется инвертор напряжения. В этой статье, мы дадим рекомендации по выбору инвертора в ваш автомобиль, а затем и рассмотрим вариант изготовления инвертора своими руками.
Выбор автомобильного инвертора напряжения
Основным показателем на который стоит обратить внимание при выборе инвертора является его мощность, вернее мощность того электрического прибора, который вы собираетесь эксплуатировать в вашем автомобиле от инвертора. На приборах иногда не указана непосредственно мощность, а указано напряжение и ток. Например 220 вольт 1,7 а (показатели энергопотребления ноутбука). В данном случае мощность рассчитывается по формуле P=U*I , то есть составит 220*1,7 = 374 Ватта. При выборе инвертора, также не стоит забывать о запасе его мощности, которая будет гарантировать надежную, а соответственно долгую его работу. Минимальный запас должен составлять порядка 10%, то есть в итоге, для нашего ноутбука понадобиться инвертор с мощностью порядка 450 Ватт.
Принцип работы автомобильного инвертора
Вначале мы расскажем о принципе работы инвертора, а затем и приведем принципиальную электрическую схему с маркировкой и номиналом примененных в ней радиоэлементов.
Фактически перед инвертором стоит две задачи, это конверсия постоянного тока в переменный и увеличения напряжения с 12 (24) вольт до 220. Первая задача реализуется с помощью мультивибратора, который задает частоту импульсов. Стоит заметить, что частота переменного тока должна составлять 50 Гц, то есть такую же частоту как и в нашей электрической розетке дома. После того как мультивибратор преобразовал напряжение в переменное с определенной частотой, оно увеличивается посредством обычного трансформатора.
Трансформатор работает следующим образом. Фактически трансформатор представляет из себя две обмотки (катушки проволоки), намотанные на одном сердечнике. При подаче напряжения в одну из катушек, вокруг нее образуется магнитное поле, при этом ее магнитное поле, наводит ЭДС, фактически напряжение во вторую катушку. Так, подавая напряжение на одну из катушек, мы получаем напряжение во второй. Соотношение напряжений будет зависеть напрямую от соотношения количество витков в катушках.
То есть например в первичной обмотке имея 100 витков, и напряжение 12 вольт, во вторичной должно быть 220/12*100 = 1833 витка.
Применение мультивибратора и соответствующего трансформатора и будут представлять из себя инвертор напряжения. При выборе радиоэлементов важно обеспечить номинальные рабочие токи не ниже токов потребителя, чтобы радиодетали не вышли из строя.
Автомобильный инвертор с 12 на 220 вольт своими руками
На рис. 1 представлена одна из схем инвертора с 12 на 220 вольт. Схема состоит из трех функциональных узлов:
— задающего мультивибратора на 100 Гц, выполненного на микросхеме;
— двухтактного транзисторного ключевого усилителя мощности, выполненного на транзисторах;
— повышающего трансформатора.
Рис. 1 Принципиальная электрическая схема автомобильного инвертора, 12 вольт на 220 вольт.
Мультивибратор выполнен на микросхеме К561ЛН2. Выдаваемая им частота зависит от номиналов радиодеталей R1 (резистора) и C1 (конденсатора), по схеме настроена на 100 Гц.
На выходе мультивибратора включен инвертор на D1.4, который создает противофазные сигналы, для каждого из транзисторов (VT1 и VT2), затем следует двухтактный усилитель мощности на транзисторах VT3 и VT4. Транзисторы нагружены на низковольтную обмотку повышающего трансформатора T1. Каждая из первичных обмоток пропускает ток с частотой 100 Гц, но так как обмотки две, и работают они в противофазе, то на вторичной обмотке получается частота напряжения 50 Гц. Конденсатор С4 дополнительно сглаживает напряжение, что приближая его к синусоидальному напряжению.
Вместо микpocxeмы K561Лh3 можно использовать любые инверторы из серии К561, например, микросхему К561ЛА7 или К561ЛЕ5. Транзисторы КТ973 можно взять с любым буквенным индексом, транзисторы КТ805 можно заменить на КТ819, тоже с любыми буквенными индексами. Для повышающего трансформатора подойдет любой сетевой трансформатор мощностью порядка 100 Ватт. Первичная обмотка трансформатора должна быть рассчитана на напряжение 220 В, а две вторичных на 10.
..15 В каждая (или одна с отводом посередине на 20…30 В). Обмотки трансформатора включаются наоборот, то есть вторичные на вход, первичная на выход.
Транзисторы VT4 и VT3 должны быть установлены на радиаторы, обеспечивающие надежный отвод тепла. Мощность такого инвертора составит порядка 60 Ватт, что ограничивается током коллектора транзистора КТ805 (5А), то есть 12 вольт *5 = 60 Ватт. Для повышения мощности инвертора, необходимо подобрать более мощный трансформатор и другой транзистор (например КТ819 у которого ток коллектора в два раза больше, то есть мощность инвертора составит 120 Ватт), либо собрать «составной» транзистор из нескольких.
Самый простой вариант «составного» транзистора, это параллельное подключение транзисторов. На картинке приведена схема подключения второго транзистора для увеличения мощности.
Как сделать самодельный инвертор?
Отказ от ответственности: в этом посте есть партнерские ссылки. Я бесплатно получаю комиссионные за покупки, сделанные по ссылкам в этом посте.
Инвертор мощности — это устройство, которое используется для преобразования постоянного тока (постоянного тока) в переменный ток (переменный ток). С этим устройством, установленным в вашем автомобиле, вы сможете использовать все устройства переменного тока в дороге, если возникнет такая необходимость.
Во время дорожных поездок и кемпинга это устройство может пригодиться, чтобы зажечь лампочки переменного тока или кухонное оборудование, используя энергию вашего автомобиля.
В этой статье рассказывается, как сделать самодельный инвертор, потому что это дешевле, чем покупка инвертора в магазине. Однако инвертор мощности зависит от таких факторов, как выходная мощность автомобильного аккумулятора и оборудование, которое будет подключено к выходу инвертора.
Для того, чтобы сделать инвертор своими руками, вам понадобится список предметов, указанных ниже.
Эти элементы легко доступны в местных и интернет-магазинах электроники.
На этой странице:
Шаг первый: подключите провода к центральному ответвлению трансформатора
Шаг второй: подключите конденсаторы, транзисторы и резисторы
Шаг третий: подключите центральный ответвитель
Шаг четвертый: подключите остальные выводы конденсаторов, транзисторов и резисторов
Шаг пятый: подключение остальной части трансформатора
Вывод
Электрический провод — это кабель, используемый для соединения электрических клемм. Его можно купить в Интернете или в любом магазине электротоваров.
2 транзистора с биполярным переходом (PNP) — в этом типе транзисторов используются электронные и дырочные носители заряда. Он доступен как отдельный компонент или как интегральная схема. Они доступны в интернет-магазинах электротоваров.
24-вольтовый трансформатор с отводом от середины — у отвода со средним отводом контакт в трансформаторе находится наполовину. Трансформатор обычно используется для понижения или повышения напряжения.
2 резистора 80 Ом и 2 резистора 800 Ом — Резистор — это пассивное электронное устройство, которое используется для создания сопротивления потоку электрического тока.
0,47 Микрофарад электролитический (поляризованный) конденсатор — конденсатор представляет собой электронный компонент, используемый для хранения заряда. Запасенная энергия измеряется в емкости, единицей СИ которой является фарад.
12-вольтовая батарея — это батарея постоянного тока, используемая для выработки постоянного тока 12 В, который в этом проекте должен быть заменен на переменный ток.
2 кольцевых зажима — это компоненты, используемые в качестве электрических разъемов.
Они либо припаиваются, либо обжимаются на проводе для создания соединения.
2 зажимные клеммы аккумулятора — это компоненты, к которым припаяны провода, соединяемые с аккумулятором, для обеспечения надежного соединения с клеммами аккумулятора.
Электронный припой — используется для соединения двух или более электронных компонентов и создания стабильного и прочного соединения.
Электрические клещи — это устройство, используемое для перерезания электрических проводов. Его также можно использовать для снятия изоляции с электрических соединительных проводов.
Отвертка — это компонент, используемый для затягивания винтов при соединении двух частей с помощью винта.
Получив необходимые компоненты, выполните следующую процедуру, чтобы сделать устойчивый самодельный инвертор:
Шаг первый: подключите провода к центральному отводу трансформатора
Убедитесь, что у вас есть 8 отрезков провода от электрических проводов.
Снимите около ½ дюйма изоляции с концов проводов. Подсоедините один конец одного провода к центральной боковой клемме трансформатора с помощью припоя. Сделайте то же самое с другой клеммой, используя другой провод.
Шаг второй: подключение конденсаторов, транзисторов и резисторов
На корпусе конденсатора имеется знак «-», известный как отрицательный вывод конденсатора. Также есть вывод от резистора 800 Ом. А на втором транзисторе есть вывод коллектора. Соедините три, скрутив их вместе со свободным концом первого провода, и спаяйте их вместе.
Соедините положительный вывод конденсатора со свободным концом второго провода, выводом коллектора второго транзистора и одним из выводов второго резистора 800 Ом, скрутив их вместе и припаяв.
Шаг третий: подключение центрального ответвителя
Возьмите один конец третьего провода и припаяйте его к центральному ответвителю трансформатора.
Ослабив первую клемму зажима аккумуляторной батареи, присоедините свободный конец третьего провода, затяните винт зажимной клеммы аккумуляторной батареи и припаяйте провод к клемме 9.0005
Шаг четвертый: соедините остальные выводы конденсаторов, транзисторов и резисторов
Взяв один конец четвертого провода, скрутите его и припаяйте, чтобы соединиться с одним из выводов от каждого из двух 80- резисторы, коллекторные выводы двух транзисторов. Возьмите другой конец четвертого провода и присоедините его к клемме второго зажима аккумулятора, затяните его и припаяйте клемму.
Взяв пятый провод, припаяйте один его конец к свободному выводу самого первого 800-омного резистора. Возьмите свободный конец пятого провода и прикрутите его к свободному концу первого 80-омного резистора и базе второго транзистора. Соедините все три с помощью припоя.
Возьмите один конец шестого провода и припаяйте его ко второму свободному концу 80-омного резистора и базе первого транзистора.
Убедитесь, что вы крутите их. Свободный конец шестого провода соедините со свободным проводом второго резистора на 800 Ом, скрутив пару вместе, а затем припаяв.
Шаг пятый: Подсоедините остальную часть трансформатора
На стороне трансформатора без центрального ответвления припаяйте его клемму к одному концу седьмого провода. Припаяйте другую клемму к свободному концу восьмого провода. Наденьте клеммные колодки на оба провода и припаяйте их к свободным концам седьмого и восьмого провода.
Подсоедините зажим батареи, который подключен к центральному отводу трансформатора, к отрицательной стороне батареи, а другой зажим батареи — к положительной стороне батареи.
youtube.com/embed/JaWZ9mCFyNg?rel=0&modestbranding=0&controls=1&showinfo=1&fs=1&wmode=transparent» frameborder=»0″ allowfullscreen=»»/>
Заключение
С помощью самодельного автомобильного инвертора можно наслаждаться поездками и походами, используя энергию своего автомобиля для подключения электрических устройств, использующих питание переменного тока. Это может быть достигнуто с помощью инвертора, который в данном случае преобразует 12 В постоянного тока от автомобильного аккумулятора в 120 В переменного тока.
Таким образом, можно с удовольствием пользоваться электрической плитой, холодильником и большинством предметов домашнего обихода, которые питаются от сети переменного тока, используя энергию своих автомобилей. Чтобы добавить к этому, можно сделать инвертор по своему выбору в зависимости от выходного напряжения, которого они хотят достичь.
Это можно сделать, изменив номинал используемого трансформатора. Инвертор — это портативное устройство, поэтому его не нужно носить с собой.
7 простых инверторных схем для новичков
7 простых инверторных схем для новичков, описываемых в следующих параграфах, относятся к простым в сборке и настолько экономичным, насколько это возможно.
1) Простой инвертор с перекрестной связью
На рисунке выше показана схема нашего инвертора. На этот раз мы использовали более мощный транзистор 2N3055, а резисторов всего два, причем мощность резистора выбрана большей, поэтому выходная мощность схемы будет соответствующей.
Земля увеличена. На приведенном выше рисунке используется резистор мощностью 1 Вт 400 Ом. Если нет 1W, не беда. Наиболее часто используется резистор 1/4 Вт. Просто выберите четыре резистора параллельно, и это около 400 Ом.
На приведенном выше рисунке показаны два компонента, которые нелегко увидеть.
На первом фото трансформатор с головкой вала, на втором силовой транзистор 2N3055.
Мощность используемого здесь трансформатора составляет 10 Вт. Мощность небольшая и вряд ли может управлять какой-либо нагрузкой. После того, как вы это сделаете, вы можете использовать светодиодный свет, чтобы идти. тест.
Многие друзья хотят знать принцип работы. На самом деле это колебательный контур, который превращает мощность постоянного тока в мощность переменного тока, затем превращает его в 220 В через повышающий трансформатор, а затем подключает электрическое устройство к выходной клемме, но инвертор, сделанный этими компонентами.
Форма выходного сигнала не должна иметь стандарта сетки, но достаточно управлять лампочкой.
Это литий-ионный аккумулятор 12 В, выходная мощность может достигать 65 Вт, если у вас дома есть солнечные панели или блок питания большей мощности, вы можете использовать его напрямую, но обратите внимание на то, что напряжение должно быть 12 В, вы можно подключить схему после нахождения этих компонентов.
Фактическое подключение инвертора
На рисунке выше показана фактическая схема подключения. Вы можете видеть, что резистор состоит из четырех резисторов 1/4 Вт, соединенных параллельно.
Однако из-за малой мощности этого трансформатора эти четыре компонента также используются параллельно. Электрическое подключение может быть выполнено после окончательной проверки, но следует отметить, что выходное напряжение превышает напряжение, безопасное для человека, и во время работы следует принимать меры безопасности.
Возможность проверки схемы
Здесь производитель демонстрирует проверку с помощью мультиметра, поскольку нет подходящего электроприбора, а мощность трансформатора мала, а мощный электроприбор не может быть приведен в действие.
Поэтому для проверки выходного напряжения вместо электроприбора используется мультиметр. Включите мультиметр на соответствующую передачу, выполните всю работу, включите питание и наблюдайте за показаниями мультиметра.
После включения питания вы можете услышать звук колебания сигнала. В это время дисплей напряжения можно прочитать на мультиметре. Это 211В, и оно очень стабильное.
2) Еще одна простая конструкция инвертора
Тем не менее, он действительно способен предложить ряд бесценных решений. Работая от аккумулятора вашего автомобиля, он может потреблять 60 Вт для работы таких устройств, как FM-радио, электрическая бритва, компактные люминесцентные лампы, 25-ваттный паяльник, 40-ваттная лампа накаливания, записывающие устройства или портативный фонограф. Важнейшими его компонентами являются накальный трансформатор и пара мощных германиевых транзисторов общего назначения.
Вы также можете заменить их на 2N3055 и работать, просто изменив полярность батареи
Несмотря на то, что это инвертор с насыщающимся сердечником, никакая независимая обмотка обратной связи не используется.
Вместо этого обратная связь создается перекрестными соединениями наподобие мультивибратора.
При 100-процентной нагрузке КПД составляет около 75 %, а выходное напряжение составляет примерно 106 В.
Для выхода 220 В просто замените трансформатор на трансформатор 220 В0004
«Умеренная» система фильтрации pi-сечения сглаживает пики формы выходного сигнала, в результате чего на выходе предлагается трапециевидная волна, а не прямоугольная.
Благодаря этому устройство лучше подходит для работы с радиоприемниками, рекордерами и другими электронными устройствами. В этой форме схемы эффективность, частота, выходное напряжение и пусковая мощность в значительной степени зависят друг от друга.
Следовательно, определенное тестирование с сопротивлением смещения может подтвердить вознаграждение.
Однако есть вероятность, что потребуется заменить только один компонент, например R1. Насколько это возможно, системы смещения для двух транзисторов должны быть примерно эквивалентны.
В противном случае может возникнуть несимметричная форма сигнала, несбалансированное рассеяние транзистора, а также другие неисправности.
На следующем рисунке показана простая инверторная схема для новичков, которую можно легко собрать дома и использовать с любым небольшим свинцово-кислотным аккумулятором, например, с аккумулятором 12 В 7 А·ч
Все резисторы имеют проволочную обмотку мощностью 10 Вт, а транзисторы должны быть установлены на больших радиаторах. , который может быстро построить любой новичок в этой области.
Ссылаясь на приведенную ниже схему, мы видим, что схема инвертора использует всего 4 транзистора, трансформатор и батарею для реализации полной выходной мощности 100 Вт от небольшой батареи 12 В 10 Ач.
Схема работает в двухтактном режиме, где Q1 и Q2 образуют базовый нестабильный мультивибратор для создания базовой частоты 50 Гц.
Q1 и Q2 могут быть любыми PNP-транзисторами общего назначения, такими как TIP127 или даже 2N2907.
Два транзистора проводят попеременно и, следовательно, создают положительные сигналы на своих коллекторах, которые подаются на последующие силовые транзисторы, состоящие из устройств 2N3055.
Q1 и Q2 способны создавать сильный переменный ток смещения для транзисторов 2N3055, которые реагируют на эту переменную проводимость и начинают колебаться с той же частотой, что, в свою очередь, вызывает сильный ток от батареи, который толкает и тянет соответствующий трансформатор обмотка.
Эта переменная индукция сильного тока в первичной обмотке трансформатора генерирует эквивалентное напряжение 220 или 120 В переменного тока на вторичной стороне обмотки трансформатора.
R3 и R4 могут быть уменьшены еще больше для получения более высокой мощности от предлагаемой простой схемы инвертора с использованием 4 транзисторов
4) Схема инвертора 12 В в 220 В для новичков
Вот простая схема инвертора 12 В в 220 В, которую может построить любой любитель и пользоваться без проблем и практически в тот же день. Возможно, хотя современные электрические устройства, как правило, все чаще имеют автономный источник питания, в частности, портативные устройства, которые человек берет с собой в поход или на отдых в летний сезон, все же иногда требуется источник питания 230 В переменного тока — и пока мы относительно этого, почему бы не с частотой рядом с сетью?
При условии, что мощность, необходимая для этого типа источника питания, по-прежнему достаточно снижена — в этой статье мы выбрали 30 ВА — очень легко построить инвертор из простых и недорогих деталей, у большого количества любителей электроники в настоящее время может быть даже 12 В.
на инвертор 220В.
Цепь инвертора 12 В на 220 В
Несмотря на то, что вы можете разработать более мощную схему, сложность управления очень большими токами на низковольтной части приводит к тому, что цепи могут быть неподходящими для этой летней ситуации.
Мы должны помнить, например, что для скупого 1 ампера при 230 В переменного тока первичная часть батареи должна иметь дело с более чем 20 ADC!. Принципиальная схема схемы инвертора 12 В в 220 В в нашем предприятии несложно пройти.
Классическая микросхема таймера 555, известная как IC1, представляет собой нестабильный мультивибратор с частотой, близкой к 100 Гц, которую можно точно изменить с помощью потенциометра P1.
Учитывая, что отношение меток/промежутков (коэффициент заполнения) выхода 555 может значительно отличаться от 1:1 (50%), он используется для управления триггером D-типа, генерируемым с использованием CMOS-типа. 4013 ИК.
Это создает превосходные прямоугольные сигналы (т. е. в противофазе) на выходах Q и Q, которые хорошо подходят для работы выходных мощных транзисторов.
Поскольку выходной ток инвертора от 12 В до 220 В, получаемый от КМОП 4013, довольно мал, для достижения заданного выходного тока используются силовые транзисторы Дарлингтона.
Мы выбрали MJ3001 от вашей ныне несуществующей Motorola (само собой разумеется, только как производителя полупроводников!), Которые могут быть недорогими и легко доступными, но, тем не менее, можно применить любой аналогичный по мощности Darlington.
Они толкают трансформатор 230 В на 2 × 9 В с центральным отводом, используемый «назад» для создания выходного напряжения 230 В.
Наличие напряжения 230 В переменного тока на самом деле отображается неоновым светом, хотя VDR (резистор, зависящий от напряжения) типа S10K250 или S07K250 обрезает выбросы и выбросы, которые могут возникнуть в точках перехода транзистора.
Выходной сигнал, генерируемый этой конкретной схемой, имеет форму прямоугольной волны; просто грубо, в основном потому, что он в какой-то степени деформируется при входе в трансформатор.
К счастью, он действительно идеально подходит практически для всех электрических устройств, которые он эффективно доставляет, будь то лампочки, маленькие моторы или продукты питания для электроники.
ПЕРЕЧЕНЬ КОМПОНЕНТОВ
Резисторы
R1 = 18k?
R2 = 3K3
R3 = 1K
R4, R5 = 1K? 5
R6 = VDR S10K250 (или S07K250)
P1 = 100 К потенциометра
C1 = 330NF
C2 = 1000 °
SEA MJ3001
IC1 = 555
IC2 = 4013
Разное
LA1 = неоновая лампа 230 В
F1 = предохранитель, 5 А
TR1 = сетевой трансформатор, 2×9 В 40 ВА (см. текст)
4 контакта для пайки
автомобильный аккумулятор, т.е. от 12 В фактически дан трансформатор, имеющий первичку на 9 В.
Однако при 100 % мощности необходимо поддерживать снижение напряжения примерно на 3 В между коллектором и эмиттером силовых транзисторов. Это довольно большое напряжение насыщения на самом деле является недостатком, популярным среди большинства устройств в конфигурации Дарлингтона, которые обычно включают в себя два транзистора в одном корпусе.
Мы рекомендуем дизайн и стиль печатной платы, чтобы упростить сборку этого конкретного задания; поскольку видно наложение деталей, печатная плата просто удерживает маломощные детали с низким напряжением.
Транзисторы Дарлингтона следует устанавливать на оребренный радиатор из легкого анодированного алюминия с использованием обычных дополнительных изоляционных материалов в виде слюдяных шайб и шайб с буртиками, поскольку их коллекторы, как правило, прикреплены к металлическим корпусам и могут другой случай быть короткозамкнутым.
Выходная мощность 30 ВА означает потребление тока порядка 3 А через батарею 12 В на «первичной стороне». Поэтому кабели, соединяющие коллекторы MJ3001 [1] T1 и T2 с первичной обмоткой трансформатора, эмиттеры T1 и T2 с отрицательным портом батареи, а также положительный порт батареи с первичной обмоткой трансформатора, должны иметь минимальное поперечное сечение. площадью сечения 2 мм2 для уменьшения падения напряжения.
Трансформатор может быть любой 230 В на 2 × 9V-образный, с железным сердечником E/I или тороидальным, мощностью около 40 ВА.
Эффективно построенная на плате, показанной в этой статье, схема должна немедленно выполнять свою работу, единственной регулировкой является установка выходной частоты на 50 Гц с помощью P1.
Вы должны помнить, что стабильность частоты 555 несколько уступает современным требованиям, а это означает, что вы никогда не должны полагаться на него для эффективного управления вашей радиосигнализацией, но это, безусловно, очень полезный или, без сомнения, привлекательный инструмент. в отпуске в любом случае?
Обратите также внимание на тот неоспоримый факт, что выходное напряжение этого инвертора так же опасно, как и сетевое напряжение через электрические розетки вашего дома.
Поэтому вы также должны соблюдать основные правила техники безопасности! Кроме того, задача должна быть заключена в прочный АБС-пластик или отлит под давлением, чтобы никакие элементы не могли столкнуться во время процедуры.
Схема действительно не должна быть слишком сложной для адаптации к другим напряжениям или частотам сети, например, 110 В, 115 В или 127 В, 60 Гц.
Напряжение переменного тока требует трансформатора, использующего разное первичное напряжение (которое в этой статье будет вторичным), а также частоту, некоторую адаптацию P1 и, возможно, минимальную регулировку значений временных элементов R1 и C1 на 555.
5) 12 В пост. тока-T0-117 В перем. тока при частоте 60 Гц ПРЕОБРАЗОВАТЕЛЬ МОЩНОСТИ
Частота выходного сигнала на выводе 3 микросхемы IC1, генератора 555, определяется конденсатором CS и потенциометром R12. Перед подачей на базу мощных транзисторов Q1 и Q2 через диоды D1 и D2 форма выходного сигнала дифференцируется с помощью C3 и C4. Поскольку триггер, созданный транзисторами Q3 и Q4, делит частоту на два, сигнал от IC1 изменяется до 120 Гц.
Когда Q3 включен, R1 соединяет базу Q1 со стабилизированным источником питания 12 В. Таким образом, Q4 включается, когда переключается триггер, а база Q2 подключается к источнику питания 12 В через резистор R2.
Q1 и Q2 поочередно проводят через соответствующие секции на вторичную обмотку трансформатора благодаря базовому току 100 мА.
Конденсаторы C1 и C2 фильтруют входные сигналы базы Q1 и Q2, соответственно, для предотвращения переходных процессов переключения, возникающих при быстром переключении Q3 и Q4.
Схема инвертора питается либо от 12-вольтовой автомобильной батареи, либо от аккумуляторной батареи. IC2, регулятор 7812, управляет электричеством. Светодиод 1 можно использовать для контроля подачи питания в цепь, подключив его к входу 12 В.
Неоновая контрольная лампа LMP1 указывает на наличие выходной мощности.
6) Другая конструкция с перекрестной связью
Подойдет любой трансформатор на 6,3 или 12,6 В. Подключите вход постоянного тока 12 В к центральному отводу трансформатора и паре транзисторных эмиттеров 2N3055, при этом положительный вывод идет к центральному отводу трансформатора, а отрицательный — к двум транзисторным эмиттерам.
Если вам нужен постоянный ток, на выходе можно использовать любой мостовой выпрямитель и фильтр.
Простейшая схема инвертора SCR
На приведенном ниже рисунке показана схема инвертора SCR, питаемого от 12-вольтовой батареи и способного выдавать переменное напряжение 115 В, 60 Гц, мощность 100 Вт в постоянном режиме и до 150 Вт в периодическом режиме.
SCR используются в инверторах для обеспечения высокой эффективности.
В этой схеме используется пара двухтактных тиристоров 2N3650, каждый из которых активируется релаксационным генератором (Q2 и Q3) с 2N493 однопереходного транзистора (Q2) и сопутствующие ему частотно-определяющие соединения (R4-R5-C1 и R6-C2).
2N3650 — это быстродействующие тиристоры, идеально подходящие для применения в инверторах. Верхний UJT (Q2) имеет частоту 120 Гц, а нижний (Q3) имеет частоту 60 Гц.
Реостаты R4 и R6 не нуждаются в повторной регулировке после того, как они были отрегулированы на эти частоты, поэтому вполне можно поставить шлицевые валы для коррекции отверткой. В схемы такого рода можно было бы включить какой-нибудь метод автоматического отключения тиристоров в нужный момент.
Обычно после включения они продолжают проводить ток, и схема не производит никакого переменного тока на выходе. Тиристоры поочередно подают импульсы на трансформатор T1 после того, как это автоматическое отключение завершено.
Конденсатор C4 и катушка индуктивности L1 обеспечивают необходимую коммутацию. При включении одного тиристора С4 кратковременно подает отрицательное напряжение на анод противоположного тиристора, отключая его. В принципе конструкция инвертора проста.
T1 — инверторный трансформатор, который может быть любым стандартным трансформатором с центральным отводом. Поскольку такой сильноточный трансформатор может быть трудно найти на рынке, намотка базового трансформатора должна быть как рентабельной, так и экономящей время.
Дроссель в сборе
Замкнутая обмотка 196 витков эмалевого провода № 16 в 14 слоях по 14 витков на слой дает приличную катушку индуктивности.
На приведенном ниже рисунке показаны особенности катушки диаметром 1 % для этой катушки; бобина может быть изготовлена из дерева, а затем пропитана защитным лаком, или она может быть изготовлена из другого диэлектрического материала, если он выбран.
UJT следует устанавливать в прохладном месте инверторного блока, а SCR должны иметь теплоотвод.
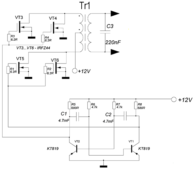
7) Простой, но мощный
Это простая, но мощная схема инвертора мощностью 100 Вт, которую можно использовать со свинцово-кислотной батареей 12 В.
Этот инвертор предлагает мобильный 220 В переменного тока. источник питания, подходящий для питания небольшого бытового оборудования, такого как фонари, паяльники или электрические инструменты, будь то в автомобиле, яхте, кемпере или автодоме.
Шесть транзисторов, сетевой трансформатор, несколько конденсаторов и резисторов — это все, что требуется для схемы. Нестабильный мультивибратор (AMV) с использованием транзисторов T1 и T2 генерирует прямоугольную волну с частотой около 50 Гц. Выходные каскады также работают в двухтактном режиме, поскольку Т1 и Т2 работают попеременно.
При работе транзистора Т1 через Т3 проходит ток, который активирует Т5, что позволяет соединить половину вторичной обмотки сетевого трансформатора Тр1 с 12-вольтовой батареей.
Если транзистор T2 переключается, другая половина сетевого трансформатора включается через батарею.

По сути, вам нужно соединить параллельно зарядное и аккумулятор (плюс к плюсу, а минус к минусу) и накинуть все это дело к соответствующим клеммам аккумулятора.