Кромкогиб своими руками чертежи: Кромкогиб своими руками — технология изготовления
Содержание
их виды, важные характеристики, обзор 7 популярных моделей, их плюсы и минусы, инструкция как собрать самодельный вариант своими руками
Хоть на дворе и в 2019-2020 году, во многих отдаленных регионах нашей страны до сих пор не появилась магистральная система газоснабжения, которая позволила бы жителям отапливать свои дома этим веществом. Поэтому многим владельцам своих домов часто приходится пользоваться дровами, заготавливая их на зимнее время года. Немногим известно, но существуют специальные технические приспособления, позволяющие легко рубить дрова без сильных затрат энергии. Лучший дровокол 2020 года должен иметь продуманную конструкцию и уметь легким движением руки делить большое бревно на несколько частей.
Многие владельцы частных домов задаются вопросом о том, какой дровокол лучше. Это обусловлено изобилием вариантов в этом сегменте рынка. Рекомендуется ознакомиться с наиболее востребованными моделями, которые имеют хорошие отзывы пользователей и специалистов. После этого можно самостоятельно выбрать самый лучший дровокол для себя и приобрести его.
Класс
Бытовые – маломощные и дешевые дровоколы небольшой производительности. Сфера использования: заготовка дров для частного хозяйства (обеспечение топливом камина, печи, бани, твердотопливного котла). Бытовые дровоколы наиболее распространены.
Полупрофессиональные – мощнее, производительнее и дороже бытовых агрегатов. Сфера использования: снабжение дровами коммунальных предприятий, котельных, гостиниц, многоэтажных домов, пансионатов.
Промышленные (профессиональные) – наиболее мощные и производительные дровоколы, перерабатывающие большие объемы древесины. Зачастую выполняют торцовку бревен. Правда, и цена таких устройств самая высокая. Сфера использования: заготовка дров для коммерческих целей.
Важно: при выборе дровокола обращайте внимание на производителя. Не стоит экономить, покупая дешевый колун малоизвестного бренда. Такое устройство вряд ли прослужит долго, а при поломке возникнут проблемы с приобретением нужных запчастей.
Дровокол своими руками
Прибор для заготовки дров можно также сделать самостоятельно. Например, соорудить пружинный вариант устройства.
Для этого понадобятся:
- Принадлежности для замера и разметки.
- Болгарка с отрезными и зачистными насадками.
- Сварочный аппарат.
- Автомобильный амортизатор.
- Рельс размером 30-40 см.
- Швеллеры.
- Втулка от подвески автомобиля.
- Профильная трубка 3х6 см.
- Уголок.
- Стальные трубки 4-7 см диаметром.
- Двутавр с номером 12-16.
Каким колуном дров пользуетесь Вы?
РучнымПружинным
Процесс изготовления:
- Создать эскиз конструкции. Можно воспользоваться программами для проектирования, чтобы проработать конкретные детали.
- Изготовить из швеллера опорную конструкцию. Приварить к детали стойку из двутавра и укосины к основе для повышения устойчивости. Создать упоры из трубок для защиты конструкции от падения.

- Вырезать основу для пружины из швеллера. Проделать в получившейся детали отверстия в форме квадрата для крепления элемента на стойке.
- Определить высоту изделия, основываясь на длине пружины и удобстве применения будущего агрегата. Груз легче поднимать, если он располагается на уровне пояса.
- Подготовить укосины из уголков для фиксации опоры. Это не даст ей сдвигаться при нагрузке.
- Создать фиксатор в форме цилиндра из небольшого отрезка трубки , на который будет крепиться низ пружины. Амортизатор должен совпадать по размеру с диаметром заготовки, чтобы не происходило его смещения при работе.
- Сделать на верхнем конце стойки прорезь, вставить в неё втулку перпендикулярно и приварить. Ось элемента должна быть параллельна земле.
- Вставить вал во втулку. Присоединить к нему сваркой коромысло из швеллера, а внизу зафиксировать небольшую трубку для крепления верха пружины.

- Пропилить «окошко» в коромысле в соответствии с размером самой стойки для свободного движения детали.
- Профильную трубку приварить к коромыслу, на один конец прикрепить стальное зубило. Его остриё можно будет периодически затачивать болгаркой со специальным кругом.
- В качестве груза приварить часть рельса над зубилом. Сделать рукоятку для удобства использования инструмента. Можно также обтянуть её резиной для снижения вибраций.
На место, где будет производиться раскол лучше уложить массивное бревно. Тогда при полном расщеплении полена после удара зубило будет впиваться в мягкую древесину и не затупится.
При покупке дровокола следует учесть цели его применения, а также объёмы работы и габариты обрабатываемого материала. Лучше остановить выбор на проверенных моделях от известных производителей, которые также реализуют заменяемые детали для своих изделий.
Рабочее положение
Горизонтальный – легкий, мобильный и безопасный дровокол.
Недостатки: низкая производительность, громоздкость, ограничения по максимальной длине полена. Бытовые дровоколы являются горизонтальными.
Вертикальный – более компактный, мощный и производительный станок. Минусы: большой вес, повышенная травмоопасность (заготовка придерживается руками). Такие агрегаты относятся к полупрофессиональным и промышленным.
Универсальный – позволяет выбирать рабочее положение в зависимости от различных факторов, например, толщины заготовки. Недостаток – высокая цена. Подобная конструкция характерна для профессиональной техники.
Тип двигателя
Электрический – сравнительно дешевый, легкий, экологичный, малошумный. Такой двигатель не нуждается в специальном обслуживании, приобретении топлива и масла. Электрический колун подходит для использования в закрытом помещении. Минусы: требуется электросеть, чувствительность к влаге. Этим мотором оснащены бытовые модели.
Бензиновый – мощнее электрического мотора и не зависит от сети, что позволяет колоть дрова даже в лесу.
Также бензиновый двигатель не боится влаги и перепадов температуры. Недостатки: высокая цена самого агрегата и обслуживания, большой вес, сложный ремонт, токсичные выхлопы, сильный шум. Этим дровоколом нельзя работать в помещении.
Бензиновые колуны относятся к полупрофессиональной и промышленной технике.
Встречаются промышленные дровоколы, которые подключаются к оборудованию трактора – валу отбора мощности или гидравлической системе.
Подобьем итоги – что лучше
Мы уже определили, что производительность и безопасность – два главных фактора выбора – явно в пользу гидравлического дровокола.
Итак, его плюсы:
- Удобный в работе;
- Безопасный;
- Производительный. Особенно с мощным двигателем, отменной гидравликой и крестовидным ножом;
- Создает огромную силу тяжести на деревянную заготовку;
- Работает с большими и тяжелыми колодами;
- Есть выбор из двух конструкций (горизонтальная и вертикальная).
Но не так все просто.
Эти агрегаты имеют и минусы:
- Они стоят дороже, поскольку их строение усложнено дорогой гидравликой;
- В техническом обслуживании также более сложны. Во-первых, механизмов и рабочих элементов у них больше, а во-вторых, гидравлика — это масло. Поэтому она требует регулярной его замены, чего не скажешь о винтовом дровоколе. Но замена масла – это не конструктивная проблема, а техническая необходимость. Просто без него сам механизм не работает.
- По размерам и габаритам эти устройства больше. Вес их тяжелее. Все правильно, ведь они помещают в себе целую гидравлическую систему с насосом, тиски и фиксаторы.
Несомненные плюсы винтового дровокола:
- Простая конструкция. Конусный агрегат – это только двигатель и «морковка»;
- Весит немного, размеры – компактные;
- Можно становить на вал трактора или мотоблока;
- Низкая цена.
Минусы:
- Существует опасность травмы;
- Производительность ниже;
- Не так комфортно работать.

Так какой дровокол лучше: винтовой или гидравлический? Выбирайте сами, что для вас важнее. Какие именно показатели должен продемонстрировать ваш дровокол. Все зависит от объема дров, которые нужно наколоть, от размера бревен, их твердости, от того, где будет установка – дома в сарае, или в лесу. Колете ли вы дрова для себя, или же на продажу – массовая заготовка.
В общем, условий, влияющих на выбор, предостаточно. Вам нужно лишь четко их определить. В любом случае, помните, что вес, цена, легкость обслуживания и компактность устройства всегда будет за конусным колуном, а удобство, безопасность, производительность и практичность — за гидравлическим.
Напряжение питания
Однофазное (220 В) – используется в бытовых и полупрофессиональных электрических дровоколах. Мощность такого оборудования не превышает 3 кВт.
Трехфазное (380 В) – применяется в промышленных электрических колунах. Для работы устройства требуется специальная проводка.
Мощность подобной техники достигает 5 кВт.
Важно: практика показывает, что для бытовых нужд лучше всего подойдет гидравлический горизонтальный дровокол с электрическим двигателем (однофазный) или винтовой агрегат.
Если речь идет о заготовке дров для коммерческих целей, выбирайте гидравлический вертикальный колун с электрическим приводом (трехфазный) или бензиновую модель с гидравлической либо винтовой системой. А для твердотопливных котлов оптимальна реечная модель.
Как правильно наточить дровокол
Большинство дровоколов, которые расщепляют древесину посредством ножей, не требуют дополнительной заточки даже со временем, так как она попросту отсутствует изначально.
Дело в том, что древесина расщепляется не за счет разрезания структуры материала, а за счет продавливания.
Если же конструкция подразумевает использование заточенных резцов, их правка выполняется на обыкновенном точильном станке.
Для этих целей подойдет и болгарка.
Что действительно нуждается в заточке, так это винт конусного дровокола, ведь его задача заключается именно в пробуривании волокон с одновременным расширением образованного отверстия, что и приводит к расколу заготовки.
Речь идет даже не о заточке, а о правильно нарезанной резьбе в случае, если принято решение сделать дровокол своими руками.
Выполняется она на токарном станке.
Рабочее давление
Рабочее давление или усилие раскалывания – основная характеристика дровокола. Измеряется в тоннах. Чем выше этот параметр, тем легче агрегату расколоть твердые, длинные и толстые чурбаки.
Модели с небольшим давлением зачастую требуют от оператора приложения физических усилий или вовсе не подходят для колки твердых заготовок. Правда, с возрастанием усилия раскалывания увеличивается цена и вес дровокола.
Рабочее давление зависит от класса дровокола:
- бытовые – до 5 тонн;
- полупрофессиональные – 5-7 тонн;
- промышленные – 7-25 тонн.
При выборе дровокола по рабочему давлению учитывается твердость сырья, которая обусловлена породой древесины:
- до 5 тонн – для работы с тополем, осиной, липой и другими мягкими породами;
- 5-7 тонн – для обработки дуба, груши, ореха и других твердых пород;
- более 7 тонн – для расколки сырой древесины и очень твердых пней.

В винтовых дровоколах помимо рабочего давления имеет значение и скорость вращения конуса. Лучше выбирать модель, у которой данная величина составляет 400-600 об/мин.
Преимущества и недостатки дровокола
Преимущества:
- Значительно экономят силы и время, а также затраты на данный процесс.
- Механизм достаточно мощный и надежный, за небольшое количество времени может справиться с большими объемами работы.
- Достаточно большое количество различных моделей. Можно подобрать для любых целей.
- Очень удобны и просты дровоколы в работе. Не требуют специальных навыков и знаний.
- Конструкция универсальна.
- Можно использовать как внутри помещения, так и на свежем воздухе.
- Практически все виды при должном уходе имеют длительный срок эксплуатации.
Недостатки:
- Есть некоторые модели, которые имеют большие габариты, это не очень удобно и практично.

- Некоторые модели, очень затратные, так при работе употребляют много электроэнергии или топлива.
- От мощности двигателя зависит производительность дров и количество потребляемого топлива.
- Не все виды дровоколов могут справиться с крепкой и толстой древесиной.
- Промышленные дровоколы имеют высокую ценовую стоимость.
Мощность
Этот параметр определяет рабочее давление дровокола. Единица измерения – киловатты (кВт) или лошадиные силы (л. с.). Чем мощнее мотор, тем выше усилие раскалывания. В то же время более мощное устройство стоит дороже и потребляет больше электроэнергии / топлива.
Для правильной оценки мощности стоит учесть, что двигатель 3 кВт дает рабочее давление в 5 тонн, мотор 6-7 кВт (до 10 л.с) – около 10 тонн.
Важно: иногда удобнее сравнивать мощность нескольких дровоколов в одних единицах, например, в ваттах. Чтобы перевести лошадиные силы в ватты воспользуйтесь соотношением: 1 л.
с. приблизительно равна 735 ваттам.
Самостоятельная сборка дровокола
Чтобы сделать хороший электродровокол своими руками понадобится:
- Станина. В качестве станины можно использовать любую поверхность – верстак, стол и т.д. Следует помнить, что чем ниже станина, тем удобнее работать с дровами. Также она обязательно должна быть устойчивой к механическим воздействиям.
- Два подшипника.
- Рабочий конус. Он должен быть сделан из прочного материала и иметь заострённый конец.
- Электродвигатель. Следует помнить, что его минимальная мощность должна быть не менее 5 кВт, чтобы можно было успешно колоть твёрдые брёвна. Данный двигатель можно купить в специализированном магазине или достать из старой техники.
- Редуктор.
Изначально к станине прикрепляется редуктор и двигатель. К полученной конструкции добавляется вал, который нужно подключить к мотору через нижний редуктор. Вал закрепляется на станине при помощи подшипников. Есть несколько пунктов, которые нужно учесть:
- Не устанавливайте насадку непосредственно на мотор или на редуктор, т.
к. есть риск получить удар током. - Желательно иметь навыки электрика для монтажа электрической части, в противном случае воспользуйтесь помощью специалиста.
- Необходимо защитить цепные и ременные передачи специальным металлическим кожухом.
- Если в качестве рабочего конуса устанавливается сверло, то его скорость должна быть не менее 250 оборотов в минуту.
Также свой дровокол в будущем можно будет усовершенствовать.
Максимальный размер полена
Длина – зависит от параметра хода поршня (гидравлические) или размеров рейки (реечные). Также на длину бревна влияет рабочее давление агрегата.
Бытовые устройства рассчитаны на работу с заготовками длиной до 50 см, профессиональная техника способна колоть чурбаки длиной 50-100 см и более. Вертикальные агрегаты позволяют работать с более длинными поленьями, чем горизонтальные дровоколы. При этом высокий параметр длины значительно увеличивает габариты горизонтальных станков.
Диаметр – определяется рабочим давлением колуна.
У бытовых гидравлических моделей эта характеристика не превышает 30 см. Более продвинутое оборудование справится с чурбанами диаметром 80-90 см. А вот винтовые устройства в состоянии расколоть бревна любого диаметра.
Обзор лучших горизонтальных дровоколов
1. Scheppach HL 650. Данная модель славится новейшей гидравликой. Пресс примерно 6,5 тонны! Колун из стали врезается в древесину с мощнейшей силой, он быстро распиливает ее. Scheppach HL 650 имеет мощный двигатель в 2150 Вт, он не боится нагрузок напряжения или слишком долгой работы. Если модель перегреется, то двигатель отключается автоматически. Скорость в 2 раза больше обыкновенных механических дровоколов. Установить инструмент можно двумя способами: низко или высоко, для этого используют специальные ножки. При низкой позиции не нужно слишком высоко поднимать древесину, а при высокой не придется нагибаться, здесь определенных ограничений нет – кому как нравится.
Преимущества модели Scheppach HL 650: сильный двигатель, универсальная конструкция – вы можете выбрать положение инструмента, автоматический ограничитель хода – вы сэкономите материальные средства, модель раскалывает большие брёвна.
Минусы немецкой модели Scheppach HL 650: садовый инструмент действительно превосходен, поэтому единственным его недостатком считается популярность модели. Его очень трудно найти и купить.
2. Iron angel ELS 2200. На территории Украины данный инструмент занял в 2020 году первое место для работы в саду. Модель славится своим соотношением качества и стоимости. Мощность немного меньше, чем у лидера нашего рейтинга – 320 мм. Ни один электрический прибор не сможет работать с данной шириной заготовок. Безопасность повышена. Гидравлический пресс не превышает 6 тонн.
Преимущества модели: разумная стоимость, мощный двигатель, удобный в эксплуатации, может работать с твердыми породами дерева.
Минусы модели: продается в очень неудобной картонной коробке, которая при перевозке повреждается.
3. AL-KO KHS 5204. Немецкий прибор, сама техника компании славится качеством и надежностью, да и считается инструментами премиум-класса, поэтому стоит она в разы дороже товаров другой компании.
Этот дровокол прослужит вам не просто годы без поломок, а даже без значительных изменений. Устройство привлекательно, обновлен его дизайн. Технические свойства, как и всегда у компании, на высшем уровне: мощность – 2,2 кВт., максимальный диаметр бревна 25 сантиметров, допустимая длина – 53 сантиметра. Гидравлика не такая сильная, как у победителей, по этой причине применяется дровокол для бука, груши или вяза.
Плюсы модели: современный дизайн, качественная сборка, как самого инструмента, так и его комплектующих, мобильный, раскалывает древесину средней толщины.
Минусы модели: дорого стоит.
4. Scheppach HS 500H. Это модель компании также обладает превосходными характеристиками, ее мощность раскалывания – 5 тонн. Гидравлика прибора не мощная, поэтому и цена на него не сильно велика.
Плюсы модели: превосходная стоимость для немецкого производителя, наличие ограничителя заднего хода, большая мощность мотора, раскалывание дерева средней толщины.
Минусы модели: невысокая гидравлика.
5. VARI 5 TON SUPER FORCE. Модель чешская. Популярность захватила благодаря своим превосходным характеристикам и невысокой стоимости. Сила раскалывания – 5 тонн, мощность – 1,5 кВт.
Плюсы модели: низкая стоимость, европейская сборка по всем стандартам качества, наличие ножек (очень удобно при работе), раскалывает мягкую породу дерева.
Минусы модели: не сильная мощность.
Конструкция
Ограничитель хода поршня – позволяет регулировать ход поршня исходя из длины чурбана. Для расщепления коротких заготовок не требуется большая амплитуда движения поршня. В итоге увеличивается производительность при экономии времени и электроэнергии / топлива.
Боковые зажимы – надежно фиксируют заготовку в оптимальном положении и не допускают ее смещение. Зажимы делают эксплуатацию колуна еще безопаснее.
Сменный делитель – служит для замены плоского ножа на крестообразный и наоборот в зависимости от ситуации.
Транспортировочные колеса – предназначены для перевозки дровокола.
Дышло – перекладина, посредством которой колун подсоединяется к фаркопу авто или мотоблока для транспортировки.
Регулировка
Высоты раскола – служит для подстройки вертикального колуна под длину заготовки. Стоит обратить внимание на количество уровней раскола. Чем больше эта характеристика, тем легче работать с дровоколом. В моделях разных производителей конкретные параметры отличаются. Например, одни устройства позволяют менять высоту раскола на 51 см и 105 см, другие – на 55 см; 88 см и 130 см.
Высоты поверхности – дает возможность изменять высоту станины (рамы) под рост оператора, что облегчает использование дровокола и снижает утомляемость. Такая опция особенно полезна для пожилых людей и тех, кто страдает заболеваниями спины.
Защитные функции
Двуручное управление – предполагает работу дровокола только при одновременном удерживании двух рычагов. Тем самым полностью исключается вероятность получения травмы.
Аварийный выключатель – останавливает работу колуна в случае возникновения нештатной ситуации.
Повышает безопасность эксплуатации агрегата.
Защита от перегрузки – автоматическое отключение устройства при заклинивании чурбана или достижении максимального рабочего давления. Снижает риск преждевременного выхода из строя дровокола.
Реверс (винтовые дровоколы) – вращение конуса в обратном направлении. Полезная опция, если винтовой клин застрял в полене.
В хорошем дровоколе предусматривается защита от короткого замыкания и перепадов напряжения в электросети.
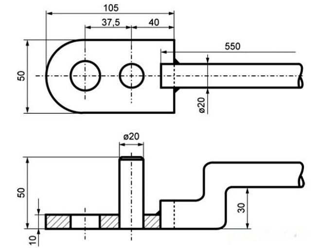
Разделка кромок под сварку: типы и виды, нюансы
d 0 =A-K(r M +S/2)-2ft,
где!)! — наружной диаметр борта; г м — радиус закругления матрицы; S — толщина заготовки;
h
— высота борта.
Обжим(рис. 17.46,
б)- уменьшение периметра поперечного сечения полой заготовки. В очаге деформации толщина стенки изделия несколько увеличивается. Во избежание образования продольных складок в обжимаемой части необходимо соблюдать коэффициент обжима
К=~- = 1,2 …1,4,
где £ заг, d m — диаметр заготовки и детали.
Холодную листовую штамповку осуществляют в основном на кривошипных прессах. По технологическому признаку механические прессы разделяют на прессы простого, двойного и тройного действия (соответственно одно-, двух- и трехползунные). Кинематическая схема кривошипного листоштамповочного пресса простого действия во многом аналогична схеме кривошипного горячештамповочного пресса.
Пресс двойного действия (рис. 17.47) предназначен для глубокой вытяжки крупных деталей. Он имеет два ползуна — внутренний 3 с приводом от кривошипа и наружный 2 с приводом от кулачков 1, закрепленных на валу. Вначале наружный ползун обгоняет внутренний и прижимает фланец заготовки к матрице. Во время вытяжки пуансоном, закрепленным на внутреннем ползуне, наружный ползун неподвижен. По окончании вытяжг ки ползуны поднимаются.
Рис. 17.47. Схема однокривошипного пресса двойного действия
Для холодной штамповки крупногабаритных изделий используют гидравлические прессы.
В качестве инструмента при холодной листовой штамповке используют штампы.
Они состоят из блоков деталей и рабочих частей — матриц и пуансонов. Рабочие части непосредственно деформируют заготовку. Детали блока (верхняя и нижняя плиты, направляющие колонки и втулки) служат для опоры, направления и крепления рабочих частей штампа. По технологическому признаку различают штампы простого, последовательного и совмещенного действия.
В штампе
простого действия(рис. 17.48) за один ход ползуна выполняется одна операция, поэтому его называют одноопера- ционным. Нижней плитой штамп устанавливают на стол пресса и крепят к нему болтами и скобами, верхнюю плиту небольших штампов крепят к ползуну с помощью хвостовика, а верхнюю плиту крупных штампов крепят к ползуну так же, как и нижнюю плиту, к столу пресса. Полосу или ленту подают в штамп между направляющими линейками до упора, который ограничивает шаг подачи полосы или ленты. Для снятия высечки с пуансона служит съемник.
В штампе
последовательного действияза один ход ползуна выполняют одновременно две или больше операций в различных позициях, а заготовка после каждого хода пресса перемещается на шаг подачи.
На рис. 17.49 представлена схема штампа последовательного действия для пробивки и вырубки. За каждый ход пресса происходит подача заготовки до упора 1, затем пуансон 3 пробивает отверстие в заготовке, а пуансон 2 при следующем ходе пресса производит вырубку детали.
В штампе
совмещенного действия(рис. 17.50) за один ход ползуна пресса две и более операции выполняются в одной позиции без перемещения заготовки в направлении подачи. При движении
ползуна вниз пуансон 5 и матрица 8 производят вырубку заготовки из полосы 6, а пуансон 7 — одновременно вытяжку изделия в матрице 5. Последовательность операций вытяжки обозначены на рисунке позициями 10…12.
Штампы последовательного n совмещенного действия называют многооперационными. Они производительнее одноопера- ционных, но сложнее и дороже в изготовлении. Их используют в крупносерийном и массовом производстве.
Штамповка как технологический процесс обработки заготовок, изготовленных из металла, позволяет получить готовые изделия плоского или объемного типа, отличающиеся как своей формой, так и размерами.
В качестве рабочего инструмента при выполнении штамповки может выступать штамп, закрепленный на прессе или оборудовании другого типа. В зависимости от условий выполнения штамповка металла бывает горячая и холодная. Эти два вида данной технологии предполагают использование различного оборудования и соблюдение определенных технологических норм.
Нюансы разделки кромок
Разделка под сварку имеет свои особенности. При разделке увеличивается ширина сварного шва. Это приводит к дополнительному расходу материалов. При некоторых ситуациях разделка кромок отсутствует, и сварка производится без этого подготовительного этапа. Если свариваются тонкие детали, то прибегают к отбортовке.
Хорошо в крайнем случае: Физика обжимных соединений
- по:
Дэн Мэлони
У меня был друг, который работал техником по сборке электроники в крупном оборонном подрядчике.
Он был парнем из производственного цеха, у которого была фишка на плече для инженеров с их причудливым книжным обучением, которые не могли решить простейшие проблемы. Он утверждал, что одна сборка не прошла QC и куча парней в галстуках не могла разобраться. Он подошел, чтобы оценить ситуацию, и поставил свой диагноз, состоявший из двух слов: «Плохой обжим». Хитрый разъем был переработан и сборка прошла, к большому огорчению парней в рубашках с короткими рукавами.
Помимо наглядных уроков из опыта, иногда превосходящего образование, меня всегда удивляло это заявление о «плохом обжиме». Что могло пойти не так с обжимом, чтобы так тонко возиться со схемой, что инженеры были сбиты с толку? Как получилось, что мы можем полагаться на такую простую технологию, чтобы соединить столько проводов в современном мире? Что именно происходит внутри обжимного соединения?
Без пайки имеет смысл
Мы склонны думать о паяных соединениях как об основных электрических соединениях.
Что-то в процессе нагревания соединения и заливки в него расплавленного припоя придает готовому изделию ощущение постоянства и качества. И пайка была практически единственным шоу в городе на заре коммерческой электронной промышленности.
Но у паяных соединений есть свои проблемы, как с точки зрения электромеханики, так и с точки зрения производства – ведь сборщик может только так быстро разбрасывать припой. В начале 1950-х годов корпорация AMP выпустила первые обжимные соединения для производственного использования, F-Crimp или конструкцию с открытым стволом. Используя эту конструкцию обжима, AMP продавала широкий ассортимент соединителей, которые можно было быстро и многократно накладывать на проводники и которые поддавались автоматизированным методам изготовления, чего никогда не удалось бы достичь с помощью пайки.
Обжимной люфт
При обжиме используются свойства металлов для получения электрически и механически надежных соединений. Металлы, используемые в обжимных соединителях, такие как медь, латунь, алюминий или бронза, являются как пластичными , так и ковкими .
Пластичность металла — это степень, в которой он может деформироваться при растяжении, а пластичность — это мера того, как металл деформируется при сжатии. Обжим включает приложение значительных сжимающих усилий к обжимному соединителю и проводу, поэтому пластичность каждого элемента является важным фактором качества обжима. Но пластичность также играет роль, поскольку и разъем, и провод подвергаются значительному растяжению в процессе обжима.
Поперечное сечение хорошего F-образного обжима. Источник: ETCO Incorporated
Инструменты для обжима являются важной частью качественного обжима. Главной частью любого обжимного инструмента является набор штампов. Как правило, это наковальня и молот из инструментальной стали, конкретная конфигурация которых определяется типом соединителя.
Для F-образных обжимов AMP U-образный соединитель размещается на пятке ножками вверх. Между ножками помещается должным образом зачищенная проволока, и молоток опускается на наковальню. Молоток направляет ножки соединителя по жилам проволоки, в конечном итоге складывая их обратно в собранный пучок жил.
По мере увеличения давления на соединение металл в жилах проволоки начинает растягиваться и течь. Это ослабляет и удаляет любые поверхностные оксиды, которые могли увеличить сопротивление соединения. При большем давлении происходит большая деформация жгута проводов, пока ранее круглое поперечное сечение каждой жилы не исчезнет, заменившись набором жил с уплощенными сторонами, плотно прилегающими друг к другу в виде сот. В результате получаются газонепроницаемые соединения между жилами и обжимным соединителем методом холодной сварки.
Большинство инструментов для обжима также обеспечивают снятие натяжения путем легкого обжима второго набора ножек на пластиковой изоляции провода. Обычно принимаются меры предосторожности, чтобы не проколоть или иным образом не повредить изоляцию; обычно эти зажимы для снятия натяжения просто плотно оборачивают изоляцию и направляют усилие изгиба в изоляцию и от проводников провода. Третий набор ножек также может быть сформирован в виде круга с помощью инструмента, чтобы можно было вставить готовое окончание в пластиковый корпус.
Важным аспектом обжимного соединения является возможность проверить его и убедиться, что все идет по плану. Микрофотографии поперечных сечений завитков являются золотым стандартом для проверки, но они разрушительны для продукта. К счастью, один критический параметр может рассказать все о процессе обжима и может быть измерен неразрушающим образом — высота обжима. Его можно измерить микрометром, и он показывает, какое давление было приложено и правильно ли были сжаты проволочные жилы.
Правильно выполненное обжимное соединение является электрически надежным и механически прочным, и знание того, что происходит внутри этого инструмента, является первым шагом к достижению стабильных результатов. Более подробное практическое руководство по обжиму см. в нашем руководстве по правильным процедурам обжима.
[Источник баннерных изображений: TE Connectivity]
Опубликовано в Колонки Hackaday, Навыки, Ползунок, Взломы инструментовпомеченный усилитель, наковальня, соединение, разъем, обжим, обжим, пластичность, молоток, ковкость, инструменты
19 полезных советов по электромонтажным работам своими руками
Ознакомьтесь с этими приемами, прежде чем приступать к электрическим проектам дома.

Каждый редакционный продукт выбирается независимо, хотя мы можем получать компенсацию или партнерскую комиссию, если вы покупаете что-то по нашим ссылкам. Рейтинги и цены точны, а товары есть в наличии на момент публикации.
1
/
19
Семейный мастер на все руки
Легко читаемые автоматические выключатели
Мне пришлось отключить несколько автоматических выключателей в моем подвале, и мне было трудно увидеть выбитые цифры на электрическом щите, потому что там было довольно темно. Устав щуриться, я решил сделать их более заметными с помощью небольшого количества белого малярного герметика. Я поставил мазок на каждую из цифр и стер лишнее пальцем, оставив после себя легко читаемые цифры. — Casey Overland
Кроме того, обязательно узнайте о безопасности коробки выключателя.
2
/
19
Семейный мастер на все руки
Лучший способ проверки выключателей-выключателей
Я предпочитаю маркировать свои выключатели и розетки, чтобы было легко определить, какой выключатель отключить, когда мне нужно заменить выключатель или розетку.
Когда я переехал в новый дом, мне пришлось все маркировать заново. Помощника у меня не было, поэтому я использовал радио.
Я подключил его к розетке и включил музыку. Затем я щелкал выключателями, пока радио не выключилось. Адаптеры патронов для лампочек со встроенными розетками по бокам помогли идентифицировать цепи освещения. У меня все было расписано за час. — Collin Grace
Узнайте, как обращаться с переполненными электрическими панелями.
3
/
19
Семейный мастер на все руки
Простой способ сохранить ваши розетки во время деревообработки
Я много шлифовал на своем верстаке, и все опилки постоянно попадали в розетку и мешали электрическому контакту. Теперь я наклеиваю полоску липкой ленты на неиспользуемые розетки и заменяю ее по мере необходимости. Выходные полосы служат намного дольше! — Элен Лезель
4
/
19
Семейный мастер на все руки
Этот удлинитель обязательно должен быть в вашей мастерской
Некоторое время назад я создал зарядную станцию, где я мог собрать кучу своих зарядных устройств для аккумуляторов.
Все зарядные устройства были подключены к одному удлинителю. Это действительно помогло организовать мой магазин, но меня всегда раздражало, что все эти зарядные устройства оживали, когда я включал удлинитель, даже когда мне нужно было зарядить только одну батарею. Ничего страшного, если зарядные устройства разряжены, но я часто оставляю батареи в подставке до тех пор, пока они снова не понадобятся.
Я решил проблему, купив удлинитель с отдельным выключателем для каждой розетки. Есть несколько брендов, доступных онлайн. Я купил модель Tripp Lite TLP76MSGB. Шесть розеток переключаются, а одна остается включенной все время, и все семь имеют защиту от перенапряжения. — Фрэнк Томас
5
/
19
Семейный мастер на все руки
Переверните выключатель
Чтобы сократить количество подключений, отключений и переворачиваний выключателей, попробуйте следующее решение: разветвитель питания с отверстиями в задней части для крепления к боковой стенке шкафа.
Есть выключатель, который включает и выключает розетки.
Включите лампу и пропылесосьте, чтобы, когда вы щелкаете выключателем на полосе, они обе включались. Затем запустите пилу, и вы готовы к работе. Не пытайтесь подключить слишком много вещей; большинство полосок рассчитаны всего на 15 ампер. — Ken Collier
Узнайте больше о сетевых фильтрах для всего дома.
6
/
19
Используйте мелочь для определения размеров проводов
При добавлении розетки необходимо использовать провода того же сечения, что и существующая проводка. Как узнать, какая у вас старая проводка — 12-й или 14-й калибр? Простое визуальное решение упрощает задачу.
12-й калибр имеет толщину пятицентовой монеты, а 14-й калибр — толщину десятицентовой монеты. Кроме того, посмотрите на выключатель для рассматриваемой цепи, чтобы узнать, является ли он 15-амперным или 20-амперным выключателем. Для 20-амперной цепи требуется сечение провода 12 калибра или больше.
7
/
19
Самодельный шаблон для выравнивания двойного переключателя
Избавьтесь от проб и ошибок при выравнивании двойных переключателей.
Создайте кондуктор, просверлив 1/2 дюйма. отверстия в двойной крышке для доступа к крепежным винтам устройства.
Выровняйте накладку над выключателем или розеткой и плотно завинтите выключатели через отверстие 1/2 дюйма. отверстия. Снимите приспособление и прикрепите «настоящую» накладку. — Уоллес Л. Траут
8
/
19
Семейный мастер на все руки
Инструмент, облегчающий скручивание проводов
Если вам нужно соединить несколько проводов или проводов большого сечения, скручивание коннекторов проводов вручную может стать настоящим испытанием, даже если на них есть крылья. У нескольких производителей есть инструменты, облегчающие работу, но нам особенно нравится этот инструмент от Ideal Industries.
Компания Ideal добавила углубления в ручки нескольких своих отверток, разверток для труб и других инструментов. Вы просто вставляете разъем провода в звездообразную выемку, как показано на рисунке. Углубление и большая резиновая рукоятка инструмента значительно облегчают скручивание проводов.
9
/
19
Семейный мастер на все руки
Невидимые зажимы для проводов
Протягивая телефонный провод вокруг дверной рамы, сделайте самодельные зажимы для проводов из прозрачной пластиковой бутылки из-под газировки.
Разрежьте бутылку на части размером 1-1/2 x 1 дюйм. полоски. Ослабьте обшивку небольшой монтировкой, оберните пластик вокруг проволоки и вставьте ее между стеной и обшивкой. Если зажим не прилегает плотно, удерживайте его на месте, вбив гвоздь 4d в накладку через пластик. — Грег Смитсаймон
10
/
19
Семейный мастер на все руки
Спрячьте шнуры дома
Я решил повесить телевизор с плоским экраном на стену, а игровые компоненты расположить внизу на низком столике. Единственным недостатком была куча неприглядных шнуров, свисающих со стены.
Чтобы спрятать шнуры, я соорудил из фанеры решетку и покрасил ее под цвет стен. Я использовал 1/2 дюйма.
фанера для задней и боковых сторон и ДВП для передней панели. — Джон Фонтейн
11
/
19
Семейный мастер на все руки
Пайка проводов стала проще
Я немного занимаюсь пайкой в качестве хобби, и у меня всегда возникают проблемы с соединением проводов при их пайке — даже когда я использую зажимы типа «крокодил», чтобы держать вещи на месте. Я обнаружил, что простая шайба упрощает задачу.
Я зажимаю провода с каждой стороны стиральной машины зажимами типа «крокодил». Отверстие в шайбе дает мне почти 360-градусный доступ к паяному соединению. — Joseph Johnson
Вот как починить шнур, пожеванный домашним животным.
12
/
19
Easy Sheathing Stripper
Снимите оболочку электрического кабеля с помощью вспарывателя! Проведите рыхлителем вверх по кабелю, чтобы разрезать оболочку и обнажить внутренние провода. — Марти Томпкинс
Узнайте больше о зачистке проводов здесь.
13
/
19
Семейный мастер на все руки
Новое применение невидимок
Старомодные невидимки используются для прокладки небольших динамиков или других проводов вдоль плинтусов и других молдингов. Отрежьте один конец заколки-невидимки, чтобы она легко входила в зазоры, удерживая проволоку. Вот еще одно отличное применение заколкам-невидимкам.
14
/
19
Семейный мастер на все руки
Подставка для пайки
Вы когда-нибудь пробовали держать в одной руке две жилы провода, а в другой катушку с припоем и, кроме того, маневрировать паяльником? Пайка более эффективна с помощью этого замечательного совета от читателя Рэнди Уитмайера.
Отрежьте пару шестидюймовых кусков проволоки от вешалки и обожмите на концах зажимы типа «крокодил». Просверлите отверстия в плате, вставьте провода зажима типа «крокодил» и зажмите концы проводов, которые вы припаиваете. Теперь у вас есть две свободные руки, одна для пистолета, а другая для припоя.
15
/
19
Жидкая изолента может спасти ваше сломанное зарядное устройство для телефона
Зарядные кабели для сотовых телефонов обычно служат всего несколько лет, после чего изоляция на концах начинает изнашиваться. Сменные кабели стоят от 8 до 30 долларов, но есть и более дешевое решение.
Если изоляция треснула, но медный провод внутри остался целым, попробуйте замазать трещину парой слоев жидкой изоленты. Бренды Performix и Gardner Bender получают множество положительных отзывов в Интернете. Просто дайте кабелю полностью высохнуть, прежде чем он что-либо коснется.
Плюс: ознакомьтесь с этими 37 удивительными полезными советами, которые вы можете сделать менее чем за 5 долларов.
16
/
19
Семейный мастер на все руки
Накройте электрические коробки при снятии попкорна с потолка
Отключите питание всех электрических распределительных коробок в потолке и заклейте их малярной лентой, чтобы сохранить проводку сухой, когда вы распыляете воду на попкорн во время работы.
удалить текстуру с потолка.
Накройте стороны распределительной коробки лентой, затем обрежьте по периметру канцелярским ножом, стараясь не порезать провода.
17
/
19
Используйте пламегаситель при пайке
Не выполняйте пайку рядом с деревом или другим легковоспламеняющимся материалом, не защитив его от пламени. Используйте пламегаситель. Получите эти маленькие огнестойкие одеяла. Вы вешаете один за стыком, над которым работаете, чтобы изолировать горючий материал и помочь предотвратить пожар. В крайнем случае вместо него можно использовать кусок листового металла.
Смачивание области вокруг места пайки пульверизатором с водой также помогает предотвратить возгорание. В качестве меры предосторожности держите под рукой огнетушитель. Кроме того, эти 11 советов по пожарной сигнализации могут спасти вам жизнь.
18
/
19
Предоставлено Dremel
Удобная бутановая горелка
Идеальная для пайки бутановая горелка Dremel VersaTip предлагает семь функций в комплекте из 14 предметов.





к. есть риск получить удар током.