Prestige 164 ремонт: Prestige 164 ремонт своими руками
Содержание
Ремонт сварочного аппарата BlueWeld Prestige 164 — не включается
Производитель: BlueWeld
Модель: BlueWeld Prestige 164
Неисправность со слов владельца:
не включается
Что предшствовало поломке:
хлопок со вспышкой, ничего, выбил автомат, в процессе эксплуатации, варил-варил и перестал. потом потрясли аппаратик и начало коротить. пользователь вскрывал аппарат
Эта модель поступила в ремонт из города
Волгоград.
Также такие аппараты поступали из
Краснодар
Будьте внимательны! Приведенная информация не должна восприниматься как руководство к действию. Ремонт должен осуществляться только квалифицированным специалистом.
Заключение
Выявлены проблемы:
неисправность силовой части вч преобразователя; неисправность схемы управления силовой части, неисправность цепей питания силовой части; требуется профилактика.
Выполнены работы:
ремонт силовой части вч преобразователя; ремонт схемы управления силовой части, ремонт цепей питания силовой части;
Дополнительная информация
- разборка. очистка от пыли. замена транзисторов,стабилитронов,резисторов смд, резисторов-4шт. 15Ом 2 шт.1кОм.470Ом замена резистора керамического 47Ом 10вт-1шт.
- проверкана стенде и реальной сваркой.
- замена трансформатора импульсного
- пропаял микросхемы все, конденсаторы пару подозрительных, снимал кренку, + полностью пришлось восстанавливать обвязку силы
- два транзистора вс807, 2 диода bys 10-45
- силовое реле на 24в
- smd 102 15 471, транзисторы 2 шт 40N60, 2 диода
- есть следы пайки — меняли сопротивление 47 ом.
грубо меняли — некрасиво. - транзисторы и диоды целы, осциллы в норме, надо менять реле
- сколько могла по пайке подровняла — стало симпатичнее…
- кондер был вздутый, реле
- битые транзисторы, пыли не много, 47 ом развалилось, плюс обвязку посмотреть. на аппарате выгоревшая клемма и под ней расслаивается обугленный текстолит
- транзисторы взорваны напрочь, опять пытались самостоятельно поменять 47 ом, обвязку почти всю восстанавливать, транзисторы похоже стояли 4063, а не то что обычно 30н60
- плюс все мелкие резисторы, кроме 121. аппарат уже кем-то ремонтировался, обвязка была копанная, поставила все более менее ровно
- сила(30N60)+ мост в ~КЗ начиная от 30В в сети
Запчасти со склада
| Модуль IGBT, CM300DY-12NF 300A / 600V / / MITSUBISHI | 11213 | в наличии |
| Транзистор, IGBT, IRGP4063D / TO-247AC / 48A / 600V / 330W / International Rectifier | 390 | в наличии |
| Вентилятор / 120x120x38мм / DC 12В / YDh2238B12 / 0,55A /0,6А | 1340 | под заказ |
Главная печатная плата IR 160 1. 1.05.02.0432_IR 160 | уточняйте | в наличии |
Смотреть список всех запчастей
Похожие случаи
BestWeld PR200
не варит замыкает
AWELCO BlueMig 170
не варит, залипает, плохо проходит подача проволоки
ESAB PowerCUT 1600
не известно
EWM Pico 162
не варит
Brima TIG 300
не известно
Ergus B 201/30
горит защита
Мастерская
Отзывы
Сертификаты
Получите консультацию по ремонту BlueWeld Prestige 164
Свяжитесь с нами
8 800 775-09-69
(812) 599-50-50,
922-22-54
Email: info@deria.
ru
Мы вам перезвоним
| Файл | Краткое описание | Размер |
Страницы >>> [17] | ||
| prioritet.zip |
| 9.84 Mb |
| Strat_160-200.zip Strat_160-200KS.zip Strat_200U.zip Troubleshooting.zip |
| 1.45 Mb 1.32 Mb 623 kb 8.96 kb |
| pdg_151.pdf |
| 217 kb |
| 20141220.rar |
| 2.64 Mb |
| instr_prestige164.zip |
| 2.51 Mb |
| sa97pa20.zip |
| 6.95 Mb |
| slavteh285.djvu slavteh300.djvu slavteh305.djvu |
| 564 kb 442 kb 394 kb |
| norma200mp.djvu |
| 827 kb |
| aurora_pro_shoot_m10.zip |
| 0.23 Mb |
| HITACHI_Tech_File_W130-W160_W200_AUG_2010_Rus.pdf |
| 19.8 Mb |
| 225_MIGMMA160_200_2.pdf |
| 117 kb |
INSTRUCCIONES_INVERTE_TIG. pdf |
| 2.31 Mb |
| smart_sa-97i20sm_i25sm.zip sous.rar |
| 9.23 Mb 33.7 Mb |
| gp_sh.rar |
| 27.4 Mb |
| saipa-190mf.rar |
| 217 kb |
| BlueWeld_Prestig.pdf Telwin_Technology_175-210-188CE_GE.pdf |
| 1.64 Mb 904 kb |
| kmp300-kmp460-rus.pdf |
| 4.73 Mb |
| kemppi_minarc_150-vrd_151_ver-11_sm.pdf |
| 980 kb |
| MIG200.pdf |
| 583 kb |
| PowerCut-1600.pdf |
| 26.0 Mb |
Страницы >>> [17] | ||
Ремонт сварочных инверторов — особенности, инструкция по ремонту инвертора ARC, Telwin Tecnica, Asea, Blueweld Prestige, Fubag, Ресанта, адреса мастерских в Москве, СПб, Новосибирске, Екатеринбурге и других городах
Все больше промышленной техники начинает выполнять в более компактных модификациях.
За счет чего это стало возможным? За счет применения так называемых инверторных схем. Причем в качестве переключателей стали использовать полевые транзисторы большой мощности, а вот от силовых переключателей пришлось отказаться.
На фото сварочный инвертор
Особенности
Фактически все инверторы для проведения сварочных работ представлены в виде источника питания (постоянного тока). Все элементы этого типа оснащены специальной защитой от замыкания короткого типа и помещены в тепловую оболочку.
Некоторые разновидности этих агрегатов выполнены по специальной полномостовой схеме, которая предназначается для преобразования электрического тока. Частота этого устройства в среднем равняется 100КГц. Аппарат данного типа можно регулировать при помощи изменения признака скважности импульсов управляющего характера.
Данное устройство имеет четыре основных ключа, которые состоят из полевых транзисторов параллельного типа. Все они располагаются на отдельных сварочных панелях радиатора.
Ремонт оборудования выполняют по специальной схеме.
Для проведения наладки оборудования этого вида нужно иметь опыт в этом деле и соответствующий багаж знаний. Но специалисты утверждают, что ремонт данного механизма может проводиться собственноручно.
Чтобы выполнить ремонт инвертора необходимо будет использовать два специальных прибора:
- осциллограф;
- автометр стрелочный.
В том случае, если все необходимое есть под рукой, то можно приступать. Обычно начинают с разборки конструкции. Затем проводят его осмотр.
В большинстве своем все устройства состоят из:
- корпусной части, оснащенной вентилятором;
- платы управления всеми четырьмя ключами;
- входным выпрямителем и таким же устройством выходного типа.
Инструкция
На данный момент на рынке технического оснащения существует большое разнообразие различного рода сварочного оборудования. Сегодня наиболее популярными являются инвентарные установки сварочного типа.
Они соответствуют высоким стандартам качества и имеют необходимый функционал для выполнения большого спектра работ.
Но порой случаются неприятности. Как и любая другая аппаратура технического характера инверторы выходят из строя. Для того чтобы их привести в рабочее состояние, необходимо пользоваться специальной инструкцией:
- инструкция по ремонту инвертора ARC 165 – в этом документе содержится информация относительно комплектации и возможных неисправностей устройства.
- инструкция к инвертору Telwin tecnica 164 – бумаги содержат данные о технических особенностях прибора.
- ремонт сварочных инвертора Asea 250 – инструкция позволяет выполнить ремонт прибора без проблем и проволочек.
- ремонт сварочного инвертора Fubag in 160 – аппарат этого типа перед использованием и наладкой требует досконального изучения сопроводительной документации.
- ремонт инвертора Fubag in 170 – ремонт сварочного устройства выполняют в соответствии с пунктами, указанными в инструкции.

- инструкция по ремонту сварочных инверторов Ресанта – компания предоставляет все необходимые технические данные об устройстве в одном документе (инструкции). Ремонт можно проводить самостоятельно.
- ремонт ИБП инвертора сварочного типа Ресанта – предварительно стоит изучить изложенную в инструкции информацию. Если возникают вопросы, то следует обратиться за помощью к специалисту.
- ремонт сварочного инвертора Blueweld prestige 164 – если недостаточно знаний в области электроники, то не стоит заниматься «самолечением» инструмента. Лучше всего связаться с сервисным центром, номер которого указан в инструкции к прибору.
Инвертор ARC 165 на фото
Внутренности инвертора Asea 250 на фото
На снимке инвертор Ресанта
Главное, что должен помнить владелец инвертора — это то, что самостоятельная наладка устройства в период действия гарантии может привести к отказу отдела сервисного обслуживания проведения ремонта. Причиной тому срыв пломбы, нарушение корпусы и другие повреждения, которые мог нанести пользователь в момент самостоятельно ремонта оборудования.
Так что прежде чем пытаться провести ремонт самостоятельно, нужно обратиться в сервисный центр.
Адреса мастерских
Ремонт сварочных аппаратов в Москве адреса:
- Сеть магазинов «Мастер-Сварщик» г. Москва, ул. Милашенкова, дом 10 Контактный телефон: 8(495) 471-08-19;
- Компания «Зона Сварки» г. Москва, Ленинский проспект, 77к2 Контактный телефон: +74953695264;
- Сервисный центр «Ремнекс» г. Москва Электролитный проезд д3а стр9 Контактный телефон: 8-495-507-26-40, 8-903-536-33-88.
Внутренности сварочного инвертора на снимке
Ремонт сварочных аппаратов в Санкт-Петербурге:
- Компания «Зона Сварки» г. Санкт-Петербург метро Московская Контактный телефон: +7952369-68-64;
- Компания Ленремонт Офис №1 м. Пл. Мужества,пр. Непокоренных, д.2 (проход между домами в арку) Контактный телефон:8812 335-09-49;
- Компания Ленремонт Офис №2 м. Электросила, ул. Решетникова, д.5 пом. 2Н Контактный телефон:8812 640-64-32.
Ремонт сварочных инверторов в Новосибирске:
- ООО “Сервисный центр – Инвертор” г.
Новосибирск, ул. Кольцова, 154 корп.1 Контактный телефон: 8(383) 399-02-45,8-906-994-23-01.
Ремонт сварочных инверторов в Ростове-на-Дону:
- Сервисный центр по ремонту инверторного и электронного технического оборудования г. Ростов-на-Дону, ул.Белорусская, д.196А Контактный телефон: +7 (812) 555-55-55; +7 (812) 333-33-33.
Ремонт сварочных инверторов в Екатеринбурге:
- Сервисный центр по ремонту инверторного и электрического оборудования различных марок и производителей AIP-сервис г. Екатеринбург, Сибирский тракт, 57, корпус У1 Контактный телефон: 8(343) 361-06-40, 287-31-84.
Ремонт сварочного инвертора на фото
Ремонт сварочных аппаратов в Уфе:
- Компания “СВАРКОМПЛЕКТСЕРВИС Республика Башкортостан, г. Уфа, ул. Трамвайная 17а Контактный телефон: +7(347) 240-17-17 (многоканальный), +7(347) 240-14-63.
Ремонт сварочных аппаратов в Краснодаре:
- ООО Аква партнер Колхозная, 53/2, город Краснодар, Краснодарский край Контактный телефон: +78612101434, +78612101435, +78612100730.

Ремонт сварочных инверторов Красноярск:
- Сервисный центр «Надежда» г. Красноярск, пр. Красноярский Рабочий, 27, 4 стр Контактный телефон: +7 (391) 232-37-76.
Ремонт сварочных инверторов Саратов:
- Компания Техноспецснаб, г. Саратов, ул. Соколовая, д.129/141, Контактный телефон: 8 (8452) 33-01-21,8 (8452) 33-01-48.
Ремонт сварочных инверторов в Томске:
- ремонт и продажа «Мастер Плюс», г. Томск, ул. Герцена, дом 72, Контактный телефон: 8(3822) 55-02-45.
Ремонт сварочных инверторов в Солнечногорске:
- Ремонтная компания Мастер Инструмент Зеленоград, ул. Конструктора Гуськова, дом 14, стр. 2, офис 213 Контактный телефон: 8(495)364-64-29 8(495)364-64-39.
Видео
Смотрите на видео ремонт инвертора:
Поломка сварочного инвертора – это не всегда большая проблема. Если правильно выполнить диагностику и проанализировать причину поломки, то можно будет выполнить ремонтные работы самостоятельно.
HowElektrik
Honeywell Термостат Поиск и устранение неисправностей | Специалисты по обслуживанию
Honeywell — один из лучших производителей термостатов, и мы с гордостью устанавливаем их в Северной Америке. Они долговечны и надежны. Кроме того, Honeywell постоянно совершенствует свои технологии, предлагая больше возможностей для вашего дома.
Тем не менее, каждый термостат время от времени может иметь ошибки. В связи с этим мы составили это информативное руководство, которое поможет вам устранить неполадки. Хотя проблемы с устранением неполадок термостата Honeywell возникают редко, они все же возникают.
Большинство проблем с термостатом обычно можно устранить самостоятельно, но иногда требуется помощь специалиста. Наши специалисты по домашнему комфорту всегда готовы помочь вам, когда вы нуждаетесь в нас. Нам достаточно позвонить по телефону 866-397-3787.
Давайте начнем с процесса, выяснив, какая модель термостата установлена в вашем доме.
Какая у меня модель термостата?
Существует три типа термостатов:
- Ручной — это типичный термостат в форме циферблата. У вас не будет кодов ошибок с этим типом, но он также наименее эффективен для экономии на счетах за коммунальные услуги.
- Программируемый — этот термостат оснащен цифровым экраном и стрелками, которыми вы касаетесь, чтобы выбрать желаемую температуру. Вы также можете установить ежедневные программы для снижения температуры, когда вас нет, и повышения, когда вы возвращаетесь.
- Умный — вам не нужно планировать какие-либо программы на этом термостате, так как он запоминает ваш распорядок дня. Он интуитивно повышает и понижает температуру, когда вас или других членов семьи нет дома, чтобы помочь вам сэкономить на оплате коммунальных услуг. Вы также можете регулировать температуру в любом месте с помощью телефона или другого устройства с поддержкой Wi-Fi.
Как вы знаете, многие технологически продвинутые продукты могут иметь общие проблемы.
Многие из этих проблем не требуют профессиональной поддержки и легко решаются самостоятельно.
Устранение общих проблем с термостатом Honeywell
Каждый термостат Honeywell имеет эксклюзивную группу кодов, соответствующих возникающим неисправностям.
Подумайте, как просто восстановить компьютер, перезагрузив его. В большинстве ситуаций диагностика термостата может быть столь же несложной.
Вот список проблем с термостатами Honeywell, о которых чаще всего сообщают. These include the following programmable thermostats:
- Honeywell (RTh321B1020) Basic Programmable Thermostat
- Honeywell (RTh3300B1038) 5-2 Day Programmable Thermostat
- Honeywell (RTH6360D1002) 5-2 Day Programmable Touchscreen Thermostat
- Honeywell (RTH6580WF) 7- Программируемый на день Wi-Fi термостат с сенсорным экраном
- Honeywell (RTH7600D) Программируемый на 7 дней термостат с сенсорным экраном
- Honeywell (RTH8500D) Программируемый термостат с сенсорным экраном на 7 дней
- Honeywell (RTH856OD) T5 Программируемый термостат на 7 дней с сенсорным экраном
- Honeywell (RTH9585WF) Смарт-термостат с цветным сенсорным экраном Wi-Fi
- Honeywell (TH6220ProWF) Lyric Wi-Fi Программируемый термостат с сенсорным экраном
- Honeywell (TH9320WF) Цветной программируемый термостат с сенсорным экраном Wi-Fi
Дисплей пуст
Если экран программируемого термостата пуст, возможно, вам потребуется вставить новые батареи.
Если это не решит проблему или у вас есть интеллектуальный термостат, возможно, проблема с проводкой.
Затем вы должны проверить, подается ли питание на вашу печь или вентиляционную установку. Убедитесь, что переключатель рядом с внутренним блоком находится в положении «вверх».
Кроме того, вы должны убедиться, что все дверцы/панели шкафа печи или воздухообрабатывающего устройства плотно закреплены на своих местах.
Незащищенная панель может привести к срабатыванию защитного выключателя, который отключит питание устройства.
В редких случаях пустой экран может означать, что вам необходимо купить новый термостат.
Блок HVAC не работает
Убедитесь, что ваш термостат находится в положении «охлаждение» или «обогрев», а не «выключено».
Летом подтвердите, что вы устанавливаете термостат ниже температуры окружающей среды. Когда холодно, подтвердите, что он выше. Это звучит глупо, но мы видели, как это происходит много раз.
Убедитесь, что выключатель питания рядом с вашим внутренним блоком находится в положении «включено».
Вы также должны убедиться, что дверцы шкафа или панели плотно прилегают к шкафу печи или воздухораспределителю. Открытая панель может вызвать срабатывание защитного выключателя, отводящего ток в систему.
Оборудование по-прежнему не запускается? Убедитесь, что автоматические выключатели не сработали и что ваша система HVAC не имеет кодов ошибок.
Мигает индикация «Вкл. охлаждение» или «Вкл. обогрев»
Для начала убедитесь, что ваш термостат переключен на «охлаждение» или «нагрев».
Затем проверьте, указывает ли система на запуск. Обычно это отображается с помощью «охлаждения», «нагрева» или изображения.
Если эти слова или значок мигают, ваш термостат находится в состоянии пятиминутной задержки. Эта функция защищает ваше устройство от повреждений при коротких циклах. Это может произойти, если вы потеряете силу.
Коды ошибок для термостатов Honeywell
Honeywell Lyric™ T5 Wi-Fi (RCHT8612WF/RCHT9510WFW)
- 164 — требуется обслуживание теплового насоса.
Позвоните специалистам по обслуживанию систем отопления и кондиционирования воздуха по телефону 866-397-3787, чтобы получить помощь. - 168 — ошибка радио Wi-Fi. Обратитесь в службу технической поддержки Lyric по телефону 800-633-3991. 170 — Ошибка внутренней памяти. Позвоните в службу технической поддержки Lyric по телефону 800-633-3991.
- 171 — Установить дату и время. Завершите эти настройки, чтобы можно было запустить планирование.
- 173—Ошибка датчика температуры термостата. Обратитесь в службу технической поддержки Lyric по телефону 800-633-39.91.
- 175—Подача переменного тока возобновлена. Никаких действий не требуется.
- 181/182—Заменить воздушный фильтр. Очистите дисплей, нажав «Отклонить» после установки чистого фильтра.
- 184—Установите новую прокладку увлажнителя. Очистите дисплей, нажав «Отклонить» после установки нового прокладочного фильтра.
- 185 — Установите новый фильтр осушителя. Очистите экран, нажав «Отклонить» после установки нового фильтра.

- 187 — Промойте или установите новый фильтр вентилятора. Очистите экран, нажав «Отклонить» после установки нового фильтра.
- 188/189—Замените УФ-лампу. Позвоните специалистам по обслуживанию систем отопления и кондиционирования воздуха по телефону 866-397-3787, чтобы получить помощь.
- 210 — онлайн-регистрация температуры наружного воздуха. Загрузите приложение Lyric, чтобы выполнить этот шаг и обеспечить правильную работу термостата.
- 388—Зарегистрируйтесь онлайн для удаленного доступа и температуры наружного воздуха. Используйте приложение Lyric, чтобы завершить этот шаг и обеспечить правильную работу термостата.
- 399 — Интернета нет. Проверьте настройки сети.
- 400 — Нет сигнала Wi-Fi. Дождитесь повторного подключения термостата или выберите новую сеть Wi-Fi.
- 508 — Wi-Fi не настроен. Загрузите приложение Lyric и следуйте инструкциям по подключению термостата.
Для получения более подробной информации см.
руководство пользователя этого термостата.
Интеллектуальный программируемый термостат Honeywell T6 Pro (Th511OU2005)
- 164 — Тепловой насос нуждается в обслуживании. Обратитесь за помощью к специалистам по обслуживанию систем отопления и кондиционирования воздуха по телефону 866-397-3787.
- 168 — ошибка радио Wi-Fi. Позвоните специалистам по обслуживанию систем отопления и кондиционирования воздуха по телефону 866-397-3787, чтобы получить помощь.
- 170 — Ошибка внутренней памяти. Обратитесь за поддержкой к специалистам по обслуживанию систем отопления и кондиционирования воздуха по телефону 866-397-3787.
- 171 — Установить дату и время. Завершите эти настройки, чтобы можно было планировать.
- 173—Ошибка датчика температуры термостата. Обратитесь за помощью к специалистам по обслуживанию систем отопления и кондиционирования воздуха по телефону 866-397-3787.
- 175 — питание переменного тока снова подключено. Не требуется никаких действий.

- 177—Ошибка датчика температуры в помещении. Позвоните специалистам по обслуживанию систем отопления и кондиционирования воздуха по телефону 866-39.7-3787 для помощи.
- 178—Ошибка датчика наружной температуры. Позвоните специалистам по обслуживанию систем отопления и кондиционирования воздуха по телефону 866-397-3787, чтобы получить помощь.
- 181/182—Установите новый воздушный фильтр. Очистите экран, нажав «Отклонить» после установки чистого фильтра.
- 183 — Промойте бак увлажнителя и установите новый фильтр для воды. Очистите монитор, нажав «отклонить» после выполнения этих задач.
- 184—Замените прокладку увлажнителя. Очистите монитор, нажав «Отклонить» после получения нового фильтра.
- 185—Замените фильтр осушителя. Очистите монитор, нажав «Отклонить» после добавления чистого фильтра.
- 186 — Очистите сердцевину вентилятора. Очистите монитор, нажав «отклонить» после выполнения этой задачи.
- 187 — Промойте или приобретите новый фильтр вентилятора.
Очистите дисплей, нажав «Отклонить» после установки нового фильтра. - 188/189 — добавьте новую УФ-лампу. Свяжитесь со специалистами по обслуживанию систем отопления и кондиционирования воздуха по телефону 866-397-3787 для получения поддержки.
- 210 — Онлайн-регистрация температуры наружного воздуха. Загрузите приложение Lyric, чтобы выполнить этот шаг и обеспечить правильную работу термостата.
- 388 — Зарегистрируйтесь онлайн для удаленного доступа и температуры наружного воздуха. Используйте приложение Lyric, чтобы завершить этот шаг и обеспечить точную работу термостата.
- 399 — Интернета нет. Проверьте настройки сети.
- 400 — Нет сигнала Wi-Fi. Дождитесь повторного подключения термостата или выберите новую сеть Wi-Fi.
- 508 — Wi-Fi не настроен. Загрузите приложение Lyric и следуйте инструкциям по подключению термостата.
Для получения более подробной информации см. руководство пользователя этого термостата.
Наши специалисты готовы оказать поддержку
Если после устранения неполадок у вас все еще возникают проблемы, наши специалисты всегда готовы помочь вам.
Позвоните нам по телефону 866-397-3787, и мы быстро приедем к вам домой, чтобы определить неисправность.
Если вы полагаетесь на устаревший термостат, самое время подумать о новом термостате. В последнее время технология термостатов прошла долгий путь. Запросите у нас дополнительную информацию о том, как интеллектуальные термостаты могут сделать ваше жилье более удобным, помогая экономить на счетах за коммунальные услуги в течение всего года.
Автокузовная мастерская Канзас-Сити Ремонт после столкновений Prestige Auto KC
От компании № 1 по ремонту после столкновений в Канзас-Сити.
СМОТРЕТЬ ВИДЕО
Мы обслуживаем все основные и роскошные марки автомобилей
Не дай себя обмануть
Ремонт после аварии в Канзас-Сити может стать КОШМАРОМ!
Вы ищете автосервисы Канзас-Сити? Наем неподходящей компании по ремонту после столкновений или автомастерской может обернуться катастрофой. В районе метро Канзас-Сити есть масса сомнительных магазинов, которые либо ограбят вас, либо предоставят вам непрофессиональный и, возможно, даже небезопасный ремонт.
Prestife Auto KC — это автомастерская с полным спектром услуг, которая в настоящее время считается мастерской № 1 по ремонту после ДТП в Канзас-Сити. Наши специалисты, сертифицированные I-Car Gold Class, обеспечивают квалифицированный ремонт после аварии, включая ремонт кузова и рамы, подбор окраски автомобиля в заводской цвет и отделку, а также механический ремонт, связанный с аварией, возвращая ваш автомобиль в состояние до аварии.
РЕМОНТ АВТОМОБИЛЕЙ ICAR GOLD-CLASS В КАНЗАС-СИТИ ТЕХНИКАМИ, ОБУЧЕННЫМИ ЗАВОДОМ ОБУЧЕНИЯ
Наша автомастерская предлагает комплексное решение всех вопросов, связанных с кузовным ремонтом и покраской. Мы выполняем все виды ремонта вмятин на автомобилях, включая ремонт вмятин без покраски и ремонт вмятин. Пожалуйста, позвоните нам, чтобы договориться о эвакуации и аренде автомобиля, который можно забрать, забрать и доставить по запросу.
Мы будем работать с вашей страховой компанией, чтобы ускорить процесс рассмотрения претензии, обеспечить качественный ремонт и полное удовлетворение клиента.
ВАШ РЕМОНТ ПРИ АВАРИИ ГАРАНТИРОВАН!
Prestige Auto KC предлагает ограниченную пожизненную гарантию на нашу работу и пожизненную общенациональную гарантию
на нашу краску. Мы знаем, что ваш автомобиль ценен, и мы гарантируем, что ремонт вашего автомобиля будет выполнен правильно.
Избавьтесь от стресса, ICAR Gold-Class
Ремонт после столкновений
Обученные на заводе сертифицированные специалисты по ремонту после столкновений в Канзас-Сити
Вы ищете автомастерские по ремонту кузовов в Канзас-Сити? Prestige Auto KC — это авторемонтная мастерская с полным спектром услуг, которая в настоящее время считается мастерской № 1 по ремонту после ДТП в Канзас-Сити. Наши технические специалисты I-Car Gold Class обеспечивают квалифицированный ремонт после аварии, включая ремонт кузова и рамы, подбор окраски автомобиля в заводской цвет и отделку, а также механический ремонт, связанный с аварией, возвращая вашему автомобилю состояние до аварии.
МЫ РАБОТАЕМ СО ВСЕМИ ОСНОВНЫМИ СТРАХОВЫМИ КОМПАНИЯМИ
Наша автомастерская предлагает все необходимое для ремонта и покраски автомобилей в одном месте. Мы выполняем все виды ремонта вмятин на автомобилях, включая ремонт вмятин без покраски и ремонт вмятин.
Пожалуйста, позвоните нам, чтобы договориться о эвакуации и аренде автомобиля, который можно забрать и вернуть в Prestige Auto KC. Мы предлагаем бесплатные поездки в и из Prestige Auto KC, а также получение и доставку автомобиля по запросу.
Мы будем работать с вашей страховой компанией, чтобы ускорить процесс рассмотрения претензии, обеспечить качественный ремонт и полное удовлетворение клиента.
ВАШ РЕМОНТ ПРИ АВАРИИ ГАРАНТИРОВАН!
Prestige Auto KC предлагает ограниченную пожизненную гарантию на нашу работу и пожизненную общенациональную гарантию
на нашу краску. Мы знаем, что ваш автомобиль ценен, и мы гарантируем, что ремонт вашего автомобиля будет выполнен правильно.
ПОДГОТОВЛЕННЫЕ НА ЗАВОДЕ И СЕРТИФИЦИРОВАННЫЕ СПЕЦИАЛИСТЫ ПО УСТРАНЕНИЮ АВАРИЙНЫХ СРЕДСТВ
Наши специалисты имеют сертификат I-CAR Gold Class, что означает, что они обучены новейшим технологиям и методам ремонта вашего автомобиля и восстановления его состояния до аварии.
Работать с нами так ПРОСТО!
3 простых шага к восстановлению вашего любимого автомобиля
Получить предложение по телефону
0055
со сроком службы
Вы гордитесь своим автомобилем
Мы гордимся нашей работой
Вы гордитесь своим автомобилем
Мы гордимся нашей работой
Reviews & Testimonials
Our Clients Say It Best
AUGUST 2021
5/5
Ну, вы не получите рейтинг одобрения 4,9, если вы все делаете правильно! Эти ребята хороши в своем деле, и с ними легко работать.
Алексей молодец!
таковендор74
АВГУСТ 2021
5/5
Алекс лучший! Их работа безупречна, и они очень хорошо осведомлены, профессиональны и дружелюбны!
Тарин Келли
ИЮЛЬ 2021
5/5
Prestige — лучший кузовной цех, которым мы когда-либо пользовались. Мы сбили оленя на шоссе (офигеть!) в 4 часа утра по пути к раннему вылету из KCI, и он нанес значительный ущерб от бампера до бампера. Одну из дверей даже пришлось полностью заменить. Алекс, Крис и команда были профессиональны, честны и проделали прекрасную работу. Они делают потрясающую работу и поддерживают ее, а также постоянно информировали нас. Самое главное, машина снова выглядит как новая! Сделали все как обещали и как надо, даже согласовали с нашей страховой компанией. Поскольку мы любим и ценим автомобили, теперь, когда мы нашли Prestige, нет необходимости искать что-то еще.
Спасибо за хорошо проделанную работу!
ЯНВАРЬ 2021
Audi 5/5
Alex и его команда отлично справились с задачей a5 Q. Я пошел с ними, зная, что они сертифицированы для работы с престижными автомобилями. Они смогли достать мне новые запчасти для моей машины по моей страховке, что меня очень обрадовало. Связь была отличной, и они своевременно отремонтировали мою машину. Моя машина выглядела великолепно, и я был доволен всей проделанной работой. Обязательно буду рекомендовать их всем, кто спросит. Большое спасибо!
Аманда Кул
Последние новости и сообщения в блогах
Ресурсы по ремонту после столкновений в Канзас-Сити
Почему страховая компания попытается отправить вас в свои мастерские прямого ремонта
23 марта 2017 г.
Если вы попали в аварию, страховая компания, оплачивающая ущерб, нанесенный вашему автомобилю, предложит вам воспользоваться их услугами по ремонту
OEM запчасти или подделка? Рост количества контрафактных компонентов ставит под угрозу безопасность автомобилей
29 июля 2016 г.![]()
От неисправных подушек безопасности до поддельных ремней безопасности. В последнее время сообщается, что все больше и больше автозапчастей являются поддельными, и что почти все
Автомастерская Канзас-Сити предлагает советы о том, как НЕЛЬЗЯ обращаться с автомобилем
21 июля 2016 г.
Транспортные средства сегодня являются значительным вложением, независимо от марки/модели вашего автомобиля, грузовика или внедорожника. Вы поддерживаете свой дом и заботитесь о нем, поэтому
ПОСМОТРЕТЬ БОЛЬШЕ
грубо меняли — некрасиво.
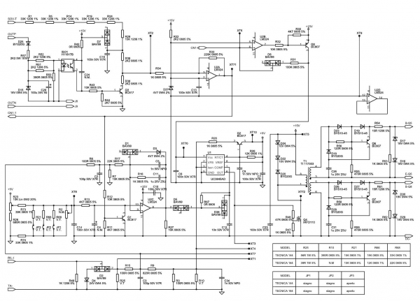
1.05.02.0432_IR 160
Схемы представлены в формате САПР P_CAD 2006, а также в формате .PDF.
pdf



Новосибирск, ул. Кольцова, 154 корп.1 Контактный телефон: 8(383) 399-02-45,8-906-994-23-01.
Позвоните специалистам по обслуживанию систем отопления и кондиционирования воздуха по телефону 866-397-3787, чтобы получить помощь.

Очистите дисплей, нажав «Отклонить» после установки нового фильтра.
Заявите права на эту компанию