Размеры вытяжных заклепок: Заклёпки вытяжные стальные ST/ST со стандартным бортиком купить оптом в СПб
Содержание
Заклёпка вытяжная размеры
ТДМ — метизы, крепёж оптом
• Крепёж оптом • Карта сайта • О компании • Контакты •
• Интернет-магазин • Новая версия сайта •
192102 Санкт-Петербург, Волковский проспект д. 32
8 (800) 333-15-79, +7 (812) 244-72-72
+7 (812) 677-17-27, +7 (495) 966-64-95
e-mail: [email protected]
Крепёж оптом / Заклёпки / Заклёпка вытяжная стальная со стандартным буртиком
Заклёпка вытяжная стальная со стандартным буртиком ST/ST — сталь/ сталь. Размеры стальных вытяжных заклёпок от 3.0 х 6 до 6.4 х 45 мм. Они применяются для создания неразъемных соединений тонколистовых материалов. С помощью заклёпочника установка заклёпок возможна при доступе только с одной стороны материала.
Материалы:
- Тело: сталь.
- Стержень: сталь.
| Размер заклёпки | d | dk | K | R max | d1 | L1 | Усилие на разрыв N | Усилие на срез N |
3. 0 | 3.0 +0.08-0.10 | 6.5 -0.7 | 0.8 ±0.2 | 0.2 | 1.90 | 27 | 1125 | 915 |
| 3.2 | 3.2 +0.08-0.10 | 6.5 -0.7 | 0.8 ±0.2 | 0.2 | 2.00 | 27 | 1285 | 1060 |
| 4.0 | 4.0 +0.08-0.15 | 8.0 -1.0 | 1.0 ±0.3 | 0.3 | 2.50 | 27 | 1990 | 1550 |
| 4.8 | 4.8 +0.08-0.15 | 9.5 -1.0 | 1.1 ±0.3 | 0.3 | 2.90 | 27 | 2920 | 2300 |
| 5.0 | 5.0 +0.08-0.15 | 9.5 -1.0 | 1.1 ±0.3 | 0.3 | 2.90 | 27 | 3255 | 2575 |
| 6.0 | 6.0 +0.08-0.15 | 12.0 -1.5 | 1. 5 ±0.4 | 0.4 | 3.40 | 27 | 5000 | 4000 |
| 6.4 | 6.4 +0.08-0.15 | 13 -1.5 | 1.8 ±0.4 | 0.5 | 3.85 | 27 | 5400 | 4350 |
| Размер заклёпки | Толщина соединяемых материалов | Диаметр бортика | Диаметр отверстия |
| 3.0 x 6 | 1.5 — 3.5 | 6.5 | 3.1 — 3.2 |
| 3.0 x 8 | 3.5 — 5.5 | ||
| 3.0 x 10 | 5.5 — 7.0 | ||
| 3.0 x 12 | 7.0 — 9.0 | ||
| 3.0 x 14 | 9.0 — 11.0 | ||
| 3.0 x 16 | 11.0 — 13.0 | ||
| 3.0 x 18 | 13.0 — 15.0 | ||
| 3.0 x 20 | 15.0 — 17.0 | ||
| 3.2 x 6 | 1.5 — 3. 5 | 6.5 | 3.3 — 3.4 |
| 3.2 x 8 | 3.5 — 5.0 | ||
| 3.2 x 10 | 5.0 — 7.0 | ||
| 3.2 x 12 | 7.0 — 9.0 | ||
| 3.2 x 14 | 9.0 — 11.0 | ||
| 3.2 x 16 | 11.0 — 13.0 | ||
| 3.2 x 18 | 13.0 — 15.0 | ||
| 3.2 x 20 | 15.0 — 17.0 | ||
| 3.2 x 25 | 20.0 — 22.0 | ||
| 4.0 x 6 | 1.5 — 3.0 | 8.0 | 4.1 — 4.2 |
| 4.0 x 8 | 3.0 — 5.0 | ||
| 4.0 x 10 | 5.0 — 6.5 | ||
| 4.0 x 12 | 6.5 — 8.5 | ||
| 4.0 x 14 | 8.5 — 10.5 | ||
| 4.0 x 16 | 10.5 — 12.5 | ||
| 4.0 x 18 | 12.5 — 14.5 | ||
| 4.0 x 20 | 14.5 — 16.5 | ||
| 4.0 x 22 | 16.5 — 18.0 | ||
| 4.0 x 25 | 18.0 — 21.5 | ||
| 4.0 x 26 | 18. 5 — 22.5 | ||
| 4.0 x 28 | 21.5 — 24.0 | ||
| 4.0 x 30 | 21.5 — 26.0 | ||
| 4.8 x 6 | 1.0 — 3.0 | 9.5 | 4.9 — 5.0 |
| 4.8 x 8 | 3.0 — 4.5 | ||
| 4.8 x 10 | 4.5 — 6.0 | ||
| 4.8 x 12 | 6.0 — 8.0 | ||
| 4.8 x 14 | 8.0 — 10.0 | ||
| 4.8 x 16 | 10.0 — 12.0 | ||
| 4.8 x 18 | 12.0 — 14.0 | ||
| 4.8 x 20 | 14.0 — 16.0 | ||
| 4.8 x 22 | 16.0 — 18.0 | ||
| 4.8 x 23 | 16.5 — 19.0 | ||
| 4.8 x 24 | 17.0 — 20.0 | ||
| 4.8 x 25 | 18.0 — 21.0 | ||
| 4.8 x 28 | 21.0 — 23.5 | ||
| 4.8 x 30 | 23.0 — 25.0 | ||
| 4.8 x 32 | 25.0 — 27.0 | ||
| 4.8 x 35 | 25.0 — 30.0 | ||
| 4.8 x 40 | 30,0 — 35.0 | ||
| 4.8 x 50 | 40,0 — 45. 0 | ||
| 5.0 x 6 | 0.5 — 2.5 | 9.5 | 5.1 — 5.2 |
| 5.0 x 8 | 2.5 — 4.5 | ||
| 5.0 x 10 | 4.5 — 6.0 | ||
| 5.0 x 12 | 6.0 — 8.0 | ||
| 5.0 x 14 | 8.0 — 10.0 | ||
| 5.0 x 16 | 10.0 — 12.0 | ||
| 5.0 x 18 | 12.0 — 14.0 | ||
| 5.0 x 21 | 14.0 — 17.0 | ||
| 5.0 x 25 | 17.0 — 20.0 | ||
| 5.0 x 27 | 20.0 — 23.0 | ||
| 5.0 x 30 | 23.0 — 25.0 | ||
| 6.0 x 8 | 2.0 — 4.0 | 12.0 | 6.1 — 6.2 |
| 6.0 x 10 | 4.0 — 6.0 | ||
| 6.0 x 12 | 6.0 — 8.0 | ||
| 6.0 x 14 | 7.0 — 9.0 | ||
| 6.0 x 16 | 9.0 — 11.0 | ||
| 6.0 x 18 | 11.0 — 13.0 | ||
| 6.0 x 22 | 13. | ||
| 6.0 x 26 | 17.0 — 20.0 | ||
| 6.0 x 30 | 20.0 — 24.0 | ||
| 6.4 x 8 | 2.0 — 4.0 | 13.0 | 6.5 — 6.6 |
| 6.4 x 10 | 2.0 — 5.0 | ||
| 6.4 x 12 | 4.0 — 6.0 | ||
| 6.4 x 14 | 6.0 — 8.0 | ||
| 6.4 x 16 | 8.0 — 11.0 | ||
| 6.4 x 18 | 9.0 — 13.0 | ||
| 6.4 x 20 | 11.0 — 15.0 | ||
| 6.4 x 22 | 13.0 — 16.0 | ||
| 6.4 x 25 | 15.0 — 19.0 | ||
| 6.4 x 26 | 16.0 — 20.0 | ||
| 6.4 x 28 | 17.0 — 22.0 | ||
| 6.4 x 30 | 18.0 — 24.0 | ||
| 6.4 x 32 | 22.0 — 26.0 | ||
| 6.4 x 35 | 24.0 — 30.0 | ||
| 6.4 x 40 | 30.0 — 35.0 | ||
| 6.4 x 45 | 35.0 — 40.0 |
Вы можете заказать и купить стальные вытяжные заклёпки любых размеров по оптовым ценам.
Таблица размеров вытяжных заклёпок: расчёт толщины и маркировка
Работа с металлом – дело непростое. Допустим, нужно собрать из гнутого листа нержавейки водосточную трубу. Использовать сварку? Высокая температура деформирует заготовку. Взять болты с гайками? А как быть с внутренней стороной, туда особо не подлезешь.
Для случаев, когда есть доступ только с одной стороны, подойдёт заклепка вытяжная: размеры метиза начинаются от 2,4×6 мм, где 2,4 – диаметр, а 6 – длина полой трубки.
Конструкция
Крепежное изделие состоит из двух частей:
- Стержень. На конце утолщение – фиксатор для расширения втулки.
- Тело. Состоит из головки – буртика и прямой втулки.
В зависимости от назначения, головка бывает потайной. Идеальный вариант, когда метиз должен быть невидим на поверхности материала. Широкий и высокий буртики усиливают надёжность соединения, но хорошо видны невооружённым глазом.
Не очень эстетично, зато прочно.
Особенности резьбовых заклепок и их использование
Данный вид крепежного изделия имеет большой потребительский спрос. Крепёж объединяет два типа соединения. Один из них обладает внутренней резьбой и предназначен для крепления винтов. Другое скрепление материала выполняется как обычными заклёпками.
Точного названия крепеж не имеет из-за отсутствия стандартов DIN или ISO. Если учитывать конструктивные особенности метиза, то они обусловлены двойным предназначением. При помощи данного изделия можно соединять листовой металл и устанавливать резьбовые крепления для тонкостенных металлических конструкций. Телу заклёпки соответствует диаметр бортика. Изделие с увеличенным бортиком обширно используют для скрепления алюминиевых панелей.
По форме головки заклепки различают с потайными цилиндрическим бортиком. Такой вид крепежных изделий удобен при выполнении монтажных работ.
Гайка-заклепка с потайной головкой
Гайка-заклепка с цилиндрической головкой
Резьбовые заклепки
также различают по наружной поверхности. Они могут быть шестигранные, рифленые и гладкие изделия. Наиболее распространенной формой считаются шестигранные и гладкие заклёпки.
Монтаж с заклёпками выполняют при помощи инструмента. Это ручные и пневматические заклёпочники, щипцы для гаек и другие виды инструмента.
Изготовители крепёжных изделий используют для изготовления продукции алюминиевые сплавы, а также нержавеющую и оцинкованную сталь. Крепёж считается универсальным изделием. Подобрать заклёпку такого вида для выполнения работ совершенно не сложно. Но при этом следует учесть некоторые факторы, связанные с выбором метизной продукции.
Правильный выбор зависит:
- От толщины изделия.

- Характера скрепляемого материала.
- Типа покрытия.
Такая разновидность крепежного изделия широко применяется в тонколистовых конструкциях, особенно нуждающихся в надежном резьбовом соединении. Резьбовую заклёпку можно без усилий установить в труднодоступном месте при помощи пневмогидравлического оборудования и другого пневматического инструмента.
Крепеж такого образца обеспечивает высокую степень прочности и повышенную стойкость к проявлениям коррозии.
Резьбовые заклёпки обладают рядом преимуществ:
- Удобство и быстрота в выполнении работ.
- Многофункциональность крепёжного изделия.
- Предоставляется полная автоматизация процесса.
- Разнообразный ассортимент инструмента при установке заклёпок.
Длина может варьироваться в зависимости от вида крепежа. Также следует учитывать толщину, тип материала и вид используемого инструмента для закрепления крепежного изделия.
Таблица размеров
Технические характеристики заклёпок регламентируют международные нормативы.
Это ГОСТ Р ИСО 15973-2005 и DIN 7337. Приведём таблицу с типовыми размерами:
| Маркировка | L (длина тела), мм | d (диаметр отверстия), мм | D (диаметр тела), мм |
| 2,4×6 | 6,00 | 2,50 | 2,40 |
| 2,4×8 | 8,00 | 2,50 | 2,40 |
| 2,4×10 | 10,00 | 2,50 | 2,40 |
| 2,4×12 | 12,00 | 2,50 | 2,40 |
| 3,2×6 | 5,80-6,60 | 3,30 | 3,20 |
| 3,2×8 | 7,80-8,60 | 3,30 | 3,20 |
| 3,2×10 | 9,80-10,60 | 3,30 | 3,20 |
| 3,2×12 | 11,80-12,60 | 3,30 | 3,20 |
| 3,2×14 | 13,80-14,60 | 3,30 | 3,20 |
| 3,2×15 | 15,00 | 3,30 | 3,20 |
| 3,2×16 | 15,80-16,60 | 3,30 | 3,20 |
| 3,2×18 | 17,80-18,60 | 3,30 | 3,20 |
| 3,2×21 | 21,00 | 3,30 | 3,20 |
| 3,2×25 | 25,00 | 3,30 | 3,20 |
| 4,0×6 | 5,80-6,60 | 4,10 | 4,00 |
| 4,0×8 | 7,80-8,60 | 4,10 | 4,00 |
| 4,0×10 | 9,80-10,60 | 4,10 | 4,00 |
| 4,0×12 | 11,80-12,60 | 4,10 | 4,00 |
| 4,0×14 | 13,80-14,60 | 4,10 | 4,00 |
| 4,0×16 | 15,80-16,60 | 4,10 | 4,00 |
| 4,0×18 | 17,80-18,20 | 4,10 | 4,00 |
| 4,0×21 | 21,00 | 4,10 | 4,00 |
| 4,0×25 | 25,00 | 4,10 | 4,00 |
| 4,8×6 | 5,80-6,60 | 4,90 | 4,80 |
| 4,8×8 | 7,80-8,60 | 4,90 | 4,80 |
| 4,8×10 | 9,80-10,60 | 4,90 | 4,80 |
| 4,8×12 | 11,80-12,60 | 4,90 | 4,80 |
| 4,8×14 | 13,80-14,60 | 4,90 | 4,80 |
| 4,8×16 | 15,80-16,20 | 4,90 | 4,80 |
| 4,8×18 | 17,80-18,20 | 4,90 | 4,80 |
| 4,8×20 | 20,00 | 4,90 | 4,80 |
| 4,8×21/22 | 20,80-21,20 | 4,90 | 4,80 |
| 4,8×24/25 | 24,80-25,70 | 4,90 | 4,80 |
| 4,8×27 | 27,00 | 4,90 | 4,80 |
| 4,8×30 | 30,00 | 4,90 | 4,80 |
| 4,8×32 | 32,00 | 4,90 | 4,80 |
| 4,8×35 | 35,00 | 4,90 | 4,80 |
| 6,4×10 | 10,00 | 6,50-6,70 | 6,40 |
| 6,4×12 | 12,00 | 6,50-6,70 | 6,40 |
| 6,4×14 | 14,00 | 6,50-6,70 | 6,40 |
| 6,4×16 | 16,00 | 6,50-6,70 | 6,40 |
| 6,4×18 | 18,00 | 6,50-6,70 | 6,40 |
| 6,4×21 | 21,00 | 6,50-6,70 | 6,40 |
| 6,4×24/25 | 25,00 | 6,50-6,70 | 6,40 |
| 6,4×28 | 28,00 | 6,50-6,70 | 6,40 |
Отверстие сверлят на 0,1-0,2 мм шире диаметра заклёпки.
Так проще вставить втулку, плюс она расширяется в момент движения фиксирующего стержня.
В некоторых проектах поиск крепежа, который подойдет к тонким или хрупким материалам, может показаться невозможным. Это как раз тот случай, когда нужно использовать гаечные заклепки, их еще называют резьбовые. Как один дин из вариантов заклепки, резьбовая имеет цилиндрическую или шестигранную форму внешней поверхности тела с буртом с одной стороны и резьбовым отверстием во внутренней части. Как и вытяжные заклепки, резьбовые заклепки, или как их еще называют — гаечные заклепки) возможно установить даже в тех случаях, когда доступ открыт только к одной стороны, что делает их невероятно универсальными. Резьбовая заклепка была разработана компанией BF Goodrich в 1936 году для крепления резиновых протекторов к передней части крыла самолета. Изначально гаечные заклепки продавались под торговой маркой RIVNUT®, но сегодня на рынке представлено широкое разнообразие брендов, выпускающих резьбовые заклепки.![]()
Вот несколько советов по использованию и установке гаечных заклепок:
1.Выбирайте правильные резьбовые заклепки.
Есть два типа резьбовых заклепок: первый предназначен для формирования выпуклости с обратной стороны детали, в то время как винт, ось или болт уже затянуты. Второй затягивается в гильзу и не образует выпуклость, как в первом случае. •Стандартный (широкий) фланец: особенность гаечной заклепки в том, что она обеспечивает большую опорную поверхность, которая одновременно усиливает прочность отверстия и предотвращает вдавливание заклепки внутрь. Так же стандартный фланец (за счёт своей толщины) обеспечивает некоторый зазор и прочность на выпрессовку; •Потайной фланец: при подготовке отверстия под установку таких заклепок необходимо применять зенкование, эта операция позволяет обеспечить монтаж заклепки в уровень с поверхностью; •Уменьшенный фланец: так же его называют уменьшенный потайной, близок по своим свойствам к потайному фланцу, но не требует занкования отверстия, после установки фланец такой заклепки находится практически в уровень с поверхностью; •Форма: резьбовые заклепки могут иметь цилиндрическую (со шлицами или без них), шестиугольную и как вариант ее исполнения полушестигранную форму.
Каждый из этих видов предназначен для того, чтобы предотвратить вращение крепления на высоких уровнях крутящего момента, особенно при использовании мягких материалов. • Цилиндрическая заклепка со шлицами: шлицы (клинья) под головкой сдерживают заклепку от прокручивания в отверстии, впиваясь в монтажный материал. Эта особенность позволяет работать с мягкими материалами: пластиком, стеклопластиком или алюминием. • Шестирганная заклепка: дли применения шестигранных и полушестигранный заклепок необходимо изготовление шестигранных отверстий в заготовке. • открытые или закрытые: всего два вида, причем последние предотвращают попадание жидкости и грязи во внутрь изделия
Если вы не уверены, какой вид заклепок необходим конкретно для вашей работы, воспользуйтесь помощью профессионала, который знает все встречающиеся разновидности крепежа.
2. Используйте со всевозможными материалами.
Резьбовые заклепки – это простой в установке, надежный крепеж, который может выдерживать сильную нагрузку на слабых или тонких стандартных деталях, таких как тонколистовой металл, корпуса, панели, трубки и профили.
Кроме того, благодаря достаточно большому диапазону толщин скрепляемых материалов гаечные заклепки подходят для установки в материалы различной толщины.
3. Более практичные, чем остальной крепеж.
Сделанные из алюминия, оцинкованой и нержавеющей стали, резьбовые заклепки имеют множество преимуществ по сравнению с болтами, саморезами и прессованными вставками. На самом деле, резьбовые заклепки не портятся под воздействием температур в отличие от других элементов крепежа, таких как приварная гайка. Во многих случаях использование резьбовых заклепок является более практичным по сравнению с другим доступным крепежом.
4. Идеально подходит для многих отраслей и сфер применения.
Этот крепеж предназначен для автоматизации процесса и широко используется в автомобильной промышленности, чтобы крепить предметы к приборным панелям, так же как к раме и кузову крепятся багажники, спойлеры, пластиковые крылья, радиаторы и прочее. Резьбовые заклепки также идеально подходят для каждого этапа производства без необходимости повторной обработки после вставки, даже если заготовка уже была покрашена или покрыта чем-то.
Где еще используются заклепки: • холодильники; • оборудование для детских площадок; • офисная мебель; • солнечные панели; • медицинская техника; • конструкционный пластик; • электроника; • велосипеды; • аэрокосмическая промышленность; • военные транспортные средства; • лодки, катера, корабли;
• плавательные бассейны.
5. Используйте подходящие инструменты.
Среди основных преимуществ гаечных заклепок – более быстрая сборка и низкие затраты на установку в сравнении с другим крепежом. В связи с тем, что гаечные заклепки созданы для автоматизированных систем и используются на заводах, мощные инструменты для установки часто устанавливаются на роботизированный привод. Но во время индивидуального использования вы можете устанавливать гаечные заклепки, используя легкие по весу и в управлении ручные инструменты или пневмогидравлический заклепочник.
Также читайте нашу статью «Достаточно ли легкие заклепки вы используете в работе?»
23.11.2018
Расчёт толщины
У нас в таблице есть длина тела.
Но так ли просто подобрать метиз для соединения материалов? Если ориентироваться только на значения в колонке «L», мы допустим ошибку. Ведь нужно учитывать, что втулка при протяжке стержня сильно расширяется на конце. Этот процесс отнимает заветные миллиметры. Поэтому есть формула:
L1 = S + (1,2 × D)
Здесь L1 – фактическая «полезная» длина, S – сумма толщины материалов для соединения, D – диаметр тела.
Допустим, нам нужно приклепать к железу толщиной 6 мм табличку с аналогичным показателем, равным 3 мм. Итого 9
мм. По логике вещей, подойдёт метиз
2,4×10 (третья строчка сверху в таблице). Но посчитаем по формуле:
L1 = 9 + (1,2 × 2,4) = 11,88 мм.
Получается, что нужна заклёпка, как минимум заклёпка 3,2×12 с длиной тела 11,80-12,60 мм.
Для удобства дадим таблицу подбора с готовыми расчётами:
| Диаметр гильзы, мм | Длина гильзы, мм | Толщина материалов, мм | |||
| 2,4 | 4 | 0,5 — 2,0 | |||
| 6 | 2,0 — 4,0 | ||||
| 8 | 4,0 — 6,0 | ||||
| 10 | 6,0 — 8,0 | ||||
| 12 | 8,0 — 10,0 | ||||
| 3 | 4 | 0,5 — 1,5 | |||
| 5 | 0,5 — 2,5 | ||||
| 6 | 1,5 — 3,5 | ||||
| 7 | 1,5 — 4,5 | ||||
| 8 | 3,5 — 5,5 | ||||
| 10 | 5,5 — 7,0 | ||||
| 12 | 7,0 — 9,0 | ||||
| 14 | 9,0 — 11,0 | ||||
| 16 | 11,0 — 13,0 | ||||
| 18 | 13,0 — 15,0 | ||||
| 3,2 | 4 | 0,5 — 1,5 | |||
| 5 | 0,5 — 2,5 | ||||
| 6 | 1,5 — 3,5 | ||||
| 8 | 3,5 — 5,5 | ||||
| 10 | 5,5 — 7,0 | ||||
| 12 | 7,0 — 9,0 | ||||
| 15 | 9,0 — 12,0 | ||||
| 18 | 12,0 — 15,0 | ||||
| 20 | 15,0 — 17,0 | ||||
| 4 | 5 | 0,5 — 2,5 | |||
| 6 | 1,5 — 3,0 | ||||
| 7 | 3,0 — 4,5 | ||||
| 8 | 3,0 — 5,0 | ||||
| 10 | 5,0 — 6,5 | ||||
| 12 | 6,5 — 8,5 | ||||
| 14 | 8,5 — 10,5 | ||||
| 16 | 10,5 — 12,5 | ||||
| 18 | 12,5 — 14,5 | ||||
| 20 | 14,5 — 16,5 | ||||
| 25 | 16,5 — 21,5 | ||||
| 30 | 21,5 — 26,0 | ||||
| 4,8 | 6 | 0,5 — 3,0 | |||
| 8 | 3,0 — 4,5 | ||||
| 10 | 4,5 — 6,0 | ||||
| 12 | 6,0 — 8,0 | ||||
| 14 | 8,0 — 10,0 | ||||
| 16 | 10,0 — 12,0 | ||||
| 18 | 12,0 — 14,0 | ||||
| 21 | 14,0 — 17,0 | ||||
| 24 | 17,0 — 20,0 | ||||
| 27 | 20,0 — 23,0 | ||||
| 30 | 23,0 — 25,0 | ||||
| 32 | 25,0 — 27,0 | ||||
| 35 | 27,0 — 30,0 | ||||
| 40 | 30,0 — 35,0 | ||||
| 45 | 35,0 — 40,0 | ||||
| 50 | 40,0 — 45,0 | ||||
| 5 | 6 | 0,5 — 3,0 | |||
| 8 | 3,0 — 4,5 | ||||
| 10 | 4,5 — 6,0 | ||||
| 12 | 6,0 — 8,0 | ||||
| 14 | 8,0 — 10,0 | ||||
| 16 | 10,0 — 12,0 | ||||
| 18 | 12,0 — 14,0 | ||||
| 20 | 14,0 — 16,0 | ||||
| 25 | 16,0 — 21,0 | ||||
| 30 | 21,0 — 25,0 | ||||
| 35 | 25,0 — 30,0 | ||||
| 40 | 30,0 — 35,0 | ||||
| 45 | 35,0 — 40,0 | ||||
| 50 | 40,0 — 45,0 | ||||
| 6 | 8 | 2,0 — 4,0 | |||
| 10 | 4,0 — 6,0 | ||||
| 12 | 6,0 — 8,0 | ||||
| 14 | 8,0 — 10,0 | ||||
| 16 | 10,0 — 11,0 | ||||
| 18 | 11,0 — 13,0 | ||||
| 20 | 13,0 — 15,0 | ||||
| 25 | 15,0 — 20,0 | ||||
| 30 | 20,0 — 24,0 | ||||
| 35 | 24,0 — 29,0 | ||||
| 6,4 | 12 | 2,0 — 6,0 | |||
| 15 | 6,0 — 9,0 | ||||
| 18 | 9,0 — 12,0 | ||||
| 22 | 12,0 — 16,0 | ||||
| 26 | 16,0 — 20,0 | ||||
| 30 | 20,0 — 24,0 | ||||
| 35 | 24,0 — 29,0 | ||||
| 50 | 29,0 — 42,0 | ||||
Особенности монтажных работ
Когда пользуетесь механическим специнструментом понадобятся значительные физические усилия для получения действительно надежных соединений элементов конструкций.
Дело в том, что гайки-заклепки значительно противодействуют усилиям закручивания. Пневматический заклепочник существенно упрощает задачу, но его стоимость остается высокой.
Если имеется в наличии специальный механический или пневмогидравлический инструмент, то процесс установки будет очень простым,:
- накрутка гаек непосредственно на резьбовые штоки в заклепочнике;
- инструмент вместе с метизом проворачивают до упора в проделанном отверстии;
- шток приспособления аккуратно вытаскивают, после чего крепеж самостоятельно расклепывается;
- выкручивание штока с уже готовых соединений.
Маркировка
Если смотреть на принцип работы заклёпок с протяжкой, становится понятно, что стержень должен быть прочнее гильзы, иначе он не сможет расширить край.
Поэтому на маркировке кроме размеров указывают состав металлов, из которого состоит метиз. Первое значение – тело, второе – сердечник:
- Al/St – алюминий и оцинкованная сталь.
- Al/Al – алюминий и магний-алюминий.
- Al/A2 – алюминий и нержавейка.
- A2/A2 – нержавейка и более прочная нержавейка.
- Cu/St – медь и оцинкованная сталь.
- Cu/Br – медь и бронза.
- Cu/A2 – медь и нержавеющая сталь.
- St/St – оцинкованная сталь разной прочности.
Для окрашенных изделий рядом с обозначением состава указывают 4-значный цифровой код цвета. Это будет выглядеть, как Cu/St 0000.
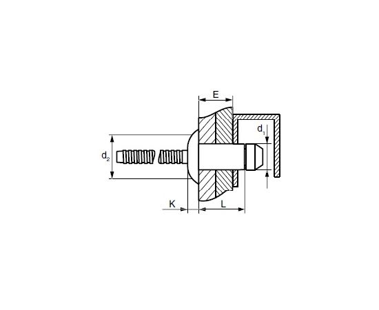
Возьмём для примера изделие отечественного производителя с маркировкой (картинка в подзаголовке):
HARPOON A2/A2 3,0×10 Dk6,5 K0,8 F3,1-3,2 D3 L10 G5-6,5
Расшифровка будет такой:
- HARPOON – бренд.

- A2/A2 – изготовлен из нержавеющей стали.
- 3,0×10 — диаметр втулки 3 мм, длина 10 мм.
- Dk6,5 — диаметр бортиков 6,5 мм.
- K0,8 — толщина бортиков 0,8 мм.
- F3,1-3,2 — диаметр отверстия от 3,1 до 3,2 мм.
- D3 — диаметр тела 3 мм.
- L10 — длина тела 10 мм.
- G5-6,5 — толщина скрепляемых материалов от 5 до 6,5 мм.
Какую заклепку-гайку выбрать
Теперь давайте разберемся, какую же заклепку выбрать для конкретного материала.
Так же, как и в случае с вытяжными заклепками, для разных типов материала необходимо подбирать заклепки-гайки из аналогичного материала.
Для стальной пластины необходимо использовать стальную заклепку, для нержавеющей пластины — заклепку из нержавеющей стали, для алюминиевой пластины — заклепку из алюминия.
Правильно подбирая размер и материал заклепки-гайки, вы можете выбрать необходимую нагрузку на ваши крепежные соединения.
Соответственно, для того чтобы выбрать правильный размер и материал заклепки-гайки, необходимо знать нагрузку на ваше соединение и крепеж, который будет устанавливаться.
: Гидроизоляция. Материалы и технологии :: BlogStroiki
При выборе заклепок необходимо обратить внимание на следующие параметры:
- прочностные характеристики – усилие на срез и усилие на разрыв;
- взаимное влияние материала корпуса заклепки и материалов, которые заклепка будет соединять, чтобы материалы были однотипные и не образовывали гальваническую пару.
Иначе соединение будет непрочным и недолговечным; - правильный подбор геометрических размеров заклепки: диаметра и длины корпуса в зависимости от толщины соединяемых материалов. Например, если длина заклепки будет выбрана меньше, то не хватит количества материала корпуса для формирования закрывающей головки, а если больше – закрывающая головка будет формироваться далеко перед скрепляемыми деталями. В обоих случаях соединение будет непрочным;
- правильный подбор типа корпуса заклепки в зависимости от прочностных характеристик соединяемых материалов, в которых при скреплении вытяжными заклепками возможны деформации или даже трещины.
Заклепки могут быть следующих типов:
– обычная, с диаметром головки буртика равным двум диаметрам корпуса заклепки;
– с увеличенным буртиком – Æ головки равен 3Æ корпуса заклепки;
– потайная;
– глухая с водогазонепроницаемым корпусом.
Заводы-изготовители метизных строительных материалов дают рекомендации по минимальной и максимальной толщине скрепляемых материалов для каждого типа заклепок. Эти данные приводятся на упаковке товара.
Толщина соединяемых материалов и диаметр отверстия под вытяжную заклепку диаметром от 2,4 до 6,4мм представлена в таблице.
|
Размер |
Толщина соединяемых материалов |
Диаметр бортика |
Диаметр отверстия |
Размер |
Толщина соединяемых материалов |
Диаметр бортика |
Диаметр отверстия |
2. 4 x 4 | 0.5 ~ 2.0 | 5.0 | 2.5 ~ 2.6 | 4.8 x 23 | 14.0 ~ 18.0 | 9.5 | 4.9 ~ 5.0 |
| 2.4 x 6 | 2.0 ~ 4.0 | 4.8 x 24 | 15.0 ~ 20.0 | ||||
| 2.4 x 8 | 4.0 ~ 6.0 | 4.8 x 25 | 16.0 ~ 21.0 | ||||
| 2.4 x 10 | 6.0 ~ 8.0 | 4.8 x 26 | 17.0 ~ 22.0 | ||||
| 2.4 x 12 | 8.0 ~ 9.5 | 4.8 x 28 | 17.5 ~ 23.5 | ||||
| 3.0 x 6 | 1.5 ~ 3.5 | 6.5 | 3.1 ~ 3.2 | 4.8 x 30 | 21.0 ~ 25.0 | ||
| 3.0 x 8 | 1.5 ~ 5.5 | 5.0 x 6 | 1.5 ~ 3.0 | 9. 5 | 5.1 ~ 5.2 | ||
| 3.0 x 10 | 5.5 ~ 7.0 | 5.0 x 8 | 2.5 ~ 4.5 | ||||
| 3.0 x 12 | 7.0 ~ 9.0 | 5.0 x 10 | 4.5 ~ 6.0 | ||||
| 3.0 x 14 | 8.0 ~ 11.0 | 5.0 ~ 12 | 6.0 ~ 8.0 | ||||
| 3.0 x 15 | 9.0 ~ 12.0 | 5.0 x 14 | 8.0 ~ 10.0 | ||||
| 3.0 x 16 | 9.0 ~ 13.0 | 5.0 x 16 | 10.0 ~ 12.0 | ||||
| 3.0 x 18 | 11.0 ~ 15.0 | 5.0 x 18 | 12.0 ~ 14.0 | ||||
| 3.0 x 20 | 13.0 ~ 17.0 | 5.0 x 20 | 12.0 ~ 16.0 | ||||
| 3.0 x 25 | 17.0 ~ 22.0 | 5.0 x 22 | 13.5 ~ 17.5 | ||||
| 3.2 x 6 | 1.5 ~ 3.5 | 6.5 | 3. 3 ~ 3.4 | 5.0 x 23 | 14.0 ~ 18.0 | ||
| 3.2 x 8 | 1.5 ~ 5.5 | 5.0 x 24 | 15.0 ~ 20.0 | ||||
| 3.2 x 10 | 5.5 ~ 7.0 | 5.0 x 25 | 16.0 ~ 21.0 | ||||
| 3.2 x 12 | 7.0 ~ 9.0 | 5.0 x 26 | 17.0 ~ 22.0 | ||||
| 3.2 x 14 | 8.0 ~ 11.0 | 5.0 x 28 | 17.5 ~ 23.5 | ||||
| 3.2 x 15 | 9.0 ~ 12.0 | 5.0 x 30 | 21.0 ~ 25.0 | ||||
| 3.2 x 16 | 9.0 ~ 13.0 | 6.0 x 8 | 2.0 ~ 4.0 | 12.0 | 6.1 ~ 6.2 | ||
| 3.2 x 18 | 11.0 ~ 15.0 | 6.0 x 10 | 4.0 ~ 6.0 | ||||
| 3.2 x 20 | 13.0 ~ 17.0 | 6.0 x 12 | 6.0 ~ 8.0 | ||||
3. 2 x 25 | 17.0 ~ 22.0 | 6.0 ~ 14 | 8.0 ~ 10.0 | ||||
| 4.0 x 6 | 1.0 ~ 3.0 | 8.0 | 4.1 ~ 4.2 | 6.0 x 16 | 8.0 ~ 11.0 | ||
| 4.0 x 8 | 3.0 ~ 5.0 | 6.0 x 18 | 11.0 ~ 14.0 | ||||
| 4.0 x 10 | 5.0 ~ 6.5 | 6.0 x 20 | 11.0 ~ 15.0 | ||||
| 4.0 x 12 | 6.5 ~ 8.5 | 6.0 x 22 | 13.0 ~ 17.0 | ||||
| 4.0 x 14 | 8.5 ~ 10.5 | 6.0 x 23 | 14.0 ~ 18.0 | ||||
| 4.0 x 16 | 8.5 ~ 12.5 | 6.0 x 24 | 15.0 ~ 19.0 | ||||
| 4.0 x 18 | 10.5 ~ 14.5 | 6.0 x 25 | 15.0 ~ 20.0 | ||||
| 4.0 x 20 | 12.5 ~ 16.5 | 6.0 x 26 | 16. 0 ~ 22.0 | ||||
| 4.0 x 22 | 14.5 ~ 18.0 | 6.0 x 28 | 18.0 ~ 23.0 | ||||
| 4.0 x 23 | 14.5 ~ 19.5 | 6.0 x 30 | 20.0 ~ 24.0 | ||||
| 4.0 x 24 | 14.5 ~ 20.5 | 6.4 x 8 | 2.0 ~ 4.0 | 12.0 | 6.1 ~ 6.2 | ||
| 4.0 x 25 | 16.5 ~ 21.0 | 6.4 x 10 | 4.0 ~ 6.0 | ||||
| 4.0 x 26 | 17.5 ~ 22.0 | 6.4 x 12 | 6.0 ~ 8.0 | ||||
| 4.0 x 28 | 21.5 ~ 24.0 | 6.4 ~ 14 | 8.0 ~ 10.0 | ||||
| 4.0 x 30 | 21.5 ~ 26.0 | 6.4 x 16 | 8.0 ~ 11.0 | ||||
| 4.8 x 6 | 1.5 ~ 3.0 | 9.5 | 4.9 ~ 5.0 | 6. 4 x 18 | 11.0 ~ 14.0 | ||
| 4.8 x 8 | 2.5 ~ 4.5 | 6.4 x 20 | 11.0 ~ 15.0 | ||||
| 4.8 x 10 | 4.5 ~ 6.0 | 6.4 x 22 | 13.0 ~ 17.0 | ||||
| 4.8 ~ 12 | 6.0 ~ 8.0 | 6.4 x 23 | 14.0 ~ 18.0 | ||||
| 4.8 x 14 | 8.0 ~ 10.0 | 6.4 x 24 | 15.0 ~ 19.0 | ||||
| 4.8 x 16 | 10.0 ~ 12.0 | 6.4 x 25 | 15.0 ~ 20.0 | ||||
| 4.8 x 18 | 12.0 ~ 14.0 | 6.4 x 26 | 16.0 ~ 22.0 | ||||
| 4.8 x 20 | 12.0 ~ 16.0 | 6.4 x 28 | 18.0 ~ 23.0 | ||||
| 4.8 x 22 | 13.5 ~ 17.5 | 6.4 x 30 | 20.0 ~ 24.0 |
Правила монтажа скрепляемых материалов с помощью вытяжной заклепки следующие:
1.
Толщина скрепляемых материалов не должна превышать значения, которое рекомендуется заводом производителем – Emax .
2. Толщина скрепляемых материалов не должна быть меньше значения, которое рекомендуется заводом производителем – Emin .
3. Материал заклепки должен соответствовать материалу скрепляемых деталей.
4. Тип корпуса заклепки должен соответствовать прочностным характеристикам скрепляемых материалов.
5. Скрепляемые материалы при сверлении в них отверстий и установке вытяжной заклепки должны быть жестко зафиксированы.
6. При монтаже вытяжной заклепки должна быть обеспечена надежная фиксация скрепляемых материалов и
не должно возникать между ними зазоров.
7. Положение вытяжной заклепки при монтаже должно составлять 90о, между вытяжной заклепкой и скрепляемым материалом.
Добавлено: 10.05.2012 22:57
ПромМетиз +7 (812) 385-76-07 Комбинированная цветная заклёпка вытяжная (тяговая) — плоский буртик
Главная » Крепежные изделия и метизы » Заклепки » Комбинированная цветная заклёпка вытяжная (тяговая) — плоский буртик
Описание: комбинированная цветная вытяжная (тяговая) заклёпка имеет стандартный плоский буртик AL (Mg1%)/ST (AL (Mg1%)/ST — алюминий/сталь).![]()
Алюминиевые заклёпки изготовляются разного цвета:
RAL 5009/RR35-Синяя
RAL 8022/RR33-Черная
RAL 8028/RR32-Коричневая
RAL 3005/RR28-Красная
RAL 7035/RR21-Серая
RAL 9003/RR20-Белая
Комбинированная цветная вытяжная заклепка изготавливается из алюминия и стали:
- Стержень: сталь
- Тело: алюминий (магний 1%)
Размеры цветных комбинированных алюминиевых вытяжных заклёпок с плоским стандартным буртиком AL (Mg1%)/ST | ||||||||
Размер | d | dk | K | R | d1 | L1 | Усилие на | Усилие на |
2. | 2.4 +0.08-0.10 | 5.0 +0-0.7 | 0.7 ±0.15 | 0.2 | 1.45 | 27 | 355 | 315 |
3.0 | 3.0 +0.08-0.10 | 6.5 +0-0.7 | 0.8 ±0.2 | 0.2 | 1.75 | 27 | 810 | 620 |
3.2 | 3.2 +0.08-0.10 | 6.5 +0-0.7 | 0.8 ±0.2 | 0.2 | 1.75 | 27 | 980 | 760 |
4.0 | 4.0 +0.08-0.15 | 8.0 +0-1.0 | 1. | 0.3 | 2.10 | 27 | 1600 | 1200 |
4.8 | 4.8 +0.08-0.15 | 9.5 +0-1.0 | 1.1 ±0.3 | 0.3 | 2.10 | 27 | 2230 | 1690 |
5.0 | 5.0 +0.08-0.15 | 9.5 +0-1.0 | 1.1 ±0.3 | 0.3 | 2.70 | 27 | 2500 | 2000 |
6.0 | 6.0 +0.08-0.15 | 12.0 +0-1.5 | 1.5 ±0.4 | 0.4 | 3.60 | 27 | 3900 | 3000 |
6. | 6.4 +0.08-0.15 | 13 +0-1.5 | 1.8 ±0.4 | 0.5 | 3.85 | 27 | 4100 | 3120 |
Толщина соединяемых материалов и диаметр отверстия под заклёпку в мм | |||
Размер | Толщина соединяемых материалов | Диаметр бортика | Диаметр отверстия |
2.4 x 4 | 1.0 ~ 2.0 | 5.0 | 2.5 ~ 2.6 |
2.4 x 6 | 1.5 ~ 4.0 | ||
2.4 x 8 | 4.0 ~ 6.0 | ||
2.4 x 10 | 6.0 ~ 8.0 | ||
2.4 x 12 | 8. | ||
|
|
|
|
3.0 x 6 | 1.5 ~ 3.5 | 6.5 | 3.1 ~ 3.2 |
3.0 x 8 | 3.5 ~ 5.5 | ||
3.0 x 10 | 5.5 ~ 7.0 | ||
3.0 x 12 | 7.0 ~ 9.0 | ||
3.0 x 14 | 9.0 ~ 11.0 | ||
3.0 x 16 | 11.0 ~ 13.0 | ||
3.0 x 18 | 13.0 ~ 15.0 | ||
3.0 x 20 | 15.0 ~ 17.0 | ||
|
|
|
|
3.2 x 6 | 1.5 ~ 3.5 | 6.5 | 3.3 ~ 3.4 |
3.2 x 8 | 3. | ||
3.2 x 10 | 5.0 ~ 7.0 | ||
3.2 x 12 | 7.0 ~ 9.0 | ||
3.2 x 14 | 9.0 ~ 11.0 | ||
3.2 x 16 | 11.0 ~ 13.0 | ||
3.2 x 18 | 13.0 ~ 15.0 | ||
3.2 x 20 | 15.0 ~ 17.0 | ||
3.2 x 22 | 17.0 ~ 19.0 | ||
3.2 x 24 | 19.0 ~ 21.0 | ||
3.2 x 25 | 20.0 ~ 22.0 | ||
|
|
|
|
4.0 x 6 | 1.5 ~ 3.0 | 8.0 | 4.1 ~ 4.2 |
4.0 x 8 | 3.0 ~ 5.0 | ||
4.0 x 10 | 5.0 ~ 6. | ||
4.0 x 12 | 6.5 ~ 8.5 | ||
4.0 x 14 | 8.5 ~ 10.5 | ||
4.0 x 16 | 10.5 ~ 12.5 | ||
4.0 x 18 | 12.5 ~ 14.5 | ||
4.0 x 20 | 14.5 ~ 16.5 | ||
4.0 x 22 | 16.5 ~ 18.0 | ||
4.0 x 24 | 17.0 ~ 20.5 | ||
4.0 x 25 | 18.0 ~ 21.5 | ||
4.0 x 26 | 18.5 ~ 22.5 | ||
4.0 x 28 | 21.5 ~ 24.0 | ||
4.0 x 30 | 21.5 ~ 26.0 | ||
|
|
|
|
4.8 x 6 | 1.0 ~ 3.0 | 9.5 | 4.9 ~ 5. |
4.8 x 8 | 3.0 ~ 4.5 | ||
4.8 x 10 | 4.5 ~ 6.0 | ||
4.8 x 12 | 6.0 ~ 8.0 | ||
4.8 x 14 | 8.0 ~ 10.0 | ||
4.8 x 16 | 10.0 ~ 12.0 | ||
4.8 x 18 | 12.0 ~ 14.0 | ||
4.8 x 20 | 14.0 ~ 16.0 | ||
4.8 x 21 | 15.0 ~ 17.0 | ||
4.8 x 22 | 16.0 ~ 18.0 | ||
4.8 x 23 | 16.5 ~ 19.0 | ||
4.8 x 24 | 17.0 ~ 20.0 | ||
4.8 x 25 | 18.0 ~ 21.0 | ||
4.8 x 26 | 19.0 ~ 22.0 | ||
4.8 x 28 | 21.0 ~ 23.5 | ||
4. | 23.0 ~ 25.0 | ||
4.8 x 32 | 25.0 ~ 27.0 | ||
4.8 x 35 | 25.0 ~ 30.0 | ||
4.8 x 40 | 30,0 ~ 35.0 | ||
4.8 x 50 | 40,0 ~ 45.0 | ||
|
|
|
|
5.0 x 6 | 0.5 ~ 2.5 | 9.5 | 5.1 ~ 5.2 |
5.0 x 8 | 2.5 ~ 4.5 | ||
5.0 x 10 | 4.5 ~ 6.0 | ||
5.0 x 12 | 6.0 ~ 8.0 | ||
5.0 x 14 | 8.0 ~ 10.0 | ||
5.0 x 16 | 10.0 ~ 12.0 | ||
5.0 x 18 | 12.0 ~ 14.0 | ||
5.0 x 21 | 14. | ||
5.0 x 25 | 17.0 ~ 20.0 | ||
5.0 x 27 | 20.0 ~ 23.0 | ||
5.0 x 30 | 23.0 ~ 25.0 | ||
|
|
|
|
6.0 x 8 | 2.0 ~ 4.0 | 12.0 | 6.1 ~ 6.2 |
6.0 x 10 | 4.0 ~ 6.0 | ||
6.0 x 12 | 6.0 ~ 8.0 | ||
6.0 x 14 | 7.0 ~ 9.0 | ||
6.0 x 16 | 9.0 ~ 11.0 | ||
6.0 x 18 | 11.0 ~ 13.0 | ||
6.0 x 22 | 13.0 ~ 17.0 | ||
6.0 x 26 | 17.0 ~ 20.0 | ||
6.0 x 30 | 20.0 ~ 24. | ||
|
|
|
|
6.4 x 8 | 2.0 ~ 4.0 | 13.0 | 6.5 ~ 6.6 |
6.4 x 10 | 2.0 ~ 5.0 | ||
6.4 x 12 | 4.0 ~ 6.0 | ||
6.4 x 14 | 6.0 ~ 8.0 | ||
6.4 x 16 | 8.0 ~ 11.0 | ||
6.4 x 18 | 9.0 ~ 13.0 | ||
6.4 x 20 | 11.0 ~ 15.0 | ||
6.4 x 22 | 13.0 ~ 16.0 | ||
6.4 x 24 | 14.0 ~ 18.0 | ||
6.4 x 25 | 15.0 ~ 19.0 | ||
6.4 x 26 | 16.0 ~ 20.0 | ||
6.4 x 28 | 17.0 ~ 22.0 | ||
6. | 18.0 ~ 24.0 | ||
6.4 x 32 | 22.0 ~ 26.0 | ||
6.4 x 35 | 24.0 ~ 30.0 | ||
6.4 x 40 | 30.0 ~ 35.0 | ||
6.4 x 45 | 35.0 ~ 40.0 | ||
Как подобрать длину вытяжной заклепки
Заклепки алюминиевые по ГОСТ
Заклепки алюминиевые производятся на металлургическом заводе АВАЛДА по ГОСТ 10299-80, ГОСТ 10300-80, ГОСТ 10301-80, ГОСТ 10302-80, ГОСТ 10303-80, ГОСТ 14797-85, ГОСТ 14798-85, ГОСТ 14799-85, ГОСТ 14800-85, ГОСТ 14801-85. Заклепка алюминиевая под молоток — представляет собой гладкий стержень из алюминиевого сплава и имеющая на одном конце закладную головку разных видов. Применяются для изготовления лодок, катеров, кораблей; в агрессивных средах и пищевой промышленности: кастрюли, сковород, баков, ведер, тазов, лопат и других изделиях.
Заклепки алюминиевые производятся из следующих сплавов: А7, А6, А5, А0, АД0, АД1, АД00, АД, АМц, АМцС, АМг2, АМг3, АМг5, АМг6, АМг6Б, АВ, Д1А, Д16А, В95-1А, В95-1, В95-2А, ВД1А, ВД1Б, ВД1, АКМА, В95А, д1915, АМг6У, Д12, Д16Б, Д16, Д16У, Б95А, В95-2Б, АКМБ, АКМ, 1915, АДА7, Д16А.
Размеры производимых алюминиевых заклепок:
| Наименование | Диаметр, мм. | Длина, мм |
| Заклепки алюминиевые | 2 | 3 |
| Заклепки алюминиевые | 2 | 4 |
| Заклепки алюминиевые | 2 | 5-9 |
| Заклепки алюминиевые | 2 | 10-20 |
| Заклепки алюминиевые | 3 | 4-9 |
| Заклепки алюминиевые | 3 | 10-29 |
| Заклепки алюминиевые | 3 | 30-40 |
| Заклепки алюминиевые | 4 | 6-10 |
| Заклепки алюминиевые | 4 | 11-29 |
| Заклепки алюминиевые | 4 | 30-49 |
| Заклепки алюминиевые | 4 | 50-60 |
| Заклепки алюминиевые | 5 | 8-20 |
| Заклепки алюминиевые | 5 | 21-40 |
| Заклепки алюминиевые | 5 | 41-65 |
| Заклепки алюминиевые | 6 | 8-20 |
| Заклепки алюминиевые | 6 | 21-40 |
| Заклепки алюминиевые | 6 | 41-65 |
| Заклепки алюминиевые | 8 | 10-25 |
| Заклепки алюминиевые | 8 | 26-70 |
| Заклепки алюминиевые | 10 | 16-75 |
Завод АВАЛДА готов рассмотреть изготовление заклепок из алюминия по размерам или чертежам заказчика.
По запросу отправляем образцы продукции в адрес Покупателя.
Материал заклёпок
Как правило, вытяжные заклёпки изготавливаются из следующих материалов:
В зависимости от сферы применения заклёпки эти материалы могут комбинироваться между собой. Например, стержень заклёпки (сердечник) может быть из оцинкованной стали, а сама заклёпка из алюминия. Кстати, именно поэтому этот вид крепёжных изделий ещё называют комбинированной заклёпкой.
Выбор материала заклёпки
Основной принцип подбора заклёпки по материалу заключается в том, чтобы материал заклёпок максимально совпадал по своим физическим и механическим свойствам с материалом соединяемых деталей. Например, чрезмерное усилие заклёпки из нержавеющей стали может деформировать поверхность более мягкого материала (пластик или алюминий).
Гальваническая пара
Не следует забывать и о коррозии. Гальваническая коррозия появляется в месте соединения двух разнородных металлов в коррозийной среде (электролите).
Электролитом может быть любая жидкость, проводящая электрический ток, например, обычная влага, содержащаяся в воздухе. Степень коррозии соединения будет зависеть от концентрации электролита, а также от разницы электрохимических потенциалов соединяемых металлов. Если вы не уверены в правильном выборе материала заклёпки, во избежание появления гальванической коррозии воспользуйтесь таблицей электрохимических потенциалов (так называемый электрохимический ряд). Чем дальше друг от друга разнесены соединяемые материалы в таблице, тем интенсивней будет проходить электрохимическая коррозия и тем быстрее разрушится соединение. При взаимодействии разнородных материалов в соединении, коррозии будет подвергаться более электроотрицательный материал (на нашей иллюстрации такой материал расположен выше), так как в данной гальванической паре он является восстановителем, отдавая свои катионы более положительно заряженному материалу.
Как избежать гальванической коррозии?
Вот несколько простых советов, как избежать гальванической коррозии в вашем заклёпочном соединении:
- Убедитесь в том, что материал заклёпки и материал соединяемых деталей находятся как можно ближе друг к другу в таблице электрохимических потенциалов.

- Создайте диэлектрический барьер между корродирующими материалами. Это может быть слой краски, неметаллическая шайба или прокладка.
- Подберите заклёпку таким образом, чтобы в вашем соединении она стала катодом, то есть, материал заклёпки должен быть более электроположительным. На практике это означает, что при возникновении гальванической коррозии в соединении, анод (поверхность соединяемых материалов) будет восстанавливать катод (заклёпку). Это наилучший сценарий, учитывая, что, как правило, площадь поверхности соединяемых материалов гораздо больше площади заклёпки.
- Если заклёпка имеет определённое покрытие, именно материал покрытия должен быть максимально близок к материалу соединяемых материалов в таблице электрохимических потенциалов.
Цветные заклёпки
Некоторые задачи предусматривают использование цветных вытяжных заклёпок. В этом случае заклёпки могут быть окрашены порошковой краской в определённый цвет согласно международной системе соответствия цветов RAL.
Основные виды алюминиевых сплавов для изготовления заклепок
| Вид | Марка | Обозначение стандарта | Условное обозначение марки (группы) |
| Алюминиевые сплавы | АМг5П | ГОСТ 14838-78 | 31 |
| Д18 | ГОСТ 4784-74 | 36 | |
| АД1, А5Е | 37 |
Пример обозначения: Заклепка алюминиевая 4х20.37 ГОСТ 10299-80: 4 — диаметр в мм; 20 — длина в мм; 37 — марка сплава АД1.
Заклепки алюминиевые укомплектованы в полипропиленовые мешки по 10, 15, 20, 25, 30 кг. Оказываем услуги расфасовки по 500, 1000, 5000 грамм. По требованию заказчика возможна дополнительная консервация и проведение контроля механических свойств и качества покрытий — по ГОСТ 9.302-79.
Заклепки вытяжные окрашенные по RAL
Вытяжные заклепки с покраской RAL представляют собой крепеж для создания неразъемных соединений механическим способом. Они окрашены в определенный цвет, соответствующий немецкому стандарту RAL, палитра цветов позволяет точно подобрать крепежный элемент под цвет соединяемой конструкции или материала.
Изделия выполнены в виде стержня, вмонтированного в тело заклепки. Стержень изготавливается с округлой головкой, которая при его вытягивании деформирует тело заклепки и образовывает неразъемное соединение. Тело изделия состоит из бортика, ножки и внутреннего отверстия.
Окрашенные тяговые заклепки позволяют создавать узлы крепления практически незаметные, они сливаются с цветом готовой конструкции, обеспечивают ей красивый внешний вид. Также слой краски служит дополнительным защитным покрытием от воздействия влаги, предотвращает появление коррозии, чем обеспечивает длительный эксплуатационный период изделиям. Крепеж изготавливается с выпуклой шляпкой, может иметь стандартный либо увеличенный буртик. Буртик большего размера улучшает распределение нагрузки и позволяет крепить более тонкий материал к толстому без деформации поверхности. Тело крепежа окрашено в определенный цвет, стержень без покраски, так как во время монтажа он отрывается.
Достоинства заклепок тяговых с покраской RAL:
- образование прочных неразъемных креплений;
- удобность монтажа, быстрая фиксация;
- возможность создания скрытых соединений;
- скрепление материалов без деформации их поверхности;
- устойчивость к деформации при температурных перепадах;
- отсутствие окисления при повышенной влажности;
- красивый внешний вид.

Отрывные заклепки с покраской RAL используют для решения следующих задач:
- монтаж кровли из профнастила;
- крепление материалов и элементов с ровной поверхностью;
- соединение материалов различной толщины;
- сборка конструкций и каркасов оборудования;
- в промышленной, строительной сфере;
- машино-, приборостроении;
- в мебельной промышленности.
При подборе тяговых заклепок с покраской RAL, учитывают следующие характеристики:
- Изделия изготавливаются в соответствии со стандартом DIN 7337, поэтому размеры, механические характеристики и требования крепежей можно посмотреть в указанной нормативной документации.
- Толщина скрепляемых материалов, которые может соединить заклепка, указываются производителем, а также в стандарте, по которому изготовлен крепежный элемент.
- При подборе размеров заклепки учитывают силы, действующие на срез и разрыв, узел крепления должен выдержать предполагаемую нагрузку без деформации крепежа.

- Диаметр отверстия под клепку указывается в нормативной документации, несоответствие размера может привести к трудности в сборке и снижению предельных нагрузок на срез и растяжение.
- Изделия применяют для соединения материалов и элементов с плоской поверхностью. Клепка волнистых материалов невозможна, так как крепеж устанавливается под углом 90 градусов к соединяемой поверхности.
Установка вытяжных заклепок с покраской RAL не займет много времени. В соединяемых материалах высверливают отверстие под установку, в него помещают крепеж, который прижимается бортиком к одной из соединяемых поверхностей. Далее стержень изделия фиксируют в заклепочнике, при нажатии на ручки инструмента стержень начинает вытягиваться и его головка входит тело заклепки деформируя ее и образовывая таким образом неразъемное соединение. В определенный момент стержень крепежа отрывается под действием тягового усилия инструмента.
известна на строительном рынке благодаря оптовой торговле крепёжными, анкерными, такелажными изделиями.
Мы напрямую сотрудничаем с заводами-изготовителями, что позволяет нам устанавливать выгодную цену без розничной наценки, все изделия соответствуют требуемым стандартам, проходят строгий контроль качества.
Предлагаем вашему вниманию вытяжные заклепки с покраской RAL, крепеж высокого качества, обладает антикоррозионными свойствами, прост в установке и надежен при эксплуатации. В нашем магазине продукция размещена в отдельной подкатегории для упрощения подбора. Все изделия имеют отдельное фото и подробное описание, палитра цветов соответствует стандарту RAL, поэтому вы без труда подберете необходимый оттенок. Цвета под заказ, мы окрашиваем в срок 1-3 дня в зависимости от объема заказа.
Нашим клиентам мы предоставляем высококвалифицированную помощь при выборе крепежей и других строительных изделий. Менеджеры компании выберут товар, соответствующий критериям конкретного проекта с учетом ваших пожеланий, а также подберут инструмент для безопасного монтажа. Цена на товар будет установлена с учетом системы действующих скидок.
Мы позаботимся, чтоб вы вовремя получила ваш заказ без задержек, укомплектуем его в соответствии с выбранной спецификацией. Мы дорожим своей репутацией, поэтому вы будете приятно удивлены гибкостью ценообразования, профессионализмом наших менеджеров и скоростью доставки.
Заклепки алюминиевые с полукруглой головкой ГОСТ 10299-80 вес 1 шт в гр. таб. 1
| Длина, мм | Диаметр заклепки, мм | |||||||||||||
| 1 | 1,2 | 1,4 | 1,6 | 2 | 2,5 | 3 | 3,5 | 4 | 5 | 6 | 8 | 10 | 12 | |
| 2 | 0,007 | 0,010 | ||||||||||||
| 3 | 0,009 | 0,014 | 0,019 | 0,027 | 0,045 | 0,078 | ||||||||
| 4 | 0,011 | 0,017 | 0,023 | 0,033 | 0,054 | 0,091 | 0,143 | |||||||
| 5 | 0,014 | 0,020 | 0,028 | 0,039 | 0,063 | 0,105 | 0,163 | 0,239 | 0,329 | |||||
| 6 | 0,016 | 0,023 | 0,032 | 0,045 | 0,072 | 0,119 | 0,182 | 0,266 | 0,364 | |||||
| 7 | 0,018 | 0,026 | 0,036 | 0,050 | 0,080 | 0,132 | 0,202 | 0,292 | 0,399 | 0,679 | 1,098 | |||
| 8 | 0,020 | 0,029 | 0,041 | 0,056 | 0,089 | 0,146 | 0,222 | 0,319 | 0,434 | 0,733 | 1,177 | |||
| 9 | 0,032 | 0,045 | 0,061 | 0,098 | 0,160 | 0,242 | 0,346 | 0,470 | 0,788 | 1,256 | 2,457 | |||
| 10 | 0,036 | 0,049 | 0,067 | 0,106 | 0,174 | 0,261 | 0,373 | 0,504 | 0,843 | 1,335 | 2,597 | |||
| 12 | 0,058 | 0,078 | 0,124 | 0,201 | 0,301 | 0,427 | 0,575 | 0,953 | 1,493 | 2,878 | ||||
| 14 | 0,142 | 0,229 | 0,340 | 0,481 | 0,645 | 1,063 | 1,651 | 3,159 | 5,066 | |||||
| 16 | 0,159 | 0,262 | 0,380 | 0,534 | 0,715 | 1,172 | 1,809 | 3,440 | 5,507 | |||||
| 18 | 0,283 | 0,419 | 0,588 | 0,786 | 1,282 | 1,967 | 3,721 | 5,945 | 9,078 | |||||
| 20 | 0,311 | 0,459 | 0,642 | 0,856 | 1,392 | 2,125 | 4,002 | 6,383 | 9,712 | |||||
| 22 | 0,498 | 0,696 | 0,926 | 1,502 | 2,283 | 4,344 | 6,825 | 10,342 | ||||||
| 24 | 0,538 | 0,749 | 0,996 | 1,611 | 2,441 | 4,564 | 7,262 | 10,975 | ||||||
| 26 | 0,577 | 0,803 | 1,067 | 1,721 | 2,600 | 4,845 | 7,700 | 11,609 | ||||||
| 28 | 0,617 | 0,857 | 1,137 | 1,831 | 2,758 | 5,126 | 8,142 | 12,239 | ||||||
| 30 | 0,656 | 0,911 | 1,207 | 1,941 | 2,916 | 5,407 | 8,580 | 12,873 | ||||||
| 32 | 0,696 | 0,964 | 1,277 | 2,050 | 3,073 | 5,688 | 9,017 | 13,503 | ||||||
| 34 | 0,735 | 1,018 | 1,347 | 2,160 | 3,231 | 5,969 | 9,455 | 14,137 | ||||||
| 36 | 0,775 | 1,072 | 1,418 | 2,270 | 3,389 | 6,250 | 9,897 | 14,767 | ||||||
| 38 | 0,815 | 1,126 | 1,488 | 2,380 | 3,548 | 6,530 | 10,335 | 15,401 | ||||||
| 40 | 0,854 | 1,179 | 1,558 | 2,489 | 3,702 | 6,810 | 10,773 | 16,031 | ||||||
| 42 | 1,628 | 2,599 | 3,863 | 7,092 | 11,214 | 16,664 | ||||||||
| 45 | 1,734 | 2,764 | 4,101 | 7,515 | 11,873 | 17,611 | ||||||||
| 48 | 1,839 | 2,928 | 4,340 | 7,935 | 12,531 | 18,562 | ||||||||
| 50 | 1,909 | 3,038 | 4,496 | 8,216 | 12,969 | 19,192 | ||||||||
| 52 | 3,148 | 4,653 | 8,498 | 13,407 | 19,826 | |||||||||
| 55 | 3,312 | 4,891 | 8,918 | 14,066 | 20,773 | |||||||||
| 58 | 3,477 | 5,126 | 9,341 | 14,724 | 21,723 | |||||||||
| 60 | 3,587 | 5,287 | 9,623 | 15,162 | 22,353 | |||||||||
| 65 | 10,324 | 16,262 | 23,934 | |||||||||||
| 70 | 11,025 | 17,359 | 25,515 | |||||||||||
| 75 | 18,455 | 27,095 | ||||||||||||
| 80 | 19,555 | 28,676 | ||||||||||||
| 85 | 20,652 | 30,256 | ||||||||||||
| 90 | 21,748 | 31,837 | ||||||||||||
| 95 | 22,845 | 33,414 | ||||||||||||
| 100 | 23,941 | 34,995 | ||||||||||||
| 110 | 38,163 | |||||||||||||
Заклепки алюминиевые с полукруглой головкой ГОСТ 10299-80 вес 1 шт в гр.
таб. 2
| Длина, мм | Диаметр заклепки, мм | |||||||
| 14 | 16 | 18 | 20 | 22 | 21 | 30 | 36 | |
| 20 | 13,923 | 18,985 | ||||||
| 22 | 14,785 | 20,110 | ||||||
| 24 | 15,643 | 21,235 | ||||||
| 26 | 16,504 | 22,357 | ||||||
| 28 | 17,366 | 23,482 | 30,641 | |||||
| 30 | 18,224 | 24,607 | 32,065 | |||||
| 32 | 19,085 | 25,728 | 33,485 | |||||
| 34 | 19,947 | 26,853 | 34,909 | 44,215 | ||||
| 36 | 20,805 | 27,978 | 36,348 | 45,960 | ||||
| 38 | 21,666 | 29,099 | 37,750 | 47,704 | 61,018 | |||
| 40 | 22,528 | 30,224 | 39,160 | 49,484 | 63,119 | 80,527 | ||
| 42 | 23,386 | 31,349 | 40,584 | 51,228 | 68,459 | 83,055 | ||
| 45 | 24,678 | 33,037 | 42,720 | 53,863 | 71,627 | 86,864 | ||
| 48 | 25,970 | 34,721 | 44,856 | 56,497 | 73,763 | 90,638 | ||
| 50 | 26,828 | 35,849 | 46,280 | 58,242 | 75,864 | 93,201 | ||
| 52 | 27,690 | 36,953 | 47,704 | 60,022 | 79,068 | 95,728 | ||
| 55 | 28,978 | 38,662 | 49,840 | 62,656 | 82,272 | 99,502 | 164,721 | 256,213 |
| 58 | 30,271 | 40,335 | 51,976 | 65,255 | 84,372 | 103,454 | 171,414 | 264,757 |
| 60 | 31,132 | 41,474 | 53,400 | 67,035 | 89,676 | 105,839 | 174,618 | 270,453 |
| 65 | 33,282 | 44,286 | 56,960 | 71,414 | 95,016 | 112,140 | 184,479 | 284,658 |
| 70 | 35,433 | 47,063 | 60,520 | 75,828 | 100,321 | 118,477 | 194,376 | 298,898 |
| 75 | 37,594 | 49,876 | 64,080 | 80,207 | 105,625 | 124,778 | 204,237 | 313,102 |
| 80 | 39,730 | 52,688 | 67,640 | 84,586 | 110,930 | 131,115 | 214,134 | 327,378 |
| 85 | 41,901 | 55,500 | 71,200 | 89,000 | 116,234 | 137,416 | 223,995 | 341,546 |
| 90 | 44,037 | 58,313 | 74,760 | 93,379 | 121,574 | 143,753 | 233,892 | 355,786 |
| 95 | 46,173 | 61,125 | 78,320 | 97,758 | 126,878 | 150,090 | 243,753 | 369,991 |
| 100 | 48,345 | 63,938 | 81,880 | 102,172 | 137,487 | 156,391 | 253,614 | 384,231 |
| 110 | 52,652 | 69,562 | 89,000 | 110,930 | 148,132 | 169,029 | 274,084 | 412,675 |
| 120 | 56,960 | 75,187 | 96,120 | 119,723 | 158,740 | 181,667 | 293,130 | 441,120 |
| 130 | 61,232 | 80,776 | 103,240 | 128,480 | 169,349 | 194,305 | 312,888 | 469,564 |
| 140 | 65,540 | 86,415 | 110,360 | 137,274 | 179,994 | 206,978 | 332,646 | 498,008 |
| 150 | 146,031 | 190,674 | 219,616 | 352,404 | 526,453 | |||
| 160 | 154,824 | 201,247 | 232,254 | 372,162 | 554,897 | |||
| 170 | 211,856 | 244,892 | 391,920 | 583,342 | ||||
| 180 | 257,530 | 411,643 | 611,786 | |||||
Заклепки алюминиевые с потайной головкой ГОСТ 10300-80 вес в 1 шт в гр.
таб. 3
| Длина, мм | Диаметр заклепки, мм | ||||||||
| 1 | 1,2 | -1,4 | 1,6 | 2 | 2,5 | 3 | 4 | 5 | |
| 2 | 0,006 | ||||||||
| 3 | 0,008 | 0,012 | 0,020 | 0,021 | 0,037 | ||||
| 4 | 0,010 | 0,015 | 0,024 | 0,026 | 0,046 | 0,069 | 0,100 | ||
| 5 | 0,012 | 0,018 | 0,028 | 0,032 | 0,055 | 0,083 | 0,120 | 0,226 | |
| 6 | 0,014 | 0,021 | 0,032 | 0,038 | 0,063 | 0,097 | 0,140 | 0,261 | |
| 7 | 0,017 | 0,025 | 0,037 | 0,043 | 0,072 | 0,110 | 0,159 | 0,296 | |
| 8 | 0,019 | 0,028 | 0,041 | 0,049 | 0,081 | 0,124 | 0,179 | 0,331 | 0,542 |
| 9 | 0,031 | 0,045 | 0,054 | 0,090 | 0,138 | 0,199 | 0,366 | 0,597 | |
| 10 | 0,034 | 0,050 | 0,060 | 0,099 | 0,152 | 0,219 | 0,402 | 0,652 | |
| 12 | 0,058 | 0,071 | 0,116 | 0,179 | 0,258 | 0,472 | 0,761 | ||
| 14 | 0,134 | 0,206 | 0,297 | 0,542 | 0,871 | ||||
| 16 | 0,151 | 0,234 | 0,337 | 0,612 | 0,981 | ||||
| 18 | 0,261 | 0,376 | 0,682 | 1,091 | |||||
| 20 | 0,289 | 0,416 | 0,753 | 1,200 | |||||
| 22 | 0,455 | 0,823 | 1,310 | ||||||
| 24 | 0,495 | 0,893 | 1,420 | ||||||
| 26 | 0,534 | 0,963 | 1,530 | ||||||
| 28 | 0,574 | 1,033 | 1,639 | ||||||
| 30 | 0,613 | 1,104 | 1,749 | ||||||
| 32 | 0,653 | 1,173 | 1,859 | ||||||
| 34 | 0,692 | 1,244 | 1,969 | ||||||
| 36 | 0,732 | 1,314 | 2,078 | ||||||
| 38 | 0,771 | 1,385 | 2,188 | ||||||
| 40 | 0,811 | 1,455 | 2,298 | ||||||
| 42 | 1,525 | 2,408 | |||||||
| 45 | 1,630 | 2,572 | |||||||
| 48 | 1,736 | 2,737 | |||||||
| 50 | 1,806 | 2,847 | |||||||
| 52 | 2,956 | ||||||||
| 55 | 3,121 | ||||||||
| 58 | 3,286 | ||||||||
| 60 | 3,395 | ||||||||
Как подобрать вытяжную заклепку по длине
Корректный монтаж заклепки подразумевает формирование правильной формы запирающей головки, при этом должны отсутствовать любые избыточные наплывы или зазоры.
Чтобы добиться этого, потребуется правильно определиться с длиной заклепочного стержня. А она, в свою очередь, зависит напрямую от таких параметров, как:
- Тип заклепки;
- Тип соединяемых материалов;
- Их толщина.
Размерные варианты заклепок достаточно многочисленны. Чтобы сделать правильный выбор, рекомендуется прибегнуть к соответствующим справочным материалам. В таблицах размеров можно найти обычно следующие параметры с диапазонами значений:
- Размер заклепки;
- Толщина скрепляемых элементов;
- Материалы, из которых эти элементы изготовлены;
- Размер шляпки (бортика) заклепки;
- Диаметр монтажного отверстия.
Рекомендуется придерживаться максимально приближенного результата к нужным диапазонам. Более того, производители заклепок и сами настоятельно не рекомендуют использовать заклепки для соединения материалов с толщиной менее рекомендованного предела, а также выше верхних границ.
Если отступить от них, то соединение окажется некачественным, если его вообще можно будет осуществить…
В качестве примера можно привести следующую ситуацию.
К примеру, приходится работать с материалом толщиной в 16 миллиметров. Согласно таблице, рекомендуется использовать заклепки размерами 3.0х20, 3.2х20, 4.0х20 и другие. Первый вариант граничит с возможными по всем критериям. Лучше к нему не прибегать. Иначе есть риск повредить материалы, при этом нет гарантии качества соединения.
При этом, чем меньше первый параметр, тем будет меньше и размер головки. Вышеприведенные третий параметр и все, которые следуют потом, можно считать избыточными. Ведь размер заклепки окажется, скорее всего, чересчур большим, что увеличит и размер головки.
Следовательно именно размерный параметр 3.2х20 (то есть, второй) оказывается наиболее предпочтительным. Далее по таблице подбирается длина заклепки. Здесь она равна 20 миллиметрам. Все в порядке, можно начинать работать с такой заклепкой.
Но обычно для проведения расчета длины заклепки, не пользуются сложными таблицами. Порой бывает достаточно только сложить общую толщину всех скрепляемых деталей и прибавить к полученному результату диаметр самой заклепки.
Почти всегда этого бывает вполне достаточно для обеспечения надежного соединения.
Заклепки алюминиевые с потайной головкой ГОСТ 10300-80 вес в 1 шт в гр. таб. 4
| Длина, мм | Диаметр заклепки, мм | ||||||||
| 6 | 8 | 10 | 12 | 14 | 16 | 20 | 24 | 30 | |
| 8 | 0,80 | 1,53 | |||||||
| 9 | 0,87 | 1,67 | |||||||
| 10 | 0,95 | 1,81 | |||||||
| 12 | 1,11 | 1,95 | |||||||
| 14 | 1,27 | 2,37 | |||||||
| 16 | 1,43 | 2,65 | 4,77 | ||||||
| 18 | 1,58 | 2,93 | 5,21 | 7,10 | |||||
| 20 | 1,74 | 3,21 | 5,65 | 7,73 | |||||
| 22 | 1,89 | 3,49 | 6,09 | 8,36 | 11,99 | ||||
| 24 | 2,06 | 3,77 | 6,53 | 8,99 | 12,85 | 15,79 | |||
| 26 | 2,22 | 4,06 | 6,97 | 9,62 | 13,71 | 16,92 | |||
| 28 | 2,37 | 4,34 | 7,41 | 10,26 | 14,57 | 18,04 | |||
| 30 | 2,53 | 4,62 | 7,85 | 10,89 | 15,43 | 19,16 | |||
| 32 | 2,69 | 4,90 | 8,29 | 11,52 | 16,29 | 20,29 | |||
| 34 | 2,85 | 5,18 | 8,73 | 12,15 | 17,15 | 21,41 | |||
| 36 | 3,01 | 5,46 | 9,16 | 12,78 | 18,01 | 22,53 | |||
| 38 | 3,16 | 5,74 | 9,60 | 13,41 | 18,87 | 23,66 | 37,88 | ||
| 40 | 3,32 | 6,02 | 10,04 | 14,05 | 19,73 | 24,78 | 39,66 | 58,53 | |
| 42 | 3,48 | 6,30 | 10,48 | 14,68 | 20,59 | 25,91 | 41,40 | 61,05 | |
| 45 | 3,72 | 6,72 | 11,14 | 15,63 | 21,88 | 27,59 | 44,04 | 64,86 | |
| 48 | 3,96 | 7,15 | 11,80 | 16,58 | 23,17 | 29,28 | 46,67 | 68,64 | |
| 50 | 4,11 | 7,43 | 12,24 | 17,21 | 24,03 | 30,40 | 48,42 | 71,16 | |
| 52 | 4,27 | 7,71 | 12,68 | 17,84 | 24,90 | 31,53 | 50,16 | 73,69 | 113,85 |
| 55 | 4,51 | 8,13 | 13,34 | 18,79 | 26,18 | 33,21 | 52,79 | 77,50 | 119,76 |
| 58 | 4,75 | 8,55 | 13,99 | 19,74 | 27,48 | 34,90 | 55,43 | 81,27 | 125,67 |
| 60 | 4,90 | 8,83 | 14,43 | 20,37 | 28,34 | 36,02 | 57,21 | 83,80 | 129,62 |
| 65 | 15,53 | 21,95 | 30,49 | 38,83 | 61,59 | 90,14 | 139,52 | ||
| 70 | 16,63 | 23,53 | 32,64 | 41,64 | 65,97 | 96,44 | 149,38 | ||
| 75 | 17,73 | 25,11 | 34,79 | 44,45 | 70,38 | 102,78 | 159,27 | ||
| 80 | 26,69 | 36,95 | 47,26 | 74,76 | 109,11 | 169,14 | |||
| 85 | 28,27 | 39,09 | 50,07 | 79,14 | 115,42 | 179,03 | |||
| 90 | 41,22 | 52,88 | 83,55 | 121,72 | 188,89 | ||||
| 95 | 43,40 | 55,69 | 87,93 | 128,02 | 198,79 | ||||
| 100 | 45,53 | 58,50 | 92,31 | 134,39 | 208,65 | ||||
| 110 | 101,10 | 147,03 | 228,41 | ||||||
| 120 | 109,86 | 159,67 | 248,17 | ||||||
| 130 | — | 118,65 | 172,30 | 267,93 | |||||
| 140 | 127,45 | 184,94 | 287,65 | ||||||
| 150 | 136,21 | 197,58 | 307,41 | ||||||
| 160 | 210,25 | 327,16 | |||||||
| 170 | 222,89 | 346,92 | |||||||
| 180 | 235,53 | 366,68 | |||||||
Какие типы вытяжных заклепок бывают
Вытяжные заклепки бывают девяти видов: стандартными, лепестковыми, закрытыми, рифлеными, герметичными, расщепленными, уплотненными, усиленными, воздухо- и водонепроницаемыми.
Также вытяжные заклепки, большой выбор которых представлен по ссылке https://rivetgun.ru/catalog/zaklepochniki/zaklepki, делятся по типам втулки. Их три: плоский, широкий и потайной буртик (выступ на опорной части – выполняет функции шайбы при монтаже).
Заклепки алюминиевые с полупотайной головкой ГОСТ 10301-80 вес в 1 шт в гр. таб. 5
| Длина, мм | Диаметр заклепки, мм | |||||||||||||
| 2 | 2,5 | 3 | 4 | 5 | 6 | 8 | 10 | 12 | 16 | 20 | 24 | 30 | 36 | |
| 3 | 0,08 | 0,13 | ||||||||||||
| 4 | 0,09 | 0,15 | 0,21 | |||||||||||
| 5 | 0,10 | 0,16 | 0,23 | 0,47 | ||||||||||
| 6 | 0,11 | 0,17 | 0,25 | 0,51 | ||||||||||
| 7 | 0,12 | 0,19 | 0,27 | 0,54 | ||||||||||
| 8 | 0,12 | 0,20 | 0,29 | 0,58 | 1,01 | |||||||||
| 9 | 0,13 | 0,21 | 0,31 | 0,61 | 1,07 | |||||||||
| 10 | 0,14 | 0,23 | 0,33 | 0,65 | 1,12 | 1,24 | ||||||||
| 12 | 0,16 | 0,26 | 0,37 | 0,72 | 1,23 | 1,40 | ||||||||
| 14 | 0,18 | 0,28 | 0,41 | 0,79 | 1,34 | 1,56 | 3,10 | |||||||
| 16 | 0,19 | 0,31 | 0,45 | 0,86 | 1,45 | 1,72 | 3,38 | 4,86 | ||||||
| 18 | 0,34 | 0,49 | 0,93 | 1,56 | 1,87 | 3,66 | 5,30 | 8,44 | ||||||
| 20 | 0,53 | 1,00 | 1,67 | 2,03 | 3,94 | 5,74 | 9,07 | |||||||
| 22 | 0,57 | 1,07 | 1,78 | 2,19 | 4,22 | 6,18 | 9,71 | |||||||
| 24 | 0,61 | 1,14 | 1,89 | 2,35 | 4,50 | 6,61 | 10,34 | |||||||
| 26 | 0,65 | 1,21 | 2,00 | 2,51 | 4,78 | 7,05 | 10,97 | 19,52 | ||||||
| 28 | 1,28 | 2,11 | 2,66 | 5,06 | 7,49 | 11,61 | 20,64 | |||||||
| 30 | 1,35 | 2,22 | 2,82 | 5,56 | 7,93 | 12,24 | 21,77 | 35,92 | ||||||
| 32 | 1,42 | 2,33 | 2,98 | 5,62 | 8,37 | 12,87 | 22,54 | 37,70 | ||||||
| 34 | 1,49 | 2,44 | 3,14 | 5,91 | 8,81 | 13,50 | 24,02 | 39,44 | ||||||
| 36 | 1,56 | 2,55 | 3,30 | 6,19 | 9,25 | 14,13 | 25,14 | 41,22 | ||||||
| 38 | 2,66 | 3,45 | 6,47 | 9,69 | 14,76 | 26,27 | 42,97 | |||||||
| 40 | 2,77 | 3,61 | 6,75 | 10,13 | 15,40 | 27,39 | 44,71 | |||||||
| 42 | 2,88 | 3,77 | 7,03 | 10,57 | 16,03 | 28,51 | 46,49 | |||||||
| 45 | 3,04 | 4,01 | 7,45 | 11,22 | 16,98 | 30,20 | 49,09 | 73,66 | ||||||
| 48 | 3,21 | 4,24 | 7,91 | 11,88 | 17,92 | 31,88 | 51,76 | 77,43 | 119,26 | |||||
| 50 | 4,40 | 8,15 | 12,32 | 18,56 | 33,01 | 53,51 | 79,96 | 123,21 | ||||||
| 52 | 12,76 | 19,19 | 34,13 | 55,25 | 82,49 | 127,16 | ||||||||
| 55 | 13,42 | 20,14 | 35,82 | 57,89 | 86,29 | 133,07 | ||||||||
| 58 | 14,08 | 21,09 | 37,50 | 60,52 | 90,07 | 139,02 | 207,58 | |||||||
| 60 | 14,52 | 21,72 | 38,63 | 62,30 | 92,60 | 142,97 | 213,24 | |||||||
| 65 | 15,61 | 23,30 | 41,43 | 66,68 | 98,93 | 152,83 | 227,48 | |||||||
| 70 | 16,71 | 24,88 | 44,25 | 71,06 | 105,23 | 162,73 | 241,69 | |||||||
| 75 | 17,81 | 26,46 | 47,06 | 75,44 | 111,57 | 172,59 | 255,93 | |||||||
| 80 | 28,04 | 49,86 | 79,85 | 117,91 | 182,45 | 270,13 | ||||||||
| 85 | 29,62 | 52,66 | 84,23 | 124,21 | 192,35 | 284,37 | ||||||||
| 90 | 31,20 | 55,48 | 88,61 | 130,55 | 202,21 | 298,58 | ||||||||
| 95 | 32,78 | 36,93 | 93,02 | 136,85 | 212,10 | 312,82 | ||||||||
| 100 | 34,36 | 61,10 | 97,40 | 143,18 | 221,97 | 327,06 | ||||||||
| 110 | 106,19 | 155,82 | 241,72 | 355,50 | ||||||||||
| 120 | 114,95 | 168,46 | 261,48 | 383,95 | ||||||||||
| 130 | 123,75 | 181,10 | 281,24 | 412,39 | ||||||||||
| 140 | 132,50 | 193,74 | 301,00 | 444,39 | ||||||||||
| 150 | 141,30 | 206,37 | 320,76 | 469,28 | ||||||||||
| 160 | 219,05 | 340,51 | 497,72 | |||||||||||
| 170 | 231,68 | 360,24 | 526,17 | |||||||||||
| 180 | 244,32 | 379,99 | 554,61 | |||||||||||
Заклёпка вытяжная, размеры от 3.
0х6 до 6.4х45
Главная»Продажа заклёпок по оптовым ценам в СПб» Заклёпка вытяжная стальная со стандартным буртиком
Заклёпка вытяжная стальная
со стандартным буртиком ST/ST — сталь/ сталь. Размеры стальных вытяжных заклёпок от 3.0 х 6 до 6.4 х 45 мм. Они применяются для создания неразъемных соединений тонколистовых материалов. С помощью заклёпочника установка заклёпок возможна при доступе только с одной стороны материала.
Материалы:
- Тело: сталь.
- Стержень: сталь.
Характеристики и размеры вытяжных стальных заклёпок со стандартным буртиком ST/ST
| Размер заклёпки | d | dk | K | R max | d1 | L1 | Усилие на разрыв N | Усилие на срез N |
| 3.0 | 3.0 +0.08-0.10 | 6.5 -0.7 | 0.8 ±0.2 | 0.2 | 1.90 | 27 | 1125 | 915 |
| 3.2 | 3.2 +0. 08-0.10 | 6.5 -0.7 | 0.8 ±0.2 | 0.2 | 2.00 | 27 | 1285 | 1060 |
| 4.0 | 4.0 +0.08-0.15 | 8.0 -1.0 | 1.0 ±0.3 | 0.3 | 2.50 | 27 | 1990 | 1550 |
| 4.8 | 4.8 +0.08-0.15 | 9.5 -1.0 | 1.1 ±0.3 | 0.3 | 2.90 | 27 | 2920 | 2300 |
| 5.0 | 5.0 +0.08-0.15 | 9.5 -1.0 | 1.1 ±0.3 | 0.3 | 2.90 | 27 | 3255 | 2575 |
| 6.0 | 6.0 +0.08-0.15 | 12.0 -1.5 | 1.5 ±0.4 | 0.4 | 3.40 | 27 | 5000 | 4000 |
| 6.4 | 6.4 +0.08-0.15 | 13 -1.5 | 1.8 ±0.4 | 0.5 | 3.85 | 27 | 5400 | 4350 |
Толщина соединяемых материалов и размер отверстия под заклёпку в мм
| Размер заклёпки | Толщина соединяемых материалов | Диаметр бортика | Диаметр отверстия |
3. 0 x 6 | 1.5 — 3.5 | 6.5 | 3.1 — 3.2 |
| 3.0 x 8 | 3.5 — 5.5 | ||
| 3.0 x 10 | 5.5 — 7.0 | ||
| 3.0 x 12 | 7.0 — 9.0 | ||
| 3.0 x 14 | 9.0 — 11.0 | ||
| 3.0 x 16 | 11.0 — 13.0 | ||
| 3.0 x 18 | 13.0 — 15.0 | ||
| 3.0 x 20 | 15.0 — 17.0 | ||
| 3.2 x 6 | 1.5 — 3.5 | 6.5 | 3.3 — 3.4 |
| 3.2 x 8 | 3.5 — 5.0 | ||
| 3.2 x 10 | 5.0 — 7.0 | ||
| 3.2 x 12 | 7.0 — 9.0 | ||
| 3.2 x 14 | 9.0 — 11.0 | ||
| 3.2 x 16 | 11.0 — 13.0 | ||
| 3.2 x 18 | 13.0 — 15.0 | ||
| 3.2 x 20 | 15.0 — 17.0 | ||
| 3.2 x 25 | 20.0 — 22.0 | ||
| 4.0 x 6 | 1.5 — 3.0 | 8.0 | 4.1 — 4.2 |
| 4.0 x 8 | 3.0 — 5.0 | ||
4. 0 x 10 | 5.0 — 6.5 | ||
| 4.0 x 12 | 6.5 — 8.5 | ||
| 4.0 x 14 | 8.5 — 10.5 | ||
| 4.0 x 16 | 10.5 — 12.5 | ||
| 4.0 x 18 | 12.5 — 14.5 | ||
| 4.0 x 20 | 14.5 — 16.5 | ||
| 4.0 x 22 | 16.5 — 18.0 | ||
| 4.0 x 25 | 18.0 — 21.5 | ||
| 4.0 x 26 | 18.5 — 22.5 | ||
| 4.0 x 28 | 21.5 — 24.0 | ||
| 4.0 x 30 | 21.5 — 26.0 | ||
| 4.8 x 6 | 1.0 — 3.0 | 9.5 | 4.9 — 5.0 |
| 4.8 x 8 | 3.0 — 4.5 | ||
| 4.8 x 10 | 4.5 — 6.0 | ||
| 4.8 x 12 | 6.0 — 8.0 | ||
| 4.8 x 14 | 8.0 — 10.0 | ||
| 4.8 x 16 | 10.0 — 12.0 | ||
| 4.8 x 18 | 12.0 — 14.0 | ||
| 4.8 x 20 | 14.0 — 16.0 | ||
| 4.8 x 22 | 16.0 — 18.0 | ||
| 4.8 x 23 | 16.5 — 19.0 | ||
4. 8 x 24 | 17.0 — 20.0 | ||
| 4.8 x 25 | 18.0 — 21.0 | ||
| 4.8 x 28 | 21.0 — 23.5 | ||
| 4.8 x 30 | 23.0 — 25.0 | ||
| 4.8 x 32 | 25.0 — 27.0 | ||
| 4.8 x 35 | 25.0 — 30.0 | ||
| 4.8 x 40 | 30,0 — 35.0 | ||
| 4.8 x 50 | 40,0 — 45.0 | ||
| 5.0 x 6 | 0.5 — 2.5 | 9.5 | 5.1 — 5.2 |
| 5.0 x 8 | 2.5 — 4.5 | ||
| 5.0 x 10 | 4.5 — 6.0 | ||
| 5.0 x 12 | 6.0 — 8.0 | ||
| 5.0 x 14 | 8.0 — 10.0 | ||
| 5.0 x 16 | 10.0 — 12.0 | ||
| 5.0 x 18 | 12.0 — 14.0 | ||
| 5.0 x 21 | 14.0 — 17.0 | ||
| 5.0 x 25 | 17.0 — 20.0 | ||
| 5.0 x 27 | 20.0 — 23.0 | ||
| 5.0 x 30 | 23.0 — 25.0 | ||
| 6.0 x 8 | 2.0 — 4.0 | 12.0 | 6.1 — 6.2 |
6. 0 x 10 | 4.0 — 6.0 | ||
| 6.0 x 12 | 6.0 — 8.0 | ||
| 6.0 x 14 | 7.0 — 9.0 | ||
| 6.0 x 16 | 9.0 — 11.0 | ||
| 6.0 x 18 | 11.0 — 13.0 | ||
| 6.0 x 22 | 13.0 — 17.0 | ||
| 6.0 x 26 | 17.0 — 20.0 | ||
| 6.0 x 30 | 20.0 — 24.0 | ||
| 6.4 x 8 | 2.0 — 4.0 | 13.0 | 6.5 — 6.6 |
| 6.4 x 10 | 2.0 — 5.0 | ||
| 6.4 x 12 | 4.0 — 6.0 | ||
| 6.4 x 14 | 6.0 — 8.0 | ||
| 6.4 x 16 | 8.0 — 11.0 | ||
| 6.4 x 18 | 9.0 — 13.0 | ||
| 6.4 x 20 | 11.0 — 15.0 | ||
| 6.4 x 22 | 13.0 — 16.0 | ||
| 6.4 x 25 | 15.0 — 19.0 | ||
| 6.4 x 26 | 16.0 — 20.0 | ||
| 6.4 x 28 | 17.0 — 22.0 | ||
| 6.4 x 30 | 18.0 — 24.0 | ||
| 6.4 x 32 | 22.0 — 26.0 | ||
6. 4 x 35 | 24.0 — 30.0 | ||
| 6.4 x 40 | 30.0 — 35.0 | ||
| 6.4 x 45 | 35.0 — 40.0 |
Вы можете заказать и купить стальные вытяжные заклёпки любых размеров по оптовым ценам.
Заклепки алюминиевые с полукруглой низкой головкой ГОСТ 10302-80 вес в 1 шт в гр. таб. 6
| Длина, мм | Диаметр заклепки, мм | |||||||
| 2 | 2,5 | 3 | 4 | 5 | 6 | 8 | 10 | |
| 3 | 0,041 | |||||||
| 4 | 0,049 | 0,084 | 0,128 | |||||
| 5 | 0,058 | 0,097 | 0,148 | |||||
| 6 | 0,067 | 0,111 | 0,168 | 0,328 | ||||
| 7 | 0,076 | 0,125 | 0,188 | 0,363 | ||||
| 8 | 0,085 | 0,138 | 0,207 | 0,398 | 0,669 | 1,047 | ||
| 9 | 0,094 | 0,152 | 0,227 | 0,433 | 0,723 | 1,126 | ||
| 10 | 0,102 | 0,166 | 0,247 | 0,468 | 0,778 | 1,205 | 2,284 | |
| 12 | 0,193 | 0,286 | 0,539 | 0,888 | 1,363 | 2,565 | ||
| 14 | 0,221 | 0,326 | 0,609 | 0,998 | 1,521 | 2,846 | ||
| 16 | 0,248 | 0,365 | 0,679 | 1,108 | 1,679 | 3,126 | 5,351 | |
| 18 | 0,276 | 0,405 | 0,749 | 1,217 | 1,837 | 3,407 | 5,789 | |
| 20 | 0,444 | 0,820 | 1,327 | 1,995 | 3,689 | 6,226 | ||
| 22 | 0,484 | 0,890 | 1,437 | 2,153 | 3,969 | 6,664 | ||
| 24 | 0,523 | 0,960 | 1,546 | 2,312 | 4,250 | 7,106 | ||
| 26 | 0,563 | 1,030 | 1,656 | 2,470 | 4,531 | 7,544 | ||
| 28 | 0,602 | 1,100 | 1,766 | 2,628 | 4,812 | 7,982 | ||
| 30 | 0,642 | 1,171 | 1,876 | 2,786 | 5,093 | 8,423 | ||
| 32 | 0,681 | 1,241 | 1,985 | 2,943 | 5,374 | 8,861 | ||
| 34 | 0,721 | 1,311 | 2,095 | 3,101 | 5,655 | 9,299 | ||
| 36 | 0,760 | 1,382 | 2,205 | 3,260 | 5,936 | 9,740 | ||
| 38 | 0,800 | 1,452 | 2,315 | 3,418 | 6,288 | 10,178 | ||
| 40 | 1,522 | 2,424 | 3,576 | 6,498 | 10,616 | |||
| 42 | 1,592 | 2,534 | 3,734 | 6,779 | 11,057 | |||
| 45 | 1,697 | 2,699 | 3,971 | 7,200 | 11,712 | |||
| 48 | 1,803 | 2,863 | 4,208 | 7,622 | 12,371 | |||
| 50 | 1,873 | 2,973 | 4,366 | 7,902 | 12,812 | |||
Обработка дерева и металла
Виды заклепок.
Заклепка представляет собой металлический стержень с головкой различной формы (рис. 1), называемой закладной. При выполнении клепки вставляют заклепку в отверстия двух соединяемых деталей и ударяют молотком по выступающей части стержня. При этом выступающая часть стержня расплющивается, и образуется замыкающая головка (рис. 2).
Изготовляют заклепки того же материала, что и соединяемые детали: стали, меди, алюминия и т. п. То есть, например, стальные детали соединяют стальными заклепками, медные — медными.
По форме закладных головок различают заклепки с полукруглой головкой, потайной головкой и плоской головкой (рис. 3).
Выбор формы заклепки зависит от того, где будет использоваться заклепочное соединение. Так, при клепке мостов, где нужна высокая прочность соединяемых частей, применяют заклепки с полукруглыми головками. Там, где мало свободного места, ставят заклепки с потайными головками и т. д. Посмотрите на рис. 4, и вы сразу поймете разницу между соединением впо-тай и простым заклепочным соединением деталей.
Запомните! Головка заклепки, образованная от расклепывания стержня, называется замыкающей.
Размеры заклепки с потайной головкой. К размерам заклепки относят диаметр, длину стержня и диаметр головки.
Длину заклепки, необходимой для прочного соединения деталей, определяют так. К толщине склепываемых пластин (деталей) прибавляют диаметр стержня заклепки. Допустим, что толщина двух пластин равна 6 мм, а диаметр стержня заклепки — 3 мм. Длина заклепки должна быть 9 мм, так как, проведя простое арифметическое действие, получим: 6 мм (толщина двух пластин)+3 мм (диаметр стержня заклепки) = 9 мм. Это и будет длина заклепки.
Приведем еще пример определения длины заклепки: толщина первой детали 5 мм, толщина второй детали 4 мм, диаметр стержня заклепки 4 мм. Длина заклепки равна: 5 + 4 + 4=13 мм.
Но чтобы соединение склепанных деталей было прочным, диаметры заклепок следует подбирать в зависимости от толщины деталей. Вот примерное соотношение:
Запомните! Для образования замыкающей головки при клепке впотай стержень заклепки должен выступать над склепываемыми деталями на величину своего диаметра.
Прочность и надежность заклепочного соединения зависят от качества клепки, правильного подбора и расчета заклепок по диаметру и длине.
Виды заклёпок
Различают три вида заклёпок.
Это стандартная заклёпка забивная с разными головками:
- заклепка, имеющая полукруглую головку, применяется для соединения металлических конструкций и используемая в машиностроении, самолетостроении и других видах производства, например, в строительстве ;
- заклёпка, имеющая потайную головку, применяется для соединения листовой стали, используется, в основном, в строительстве;
- заклёпка, имеющая плоскую или полупотайную головку, применяется при строительстве судов, при сооружении мостов и тому подобных;
- заклепка пустотелая, имеющая полукруглую головку.
Заклепки алюминиевые с плоской головкой ГОСТ 10303-80 вес в 1 шт в гр. таб. 7
| Длина, мм | Диаметр заклепки, мм | |||||||||||||
| 2 | 2,5 | 3 | 4 | 5 | 6 | 8 | 10 | 12 | 16 | 20 | 24 | 30 | 36 | |
| 4 | 0,06 | |||||||||||||
| 5 | 0,07 | 0,12 | 0,19 | |||||||||||
| 6 | 0,08 | 0,13 | 0,21 | 0,42 | ||||||||||
| 7 | 0,09 | 0,15 | 0,23 | 0,46 | ||||||||||
| 8 | 0,10 | 0,16 | 0,25 | 0,49 | 0,87 | |||||||||
| 9 | 0,11 | 0,18 | 0,27 | 0,53 | 0,92 | |||||||||
| 10 | 0,11 | 0,19 | 0,29 | 0,56 | 0,98 | 1,47 | ||||||||
| 12 | 0,22 | 0,33 | 0,63 | 1,09 | 1,63 | |||||||||
| 14 | 0,24 | 0,37 | 0,70 | 1,19 | 1,79 | 3,43 | ||||||||
| 16 | 0,41 | 0,77 | 1,30 | 1,95 | 3,71 | 5,86 | ||||||||
| 18 | 0,44 | 0,84 | 1,41 | 2,10 | 3,99 | 6,30 | 10,13 | |||||||
| 20 | 0,91 | 1,52 | 2,26 | 4,27 | 6,74 | 10,76 | ||||||||
| 22 | 0,98 | 1,63 | 2,42 | 4,55 | 7,18 | 11,39 | ||||||||
| 24 | 1,06 | 1,74 | 2,58 | 4,83 | 7,62 | 12,03 | 22,62 | |||||||
| 26 | 1,13 | 1,85 | 2,74 | 5,11 | 8,06 | 12,66 | 23,75 | |||||||
| 28 | 1,20 | 1,96 | 2,89 | 5,39 | 8,50 | 13,29 | 24,87 | |||||||
| 30 | 1,27 | 2,07 | 3,05 | 5,67 | 8,94 | 13,92 | 26,00 | |||||||
| 32 | 1,34 | 2,18 | 3,21 | 5,96 | 9,38 | 14,55 | 27,12 | 46,89 | ||||||
| 34 | 2,29 | 3,37 | 6,24 | 9,81 | 15,19 | 28,25 | 48,67 | |||||||
| 36 | 2,40 | 3,52 | 6,52 | 9,90 | 15,77 | 29,37 | 50,41 | |||||||
| 38 | 2,51 | 3,68 | 6,80 | 10,69 | 16,45 | 30,49 | 52,15 | |||||||
| 40 | 2,62 | 3,84 | 7,08 | 11,13 | 17,08 | 31,62 | 53,93 | |||||||
| 42 | 2,73 | 4,00 | 7,36 | 11,57 | 17,71 | 32,74 | 55,68 | |||||||
| 45 | 2,90 | 4,24 | 7,78 | 12,23 | 18,66 | 34,43 | 58,31 | |||||||
| 48 | 3,06 | 4,47 | 8,20 | 12,89 | 19,61 | 36,10 | 60,95 | |||||||
| 50 | 3,17 | 4,63 | 8,48 | 13,33 | 20,24 | 37,24 | 62,69 | 98,72 | ||||||
| 52 | 3,28 | 4,79 | 8,76 | 13,77 | 20,88 | 38,34 | 64,47 | 101,25 | ||||||
| 55 | 3,44 | 5,03 | 9,18 | 14,43 | 21,82 | 40,05 | 67,11 | 105,02 | ||||||
| 58 | 3,61 | 5,27 | 9,61 | 15,08 | 22,77 | 41,72 | 69,74 | 108,83 | ||||||
| 60 | 3,72 | 5,42 | 9,89 | 15,52 | 23,40 | 42,86 | 71,48 | 111,36 | 187,86 | 290,46 | ||||
| 65 | 16,62 | 24,98 | 45,67 | 75,86 | 117,66 | 197,72 | 304,66 | |||||||
| 70 | 17,72 | 26,56 | 48,49 | 80,24 | 123,99 | 207,58 | 318,90 | |||||||
| 75 | 18,81 | 28,15 | 51,26 | 84,66 | 130,30 | 217,48 | 333,11 | |||||||
| 80 | 19,91 | 29,72 | 54,09 | 89,04 | 136,63 | 227,38 | 347,35 | |||||||
| 85 | 21,01 | 31,30 | 56,90 | 93,41 | 142,97 | 237,24 | 361,55 | |||||||
| 90 | 32,88 | 59,71 | 97,79 | 149,27 | 247,10 | 375,79 | ||||||||
| 95 | 62,52 | 102,21 | 155,61 | 257,00 | 390,00 | |||||||||
| 100 | 65,34 | 106,59 | 161,91 | 266,86 | 404,24 | |||||||||
| 110 | 70,95 | 115,38 | 174,55 | 286,62 | 432,68 | |||||||||
| 120 | 124,17 | 187,22 | 306,37 | 461,13 | ||||||||||
| 130 | 132,93 | 199,86 | 326,13 | 489,57 | ||||||||||
| 140 | 141,72 | 212,50 | 345,89 | 518,02 | ||||||||||
| 150 | 150,48 | 225,13 | 365,65 | 546,42 | ||||||||||
| 160 | 237,77 | 385,41 | 574,90 | |||||||||||
| 170 | 250,41 | 405,16 | 603,35 | |||||||||||
| 180 | 263,05 | 424,89 | 631,79 | |||||||||||
Какие бывают размеры заклепок.
Размеры вытяжных заклепок – над чем следует подумать при расчете? Техника заклёпывания метизов
Заклепки – это крепежная система, которая применяется для соединения двух или нескольких деталей. Они вставляются в предварительно сделанные отверстия в заготовках, составленные в одну линию. Крепеж представляет собой круглый стержень, который в результате деформации плотно охватывает стенки отверстий и удерживается в них благодаря силе трения.
Основные свойства заклепок
Заклепка дает более надежное соединение, чем шуруп или винт. При этом она занимает минимум пространства, не выступая из заготовки большой головкой, которая бывает у болтов. Главное преимущество такого крепежа в его низкой себестоимости и высокой скорости монтажа. Заклепки применяют в тех случаях, когда заготовки не планируется рассоединять. Посадив заклепку, разобрать соединение без засверливания уже невозможно.
Немаловажным преимуществом использования заклепок является их устойчивость к вибрации.
Если, к примеру, резьбовое соединение при постоянной встряске может ослабнуть, поскольку винты, гайки или болты раскручиваются, то заклепка подобного недостатка не имеет. Она плотно засаживается и уже не выходит. В том случае, если на соединение оказывается большая механическая нагрузка на разрыв или срез, то металл клепки может только разорваться, или повредить сами детали, но никак не выйдет просто так.
Заклепки являются популярным соединительным элементом, поэтому неудивительно, что они предлагаются в довольно обширном ассортименте. Все существующие конструкции можно условно разделить на две группы – холодной и горячей клепки. Холодные
делаются из более мягких и пластичных металлов, которые сравнительно легко деформируются, принимая требуемую форму. Заклепка горячего
типа сделана из твердой стали, поэтому в результате создаваемого давления практически не меняет своей формы без предварительного разогрева. Она обеспечивает более надежное соединение, но может применяться далеко не всегда.
Данный тип используют в тех случаях, когда разогрев не повредит деталям. В частности, таким крепежом пользуются в кораблестроении и станкостроении.
Разновидности заклепок
Существует довольно много разновидностей заклепок. Каждая из них имеет свои преимущества и предназначена для применения в определенных случаях. Крепежи отличаются между собой не только способом монтажа, но и нагрузкой, которую способны выдержать.
Кроме классификации заклепок по температуре их монтажа они также разделяются на три группы по конструкционным особенностям:
- Обыкновенные.
- Вытяжные с хвостиком.
- Резьбовые.
Каждая разновидность предназначена для определенной цели, поэтому сказать, что какая-то группа лучше нельзя.
Обычные
Обычные появились самыми первыми. Их легко узнать, поскольку они имеют форму гриба. Их металлический стержень украшен широкой шляпкой. Такие заклепки считаются одними из самых прочных, но сложных в монтаже.
Данный тип крепежа может применяться только в том случае, если требуется соединение двух элементов с возможностью установки клепки сквозь них. То есть с одного конца соединения должен оставаться грибок, а с дорогу выходить хотя бы на несколько миллиметров основной стержень крепежа.
Для того чтобы соединить две заготовки необходимо упереть твердый металлический предмет в шляпку клепки и мягкими ударами по ее стержню расплющить материал образовывая подобие уже имеющейся головки. Таким образом, прочное соединение обеспечивается не только внутренним трением в отверстиях, но и внешним прижимом, который создается между заводской и созданной шляпкой.
Вытяжные
Вытяжные клепки применяется в тех случаях, когда необходимо соединить два металлических листа. Они позволяют обеспечить надежную фиксацию заготовок, даже когда имеется доступ только к одной их стороне. Для работы с ними применяется специальный пистолет пневматического или механического типа. Также существуют насадки на , которые также позволяют работать с таким крепежом.
Сама заклепка представляет собой длинный металлический стержень, на конце которого имеется алюминиевая гильза трубчатого типа. Также может применяться другой мягкий металл.
При вытягивании стального стержня гильза деформируется, поскольку на его конце имеется небольшая шляпка, которая не позволяет ему выйти. В результате создаваемого давления гильза плотно прилегает ко всей поверхности отверстия. Для того чтобы провести качественное соединение необходимо упирать торец заклепочного пистолета к соединяемым деталям. Именно это является залогом успеха. Непосредственно сам хвостик из стали, который втягивается пистолетом, может обламываться, поскольку имеет специальные насечки для ослабления прочности, или полностью выходит из гильзы.
Вытяжной тип заклепок применяется чаще всего, поскольку он обеспечивает легкий монтаж, а пистолет для работы стоит сравнительно дешево. Немаловажным преимуществом в пользу такого крепежа является тот факт, что он может соединить тонкую и толстую деталь, даже если высота гильзы меньше, чем общая толщина заготовок.
Просто вставив заклепку и начав затягивать хвостик можно создать вполне достаточную деформацию для достижения высокого трения, нужного для фиксации деталей. Конечно, надежность такого соединения будет не такой высокой, как при использовании полноценного сквозного монтажа.
Резьбовые
Резьбовая заклепка является самой дорогой. Сам крепеж представляет собой полую гильзу, внутри которой нарезана резьба. Гильза непосредственно вставляется в подготовленное отверстие соединяемых деталей, после чего внутрь закручивается стержень. После этого он вырывается в сторону опорной поверхности, с которой закручен. При этом гильза начинает сминаться, как в случае с вытяжной. Как только требуемое качество соединения достигнуто, стержень просто выворачивается.
Такие гильзы обычно делают из алюминия, но бывают медные и латунные. Главный недостаток такого крепежа в его высокой стоимости. Также для того чтобы добиться качественного соединения важно соблюдать направление вытягивания стержня под 90 градусов.
В связи с этим работу лучше всего делать с помощью специального пистолета, но вполне можно обойтись болтом и гайкой.
Главным преимуществом таких заклепок является минимальная травматичность. В случае с обычными заклепками всегда существует риск пораниться . При работе с вытяжным типом возможно соскальзывание пистолета и травмирование. Винтовые заклепки обеспечивают надежную фиксацию. Такой крепеж обычно применяется в машиностроении, также при изготовлении корпусов бытовой электротехники. Он позволяет закрепить толстую заклепку, диаметр которой существенно выше, чем в обычной вытяжной.
Как выбрать диаметр и длину заклепки
Для того чтобы соединение получилось надежным и внешне привлекательным важно правильно подобрать параметры крепежа:
- Диаметр.
- Длину.
- Материал.
В первую очередь стоит обратить внимание на материал. Алюминиевые клепки применяются для соединения деталей, на которых недопустимо появление ржавчины. Они не только устойчивые к коррозии, но и обладают вполне хорошим показателем прочности.
Латунные крепежи применяется для фиксации заземления на щитках, а также в прочих в сферах, где нужно обеспечить монтаж токопроводящих элементов.
Заклепка из нержавеющей стали обычно используется в оборудовании, применяемом в пищевой или химической промышленности, на которое оказывается серьезное давление. Такое соединение не боится коррозии, и при этом обеспечивает максимальную степень фиксации. Медную заклепку обычно применяют для медной кровли. Использование для таких целей крепежей из других материалов может привести к появлению окисления, что сокращает ресурс службы крыши.
Следующим немаловажным показателем являются длина крепежа. Если выбрать слишком короткую заклепку, то получаемое соединение будет ненадежным. Если взять избыточно длинный стержень, то в результате деформации получится неаккуратный грибок, который испортит внешний вид изделий. В том случае, если применяется вытяжная гильза, то это может привести к раннему вырыванию хвостика, что создаст ненадежное соединение.
В идеале применять заклепку, длина которой на 20% выше, чем толщина приложенных плотно друг к другу соединяемых элементов. Это позволяет получить идеальную шляпку с обратной стороны, которая будет надежно удерживать детали вместе с заводской головкой.
Также важным является соотношение толщины заклепки к диаметру подготовленного отверстия. Она должна быть лишь немного меньше, чтобы обеспечить легкое вхождение стержня. Если разница будет слишком большой, то получаемый зазор будет заполняться недостаточно плотно, что создаст минимальное трение. В результате такое соединение будет ненадежным, поэтому вырвется даже при слабой нагрузке.
Если необходимо достигнуть надежного соединения нужно применять заклепки как можно большего диаметра, насколько это позволяет материал, который соединяется. В том случае, если под рукой такого крепежа нет, то можно обойтись и более тонким, но при этом использовать несколько заклепок расположенных близко друг от друга.
В том случае, если необходимо соединить с помощью заклепки материалы, не способные выдержать нагрузку, которая создается при деформации, можно пойти на хитрость.
Для этого на обратной стороне гильзы, которая будет деформироваться, нужно надеть широкую шайбу. В результате раздавленный кончик не сможет пройти сквозь нее, поэтому начнет вдавливать ее как тиски, притягивая к своему грибку. Это позволит создать вполне надежную фиксацию, не прорвав при этом мягкий материал. Таким методом закрепляют поликарбонат и фанеру.
Сфера использования такого крепежного элемента как заклёпки настолько обширна, что нельзя и вспомнить ни одной технологической отрасли, где бы она не использовалась.
Заклёпки тяговые, к примеру, применяются для крепежа деликатных материалов, формирования полностью закрытых сочетаний, надежных соединений и пр. такие отрасли как: авиация, производство корпусной и мягкой мебели, лодок и их ремонт, системы вентиляции, строительство, машиностроение и даже детские городки с аттракционами, нельзя представить без заклёпок.
В этой статье расскажем об основных видах заклёпок, их технологических характеристиках, сфере применения и способах креплениях.
Узнаете в чем особенности вытяжных, резьбовых, алюминиевых, стальных, винтовых, гаечных, нержавеющих заклепок.
Что такое открытые, закрытые, усиленные, лепестковые, распорные, многозажимные, клеммные кассетные и пластиковые заклёпки.
Созданы они для того, чтобы облегчить работу и снизить затраты на производстве. Кроме того, заклёпка обладает рядом технологических характеристик, которые делают ее незаменимой и надежной. Рассмотрим основные виды заклепок и их характеристики.
Виды заклепок
Вытяжные заклёпки открытые
Этак заклепка относится к стандартному типу. Ее тело со сквозным отверстием, поэтому напоминает пустотелую заклепку. Главным отличием от пустотелой является то, что после заклепывания головка остаётся в теле заклёпки, в виде части возвратной головки.
Сфера применения данной заклёпки там, где нет жёстких требований к прочности и надежности, толщина материалов колеблется, а размеры дырок с незначительными расхождениями.
Эти заклёпки самые популярные на рынке крепежа.
Вытяжные заклёпки закрытые
Данный вид крепежа часто используют для соединения материалов, которые нуждаются в повышенной . Тело заклёпки не имеет отверстия сквозного, что в свою очередь дает возможность создать оборотную головку, запечатывающую дырку.
Исходя из этого, такие заклёпки имеют второе название – заклёпки закрытые. Плотное соединение препятствует проникновению влаги, пыли и грязи внутрь. Если применять дополнительно прокладки, можно сделать соединение полностью герметичным.
Заклёпки усиленные
Данный вид крепежного элемента предназначен для крепления с увеличенным рубежом крепости. Коэффициент усилий прилагаемых на растяжку и срез, значительно выше, чем у стандартной заклёпки. Поэтому и соединения получаются в результате очень надежными. Оборотная головка, которая формируется при заклёпывании, надежно соединяет компоненты и создает крепкое соединение, не подверженное воздействию вибраций. Такая заклёпка чаще всего применяется в машиностроительной отрасли, авиационной и т.
д., то есть тех, где требуется прочное соединение конструкций.
Заклепки лепестковые
Эти заклепки пригодны для соединения пластичных материалов: деревянные плиты, пластик, и другое.
При заклёпывании, стержень открывает тело заклёпки на лепестки, которые при сгибании натыкаются на поверхность соединяемых материалов.
Таким образом, формируется обратная головка. Главная задача такого типа головки – обеспечение максимальной площади контактирования и правильное распределение нагрузки.
Головка не погружается в материал, оставаясь на своем месте.
Заклёпки распорные
Такие заклёпки предназначены для монтажа деликатных и мягких материалов. При заклёпывании головка обратная создается особенным образом – складываясь, она распространяет свою нагрузку на немалую площадь, изнаночной поверхности материалов, которые одна соединяет. Именно это бережет головку от проваливания через мягкие материалы, предотвращая тем самым деформацию и образование трещин.
Заклёпки гаечные
Под такие заклёпки не нужно делать дырку. Они созданы для соединения пластин с волокнистыми и гладкими материалами (пластик с ). При креплении гаечной заклёпки, не формируется обратная головка.
При вытаскивании стержень отрывной делает тело заклёпки шире, а насечки впиваются в волокна материала. Распорные или винтовые заклёпки применяют при изготовлении мебели, строительстве – для соединения металла и дерева.
Заклёпки многозажимные
Это те же вытяжные заклёпки, но с большим разбегом толщины материалов, которые нужно соединять. Такая заклепка создана для перекрытия диапазонов 3-х обычных заклёпок вытяжных и используется в тех случаях, когда нет точных данных о толщине соединяемых материалов.
Заклёпки клеммные
Такие заклёпки применяют в случае необходимости создать соединение контактное и провести электросеть. Заклёпки клеммные производят из материалов способных пропускать ток электричества. Название говорит само за себя, данный элемент крепежа имеет клеммы (одну или несколько).
Заклёпки пластиковые
Такой крепеж изготовлен из полиамида, но имеет при этом надежное соединение.
Заклёпки из пластика практически не имеют отличий от стандартных вытяжных заклёпок, и даже имеют свои достоинства. А именно: высокий уровень влагопроницаемости, неподверженность коррозии, не проводят ток. Применяются для крепежа изделий из пластика, картона, стекловолокна.
Заклёпки кассетные
Это независимый тип заклёпок. Процесс крепежа такой же, как и у вытяжной заклёпки, с тем отличием, что данного вида крепежа есть один стержень, на целую кассету, который не ломается, а тянется через заклёпочное тело, закрепляя ее в дырки. Мастеру нужно лишь загрузить в заклепочник кассету, а не по отдельности и работать. Это позволяет оставить одну руку свободной и существенно сокращает время работы.
Важно! Технологические характеристики и название заклепок часто может разниться у разных производителей. Также, на рынке крепежа время от времени возникают все новые виды.
Характеристики заклёпок
В зависимости от размера
При выборе , немаловажным является размер самого стержня, который колеблется в пределах 1 – 36 мм, а его дина составляет 2 – 180 мм. Ошибочно считать, что чем толще стержень, чем он прочнее, здесь это роли не играет.
Заклёпки стальные с толщиной 10 мм могут оказаться более надежными, чем изделия из меди с диаметром больше 20 мм. Также, роль играет и оказываемая нагрузка.
Поэтому в некоторых случаях лучше приобретать трубчатые заклёпки с тонкими стенками. Виды заклепок с малой головкой полукруглой отличаются малой толщиной в пределах 1 – 10 мм, и длиной 4 – 80 мм.
Толщина заклёпки с плоской головкой составляет 2 – 36 мм, а длина 4 – 180 мм.
Элементы с максимальной длиной – это полупотайные заклёпки, которые применяют для работы в виды заклепок, которые можно использовать в конструкциях с углублением 200 мм.
Виды метизов по конструкционным особенностям
Таких вариаций существует множество, но самыми востребованными считаются распорные заклёпки.
Они применяются для работы с мягкими и рыхлыми материалами.
Шляпка такого метиза при заклепывании складывается, таким образом, который дает возможность распределить нагрузку на большую площадь конструкции.
Лепестковые метизы используют для работы с древесиной. Именно этот тип крепежа позволяет надежно фиксировать волокнистую структуру дерева.
Многозажимные метизы скрепляют материалы с разной толщиной и формируют узел универсального типа.
Кассетные заклёпки относятся к высокотехнологичным видам метизов, в которых элементы фиксируемого упора представляются несколькими десятками уровней.
В таком случае лишь один стержень является основой несущей.
Виды заклёпок в зависимости от материала
Большая часть заклёпок производится из металла: сталь, алюминий, медь и латунь. Все они имеют высокий уровень защиты от деформации и коррозии.
Заклёпки алюминиевые и медные
более пластичны, а также имеют малый вес.
Заклёпки стальные
используются для работы с конструкциями, для которых необходимо обеспечить высокую степень крепления.
Пластиковые заклёпки
изготавливают из полиамида, который обладает высокой прочностью и хорошими эксплуатационными характеристиками. Обеспечивают надежную защиту от пагубного влияния влаги, чего нельзя сказать о гальванических нержавеющих заклёпках. В наше время часто применяют технологию горячего спаивания метизов из пластика и материалов композитных. Это позволяет создать прочную спайку.
Также существуют модели комбинированного типа заклепка алюминий сталь, сталь и пр.
Заклепка алюминиевая под молоток широко применяется в машиностроении, самолетостроении, изготовлении бытовой техники и персональных компьютеров.
Имеет второе название ударная, из-за способа крепления. Заклепка под молоток из алюминия изготовляется в разных классах надежности крепления, имеет различные виды головок, длину и диаметр.
Заклёпки резьбовые и вытяжные
Резьба на заклепках объединяет их с другими типами метизов. Но резьбовые характеризируются способом фиксирования с двух сторон.
Тело заклёпки погружается в дырку ранее подготовленную, затем мастер вводит втулку и закручивает.
Это обеспечивает высокую степень надёжности крепления, хотя подходят не для всех материалов. В связи с этим, большей популярностью пользуется заклёпка вытяжная сталь.
Примечание. Принцип вытяжного соединения предусматривает деформирование конструкции в конце процесса заклёпывания для произведения упора.
Техника заклёпывания метизов
Процесс установки заклёпок проходит в несколько этапов. Для начала при помощи сверла делают отверстие, в которое будут производить вставку элемента. Почты все типы заклёпок устанавливают в нишу с диаметром большим на 10 – 15 %, чем толщина стержня.
Примечание. Плотность погружения не важна.
Метиз заклепывают в отверстие таким образом, чтобы головка оказалась с оборотной стороны конструкции. Резьбовые заклёпки устанавливаются при помощи ручного заклепочника. Заклёпки сталь взрывного вида или распорные устанавливают специальным заклепочником (электрическими или пистонными).
Сфера использования заклёпок
В основном заклепка применяется в машиностроении, авиастроении, кораблестроении, креплении вентилируемых , производстве детских игровых площадок, креплении декоративных конструкций и элементов.
Преимущественно данный крепеж используют в строительной сфере и ремонтных работах. Тяжеловесные конструкции данным видом метизов не скрепляют.
Примечание. Очень важно, чтобы заклепка обладала гибкостью и прочностью одновременно. Учитывая этот факт, для ее производства применяют сталь малоуглеродистую сталь, сплавы алюминия и медь.
Тема поста – все размеры вытяжных стальных и алюминиевых заклепок, их некоторые характеристики и области применения.
Хорошо известно, что заклепка — это широко распространенное крепежное изделие, имеющее форму цилиндра с головкой с одной стороны. Применяется всегда для создания прочного неразъемного соединения деталей после воздействия силы на другой конец цилиндрического стержня и получения второй головки путем пластической деформации.
А чем отличается от нее вытяжная заклепка (ВЗ)? Тем, что она состоит из 2-х частей — стержня и гильзы.
В момент соединения деталей заклепочник извлекает стержень и удаляет его из собственно тела заклепки. Материал изделий может быть самым разнообразным — сталь, алюминий, нержавейка, медь, комбинации этих металлов.
Использование в конструкции ВЗ стандартного буртика делает применение этого метиза универсальным.
Какие же размеры этого вида метизов существуют в продаже сегодня? Допустим, в случае с алюминиевой конструкцией (т.е. тело и стержень выполнены из алюминия)?
Все размеры вытяжных алюминиевых заклепок, имеющих стандартный буртик DIN 7337
Смотрим таблицу, она полностью раскрывается при клике мышкой.
Кстати, как выбрать на прилавке именно этот тип ВЗ? Алюминиевый? Нужно смотреть на маркировку.
В общем случае (стерженек и гильза из Al) код обозначения будет такой — Al/Al.
А какие же размеры могут иметь стальные вытяжные заклепки? Т.
е. в том случае, если и тело, и стержень изготовлены из стали?
Все размеры вытяжных стальных заклепок, имеющих стандартный буртик ST/ST
На этом чертеже дана расшифровка параметров.
Еще несколько слов по маркировке стальных метизов.
- Код A2/A2 или A4/A4 означает, что изделие сделано из нержавейки.
- Код St/St — из оцинковки.
Но зачем вообще нужно знать все или отдельные размеры стальных или алюминиевых вытяжных заклепок?
Дело, как правило, в том, что при интенсивной эксплуатации полученного соединения могут возникать значительные на него. И заклепки могут сработать на срез или разрыв. Вот именно поэтому и подбираются их размеры под каждый индивидуальный случай.
Здесь понадобятся специальные справочники с указанием размеров ВЗ, диаметра буртика, диаметра отверстия и толщин соединяемых материалов. Нужно только найти стальной или алюминиевый вытяжной вариант.
Egor11
Проводя работы по соединению деталей, необходимо определить, заклепочник ручной какой лучше всего подойдет для работ.
Прежде чем выбрать подходящий инструмент, рассмотрим, что такое заклепка и где обычно применяют такое соединение.
Заклепочник необходим для соединения деталей.
Особенности процесса заклепки
Заклепка является очень прочным соединением. И сейчас можно найти прекрасно сохранившиеся конструкции, скрепленные заклепками. Такие изделия служат людям уже на протяжении более ста лет и разрушаться не собираются. Этот способ соединения деталей можно встретить в старых производственных цехах, мостах, башнях. Самые знаменитые представители заклепочного мастерства – это Эйфелева башня в Париже и телевизионная вышка на Шулявке в Москве.
С помощью заклепочного болта происходит соединение деталей друг к другу.
Рассмотрим, что представляет собой сам процесс клепания. Самый распространенный пример: соединение двух листовых деталей плашмя друг к другу. Для этого в двух смежных деталях сверлятся отверстия, которые совпадают при накладывании деталей. В некоторых случаях, если есть возможность зафиксировать листы в положении, в котором их нужно скрепить, сверлят одновременно оба листа.
Такой способ более предпочтителен, так как более точен.
Далее просверленное отверстие заполняют соединительным металлом. В зависимости от диаметра отверстия, соединением может служить проволока, прут или специально приготовленный болт без резьбы. Если соединительным элементом служит проволока или прут, то их развальцовывают с обеих сторон до прочного закрепления листов. Обычно клепают одну сторону, а затем другую.
В случае, если используются специальные заклепочные болты, соединение происходит следующим образом: в сделанное отверстие вставляется заклепка с головкой. Затем, если позволяют размеры и расположение деталей, головку устанавливают на неподвижный упор или наковальню, а с другой стороны делают развальцовку.
Самое надежное соединение деталей
Заклепочники имеют рычажный механизм для работы.
Если же конструкция не позволяет передвигать место соединения, со стороны головки закрепляют специальную наставку. Размер и вес наставки подбирается в зависимости от толщины соединения и материала заклепочного болта.
И далее делают расклепку свободной стороны. Трудоемкость процесса не позволяла использовать такое соединение повсеместно.
В идеале соединительный металл должен заполнить пространство сделанного отверстия и с обеих сторон образовать шляпки, которые и удерживают между собой детали. Таким же способом можно не только соединять между собой детали, но и заделывать отверстия в одном листе. Этим методом пользовались ремесленники при ремонте прохудившихся емкостей.
Такого рода соединение весьма виброустойчивое и, если выполнено правильно, очень крепкое. От других соединений заклепка выгодно отличается тем, что не лопается мгновенно, а постепенно растягивается.
Это качество дает возможность вовремя заметить неполадку и заменить крепеж.
Сварочное соединение, к примеру, трескается одновременно по всей длине соединения, что приводит к негативным последствиям. А в сравнении с винтовым соединением заклепка отличается гораздо меньшей ценой.
Новый уровень заклепочников
Двухрычажный заклепочник более прост в использовании.
Большим недостатком процесса установки заклепки в былые времена являлось то, что при работе был необходим доступ к заклепке с обеих сторон. Но прогресс не стоит на месте. Изобретение совершенно нового принципа соединения деталей вывело заклепку на весьма популярный уровень использования.
Заклепка нового поколения состоит из трубки со шляпкой на одном конце. В эту трубку помещается проволока с шариком на другом конце. Трубка вставляется в отверстие до упора шляпки. С этой же стороны специальным приспособлением захватывается проволока и вытягивается наружу. Шарик, прижимаясь к детали, развальцовывает трубку, образуя надежное крепление.
Самое приятное преимущество нового вида заклепок в том, что к месту крепления не нужен доступ с двух сторон. Ими можно крепить детали в таких ситуациях, где невозможно подобраться с противоположной стороны. Также очень тонкие листы, которые сложно прочно соединить винтовыми соединениями, легко соединяются заклепками.
Для установки нового вида заклепок был изобретен соответствующий инструмент, называемый заклепочником.
Он представляет собой рычажный механизм. С виду такой ручной заклепочник похож на плоскогубцы, при работе с ним нужно прилагать усилие.
В зависимости от толщины соединяемых деталей выбирается вытяжная заклепка. К заклепке подбирается головка ручного заклепочника. В комплект обычно входит четыре головки на самые часто используемые диаметры проволок заклепок. При необходимости можно докупить большее количество сменных головок.
Головка одевается на стержень заклепки, упирается в шляпку, плотно прилегающей к детали, после чего сжимаются рукояти заклепочника. При этом цанговое устройство захватывает стержень и вытягивает его из трубки заклепки. Когда сжатие трубки обратным шариком достигает предела, стержень ломается. Заклепка готова. При работе, откусанные стержни желательно не разбрасывать, а складировать в специальную коробочку.
Какие еще бывают заклепочники?
Как известно, прогресс не стоит на месте, поэтому мастера постарались еще улучшить механизм заклепочника.
В продаже имеется разновидность с регулируемой головкой. Эта разновидность конструкции в разы увеличивает скорость и облегчает работу. С таким заклепочником удобно работать в труднодоступных местах. На сегодня инструмент этой системы является самым лучшим для использования дома или в ремонтных работах небольшой сложности.Именно его можно с уверенностью посоветовать мастерам.
Полезно также знать и о других разновидностях ручных заклепочников, так как бывают ситуации, когда не обойтись без особого инструмента. Например, резьбовой заклепочник. Отличие от вытяжного состоит только в том, что шарик втягивается в трубку заклепки при помощи вращения по резьбе. На первый взгляд такой способ -только лишние расходы. Но бывают случаи, когда необходимо ввинтить болт в очень тонкую или изготовленную из хрупкого материала пластину. В этом случае резьбовой заклепочник незаменим. Конечно, держать его дома нет надобности, но знать о такого рода соединении нужно.
Распространенные варианты ручных заклепочников используются одной рукой.
Но для работы с заклепками большего диаметра нужно усилие побольше. Для этой цели существуют профессиональные заклепочники для двух рук. Они гораздо сильнее и рассчитаны для работы с заклепками большого диаметра. Габариты их тоже больше, поэтому дома иметь их не имеет смысла.
Такие разновидности заклепочников, как пневматические и гидропневматические, используются исключительно в производственных цехах – нам они не интересны. Исходя из всего перечисленного, можно с уверенностью выбрать заклепочник для личного использования.
Теперь остается лишь отметить несколько рабочих моментов:
- В соответствии с толщиной скрепляемых деталей и с диаметром отверстия нужно подбирать и размер заклепок. Для листов с общей толщиной от 0,5 мм до 5 мм используют заклепки длиной 4 – 8 мм и диаметром 2,4 мм. Отверстие нужно сверлить 2,5 мм. Для листов с общей толщиной 0,8 – 9,5 мм длина заклепки составляет 6 -12 мм, диаметр – 3,2 мм, отверстие – 3,3 мм. Для листов 1,5 мм – 12,5 мм длина заклепки будет 6 – 16 мм, диаметр – 4,0 мм, отверстие – 4,1 мм.
Если применить несоответствующую заклепку, прочного соединения может не получиться. - Показателем правильности подобранных заклепок будет установка заклепки в одно нажатие рукояток. В противном случае, нужно поменять размер заклепки.
- Прежде чем нажать на рычаги заклепочника, убедитесь, что головка прижалась плотно к шляпке.
- Желательно подбирать заклепки из того же материала, что и соединяемые листы. Промышленность выпускает несколько вариантов: алюминий, медь, латунь и сталь.
Теперь можно выбрать инструмент по душе. Нужно помнить, что приобретать такого рода товар лучше от авторитетного производителя. Инструмент, который вы покупаете, должен удобно лежать в руке. Соблюдая правила, вы выберете надежный и долговечный ручной заклепочник. А при правильной эксплуатации работа с ним будет в радость.
В наши дни для фиксации двух и более склепываемых элементов принято использовать вытяжные заклепки, которые быстро заменили традиционные клепки для металла за счёт простоты монтажа и отличных эксплуатационных свойств.
Сегодня эти приспособления широко применяются в строительстве, судостроении и судоремонте, машиностроении, при обустройстве средств безопасности, в текстильной промышленности и многих других сферах человеческой деятельности. Решение позволяет добиться максимально прочного соединения
, однако если задача заключается в креплении сверхпрочных деталей, то здесь принято использовать резьбовые изделия.
Из каких материалов изготавливают заклепки
Для изготовления вытяжных заклепок применяются самые различные материалы. Эта особенность существенно расширяет области их применения, позволяя использовать изделие практически на всех видах работ. К тому же, саму заклепку можно окрашивать в любые цвета, что необходимо для легкой промышленности (текстильной), где особый акцент ставится на цвет фиксирующего элемента
.
При выборе материалов для производства заклепок учитывается материал скрепляемой детали, а также особенности окружающей среды, где будет эксплуатироваться скрепленная конструкция.
В большинстве случаев для таких целей используются следующие материалы:
- Алюминий
. Поддерживается применение чистого металла и его разновидностей: анодированного или лакированного. - Оцинкованная сталь
. Характеризуется повышенной прочностью и многими другими достоинствами. - Нержавеющие стали
. А2 обладает максимальной устойчивостью к ржавлению, а А4 покрыта надёжным антикоррозийным слоем и способна переносить кислотную среду. Чаще всего её используют в химической промышленности. Также популярностью пользуются импортные аналоги, такие как DIN 7337. Нержавейку считают самым популярным и распространённым материалом с отличными эксплуатационными свойствами и повышенной прочностью. - Медь
. - Медно-никелевый сплав (монель)
. Он состоит из 70 процентов никеля, и 30 процентов меди. - Поламид
. Не может похвастаться слишком высокой прочностью, поэтому чаще всего используется при выпуске элементов одежды и текстильной продукции.
Независимо от материалов, которые применяются для производства заклепок, они проходят специальную сертификацию, а также подтверждаются стандартом ГОСТ.
Если перед вами встал вопрос выбора материала для изготовления крепежных элементов, необходимо ответственно отнестись к подбору материалов метизов со скрепляемыми деталями, что связано с высоким риском разрушения крепления. В большинстве случаев это происходит из-за появления гальванической пары метиз — деталь
. Если влажность окружающей среды достаточно большая, что может объясняться намоканием, гальваническая пара становится проводником электрического тока, что и способствует разрушению крепления.
Для примера, контакт алюминия со сталью приводит к очень быстрому окислению, а также разрушению алюминия. По этой причине, для крепления стальных деталей принято использовать заклепки из нержавейки отечественного или зарубежного производства. Стальные заклепки пользуются большой популярностью за счёт своих прочностных свойств.
А вот сталь оцинкованные решения не слишком популярные. Связано это с тем, что цинковое покрытие не может похвастаться большим сроком службы, поэтому оно очень быстро истирается. Проблема по-особому прогрессирует при использовании подвижных элементов.
Универсальным метизом считается крепежный элемент из медного сплава. Единственным «врагом» меди является алюминий, в то время, как остальные металлические заготовки практически не конфликтуют с металлом.
Из недостатков таких решений:
- Высокая стоимость.
- Появление некрасивого цвета после запуска процесса окисления (через определенный промежуток времени появляется зеленый налёт, который представляет собой остатки окислившейся меди). Правда подобные образования никак не влияют на прочность изделия.
Самое универсальное крепежное соединение — поламид. Подобная заклепка надёжно защищает практически всё, что можно себе представить, правда особая прочность для неё не свойственна.
Если вам необходимо заказать заклепки, обязательно обратите внимание на материал, из которого выполнена конкретная модель
.
В чём заключаются конструктивные особенности заклепок вытяжных
Алюминиевые (все размеры доступны практически на любом сайте соответствующего магазина) заклепки всегда пользовались особым спросом. Правда за счёт небольшой прочности их не рекомендуется использовать для крепления тяжелых конструкций и тех изделий, которые постоянно находятся под большими нагрузками
или агрессивными воздействиями окружающей среды.
Не секрет, что базовыми элементами вытяжных метизов является тело и стержень. В качестве тела применяется корпус, втулка или цилиндр. Именно эта часть выполняет роль главного крепежного элемента, который осуществляет несущую функцию. Тело включает в себя головку-«бортик», а также пустотелый цилиндр. Герметичные метизы обладают наглухо запаянным концом.
Исходя из типа головки, выделяют метизы с:
- Высоким бортиком.
- Широким бортиком.
- Потайным бортиком.
Широкий и высокий варианты обеспечивают максимально прочное клепанное крепление.
Подобные фиксирующие элементы заметны со стороны и способны формировать характерные «выпуклости» на поверхности заготовки. Что касается потайного бортика, то он может обеспечивать практически гладкую поверхность в месте крепления, правда надёжность существенно ухудшена
. Толщина потайного бортика составляет около 1 миллиметра, а основная массивная часть головки зафиксирована в крепежном отверстии.
Толщина и длина цилиндра заклепки бывает разной. Именно наружный диаметр цилиндра определяет диаметр метизов в названии заказа. Размеры цилиндра отыгрывают очень большую роль среди всех других размеров. Именно на них следует обращать особое внимание при покупке данных крепежных элементов.
Основное предназначение крепления заключаются в обеспечении подвижного или неподвижного соединения нескольких деталей или элементов.
В большинстве случаев размеры цилиндра обозначаются двумя числами с разделительным знаком «Х», где первый показатель определяет наружный диаметр, а второй — длину.
Стержень — важный конструктивный узел
Следующий, очень важный конструктивный элемент вытяжной заклепки — это стержень. Он выполняет роль расклепки и может быть изготовлен из прочной стали, которая гораздо прочнее тела. Конец стержня обладает специальной головкой, выполняющей роль расклепки вставляемого конца. При выполнении монтажных работ стержень вытягивают с помощью специального пневмозаклепочника, а если креплений слишком много, можно обойтись и обычными пассатижами. Правда последний случай подразумевает применение определенной физической силы.
Основное преимущество конструкции вытяжных заклепок представлено возможностью одностороннего монтажа, когда достаточно доступа к креплению только с одной стороны.
Более прочное решение (резьбовое) имеет характерную резьбу внутри цилиндра. В классической вытяжной заклепке такая резьба отсутствует
.
Цилиндр с резьбой также располагает вкрученным стержнем, который не вытаскивается с силой, а аккуратно выкручивается.
Чтобы усилить соединение, внутрь помещается надёжный винт или болт. В результате удаётся создать своеобразную «закрытую» крепежную деталь, которую нередко называют глухой.
После определения подходящих размеров и материалов, а также выбора подходящей разновидности бортика, можно приступать к поиску конкретного типа самой заклепки.
Какие заклепки доступны на рынке
В зависимости от требуемых характеристик, которые должны присутствовать в крепежном элементе, выбирается тип крепежа. В настоящее время в продаже предлагается несколько видов метизов:
- Комбинированные. Способны обеспечивать надёжные неразъемные соединения конструкций из твердых сплавов или материалов с повышенной прочностью. Кроме этого их применяют и для крепления тонколистовых материалов. Сегодня комбинированные заклепки являются очень востребованной разновидностью крепежных элементов, поэтому их часто используют для проведения всевозможных монтажных работ. Изделие обеспечивает максимально прочное крепление, которое беспроблемно справляется даже с самыми интенсивными нагрузками.

- Герметичные заклепки. Подобное решение представляет собой узкоспециализированный вариант крепежа, который по-особому востребованный для судостроительной отрасли. Конструктивная особенность подобного крепежа представлена запаянным концом со стержнем. Чаще всего подобные метизы изготовляют из меди, правда, для обустройства гражданских судов и лодок можно обойтись и алюминиевыми заклепками. Что касается креплений на промпроизводствах, то там актуальными остаются модели из нержавеющей стали.
- Многозажимные. Такие изделия отличаются от всех предыдущих, наличием нескольких расклепочных участков. Они могут использоваться для крепления трёх и больше элементов конструкции для подвижного соединения. Между каждыми двумя элементами находится расклепанный участок. Их монтируют с помощью специального прибора (в большинстве случаев с помощью пистолета для вытяжных заклепок).
- Кроме этого в продаже есть и усиленные модели метизов. По сути, это та же вытяжная заклепка, правда её цилиндр изготовлен из более толстого материала.
В его качестве принято использовать прочный алюминий.
Сегодня есть и множество других разновидностей крепежа, которые могут отличаться и длиной, и формой стержня, однако останавливаться на них нету смысла, так как вышеперечисленные решения вполне универсальные, и вполне подходят для большинства целей.
Особенности установки заклепок
После приобретения заклепки у многих людей возникает вопрос: «Как правильно провести монтаж этого крепежного элемента?» К счастью, конструкция изделия остаётся очень простой и понятной, поэтому на этапе установки любые трудности и непонятные моменты практически отсутствуют.
Важно лишь обзавестись специальным заклепочным инструментом, который существенно снизит затраты по времени и упростит предстоящую задачу. В наши дни подобные инструменты доступны в любом гипермаркете строительных материалов, поэтому их покупка не станет чем-то очень сложным. К тому же в продаже предлагаются и механические заклепочники, и пневмозаклепочники.
Также можно воспользоваться электрической моделью. Если возможность купить инструмент отсутствует, можно остановиться на обычных пассатижах.
Сам процесс монтажа осуществляется следующим путем. С помощью дрели требуется просверлить отверстие в точке крепления с диаметром на 0,1 миллиметров меньше диаметра крепежного соединения. Глубина отверстия сопоставима с длиной цилиндра, минус длина расклепочного участка. В отверстие стержнем к себе фиксируют крепежный элемент, а затем с помощью заклепочного инструмента происходит вытягивание стержня. В конечном итоге происходит надёжная фиксация всех элементов.
Подводя итоги
Заклепки вытяжного типа — это действительно очень полезный, надёжный и качественный соединительный элемент, с помощью которого можно проводить множество монтажных работ, добиваясь максимально прочного и хорошего соединения всевозможных конструкций. Современные заклепки соответствуют всем требованиям и стандартам, поэтому они предотвращают деформацию изделия даже при самых интенсивных воздействиях.
При выборе подобного решения важно правильно расставлять приоритеты и отдавать предпочтение лишь проверенной продукции. Это позволит совершить разумную покупку и не допустить ошибки.
Как правильно выбрать размер вытяжной заклепки
Вытяжные заклепки — это высокоэффективные и долговечные заклепки, которые можно устанавливать с одной стороны соединения. Они просты в установке и образуют прочное прочное соединение, устойчивое к вибрации и коррозии. Вот почему вытяжные заклепки широко используются в различных отраслях промышленности, от сельского хозяйства до автомобилестроения и бытовой электроники. Однако, как и в случае с любым типом глухих болтов или заклепок, для обеспечения долговечности необходимо использовать правильные материалы и правильный размер глухих заклепок.
Вытяжная заклепка, иногда называемая выкидной заклепкой, состоит из трубчатой втулки, которая составляет саму заклепку, и более тонкой оправки, которая проходит через втулку. Когда оправку вытягивают, головка оправки втягивается в тело заклепки, образуя вторичную головку или выпуклость на глухом конце, таким образом склеивая две части вместе.
Глухие заклепки могут быть изготовлены из нержавеющей стали, стали, алюминия, меди, никель-меди, цинка и других материалов, иногда смешивая различные материалы для заклепки и оправки. Вы хотите выбрать материал для заклепок, который соответствует обеим сторонам заготовки, и вы хотите быть уверены, что размер глухой заклепки соответствует отверстию и толщине материала.
При выборе правильного размера вытяжной заклепки для работы необходимо учитывать несколько характеристик:
- Размер отверстия — Вытяжные заклепки устанавливаются в предварительно просверленные отверстия, и вы должны быть уверены, что заклепка диаметр соответствует отверстию для плотного прилегания. Если заклепка слишком маленькая, соединение может ослабнуть или зазор между заклепкой и сторонами отверстия может привести к тому, что глухая головка расширится в пространстве между двумя заготовками. Если посадка слишком тугая, трудно правильно разместить заклепку. Размеры вытяжных заклепок варьируются от микрозаклепок и выше и доступны как в стандартных, так и в метрических единицах измерения.

- Диапазон захвата – Диапазон захвата зависит от длины заклепки и должен соответствовать захвату, то есть толщине соединяемых материалов. Большинство заклепок имеют диапазон захвата от минимальной до максимальной толщины, обеспечивающей оптимальное соединение. Если заклепка слишком длинная, глухая головка не будет плотно прилегать к глухой стороне материала; слишком короткая, и головка может вообще не сформироваться на слепой стороне.
- Требуемая прочность соединения – Прочность соединения определяется как прочностью на растяжение, так и прочностью на сдвиг глухой заклепки. При выборе размера заклепки необходимо убедиться, что материал и диаметр достаточны для того, чтобы выдерживать нагрузку по длине соединения, т. е. иметь достаточную прочность на растяжение. Вы также должны быть уверены, что если две части соединительного материала попытаются разъединиться, заклепка будет иметь достаточную прочность на сдвиг, чтобы не сломаться.
Например, для тяжелых условий эксплуатации, таких как железнодорожные вагоны, горнодобывающее и сельскохозяйственное оборудование, требуются более прочные соединения. - Желаемая толщина шва – В некоторых случаях толщина шва может варьироваться, например, при соединении различных материалов, работе с криволинейными поверхностями или когда трудно выровнять предварительно просверленные отверстия. Для этих применений вам может понадобиться заклепка с несколькими захватами с более широким диапазоном захвата, чтобы приспособиться к переменной толщине соединения.
- Форма и размер головки основной заклепки – Размер головки основной заклепки на видимой стороне соединения зависит от области применения. Головка должна быть достаточно широкой, чтобы она не пролезала. Например, вы можете использовать маленькие головки для твердых материалов, таких как сталь, но может потребоваться головка большего размера для более мягких материалов, таких как пластик.
Форма головы также влияет на хватку и внешний вид. Существуют куполообразные головки заклепок, которые обеспечивают хороший захват, и потайные головки, которые лежат заподлицо с материалом, но, возможно, должны быть шире, чтобы гарантировать отсутствие прорыва. Существует множество головок для вытяжных заклепок, каждая из которых полезна для разных целей. - Размер головки оправки – Так же, как основная головка должна быть подобрана по размеру для работы, так и головка оправки на глухой стороне. После установки выпуклая головка, сформированная на слепой стороне, должна образовывать фланец, достаточно широкий, чтобы обеспечить прочную фиксацию и относительно заподлицо с заготовкой. Мягкие материалы, такие как пластик, потребуют больших фланцевых головок.
- Соответствие материалам . Последним и крайне важным фактором является соответствие размера вытяжных заклепок скрепляемым материалам. Например, если вы скрепляете между собой твердые и мягкие материалы, размеры головок должны соответствовать материалам; Вы можете использовать головку меньшего размера для более твердых материалов, но для мягких материалов может понадобиться головка большего размера.
Иногда вы можете использовать рифленые заклепки с кольцами, которые расширяются и при затягивании вгрызаются в такие материалы, как дерево или пластик. Вы также можете использовать заклепки T-Lok® или заклепки, которые расщепляются на три или четыре ножки на слепой стороне, чтобы создать прочное соединение, которое не протянет программные материалы.
Это лишь основные характеристики, которые следует учитывать при выборе правильного размера вытяжных заклепок и материалов. Есть и другие переменные, которые вы, возможно, захотите рассмотреть, в зависимости от приложения. Если вы не уверены, какой тип или размер вытяжных заклепок лучше всего соответствует вашим потребностям, ознакомьтесь с «Основным руководством по вытяжным заклепкам» или свяжитесь с одним из наших экспертов по крепежу. Они будут более чем рады помочь.
Вытяжная заклепка американского стандарта | Болтовая продукция
ЭКОНОМИЧНОСТЬ: Вытяжные заклепки с открытым концом экономичны в использовании, обеспечивают низкие затраты и более высокую эффективность установки по сравнению с другими методами крепления.
УНИВЕРСАЛЬНОСТЬ: Вытяжные заклепки доступны с головками трех типов; Купол, большой фланец и потайная головка для удовлетворения ваших требований.
ВЫБОР: Материалы для вытяжных заклепок и стержней включают: алюминий, алюминий/сталь, сталь, нержавеющая сталь/сталь и нержавеющая сталь. Специальные виды отделки, такие как краска, анодирование или нестандартное покрытие, доступны по запросу.
КАЧЕСТВО: Вытяжные заклепки GESIPA американского стандарта с открытым концом изготавливаются в соответствии со стандартами IFI 114 в отношении размеров, материалов, механических и эксплуатационных характеристик.
Jump to Blind Rivet Технические характеристики:
Алюминий/алюминий
Алюминий/сталь
Сталь/сталь
Нержавеющая сталь/сталь
Нержавеющая сталь/нержавеющая сталь
Все размеры указаны в дюймах.
См. нашу линейку опорных шайб и нашу линейку американских заклепочных гаек.
Номер детали Синтаксис
Материал Mandrel: a = алюминий S = сталь SS = нержавеющая сталь
Стили головы: D = купол L = большой фланец C = Countersuncunk
| Aluminum Blind Rivet/Aluminum Mandrel IFI 114 | Aluminum Blind Rivet/Aluminum Mandrel IFI 114 | Aluminum Blind Rivet/Aluminum Mandrel IFI 114 | Aluminum Blind Rivet/Aluminum Mandrel IFI 114 0 51151 .![]() | ||||||||||||||||||||||||||||||||||||||||
|---|---|---|---|---|---|---|---|---|---|---|---|---|---|---|---|---|---|---|---|---|---|---|---|---|---|---|---|---|---|---|---|---|---|---|---|---|---|---|---|---|---|---|---|
| Головка Стиль | Диаметр заклепки. Ном. | Номер детали GESIPA | Диапазон захвата (дюймы) | Размер отверстия Сверло № | Размеры | Мин. Strength (lbs.) | |||||||||||||||||||||||||||||||||||||
| D | B | A | L | Shear | Tensile | ||||||||||||||||||||||||||||||||||||||
| Dome | 3 /32″ | GAMD32A | . 020-.125 | .097-.100 #41 | .090-.096 | .032 | .178-.198 | .250 | 70 | 80 | |||||||||||||||||||||||||||||||||
| GAMD34A | .126-.250 | .375 | |||||||||||||||||||||||||||||||||||||||||
| 1/ 8 « | GAMD41A | .020-.062 | .129-133 #30 | . 150 | |||||||||||||||||||||||||||||||||||||||
| GAMD42A | .063-.125 | . 275 | |||||||||||||||||||||||||||||||||||||||||
| GAMD43A | .126-.187 | .337 | |||||||||||||||||||||||||||||||||||||||||
| GAMD44A | .188-.250 | .400 | |||||||||||||||||||||||||||||||||||||||||
| GAMD45A | .251-.312 | .462 | |||||||||||||||||||||||||||||||||||||||||
| GAMD46A | .313-.375 | .525 | |||||||||||||||||||||||||||||||||||||||||
| GAMD48A | .376-.500 | .650 | |||||||||||||||||||||||||||||||||||||||||
| 5/32″ | GAMD52A | . 020-125 | .160-164 #20 | . | |||||||||||||||||||||||||||||||||||||||
| GAMD53A | .126-.187 | .362 | |||||||||||||||||||||||||||||||||||||||||
| GAMD54A | .188-.250 | .425 | |||||||||||||||||||||||||||||||||||||||||
| GAMD56A | .251-.375 | .550 | |||||||||||||||||||||||||||||||||||||||||
| GAMD58A | .376-500 | .675 | |||||||||||||||||||||||||||||||||||||||||
| 3/16 « | GAMD62A | . 020-125 | .1999999999999999999999999999999999999999999999999999999999999999999999 9999999999теля | .020-125 | . | .060 | .356-.394 | .325 | 260 | 320 | |||||||||||||||||||||||||||||||||
| GAMD64A | .126-.250 | .450 | |||||||||||||||||||||||||||||||||||||||||
| GAMD66A | .251-.375 | .575 | |||||||||||||||||||||||||||||||||||||||||
| GAMD68A | . 376-.500 | .700 | |||||||||||||||||||||||||||||||||||||||||
| GAMD610A | .501-.625 | .825 | |||||||||||||||||||||||||||||||||||||||||
| GAMD612A | .626-.750 | .950 | |||||||||||||||||||||||||||||||||||||||||
| GAMD614A | .751-.875 | 1.075 | |||||||||||||||||||||||||||||||||||||||||
| GAMD616A | .876-1.00 | 1.200 | |||||||||||||||||||||||||||||||||||||||||
| 1/4″ | GAMD84A | .126-.250 | . 246-255 | .080 | .475-525 | .500 | 460999999 | . .375 | .625 | ||||||||||||||||||||||||||||||||||
| GAMD88A | .376-.500 | .750 | |||||||||||||||||||||||||||||||||||||||||
| GAMD810A | .501-.625 | .875 | |||||||||||||||||||||||||||||||||||||||||
| GAMD812A | .626-.750 | 1.000 | |||||||||||||||||||||||||||||||||||||||||
| GAMD816A | .751-1. 00 | 1.250 | |||||||||||||||||||||||||||||||||||||||||
| Large Flange | 1/8″ | GAML42A | .063-.125 | .129-.133 #30 | .122-.128 | .065 | .360-.390 | .275 | 120 | 150 | |||||||||||||||||||||||||||||||||
| GAML44A | .126-.250 | .400 9009 | |||||||||||||||||||||||||||||||||||||||||
| GAML46A | .251-375 | .525 | |||||||||||||||||||||||||||||||||||||||||
| 3/16 « | GAML64A | . .191 | .092 | .600-.650 | .450 | 260 | 320 | ||||||||||||||||||||||||||||||||||||
| GAML66A | .251-.375 | .575 | |||||||||||||||||||||||||||||||||||||||||
| GAML68A | .376-. 500 | .700 | |||||||||||||||||||||||||||||||||||||||||
| GAML610A | .501-.625 | .825 | |||||||||||||||||||||||||||||||||||||||||
| GAML612A | .626-.750 | . 950 | |||||||||||||||||||||||||||||||||||||||||
| Countersunk | 1/8″ | GAMC42A | .092-.125 | .129-133 #30 | .0185 | GAMC43A | .126-.187 | .337 | |||||||||||||||||||||||||||||||||||
| GAMC44A | .188-.250 | .400 | |||||||||||||||||||||||||||||||||||||||||
| GAMC45A | .251-.312 | .462 | |||||||||||||||||||||||||||||||||||||||||
| 5/32 « | GAMC54A | . 188-250 | . | 230 | |||||||||||||||||||||||||||||||||||||||
| GAMC56A | .251-375 | .550 | |||||||||||||||||||||||||||||||||||||||||
| 3/16 « | GAMC64A | . .191 | .050 | .355-.361 | .450 | 260 | 320 | ||||||||||||||||||||||||||||||||||||
| АЛЮМИНИЕВАЯ ЗАКЛЕПКА/СТАЛЬНАЯ ОПРАВКА IFI 114 Класс 19 | |||||||||||||||||||||||
|---|---|---|---|---|---|---|---|---|---|---|---|---|---|---|---|---|---|---|---|---|---|---|---|
| Головка Тип | Заклепка Диам. Ном. | GESIPA Часть Номер | GRIP Диапазон (дюймы) | Размер отверстия Спири № | Диаметрии отверстия . Прочность (фунты) | ||||||||||||||||||
| D | B | A | L | Shear | Tensile | ||||||||||||||||||
| Dome | 3/32″ | GSMD32A | .020-.125 | . 097-.100# 41 | .090-.096 | .032 | .0099 | ||||||||||||||||
| 1/8 « | GSMD41A | .020-.062 | .129-133 #30 | . 212 | 170 | 220 | |||||||||||||||||
| GSMD42A | .063-.125 | .275 | |||||||||||||||||||||
| GSMD43A | .126-.187 | .337 | |||||||||||||||||||||
| GSMD44A | . 188-. 250 | .400 | |||||||||||||||||||||
| GSMD45A | .251-.312 | .462 | |||||||||||||||||||||
| GSMD46A | .313-.375 | .525 | |||||||||||||||||||||
| GSMD48A | .376-.500 | . 650 | |||||||||||||||||||||
| 5/32 « | GSMD52A | .020-125 | . .300 | 260 | 350 | ||||||||||||||||||
| GSMD53A | . 126-.187 | .362 | |||||||||||||||||||||
| GSMD54A | .188-.250 | .425 | |||||||||||||||||||||
| GSMD56A | .251-.375 | . 550 | |||||||||||||||||||||
| GSMD58A | .376-.500 | .675 | |||||||||||||||||||||
| 3/16″ | GSMD62A | .020-.125 | .192-.196 #11 | .183 -.191 | . 060 | .356-.394 | .325 | 380 | 500 | ||||||||||||||
| GSMD64A | .126-.250 | .450 | |||||||||||||||||||||
| GSMD66A | .251-.375 | .575 | |||||||||||||||||||||
| GSMD68A | .376-.500 | .700 | |||||||||||||||||||||
| GSMD610A | .501-.625 | .825 | |||||||||||||||||||||
| GSMD612A | . 626-.750 | .950 | |||||||||||||||||||||
| GSMD614A | .751-.875 | 1.075 | |||||||||||||||||||||
| GSMD616A | .876-1.00 | 1.200 | |||||||||||||||||||||
| 1/4″ | GSMD84A | .126-. 250 | .257-261 «F» | .246-255 | .080 | .475-525 | .0186 .251-.375 | .625 | |||||||||||||||
| GSMD88A | . 376-.500 | .750 | |||||||||||||||||||||
| GSMD810A | .501-.625 | .875 | |||||||||||||||||||||
| GSMD812A | . 626-750 | 1.000 | |||||||||||||||||||||
| GSMD816A | .751-1,00 | 1,250 | |||||||||||||||||||||
9093| | | 9093 | .129-133 | #30 . | ![]() .126-.250 | .400 | GSML46A | .251-.375 | .525 | 3/16″ | GSML64A | .126-.250 | .192- .196 | #11 .183-.191 | .092 | .600-.650 | .450 | 380 | 500 | GSML66A | . | 251-.375 .575 | |
Industrial Rivets & Fasteners | American Fastener Technologies Corp
Нажмите здесь, чтобы Запросить предложение .
| Д | Размер отверстия и № сверла | Ручка Диапазон Дюймы | Л | Н | Е |
| Заклепка Корпус Диам. | Длина Под Головка | Диаметр головки. | Высота головки | ||
. 187 (3/16) | .192-.196 #11 | .063-.125 .126-.250 .251-.375 .376-.500 | .345 .470 .595 .720 | .375 .375 .375 .375 | .081 .081 .081 .081 |
Нажмите здесь, чтобы Запросить предложение .
| Заклепка Номер | Номинал Заклепка Диаметр | Д | Рекомендуемый размер отверстия | Сверло Размер | Х | Е | Н | Е | Вт | П | ||||
| Корпус Диаметр | Купол | Большой фланец | Мужчина дрель Диаметр | Выступ | ||||||||||
| Головка Диаметр | Головка Высота | Головка Диаметр | Головка Высота | |||||||||||
Макс. | Мин. | Макс. | Мин. | Макс. | Мин. | Макс. | Макс. | Мин. | Макс. | Ном. | Мин. | |||
| 3 4 5 6 8 | 3/32 1/8 5/32 3/16 1/4 | 0,096 0,128 0,159 0,191 0,255 | 0,090 0,122 0,153 0,183 0,246 | 0,100 0,133 0,164 0,196 0,261 | 0,097 0,129 0,160 0,192 0,57 | #41 #30 #20 #11 F | 0,198 0,262 0,328 0,394 0,525 | 0,178 0,238 0,296 0,356 0,475 | 0,032 0,040 0,050 0,060 0,080 | 0,293 0,390 0,488 0,650 0,780 | 0,269 0,360 0,448 0,600 0,720 | 0,040 0,085 0,075 0,092 0,107 | 0,057 0,076 0,095 0,114 0,151 | 1,00 1,00 1,06 1,06 1,25 |
Нажмите здесь, чтобы Запросить предложение .
| Номер заклепки | Диапазон захвата | Л | Вес фунт/м | Номер заклепки | Диапазон захвата | Л | Вес фунт/м | |||||
| Длина ствола | АДА | АДС | SOS | Длина ствола | АДА | АДС | Паспорт безопасности | |||||
| 31 32 33 34 | . 020-062 .020-125 .087-187 .126-250 | .187 .250 .312 .375 | — — — — | 1,15 1,17 1,20 1,22 | — — — — | 516 | .876-1.000 | 1,175 | — | 5,70 | — | |
| 41 42 43 44 44л 45 46 48 | .020-062 .063-.125 .126-.187 .188-250 .188-.250 .251-312 .313-375 .376-.0990 .188-250 .188-.250 | .212 .275 .337 .400 .400 .462 .525 .650 | .88 . 90 .94 1,03 — 1,10 1,15 1,21 | 2,19 2,22 2,27 2,37 2,53 2,49 2,53 2,68 | 2,50 2,70 2,76 2,93 — 3,24 3,30 4,89 | 62 64 64L 66 66L 68 68L 610 610L 612 614 616 618 620 622 | .020 – .125 .188 – .250 .188 – .250 .251 – .375 .251 – .375 .376 – .500 .376 – .500 .510 – .625 .510 – .625 .626 – . 750 .751 – .875 .876 – 1.000 1.001 – 1.125 1.126 – 1.250 1.251 – 1.375 | .325 .450 .450 .575 .575 .700 .700 .825 .825 .950. | 2.54 2.73 3.74 2.89 3. 92 3.16 4.17 3.59 4.50 3.72 4.10 4.22 4.28 4.35 4.42 | 5,93 6,15 6,93 6,77 7,54 6,95 7,79 7,71 8,61 7,95 9,81 10,05 10,16 10,32 11,10 | 7,40 8.009,18 — 9,65 — 10,72 — — — — — — — | |
| 52 53 54 56 58 | .020-125 .125-187 .188-250 .251-375 .376-.500 | .300 .362 .425 .550 .675 | 1,64 1,67 1,72 1,92 2.10 | 3,91 3,97 4,00 4,26 4,65 | 506 519 5,60 6,14 — | |||||||
| 510 512 514 | . 501-.625 .626-750 .751-875 | .800 .925 1.050 | 2,22 2,44 3,30 | 4,93 5,22 5,53 | — — — | 84 86 88 810 | .126 – .250 .251 – .375 .376 – .500 .501 – .625 | .500 .625 .750 .875 | — — — — | 13,40 13,75 14,10 15,95 | — — — — | |
Вытяжная заклепка марки U-FIX
Технические характеристики
Нажмите здесь, чтобы Запросить предложение .
*Заклепки U-Fix не производятся и не связаны с производителями заклепок Avex®.
Avex® является зарегистрированным товарным знаком корпорации AVDEL.
Нажмите здесь, чтобы Запросить цену .
Маленькие заклепки Стандарт ANSI B18.1
Маленькие заклепки (диаметром 7/16 дюйма и меньше)
Длина (L) измеряется от нижней головки до конца заклепки для всех показанных заклепок, кроме потайных, где (L) — общая длина. * Заклепки с конусной головкой не включены в стандарты AN для размеров менее 1/2 дюйма, но на практике заклепки этого типа изготавливаются в соответствии с основными пропорциями, как показано выше.
Большие заклепки Стандарт ANSI B18.1.2
Большие заклепки (диаметром от 1/2 дюйма до 1-3/4 дюйма включительно)
ASTM A502 — Спецификации для стальных конструкционных заклепок.
Класс 1 – Rockwell B55-72, Brinell 103-126
Класс 2 – Rockwell B76-85, Brinell 137-163 ASTM A31 – Технические характеристики стали для заклепок для котлов 68 000 psi
Стандарты для вытяжных заклепок
Эти стандарты IFI, SAE и ISO касаются вытяжных заклепок, их качества и конструкции, а также их различных форм.
Назад к Стандарты крепежа для заклепок Главная
Глоссарий терминов, относящихся к вытяжным заклепкам
г.
Механические испытания вытяжных заклепок
Механические испытания метрических вытяжных заклепок
Контроль и обеспечение качества вытяжных заклепок общего назначения
Вытяжные заклепки — Терминология и определения
Вытяжные заклепки. Механические испытания
Заклепочник, силовой, пневматическо-гидравлический — установка глухих заклепок (стабилизировано: март 2013 г.
)
Сломать оправку слепых заклепок
Метрические заклепки с разрывной оправкой
Глухие заклепки — Тип ломаной оправки
Вытяните заклепки с оправкой
Метрические тяговые заклепки с оправкой
Глухие заклепки с приводным штифтом
Заклепки с метрическими штифтами
Разрывные заклепки с закрытым концом
Метрические глухие заклепки с закрытым концом
Вытяжные заклепки с закрытым концом, с вытяжным стержнем и выступающей головкой — A2/SSt
Вытяжные заклепки с закрытым концом, с разрывным стержнем и выступающей головкой — AlA/St
Вытяжные заклепки с закрытым концом, с разрывным стержнем и потайной головкой — AlA/St
Вытяжные заклепки с закрытым концом, с разрывным стержнем и выступающей головкой — AI/AIA
Вытяжные заклепки с закрытым концом, с разрывным стержнем и выступающей головкой — сталь/сталь
Вытяжные заклепки с открытым концом, с разрывным стержнем и выступающей головкой — AIA/St
Вытяжные заклепки с открытым концом, с разрывным стержнем и потайной головкой — AIA/St
Вытяжные заклепки с открытым концом, с разрывным стержнем и выступающей головкой — сталь/сталь
Вытяжные заклепки с открытым концом, с разрывным стержнем и потайной головкой — сталь/сталь
Вытяжные заклепки с открытым концом, с разрывным стержнем и выступающей головкой — AIA/AIA
Вытяжные заклепки с открытым концом, с разрывным стержнем и потайной головкой — AIA/AIA
Вытяжные заклепки с открытым концом, с разрывным стержнем и выступающей головкой — A2/A2
Вытяжные заклепки с открытым концом, с разрывным стержнем и потайной головкой — A2/A2
Вытяжные заклепки с открытым концом, с разрывным стержнем и выступающей головкой — Cu/St или Cu/Br или Cu/SSt
Вытяжные заклепки с открытым концом, с разрывным стержнем и потайной головкой — Cu/St или Cu/Br или Cu/SSt
Вытяжные заклепки с открытым концом, с разрывным стержнем и выступающей головкой — NiCu/St или NiCu/SSt
Структурные глухие заклепки с разрывом заподлицо
Метрические структурные заподлицо с разрывом вытяжной оправки самозаглушающиеся глухие заклепки
Структурное расщепление самозакрывающихся глухих заклепок
Метрические структурные расщепления самозакрывающиеся вытяжные заклепки
Самозакрывающиеся глухие заклепки Multi-Grip Flush Break Pull Mandrel
Метрические глухие заклепки Multi-Grip Flush Break Pull Mandrel
Глухие заклепки с большим фланцем | Глухие заклепки с куполообразной головкой
ЗАПРОСИТЬ ПРЕДЛОЖЕНИЕ
Глухие заклепки с большими полками, также известные как заклепки POP, заклепки с гвоздями, заклепки с выламывающимися стержнями и заклепки с глухими заклепками, представляют собой неразъемные заклепки с более широкими полками для обеспечения дополнительной силы крепления в приложениях, связанных с листовым металлом или другими крупными материалами.
Эти заклепки имеют больший диаметр фланца, чтобы обеспечить адекватное покрытие отверстий большого размера или неправильной формы, а также обеспечить более надежную фиксацию при работе с мягкими материалами.
Чтобы соединить два куска материала, корпус заклепки вставляется в предварительно просверленное отверстие, затем с помощью инструмента для заклепки с гвоздями вытягивают верхнюю часть оправки, чтобы расширить корпус, сжимая два материала вместе. Сила заклепочного инструмента затем выскакивает из оправки, оставляя после себя глухую заклепку с куполообразной головкой.
Вытяжные заклепки с большой куполообразной головкой
Вытяжные заклепки с куполообразной головкой используются, когда доступна только одна сторона рабочей поверхности, и, в отличие от стандартных заклепок, для их установки требуется только один человек. Заглушки обеспечивают быстрый и надежный способ соединения материалов и обеспечивают виброустойчивость, недостижимую при использовании гвоздей или шурупов.
Преимущества глухих заклепок с большим фланцем
Глухие заклепки с большим фланцем от RC Fasteners обеспечивают надежное и долговечное решение для крепления в различных механических приложениях. Их можно быстро и легко установить с помощью простого ручного инструмента, что поможет вам сэкономить время и деньги без ущерба для качества.
Просмотрите информацию о продукте ниже, чтобы разместить заказ или запросить расценки на заклепки с большой фланцевой головкой. RC Fasteners также поставляет глухие заклепки с закрытым концом для чувствительных к влаге применений, а также опорные заклепочные шайбы и заклепочные гайки для применений, требующих дополнительной удерживающей силы.
Выбор подходящей заклепки с большой фланцевой головкой для вашего применения
При выборе вытяжной заклепки с куполообразной головкой вы должны сначала выбрать материал, соответствующий тому, что используется в вашем приложении. Это может помочь предотвратить гальванические реакции, вызванные сталью, и, как следствие, ослабление заклепки или окружающего материала.
Вы также должны убедиться, что длина заклепки с гвоздем достаточна для надежной фиксации. Длина стержня заклепки должна соответствовать толщине двух скрепляемых частей материала, плюс вам нужно добавить к измерению диаметр стержня заклепки в 1,5 раза. Диапазон захвата глухой заклепки с большим фланцем также должен соответствовать толщине материала, а диаметр должен соответствовать просверливаемым отверстиям. Выбор слишком малого или большого диапазона захвата или диаметра приведет к менее надежному соединению.
RC Fasteners предлагает глухие заклепки с большими фланцами различных размеров, длин и диаметров для удовлетворения требований вашего механического крепления, в том числе:
Стальные/стальные глухие заклепки с большой куполообразной головкой прочность на растяжение для тяжелых условий эксплуатации и предлагаются в следующих вариантах:
- Размеры: от 4-2 до 8-12
- Диапазоны захвата: от 0,063-0,125 до 0,876-1,000
- Диаметры: 1/8, 5/32, 3/16, 1/4
- Длина: от 0,25 до 1,2
Для получения дополнительной информации см.
наши технические характеристики стали/стали.
Алюминиевые/алюминиевые заклепки с большой куполообразной головкой
Алюминиевые заклепки с большой фланцевой головкой прочны и легки и могут использоваться в различных областях. Алюминиевые глухие заклепки купола не ржавеют, но могут окисляться после длительного воздействия атмосферных условий и атмосферного кислорода. Наши алюминиевые заклепки доступны в следующих вариантах:
- Размеры: от 4-2 до 6-12
- Диапазоны захвата: от 0,063-0,125 до 0,626-0,750
- Диаметры: 1/8, 5/32, 3/16
- Длина: от 0,25 до 0,925
9 Посмотреть наш алюминий /Спецификация алюминия для дополнительной информации
AI5056/Стальные заклепки с большой куполообразной головкой
Стальные заклепки с гвоздями обеспечивают прочную фиксацию в тех случаях, когда коррозия и влажность не представляют опасности. Наши стальные заклепки с большой фланцевой головкой предлагаются в следующих вариантах:
- Размеры: от 4-2 до 6-16
- Граней сцепления: 0,063-0,125 до 0,876-1,000
- Диаметры: 1/8, 5/32, 3/16
- Длина: от 0,25 до 1,2
Стэнш 304/Странша 304 Большой курортный головка.
стальные заклепки с большой фланцевой головкой обеспечивают более высокую прочность на растяжение, устойчивы к коррозии и могут выдерживать воздействие ряда химикатов и растворителей. Наши глухие заклепки с большим фланцем из нержавеющей стали 304 доступны в следующих вариантах:
- Размеры: от 4-2 до 6-16
- Диапазоны захвата: от 0,031–0,125 до 0,876–1,000
- Диаметры: 1/8, 5/32, 3/16
- Длина: от 0,25 до 1,2
Дополнительные сведения см. в нашем листе спецификаций из нержавеющей стали/нержавеющей стали.
Заказать оптом глухие заклепки с большими фланцами
Мы предлагаем заклепки с большими фланцами и другие глухие заклепки из четырех различных материалов, а также заклепочные гайки и опорные заклепочные шайбы для всех видов крепежных изделий. Разместите заказ онлайн или свяжитесь с нами, чтобы узнать больше о наших крепежах и компонентах.
Калькулятор размеров заклепок
Создано Kenneth Alambra
Отзыв Стивена Вудинга
Последнее обновление: 24 августа 2022 г.
Содержание:
- Основы заклепок и размеры заклепок таблицы размеров заклепок для определения размера сверления
- Как пользоваться калькулятором размеров заклепок
- Часто задаваемые вопросы
Калькулятор размеров заклепок поможет вам правильно выбрать размер заклепок и использовать их для крепления. Этот инструмент предоставит вам расчеты глухих и выталкивающих заклепок, поэтому вам не придется выполнять их вручную. Но если вы хотите научиться делать это самостоятельно, вы пришли в нужное место. В этом калькуляторе вы узнаете:
- Основы заклепок и размеров заклепок;
- Как подобрать размер заклепок;
- Как пользоваться этим калькулятором размеров заклепок; и
- Использование таблиц размеров заклепок для определения размера сверла.
Готовы изучить это руководство по размерам заклепок и ? Тогда продолжайте читать. 😁
🙋 Нужен более надежный крепеж, такой как гайки и болты? Возможно, вы сможете найти их нужный размер с помощью нашего калькулятора ниток.
Основы заклепок и размеры заклепок
Заклепки — это крепежные детали, которые мы можем использовать для соединения двух или более слоев материалов , таких как листы металла, пластика, дерева и даже текстиля. Мы можем видеть заклепки, используемые в авиастроении, судостроении, алюминиевых и стальных конструкциях и даже для крепления толстых тканей, таких как кожа и джинсовая ткань.
Однако, для более прочного соединения стальных изделий на весь срок службы, возможно, лучше сварить их, чем заклепать. Ознакомьтесь с нашим сварочным калькулятором, чтобы узнать больше о сварке.
Заклепки бывают разных форм, но обычно выглядят как болты без резьбы. Вместо того, чтобы использовать гайки для закрепления зажатых объектов, мы деформируем конец стержня заклепки (или корпус), чтобы он принял форму другой головки , большей, чем отверстие заклепки. То, как мы деформируем концы хвостовиков, отличает типы заклепок друг от друга.
Есть заклепки, концы которых нам нужно смягчить путем нагревания, чтобы мы могли быстро придать им форму. Существуют также заклепки с хвостовиками, которые можно деформировать механически, ударив молотком или потянув за внутреннюю оправку, как в случае вытяжных заклепок, как показано на анимации ниже:
By Heedless — Собственная работа, CC BY-SA 4.0, Wikimedia
💡 Мы называем их «глухими» заклепками, потому что мы можем установить их даже , не видя другую сторону листов, которые нам нужно скрепить. Мы также называем этот тип заклепок «хлопающими» заклепками из-за хлопка , который они издают, когда внутренний стержень отрывается от заклепки.
Какой бы тип заклепок мы ни использовали, мы всегда хотим выбрать правильный размер заклепок , чтобы они не отрывались от наших материалов. Что еще хорошо в использовании заклепок, так это то, что мы можем комбинировать различные материалы, например, акриловый лист с алюминием или стекло со сталью, если мы выбираем правильный размер заклепки.
В следующем разделе этого руководства по размерам заклепок давайте обсудим, как определить размер заклепок.
Как определить размер заклепок
Мы измеряем заклепку с точки зрения ее длины стержня и диаметра , и мы основываем эти размеры на общей толщине пластин (или листов), которые мы хотим скрепить или зажать, и толщина самой толстой пластины. Мы определяем минимальный диаметр , который мы обозначаем как DminD_\text{min}Dmin, путем умножения толщины самой толстой пластины , tmaxt_\text{max}tmax, на 3, как показано в уравнении ниже :
Dmin=tmax×3D_\text{min} = t_\text{max}\times 3Dmin=tmax×3
Допустим, наша самая толстая пластина имеет толщину 1,5 мм. Мы умножаем его на 3, чтобы получить 4,5 мм для нашего DminD_\text{min}Dmin. После этого из таблицы стандартных диаметров стержней заклепки выбираем ближайший к нашему расчетному минимальному диаметру стандартный размер заклепки.
Вот таблица стандартных размеров заклепок , из которой мы можем выбрать рекомендуемый диаметр стержня заклепки (помните, что мы должны выбрать больший размер, чем расчетный минимальный диаметр):
дюйма | миллиметра |
|---|---|
1/16 (0,06250) | 1.58750 |
3/32 (0,09375) | 2.38125 |
1/8 (0,12500) | 3.17500 |
5/32 (0,15625) | 3,968750 |
3/16 (0,18750) | 4. |
7/32 (0,21875) | 5.55625 |
1/4 (0,25000) | 6.35000 |
9/32 (0,28125) | 7.14375 |
5/16 (0,31250) | 7,93750 |
11/32 (0,34375) | 8.73125 |
3/8 (0,37500) | 9.52500 |
13/32 (0,40625) | 10.31875 |
1/2 (0,50000) | 12. |
5/8 (0,62500) | 15.87500 |
7/8 (0,87500) | 22.22500 |
1 (1,00000) | 25.40000 |
1 ⅛ (1,12500) | 28.57500 |
1 ¼ (1,25000) | 31.75000 |
1 ⅜ (1,37500) | 34. |
1 ½ (1,50000) | 38.10000 |
1 ⅝ (1,62500) | 41.27500 |
Исходя из приведенной выше таблицы размеров заклепок, поскольку мы рассчитали 4,5 мм для нашего DminD_\text{min}Dmin, рекомендуемый диаметр стержня заклепки, который мы можем обозначить как DDD, должен составлять 4,7625 мм или 3/16 дюйма.
Затем мы умножаем рекомендуемый диаметр на постоянный множитель ccc, чтобы найти допуск на длину хвостовика , AAA, как мы можем видеть ниже:
A=D×cA = D\times cA=D×c
Припуск на длину хвостовика — это часть стержня заклепки, которая сжимается и принимает форму, чтобы стать еще одной фиксирующей головкой. Мы определяем припуск на длину стержня, используя значение множителя ccc, которое зависит от типичного применения заклепки, указанной ниже.
Для застегивающих головок общего назначения:
- c=1,5c = 1,5c=1,5 для D≤20 ммD \leq 20\ \text{мм}D≤20 мм
- c=1,6c = 1,6c=1,6 для D>20 ммD > 20\ \text{мм}D>20 мм
Для запорных головок в конструкции котла под давлением:
- c=1,7c = 1,7c=1,7 для D≤20 ммD \leq 20\ \text{мм}D≤20 мм
- c=1,8c = 1,8c=1,8 для D>20 мм D > 20\ \text{мм}D>20 мм
Для потайных закрывающих головок для легкого использования:
- c=0,5c = 0,5c=0,5 для любого DDD
Наконец, мы добавляем припуск на длину стержня , AAA, к общей толщине пластин , SSS, чтобы определить длину стержня заклепки LLL.
В форме уравнения мы выражаем это как:
L=S+AL = S + AL=S+A
Общая толщина пластин, SSS, представляет собой сумму всех толщин пластин, которые необходимо скрепить, включая самую толстую пластину.
Не забудьте также выбрать заклепки с длиной, наиболее близкой к расчетной длине стержня заклепки . Хотя выбор более длинных заклепок означал бы, что мы могли бы поместить на них больше материалов, мы не смогли бы затянуть их должным образом.
🙋 Говоря о наиболее подходящих заклепках, важно также узнайте правильный размер отверстия для ваших заклепок . Давайте кратко рассмотрим это в следующем разделе этого руководства по размерам заклепок.
Использование таблиц размеров заклепок для определения размера сверла
Подобно болтам, штифтам и другим подобным крепежным изделиям, нам сначала нужно просверлить отверстия, прежде чем мы сможем установить наши заклепки. Логически мы хотим использовать сверла того же размера, что и наши заклепки (например, сверло 1/8 дюйма для заклепок 1/8 дюйма).
Но, как правило, мы хотим, чтобы наши заклепки свободно скользили в отверстиях с припуск на диаметр не более шеститысячных дюйма .
Вот таблица минимального и максимального диаметра отверстия для каждого стандартного размера заклепки:
Размер заклепки | Мин. диаметр отверстия | Макс. диаметр отверстия | ||
дюймов | мм | в. | мм | |
1/16 | 0,06250 | 1. | 0,06850 | 1.73990 |
3/32 | 0,09375 | 2.38125 | 0,09975 | 2,53365 |
1/8 | 0,12500 | 3.17500 | 0,13100 | 3.32740 |
5/32 | 0,15625 | 3,96875 | 0,16225 | 4.12115 |
3/16 | 0,18750 | 4. | 0,19350 | 4. |
7/32
0,21875
5.55625
0,22475
5.70865
1/4
0,25000
6.35000
0,25600
6.50240
32 сентября
0,28125
7.14375
0,28725
7.29615
5/16
0,31250
7,93750
0,31850
8.
08990
32.11
0,34375
8.73125
0,34975
8.88365
3/8
0,37500
9.52500
0,38100
9.67740
13/32
0,40625
10.31875
0,41225
10.47115
1/2
0,50000
12.
70000
0,50600
12.85240
5/8
0,62500
15.87500
0,63100
16.02740
3/4
0,75000
19.05000
0,75600
19.20240
7/8
0,87500
22.22500
0,88100
22.37740
1
1.
00000
25.40000
1.00600
25.55240
1 1/8
1.12500
28.57500
1.13100
28.72740
1 1/4
1.25000
31.75000
1.25600
31.
1 3/8
1.37500
34.
1.38100
35.
07740
1 1/2
1,50000
38.10000
1.50600
38.25240
1 5/8
1.62500
41.27500
1.63100
41.42740
✅ Если вы работаете с алюминиевыми материалами и клепаете их, и вам интересно, насколько тяжелым будет ваш конечный продукт, у нас есть калькулятор веса алюминия, который вы можете использовать для расчета веса.
Как пользоваться калькулятором размеров заклепок
Пользоваться нашим калькулятором размеров глухих или заклепок очень легко и просто. Тем не менее, вы можете выполнить следующие шаги при использовании нашего инструмента:
- Выберите предпочтительную форму головки заклепки для вашего проекта.
Обычно мы используем заклепки с головкой и головкойв целом и в конструкциях котлов, в то время как мы используем заклепкис потайной головкойдля легкого использования. - Выберите подходящую заклепку Применение , если вы предпочитаете использовать заклепки с плоской головкой.
- Введите толщину самой толстой пластины , которую необходимо закрепить.
- Введите общую толщину других пластин или вашу цель общую толщину зажима .
После выполнения этих шагов наш калькулятор размеров выдвижных заклепок отобразит минимальный и рекомендуемый диаметры стержня и рекомендуемую длину стержня заклепки , которые подходят для вашего применения.
В качестве дополнительной функции вы можете использовать наш инструмент для определения минимального и максимального диаметра отверстия для рекомендуемого размера заклепки.
Нажмите на кнопку Расширенный режим под нашим калькулятором, чтобы активировать эту функцию.
Часто задаваемые вопросы
Как выбрать правильный размер заклепки?
Чтобы выбрать правильный размер заклепки для вашего проекта:
Определите толщину самого толстого материала , который вы хотите закрепить. Скажи
2,0 мм.Умножьте эту толщину на 3 , чтобы найти подходящий минимальный диаметр для ваших материалов.
2,0 мм × 3 =6,0 мм.Поставщики заклепок порекомендуют вам заклепки диаметром 6,35 мм (1/4 дюйма), если вам не нужны заклепки нестандартного размера 6,0 мм.
Измерьте общую толщину материалов, которые необходимо скрепить. Скажем
5,0 мм.Добавьте рекомендуемый диаметр в 1,5 раза к общей толщине, чтобы найти требуемую длину стержня для вашей заклепки .

5,0 мм + (1,5 × 6,35 мм) =14,525 мм
Как рассчитать диаметр заклепки?
Для расчета диаметра заклепок, которые будут соответствовать вашим потребностям:
- Перечислите толщины материалов , которые необходимо комбинировать. Скажем, вам нужно скомбинировать акриловый лист
толщиной 5 ммс алюминиевым уголком2 мм. - Обратите внимание на толщину самого толстого материала . Так как акриловый лист толще, чем толщина алюминиевого уголка, мы используем
5 мм. - Умножьте наибольшую толщину на 3 , чтобы найти минимальный диаметр заклепки, которую вы можете использовать.
5 мм × 3 =15 мм.
Может ли заклепка быть слишком длинной?
По возможности выбирайте заклепки с длиной стержня равной толщине материала нужно зажимать с припуском в 1,5 раза больше диаметра стержня заклепки.
5 ±0.4
5
5 — 22.5
0

Иначе соединение будет непрочным и недолговечным;
4 x 4
5
3 ~ 3.4
2 x 25
0 ~ 22.0
4 x 18
4
0 ±0.3
4
0 ~ 10.0
5 ~ 5.0
5
0
8 x 30
0 ~ 17.0
0
4 x 30


08-0.10
0 x 6
0 x 10
8 x 24
0 x 10
4 x 35