Развертка отверстий: виды, инструменты и особенности операции
|
Развертывание отверстий Категория: Зенкерование и развертывание Развертывание отверстий Развертывание — это процесс чистовой обработки отверстий, обеспечивающей точность 7 —9-го квалитетов и шероховатость поверхности 7 —8-го классов. Инструмент для развертывания — развертки. Развертывание отверстий производят на сверлильных и токарных станках или вручную Развертки, применяемые для ручного развертывания, называются ручными, а для станочного развертывания — машинными. Машинные развертки имеют более короткую рабочую часть. По форме обрабатываемого отверстия развертки подразделяют на цилиндрические и конические. Ручные и машинные развертки состоят из трех основных частей: рабочей, шейки и хвостовика. Рабочая часть развертки, на которой имеются расположенные по окружности зубья, в свою очередь делится на режущую, или заборную, часть, калибрующую цилиндрическую часть и обратный конус. Режущая, или заборная, часть на конце имеет направляющий конус (скос под углом 45°), назначение которого состоит в снятии припуска на развертывание и предохранении вершины режущих кромок от забоин при развертывании. Режущие кромки заборной части образуют с осью развертки угол при вершине 2Ф (для ручных разверток 0,5 — 1,5°, а для машинных 3-5° ). Калибрующая часть предназначена для калибрования отверстия и направления развертки во время работы. Каждый зуб калибрующей части вдоль рабочей часта развертки заканчивается канавкой, благодаря которой образуются режущие кромки; кроме того, канавки служат для отвода стружки. Рис. 1. Зенковки: Обратный конус находится на калибрующей части ближе к хвостовику. Он служит для уменьшения грения развертки о поверхность отверстия и сохранения качества обрабатываемой поверхности при выходе развертки из отверстия. У ручных разверток величина обратного конуса от 0,05 до 0,10 мм, а у машинных — от 0,04 до 0,3 мм. Шейка развертки находится за обратным конусом и предназначена для выхода фрезы при фрезеровании (нарезании) на развертках зубьев, а также шлифовального круга при заточке. Рис. 2. Развертки: Рис. 3. Ручная развертка Хвостовик ручных разверток имеет квадрат для воротка. Хвостовик машинных разверток диаметром от 10—12 мм выполняют цилиндрическим, более крупных разверток — коническим. Центровые отверстия служат для установки развертки при ее изготовлении, а также при заточке и переточке зубьев. Режущими элементами развертки являются зубья. Зубья развертки определяются задним углом (6 —15° ; большие значения берутся для разверток больших диаметров), углом заострения (3, передним углом у (для черновых разверток от 0 до 10° , для чистовых – 0° ). Углы заострения р и резания 5 определяют в зависимости от углов а и У. Развертки изготовляют с равномерным и неравномерным распределением зубьев по окружности. При ручном развертывании применяют зубья с неравномерным распределением зубьев по окружности, например, у развертки, имеющей восемь зубьев, углы между зубьями будут: 42, 44, 46 и 48°. Такое распределение обеспечивает получение в отверстии более чистой поверхности, а главное ограничивает возможность образования так называемой огранки, т. е. получения отверстий не цилиндрической, а многогранной формы. Если бы шаг развертки был равномерным, то при каждом повороте воротком развертки зубья останавливались в одном и том же месте, что неизбежно привело бы к получению волнистости (граненой) поверхности. Машинные развертки изготовляют с равномерным распределением зубьев по окружности. Число зубьев разверток четное: 6, 8, 10 и т. д. Чем больше зубьев, чем выше качество обработки. Ручные и машинные развертки выполняют с прямыми (прямозубые) и винтовыми (спиральные) канавками. По направлениям винтовых канавок они делятся на правые и левые. При работе разверткой со спиральным зубом поверхность получается более чистая, чем при обработке с прямым зубом. Однако изготовление и особенно заточка разверток со спиральным зубом очень сложны, и поэтому такие развертки применяют только при развертывании отверстий, в которых имеются пазы или канавки. Как конические, так и цилиндрические развертки изготовляют комплектами из двух или трех штук. В комплекте из двух штук одна развертка предварительная, а вторая чистовая. В комплекте из трех штук первая развертка черновая, или обдирочная, вторая получистовая и третья чистовая, придающая отверстию окончательные размеры и требуемую шероховатость. Конические развертки работают в более тяжелых условиях, чем цилиндрические, поэтому у конических разверток на прямолинейных зубьях делают поперечные прорези для снятия стружки не всей длиной зуба, что значительно уменьшает усилия при резании. Причем поскольку черновая развертка снимает большой припуск, ее делают ступенчатой, в виде отдельных зубьев, которые при работе дробят стружку на мелкие части. Рис. 4. Геометрия зубьев развертки: Рис. 5. Винтовые развертки: Рис. 6. Комплект ручных конических разверток Рис. 7. Развертки машинные: Рис. 8. Качающаяся оправка Ручные цилиндрические развертки применяют для развертывания отверстий диаметром от 3 до 60 мм. По степени точности они разделяются по номерам: 1,2 и 3. Развертки машинные с цилиндрическим хвостовиком изготовляют трех типов: I, II и III . Развертки применяют для обработки отверстий 6 —8-го квалитетов. Они изготовляются диаметром 3 — 50 мм. Развертки закрепляют в самоцентрирующих патронах станков. Развертки машинные с коническим хвостовиком типа II изготовляют диаметром от 10 до 18 мм и более короткой рабочей частью. Развертки машинные насадные типа III изготовляют диаметром 25 — 50 мм. Этими развертками обрабатывают отверстая 5 —6-го квалитетов. Развертки машинные с квадратной головкой изготовляют диаметром 10 — 32 мм, предназначены для обработки отверстий по 6 —7-му квалитетам, закрепляют в патронах, допускающих покачивание и самоцентрирование разверток в отверстиях. Развертки со вставными ножами типа I (насадные) имеют то же назначение, что и предыдущие, и изготовляют их диаметром 25—100 мм. Развертки машинные, оснащенные пластинками из твердого сплава Т15К6, служат для обработки отверстий больших диаметров с высокой скоростью и большой точностью. Кроме рассмотренных конструкций разверток широко применяют и другие развертки, повышающие точность и качество обработки отверстий. Раздвижные (регулируемые) развертки применяют при развертывании отверстий диаметром от 24 до 80 мм. Они допускают увеличение диаметра на 0,25 — 0,5 мм. Регулируемые развертки получили наибольшее распространение. Они состоят из корпуса, который служит довольно долго, и изготовляются из сравнительно недорогих конструкционных сталей и вставных ножей простой формы. Ножи делают из тонких пластинок, на них расходуется небольшое количество дорогостоящего металла. Их можно переставлять или раздвигать на больший диаметр, регулируя или затачивая до нужного размера. Когда ножи стачиваются и уже не обеспечивают надежного крепления, их заменяют новыми. Для развертывания сквозных отверстий широко применяют разжимные развертки, ножи в которых крепятся или винтами, или в точно пригнанных пазах прижимаются ко дну паза конусными выточками концевых гаек, или же винтами, разжимающими корпус. При работе развёрткой на станке часто бывают случаи, когда при жестко закрепленной развертке ось ее не совпадает с осью обрабатываемого отверстия, и поэтому развернутое отверстие получается неправильной формы. Это происходит при неисправном станке: ось вращения шпинделя не совпадает с осью отверстия (биение шпинделя). Для повышения качества обработки и во избежание брака при развертывании отверстой применяют качающиеся оправки. Качающаяся оправка закрепляется в шпинделе станка коническим хвостовиком. В отверстии корпуса крепится штифтом с зазором качающаяся часть оправки, которая упирается шариком в подпятник. Благодаря такому устройству качающаяся оправка с разверткой может легко принимать положение, совпадающее с осью развертываемого отверстия. Для получения высокой точности отверстия применяют плавающие развертки, представляющие собой пластины, вставленные в точно обработанные пазы цилиндрической оправки. Наружные ребра пластины заточены так же, как и у зуба развертки. Для обеспечения регулирования пластаны делают составными. При работе плавающими развертками не нужна точная соосность обрабатываемого отверстия и шпинделя станка и, кроме того, точное отверстие получается даже при биении шпинделя, так как пластина своими ленточками центрируется по стенкам отверстия, перемещаясь в пазу оправки в поперечном направлении. На некоторых машиностроительных заводах при развертывании конических отверстий на конусную часть развертки ставят ограничивающее стопорное кольцо, что исключает затрату. времени на измерение. Для уменьшения нагрузки на развертку в процессе работы увеличивают длину ее заборной части в два раза. Это позволяет отказаться от применения второй развертки и повысить производительность и точность обработки. Широко применяют комбинированный инструмент для одновременного сверления и зенкования отверстия. Сверло-зенкер, сверло-зенковка, сверло-развертка, зенкер-развертка позволяют совместить две операции и получить отверстие заданной формы, квалитета и шероховатости. — Назначение развертывания. Точность диаметра и чистота поверхности отверстий, обработанных зенкерованием, не удовлетворяют требованиям, предъявляемым к некоторым отверстиям. отверстий, к точности диаметра и чистоте поверхности которых предъявляются сравнительно высокие требования, производится развертками. Развертки. Развертка самой простой конструкции показана на рис. 9, а. Развертки больших диаметров изготовляются насадными. Принятые названия частей и элементов развертки указаны на рис. 10. Хвостовик развертки иногда делается коническим. По способу применения развертки бывают ручные и машинные. Рис. 9. Развертки: цельная (а) и насадная (6) Очень важное значение имеет величина угла конуса заборной части. Чем меньше этот угол, тем больше длина заборной части, тем точнее и чище получаются отверстия, обработанные разверткой. Наоборот, при слишком короткой заборной части развертки обработанное ею отверстие получается иногда не круглым, а граненым. Рис. 10. Части и элементы развертки Длинную заборную часть у разверток, применяемых при обработке отверстий в стальных деталях, делать, однако, нельзя, так как ширина среза при работе развертки получается очень большой. Сталь обладает большой вязкостью, поэтому при значительной ширине среза возникают значительные силы резания, в результате которых зубья развертки выкрашиваются. Поэтому у машинных разверток, используемых для обработки стальных деталей, заборная часть делается небольшой, но с большим углом конуса (около 15°). Срез при работе такой развертки получается со сравнительно большой толщиной, но узкий, и отделение стружки не требует такого большого усилия, которое может вызвать поломку развертки. У разверток, используемых при обработке отверстий в чугунных деталях, угол конуса заборной части делается около 4°. Стружка, снимаемая зубьями такой развертки, получается тонкой и широкой. Это, однако, в данном случае не вызывает вышеуказанных вредных явлений, так как усилие резания при обработке чугуна меньше, чем при обработке стали. Рис. 11. Заборные части машинных разверток для обработки стали (а) и чугуна (б) У ручных разверток длину заборной части делают значительно большей, чем у машинных, и с очень малым углом конуса (2—3°). Для облегчения ввода развертки в обрабатываемое отверстие на переднем конце ее имеется направляющий конус. Калибрующая часть развертки делается цилиндрической, она не участвует в резании, а лишь калибрует (зачищает) отверстие. Во время работы развертки зубья ее постепенно изнашиваются, длина заборной части при этом увеличивается. В результате развертка будет резать всей длиной зуба, и тогда поломка ее неизбежна. Этого, однако, не происходит, так как за цилиндрическим участком калибрующей части следует конус (диаметр правого конца рабочей части развертки делается на 0,04—0,06 мм меньше диаметра цилиндрического участка). Во время работы развертки зубья ее изнашиваются, она теряет размер и становится негодной для дальнейшей работы. Такую развертку обыкновенно переделывают (шлифованием) на следующий меньший размер. Развертки изготовляются из инструментальной углеродистой стали марок У10А и У12А и некоторых других инструментальных сталей. Вставные ножи раздвижных разверток изготовляются преимущественно из быстрорежущей стали Р9. В последнее время широкое распространение получили развертки, оснащенные пластинками металлокерамических сплавов. Закрепление разверток. Развертки с коническими хвостовиками закрепляются в пиноли задней бабки, а с цилиндрическими — так же, как и сверла больших диаметров. Для закрепления насадных разверток используются оправки, подобные применяемым для насадных зенкеров Если, однако, задняя бабка хотя бы немного смещена со своего среднего положения, ось развертки не будет совпадать с осью отверстия, подготовленного для развертывания. То же самое происходит при неисправной оправке, неправильной установке на ней разверток и т. д. Рис. 12. Шарнирная оправка для разверток Практика развертывания отверстий. Отверстия диаметром до 10 мм развертываются после сверления. При больших диаметрах просверленное отверстие обрабатывается зенкером или резцом и лишь после этого развертывается одной или двумя развертками. Подготовку отверстия растачиванием следует производить только в тех случаях, когда не имеется зенкера необходимого размера. Растачивание, однако, обязательно тогда, когда ось отверстия должна быть строго прямолинейной и требуется обеспечить ее определенное положение; расстояние от оси другого отверстия, параллельность к этой оси или к какой-либо плоской поверхности детали и т. д. Для сбережения дорогостоящих разверток часто производят двукратное развертывание — черновое (предварительное) и чистовое (окончательное). В качестве черновых часто используются износившиеся и перешлифованные на новый размер чистовые развертки. Торцовую поверхность обрабатываемой детали перед развертыванием следует обточить, чтобы развертка с самого начала работала равномерно всеми зубьями. Если торцовая поверхность, хотя и обработана при другой установке детали, но расположена не перпендикулярно к оси обрабатываемого отверстия, зубья развертки вступают в работу не все сразу, вследствие чего развертка не получает верного направления. Торцовые поверхности чугунных деталей, в особенности с твердой коркой, необходимо обтачивать и для предотвращения затупления зубьев развертки. При развертывании отверстий, имеющих продольные канавки (например, шпоночные), следует пользоваться развертками с винтовыми канавками, так как каждый раз, когда прямой зуб развертки попадает против канавки отверстия (т. е. выходит из работы), развертка смещается в сторону этой канавки, увеличивая тем самым диаметр отверстия. При винтовом расположении зубья перекрывают канавку в отверстии по диагонали, поэтому резких изменений в нагрузке на них не получается, и развертка не смещается в сторону канавки. При обычном правом вращении шпинделя станка зубья развертки должны быть левыми, чтобы развертка не увлекалась в отверстие давлением стружки. Припуски на развертывание. Для уменьшения износа разверток и получения чистой поверхности припуски на развертывание должны быть небольшими. При обработке отверстия одной разверткой припуски на развертывание должны быть несколько меньше указанных в таблице для черновой развертки. Режимы резания при развертывании. Подача при обработке отверстия разверткой осуществляется вручную и должна быть равномерной. Чем меньше подача, тем чище получается поверхность отверстия. Скорости резания при развертывании должны быть небольшими во избежание быстрого износа разверток. Величины подачи при развертывании отверстий диаметром от 10 до 50 мм должны быть при обработке стали 0,5—2 мм/об, а чугуна — 1—4 мм/об. Скорости резания при обработке стали средней твердости должны составлять 6—16 м/мин, а при обработке чугуна 4—14 м/мин. Чем больше диаметр отверстия, тем ниже при одной и той же подаче должны быть скорости резания. Точность диаметра отверстия и чистота его поверхности, достигаемая при развертывании. При развертывании отверстия достигается точность 2-го класса, а при особо тщательной работе даже высшая точность (до 1-го класса включительно). Однако достижение развертыванием точности выше 2-го класса обычно связано с увеличенными расходами на изготовление, заточку и г. д. разверток и экономически целесообразно не во всех случаях. Чистота поверхности, достигаемая развертыванием, лежит в пределах 7—9-го классов. Реклама:Читать далее:Измерение отверстий
Статьи по теме:
Главная → Справочник → Статьи → Блог → Форум
|
|
|
Развертывание отверстий
Развертывание применяют для чистовой обработки отверстий 7—9-го квалитетов и шероховатостью Rа = 2,5—0,5 мкм после сверления (только до диаметра 10 мм), зекерования или растачивания.
Развертывание отверстий является наиболее производительным и распространенным методом чистовой обработки отверстий диаметром до 100 мм.
Токарная обработка последовательно двумя развертками может обеспечить 10-й класс шероховатости поверхности. Развертыванием нельзя устранить биение или перекос отверстия, если они остались после предыдущей обработки.
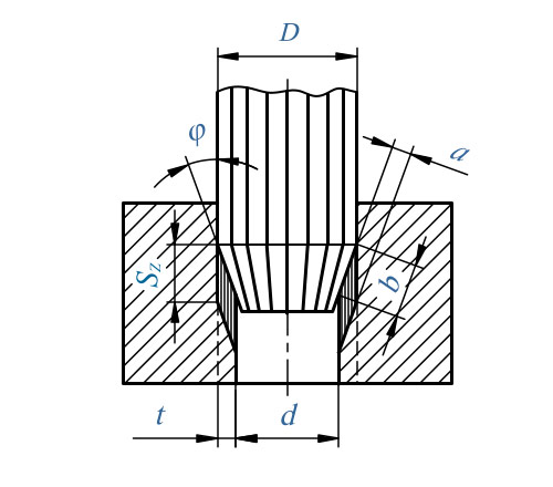
Режущими инструментами для рассматриваемого способа обработки на токарных станках служат машинные развертки (рис. 66). Они отличаются от зенкеров большим количеством зубьев (обычно от 6 до 14), которые срезают мелкие стружки, тем самым повышается точность обработки.
По способу установки на станке развертки делятся на хвостовые и насадные, по конструкции рабочей части — на цельные и сборные.
Последние состоят из корпуса и закрепленных в его пазах ножей.
Хвостовая развертка (рис. 66, а) состоит из хвостовика, шейки и рабочей части. В свою очередь рабочая часть делится на режущую, калибрующую и обратный конус.
На режущей части располагаются главные режущие кромки. Наклон их к оси определяется углом в плане φ, величина которого зависит от назначения разветки. Для сквозных отверстий при обработке сталей и других пластичных металлов φ=15°, для хрупких металлов φ=5°. У разверток для глухих отверстий φ = 60°.
Калибрующая часть имеет цилиндрическую форму. На ней располагаются вспомогательные режущие кромки, предназначенные для зачистки и калибрования отверстия. Чтобы концы зубьев калибрующей части не повредили отверстия, на небольшом участке ее выполняется незначительный обратный конус.
В связи с различным назначением главных и вспомогательных режущих кромок форма заточки зубьев по длине различна. На режущей части (сеч. А-А) зубья затачивают до остроты; на калибрующей (сеч. Б-Б) по задним поверхностям зубьев оставляют узкие цилиндрические ленточки, которые сглаживают поверхность отверстия, улучшают направление развертки и увеличивают число ее переточек.
Передний угол γ у разверток обычно выполняют 0°.
При повышенных требованиях к качеству обработки рекомендуется делать его отрицательным до —5°. Вследствие этого резание при развертывании напоминает скобление.
Нагрузка на зубья разверток в процессе резания всегда колеблется, что вызвано неравномерной плотностью обрабатываемого материала и различными включениями в нем. Периодически повторяющиеся колебания при равномерном расположении зубьев создают местные углубления на поверхности развернутого отверстия. Неравномерное расположение зубьев разверток по окружности исключает указанное явление и способствует повышению чистоты обработки.
Развертки имеют обычно прямые зубья. В некоторых случаях для обработки отверстий с пазами или канавками применяют развертки с винтовыми зубьями, направление которых делают противоположным направлению резания, чтобы развертка не затягивалась в отверстие.
Развертки общего назначения выпускаются диаметром от 0,1 до 300 мм в доведенном виде для отверстий 7—9-го квалитетов (H7, Н8, Н9, К7) либо с припуском под доводку.
Последние изготавливаются шести номеров. Их можно применять для обработки отверстий предусмотренной точности только после доводки по калибрующей части.
Рабочая часть разверток выполняется из быстрорежущей стали или оснащается твердым сплавом для повышения стойкости.
На развертках маркируются номинальный диаметр, точность и материал.
Краткое руководство по скоростям и подачам развёртки, размерам, типам и советам
Что такое развертывание?
Развертка — это процесс резки, при котором используется специальный инструмент, называемый разверткой, для увеличения существующего отверстия до точного диаметра и в то же время для создания гладкой поверхности стенок отверстия. Развёртывание обычно выполняется на фрезерном станке, токарном станке или сверлильном станке. Таким образом, развертывание является чистовой операцией . Другой процесс, такой как сверление, должен выполнить черновую обработку отверстия, прежде чем его можно будет расширить.![]()
Существуют и другие способы создания отверстий с точными диаметрами и высококачественной отделкой стенок, но развертывание часто является лучшим выбором для скорости и низкой стоимости.
Если вам необходимо соблюдать допуски более строгие, чем +/- 0,002″ по диаметру отверстия, возможно, подойдет развертка. Например, вы можете использовать наш Калькулятор прессовой посадки, чтобы вычислить требуемый размер отверстия, а затем использовать развертку для достижения этого размера в пределах допусков.
Чистота поверхности после развертывания зависит от материала заготовки. Диапазон для чугуна составляет от 50 до 80 среднеквадратичных значений и от 30 до 60 среднеквадратичных значений для сталей. Развертка PCD может придать алюминию чистоту до 8 среднеквадратичных значений.
Как рассверлить отверстие?
Правильное развертывание зависит в первую очередь от подготовки отверстия. Развертка способна удалить только небольшое количество материала из отверстия, и она будет стремиться следовать за отверстием.
Он может только немного улучшить прямолинейность отверстия, если у него есть возможность фронтальной резки. Развертка 1/4″ может улучшить прямолинейность отверстия до 0,005″, но не более того.
Если вам требуется дополнительная коррекция прямолинейности, лучшим подходом может быть расточка.
Вот короткое видео, показывающее, как развернуть отверстие на фрезерном станке Bridgeport:
Дополнительная информация о том, как использовать развертку:
Оптимальная скорость и подача развертки
Каковы оптимальные скорости и подачи развертки?
Видел этот вопрос на HMEM. Многих машинистов учат примерному правилу, подобному этому:
1/3 SFM, подача в 3 раза больше, чем у спирального сверла того же размера
(Нажмите здесь, чтобы узнать, что такое SFM и как перейти от SFM к RPM)
Существуют разные мнения о том, каким именно должно быть эмпирическое правило для скоростей и подач расширителей. Некоторые говорят, что соотношение к спиральному сверлу составляет 1/3, в то время как другие предполагают, что оно должно быть 1/2.
Изучив ряд различных рекомендаций производителей, мы обнаружили, что 1/2 дает результаты по скорости и подаче развёртки, которые намного ближе к их рекомендациям. Более того, когда мы говорим «в 2 раза больше подачи», мы на самом деле хотим «в 2 раза больше нагрузки на стружку». 2-кратная скорость подачи будет 4-кратной нагрузкой на стружку, поскольку мы уже удвоили скорость вращения шпинделя по сравнению со спиральным сверлом. Эта загрузка чипа является синтетическим числом для G-Wizard, поэтому не пытайтесь делать с ним слишком много математических вычислений!
Вот что G-Wizard может предложить для скорости развертки и подачи с разверткой из быстрорежущей стали 3/16″ из нержавеющей стали серии 300, о чем был вопрос в посте:
Нержавеющая сталь 304 должна работать со скоростью 458 об/мин и подачей 2,75 дюйма в минуту. Нагрузка на стружку составляет 0,0015″
Для сравнения, вот тот же рез с помощью спирального сверла из быстрорежущей стали 3/16 дюйма:
немного быстрее)…
Хорошо, эти числа не 1/2 и не 1/3, хотя развертка вращается почти на 1/2 спирального сверла, а подача развертки быстрее.
Что дает?
Что ж, это еще одна причина использовать калькулятор вместо эмпирического правила. Здесь работает больше, чем может объяснить эмпирическое правило. Например, спиральному сверлу становится труднее извлекать стружку, чем глубже отверстие. Развертки даже не пытаются извлечь стружку — у них прямые канавки, и они не производят много стружки, если предусмотрено достаточно большое направляющее отверстие. Следовательно, спиральное сверло должно вести себя все более и более иначе, чем правило большого пальца, чем глубже отверстие. В данном случае мы довольно глубокие – 1″ составляет 5,3 диаметра. Я сделал дыру глубокой, чтобы подчеркнуть суть.
Размеры отверстий развертки
Развертки — это быстрый способ закончить отверстие и очень удобный по сравнению с другими прецизионными подходами, такими как растачивание. Их назначение не в том, чтобы изменить расположение отверстия. На самом деле, они часто имеют длинные хвостовики, чтобы они слегка отклонялись, чтобы обеспечить вход в отверстие.
Скорее, они созданы для быстрого и легкого улучшения чистоты поверхности, округлости и размера отверстий.
Развертки, конечно, не все и не все, что нужно для растачивания отверстий, но если вы никогда ими не пользовались, попробуйте. Одна вещь, о которой следует помнить при использовании разверток, — это рекомендации по размеру отверстия. Если вы сделаете отверстие слишком большим (т. е. приблизитесь к размеру готового отверстия развертки, не выходя за его пределы), у развертки не будет достаточно мяса, чтобы выполнить свою работу. Слишком маленький, и вы заставляете прецизионную развертку работать слишком усердно.
Недавно на CNCZone обсуждались размеры отверстий развёртки, и я подумал, что сейчас самое время выкинуть, что G-Wizard сообщает вам рекомендуемые рекомендации относительно того, насколько занижены размеры отверстий перед развёртыванием:
G-Wizard рекомендует сделать отверстие на 0,010–0,025″ меньше размера развертки 1/2″ и сообщает вам ближайший размер спирального сверла в этом диапазоне… над черепахой и зайцем), G-Wizard подскажет правильный размер спирального сверла?
Попробуйте G-Wizard.
Это дает вам начальный размер отверстия и хорошие подачи и скорости как для быстрорежущих, так и для твердосплавных разверток. Лучше всего то, что это бесплатно в течение 30-дневного пробного периода.
Таблица размеров сверла для предварительного развертывания
Отверстие, которое будет развернуто, должно быть сначала просверлено до меньшего диаметра. Как правило, эмпирическое правило заключается в том, чтобы оставить материал толщиной от 0,010 до 0,015 дюйма после сверления, чтобы его можно было удалить расширителем. Очень маленькие диаметры, скажем, 1/32″ или меньше, должны иметь от 0,003″ до 0,006″ материала, который необходимо удалить путем развертывания. Вместо использования фиксированного диапазона лучше использовать процент. Сделайте отверстие на 2-3% меньше диаметра развертки. Если условия хорошие, вы можете сделать отверстие на 5% меньше диаметра расширителя.
Если отверстие просверлено плохо, может потребоваться больше материала, чтобы расширитель мог достаточно очистить отверстие.
Одна из наиболее частых ошибок при использовании развертки – оставить недостаточный припуск для обработки разверткой. Если это произойдет, развертка будет тереться, а не резать, что приведет к чрезмерному износу, сокращению срока службы инструмента и невозможности соблюдения допусков на диаметр.
Кстати, наш калькулятор G-Wizard сообщит вам размер отверстия как часть расчета подачи и скорости для разверток. Но для тех, кто хочет старомодную диаграмму, вот вам:
Оптимальные рабочие условия
При правильном отверстии и правильном выборе развертки, вот некоторые из оставшихся рабочих условий, которые должны быть выполнены для оптимальной работы:
- Убедитесь, что заготовка крепко удерживается, чтобы она не изгибаться, сдвигаться или вибрировать/болтать.
- Используйте патрон хорошего качества для удержания развертки.
- Используйте рекомендованные смазочно-охлаждающие жидкости для расширителя.
- Не допускайте засорения канавок развертки стружкой.

- Совместите осевую линию развертки как можно ближе к осевой линии отверстия.
- Не рекомендуется развертывание наклонной поверхности, если угол превышает 5 градусов.
- Используется максимально короткий вылет инструмента (вылет).
Держатель развертки
Развертки обычно удерживаются прецизионными цангами или гидравлическими патронами.
Другие советы по развертыванию
Как запрограммировать развертку в ЧПУ
Операторы ЧПУ используют стандартный цикл G85, а не цикл сверления для разверток. Циклы сверления быстро выходят из отверстия, что может повредить отделку поверхности.
Максимальная глубина развертывания для быстрорежущей стали
Быстрорежущая сталь НАМНОГО менее жесткая, чем твердый сплав. Если глубина отверстия больше указанных ниже пределов, следует использовать твердосплавную развертку, чтобы развертка не изгибалась и отверстие оставалось прямым.
| Диаметр отверстия | Максимальная глубина отверстия с разверткой из быстрорежущей стали |
| 0,1875″ до 0,3125″ | 0,500″ |
| 0,3126″ до 0,7188″ | 0,625″ |
| 0,7189″ до 1,0625″ | 0,750″ |
| 1,0626″ до 1,5000″ | 0,875″
|
Упрочняемые материалы, такие как титан и нержавеющая сталь
Для материалов, которые могут упрочняться, таких как титан, желательно поддерживать небольшую глубину резания.
Легкий DOC делает стружку тонкой, поэтому ее легче удалить.
Двойное развертывание
Если после сверления остается два больших припуска, можно использовать расширитель 2 размеров для расширения отверстия.
Термическая обработка рассверленных отверстий
Термическая обработка часто приводит к уменьшению рассверленного отверстия, поэтому проведите несколько экспериментов, чтобы точно определить, насколько большим должно быть отверстие, прежде чем любая усадка приведет к его точному соответствию спецификациям и допускам.
Прерывистое развертывание
Развертка со спиральной канавкой…
Если отверстия прерываются, например, шпоночный паз или поперечное отверстие, следует использовать развертку со спиральной канавкой, а не прямую канавку. Спираль поможет перекрыть зазор, чтобы ример всегда поддерживался. Развертка с прямой канавкой будет стучать как сумасшедшая, когда каждый зуб зацепится за прерванный край.
Типы и выбор разверток
Геометрия разверток и стили канавок
Развертки обычно имеют один из следующих стилей канавок:
- Прямой: лучше всего подходит для материалов, не образующих стружку. Лучше всего работают в сквозных отверстиях, так как отсутствие спирали затрудняет извлечение стружки из глухого отверстия.
- Правосторонняя спираль: может использоваться для извлечения стружки из глухого отверстия. Спирали также лучше, чем прямые канавки, для прерывистого резания. Из-за агрессивной геометрии они могут резать немного больше размера.
- Левосторонняя спираль: предпочтительнее через отверстия, так как обратная спираль проталкивает стружку в отверстие. Подходит для прерывистого резания и твердых материалов. Потенциально может обеспечить наилучший размер и отделку.
- Расширительные развертки: полезны при работе с абразивными материалами, которые очень быстро изменяют размер разверток из-за износа. Вы можете увеличить диаметр, повернув установочный винт.

В дополнение к типу канавки, геометрия развертки может быть изменена следующими типами разверток:
Типы разверток
Патронная развертка
Наиболее распространенный тип развертки, показанный в самом верху этой статьи, — это патронная развертка.
Коническая развертка
Коническая развертка требуется для различных целей, чем может закончить коническое отверстие:
- Развертки с коническим штифтом предназначены для развертывания отверстий под стандартные конические штифты. Вырежьте направляющее отверстие на несколько тысяч меньше диаметра конического отверстия.
- Развертка для вагонов предназначена для работы с железнодорожными вагонами.
- используются перед нарезанием конической резьбы, такой как резьба NPTF, Dryseal или ANPT.
- Мостовые расширители используются в конструкционных стальных конструкциях, таких как строительство мостов и судостроение.
Конические развертки для труб
Вы можете найти конические развертки, специально предназначенные для большинства стандартных конических отверстий.
Например, вот коллекция из 5 разверток с конусом Морзе для размеров от 1 MT до 5 MT:
Ручная развертка
Ручные развертки предназначены для ручного использования. Поскольку человеческая рука не способна прилагать столько усилий, сколько машина, ручные развертки имеют специальные функции, облегчающие развертывание:
- конусный наконечник для легкого ввода
- Квадрат на конце для использования с ключом
Тем не менее, их не рекомендуется использовать для удаления большого количества материала.
Кольцевые развертки / Врезные кольца
Регулируемая развертка с врезным кольцом…
В этих развертках можно использовать сменные вставки, и они часто расширяются для адаптации к износу инструмента.
Пилотная развертка
Когда выравнивание имеет решающее значение, лучшим инструментом может быть пилотная развертка. Направляющая не является режущей и действует как направляющая для обеспечения выравнивания отверстий разного диаметра.
Развёртка сверла
Развёртка объединяет развёртку и сверло в один инструмент. Они подходят только для сквозных отверстий, но они могут сэкономить время на смену инструмента и действительно помогают снизить затраты.
Варианты охлаждающей жидкости
Смазочно-охлаждающая жидкость хорошего качества может улучшить чистоту поверхности и продлить срок службы развертки. Подача СОЖ через шпиндель может быть еще более эффективной, так как она положительно влияет на стружкоотвод и стружколомание.
СОЖ центральной подачи способствует удалению стружки. Используйте правостороннюю спиральную развертку с подачей СОЖ по центру, чтобы максимизировать удаление стружки, особенно при работе с высокопластичными материалами.
Выбор экономичной развертки: карбид в сравнении с быстрорежущей сталью и кобальтом
Это в основном зависит от количества изготавливаемых деталей и твердости развёртываемого материала. Для большинства материалов, вероятно, стоит потратиться на карбид, если вам нужно развернуть более 40 деталей.
Даже 20 деталей должны быть твердосплавными, если вы развёртываете все материалы, кроме самых мягких.
Устранение неполадок развертки
Плохая обработка
- Неравные фаски: развертку необходимо переточить
- Неправильные поля: развертку необходимо переточить
- Чрезмерное биение шпинделя: Попробуйте использовать втулку на 2 или 3 десятитысячных больше диаметра развертки.
- Болтовня: Увеличьте подачу и уменьшите скорость вращения шпинделя. Используйте силовую подачу. Используйте развертку со спиральными канавками.
- Недостаточное режущее действие: приобретите развертку с положительным радиальным передним углом, чтобы снизить давление резания.
Увеличенные отверстия, конические отверстия и раструбные отверстия
- Несоосность: Убедитесь, что ваше крепление и установка позволяют развертке находиться точно в центре отверстия. При необходимости используйте плавающий держатель. Рассмотрите возможность использования прецизионных втулок или направляющих разверток.

- Неправильная подача и/или скорость: используйте правильные значения подачи и скорости.
Чрезмерный износ инструмента
- Неправильное снятие припуска: предварительное отверстие должно составлять 2–3 % от диаметра развертки
- Чрезмерное давление развертывания: уменьшите скорость подачи
- Несоосность. Убедитесь, что ваше крепление и установка позволяют развертке находиться точно в центре отверстия. При необходимости используйте плавающий держатель. Рассмотрите возможность использования прецизионных втулок или направляющих разверток.
Кривые отверстия
- Ходьба сверла или неправильная заточка: Убедитесь, что предварительно рассверленное отверстие в порядке.
Поломка инструмента
- Чрезмерное давление при развертывании: Уменьшите скорость подачи.
- Несоосность. Убедитесь, что ваше крепление и установка позволяют развертке находиться точно в центре отверстия. При необходимости используйте плавающий держатель.
Рассмотрите возможность использования прецизионных втулок или направляющих разверток.
Присоединяйтесь к более чем 100 000 пользователей ЧПУ! Раз в неделю бесплатно получайте наши последние записи в блоге прямо на вашу электронную почту. Кроме того, мы предоставим вам доступ к некоторым замечательным справочным материалам по ЧПУ, включая:
Операция развертывания, типы разверток, размер сверла развертки
Камаль Двиведи
02 января 2022 г.
Привет друзья, Сегодняшняя тема связана с операцией развертывания.
В котором вы узнаете все аспекты, связанные с операцией развертывания, например, что такое операция развертывания, что такое развертки и их типы, а также как рассчитать размер сверла развертки?
В основном операцию развертывания выполняют на сверлильном станке, иногда на токарном станке.
В настоящее время эти станки полностью автоматизированы и работают на станках с ЧПУ.
Основной целью операции развертывания является создание точного размера и гладкой чистовой обработки существующего отверстия.![]()
Итак, не теряя времени, приступим.
Что такое операция развертывания?
Развёртывание — это операция резания, позволяющая сделать существующие диаметры отверстий более точными и улучшить чистоту поверхности.
Режущий инструмент, используемый для развертывания, называется расширителем.
Что такое Ример?
Развертка — это многолезвийный режущий инструмент, используемый для расширения ранее открытого отверстия и доводки его до точного размера.
Скорость, подача и допуск на развертывание могут повлиять на точность отверстия с кромкой.
Скорость развертывания обычно составляет примерно половину скорости сверления.
Развёртывание может обрабатывать любое отверстие с точностью до -0,005 мм или до +0,005 мм.
Развертки изготавливаются из углеродистой инструментальной или быстрорежущей стали.
Также встречаются развертки с твердосплавными наконечниками, к которым твердосплавные наконечники присоединяются путем пайки на режущих кромках.
На рисунке видно, что операция развертывания выполняется с помощью разверток.
| Операция развертывания |
Типы разверток
Существуют следующие два типа используются развертки.
- Ручные развертки
- Машинные развертки
Ручные развертки
Ручные развертки имеют квадратный конец, который используется для удаления металла до 0,13 мм из отверстия.
Машинные развертки
Машинные развертки имеют прямой или конический конец, который используется под нагрузкой.
Развертывание вручную
Следующие знаки следует учитывать при ручном развертывании
- Хорошо зажмите заготовку в тисках.
- Проверьте размер отверстия развертки, который должен быть примерно на 3% меньше размера развертки.
- Поместите развертку в отверстие и проверьте вертикальное положение.

- Слегка надавливая, перемещайте развертку по часовой стрелке.
- При развертывании используйте подходящую охлаждающую жидкость.
- После завершения развертывания очистите развертку и работу и держите развертку в надежном месте.
Развертывание на станке
При выполнении развертывания на станке следует помнить о следующих указаниях.
- Хорошо закрепите заготовку на столе станка.
- Удерживайте развертку на месте с помощью держателя или закрепительной втулки.
- Перед началом подведите развертку к краю отверстия и осторожно подайте ее.
- При развертывании используйте подходящую охлаждающую жидкость.
- Используйте правильную скорость. Часто это меньше скорости, необходимой для сверления, чтобы режущая кромка не перегревалась и не портилась.
- Нельзя давать чрезмерное количество корма.
- Очистите станок, развертку и изделие после завершения развёртывания.
Меры предосторожности при развёртывании
- Развёртка должна располагаться в отверстии вертикально.

- Развертку нельзя поворачивать назад. Всегда используйте жирное масло или любой другой подходящий состав при развертывании стали или кованого железа.
- Не пытайтесь запускать развертку на неровной поверхности.
- Время от времени перемещайте развертку вверх для расширения глухого отверстия.
- При развертывании используйте подходящую развертку.
Формула для расчета размера сверла развертки
Следующая формула используется для расчета размера сверла развертки.
Р.Д.С. = Р.С. – (меньше размера + больше размера)
Где,
R.D.S. = Размер сверла развертки
R.S. = Размер развертки
Уменьшенный размер
Подходящий размер сверла выбирается для получения отверстия развертки определенного размера.
Называется низкорослым.
Это утвержденное уменьшение размера, как показано в таблице ниже.
| Старший № | Диаметр отверстия для расширения | Недостаточный размер черновых отверстий |
|---|---|---|
| 1 | До 5 мм | от 0,1 мм до 0,2 мм |
| 2 | от 5 мм до 20 мм | от 0,2 мм до 0,3 мм |
| 3 | от 21 мм до 50 мм | от 0,3 мм до 0,5 мм |
| 4 | Более 50 мм | от 0,5 мм до 1,0 мм |
Крупногабаритный
Даже если сверло правильно заточено, оно все равно делает отверстие больше своего диаметра.




На промежуточной развертке, которая снимает значительно меньшую стружку, прорези делают меньше и другого профиля. Чистовая развертка никаких стружколомных канавок не имеет.
Это развертки закрепляют непосредственно в шпинделе станка.

Применение рациональной конструкции разверток не только обеспечивает высокое качество работы, но и значительно повышает производительность труда.
Обработка таких отверстий растачиванием хотя в некоторых случаях и возможна, но связана с трудностями установки резца на точный размер и с необходимостью (для получения чистой поверхности) работать с малой подачей, т. е. непроизводительно. Поэтому обработка

Во избежание этого развертки часто делают регулируемыми, чтобы после износа зубьев можно было несколько увеличить их диаметр.
В результате развертка будет работать одной стороной, и диаметр развернутого отверстия получится больше требуемого. Этого не случится, если развертка будет направляться самим развертываемым отверстием, что обеспечивается закреплением ее в шарнирной оправке. Одна из таких оправок изображена на рис. 12. Основная деталь имеет конический хвостовик, который вставляется в пиноль задней бабки. В цилиндрическое отверстие, сделанное в утолщенной части детали, входит правый конец втулки. В этом конце втулки и в дне отверстия детали запрессованы стальные закаленные опоры, между которыми находится шарик. Последний удерживается кольцом — обоймой, прикрепленной к торцу втулки несколькими винтами. Стержень закреплен посредством винта в конце втулки и проходит через отверстие, сделанное в стенках утолщенной части детали. Развертка вставляется в коническое гнездо в левом конце втулки. Диаметры отверстий в детали для стержня больше диаметра стержня. Зазоры между деталями оправки, а также наличие шариковой опоры обеспечивает втулке возможность некоторой игры.
Поэтому развертка, закрепленная в данной втулке, сама находит свое место и, направляемая отверстием, обрабатывает его точно, не разбивая.

Чем больше подача при одном и том же диаметре отверстия, тем меньшую следует принимать скорость.


Рассмотрите возможность использования прецизионных втулок или направляющих разверток.