Шпоночный паз на валу: Размеры шпонок и шпоночных пазов по ГОСТ
Содержание
Размеры шпонок и шпоночных пазов по ГОСТ
Изготовить общепромышленный редуктор, как, впрочем, и любое другое оборудование, без шпонок и шпоночных пазов невозможно. Основное назначение шпоночных соединений – передача вращения и тяги от вала к ступице или втулке и наоборот. Немаловажная функция, про которую мало упоминается в каталогах – шпонка является своеобразным предохранителем в редукторе. При критической нагрузке должна разрушаться именно шпонка, а не более дорогостоящие детали и узлы механизма.
В промышленности существует множество различных типов шпонок и шпоночных соединений – призматические, сегментные, клиновые, цилиндрические и пр. Их размеры и допускаемые отклонения регламентируются следующими стандартами:
- ГОСТ 24071-97 – сегментные шпоночные пазы и шпонки;
- ГОСТ 24068-80 – клиновые шпоночные пазы и шпонки;
- ГОСТ 23360-78 – призматические шпоночные пазы и шпонки;
- ГОСТ 10748-79 – призматические высокие шпоночные пазы и шпонки;
- ГОСТ 24069-80 – тангенциальные нормальные шпоночные пазы и шпонки;
- ГОСТ 12207-79 – цилиндрические шпоночные пазы и шпонки;
- ГОСТ 8790-79 – призматические шпоночные пазы и шпонки с креплением на валу.

Однако в редукторостроении наибольшее распространение получили призматические и сегментные шпонки. Их мы и рассмотрим.
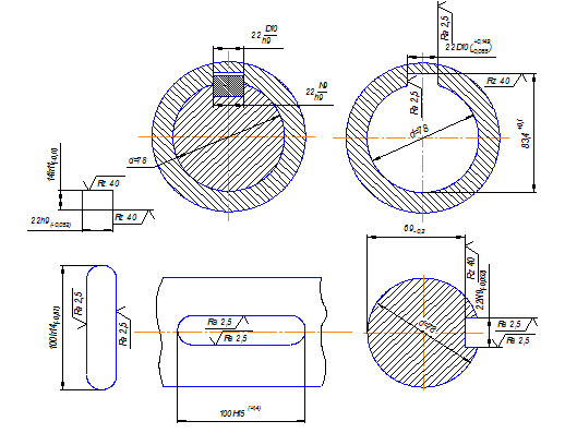
Размеры призматических шпонок и шпоночных пазов в зависимости от длины вала по ГОСТ 23360-78
| Диаметр вала, D | Сечение шпонки, b x h | Глубина паза | Длина шпонки, l | Радиус закругления | Фаска | |||
| на валу, t1 | на втулке, t2 | Шпоночного паза, r1 | Шпонки, r | Шпоночного паза, с1 | Шпонки, с | |||
| от 6 до 8 | 2 x 2 | 1,2 | 1 | 6 — 20 | 0,08 | 0,16 | 0,16 | 0,25 |
| свыше 8 до 10 | 3 x 3 | 1,8 | 1,4 | 6 — 36 | ||||
| свыше 10 до 12 | 4 x 4 | 2,5 | 1,8 | 8 — 45 | ||||
| свыше 12 до 17 | 5 x 5 | 3 | 2,3 | 10 — 56 | 0,16 | 0,25 | 0,25 | 0,4 |
| свыше 17 до 22 | 6 x 6 | 3,5 | 2,8 | 14 — 70 | ||||
| свыше 22 до 30 | 8 x 7 | 4 | 3,3 | 18 — 90 | ||||
| свыше 30 до 38 | 10 x 8 | 5 | 3,3 | 22 — 110 | 0,25 | 0,4 | 0,4 | 0,6 |
| свыше 38 до 44 | 12 x 8 | 5 | 3,3 | 28 — 140 | ||||
| свыше 44 до 50 | 14 x 9 | 5,5 | 3,8 | 36 — 160 | ||||
| свыше 50 до 58 | 16 x 10 | 6 | 4,3 | 45 — 180 | ||||
| свыше 58 до 65 | 18 x 11 | 7 | 4,4 | 50 — 200 | ||||
| свыше 65 до 75 | 20 x 12 | 7,5 | 4,9 | 56 — 200 | 0,4 | 0,6 | 0,4 | 0,6 |
| свыше 75 до 85 | 22 x 14 | 9 | 5,4 | 63 — 250 | ||||
| свыше 85 до 95 | 25 x 14 | 9 | 5,4 | 70 — 280 | ||||
св. 95 до 110 | 28 x 16 | 10 | 6,4 | 80 — 320 | ||||
| св. 110 до 130 | 32 x 18 | 11 | 7,4 | 90 — 360 | ||||
| св. 130 до 150 | 36 x 20 | 12 | 8,4 | 100 — 400 | 0,7 | 1 | 0,7 | 1 |
| св. 150 до 170 | 40 x 22 | 13 | 9,4 | 100 — 400 | ||||
| св. 170 до 200 | 45 x 25 | 15 | 10,4 | 110 — 450 | ||||
| св. 200 до 230 | 50 x 28 | 17 | 11,4 | 125 — 500 | ||||
| св. 230 до 260 | 56 x 32 | 20 | 12,4 | 140 — 500 | 1,2 | 1,6 | 1,2 | 1,6 |
св. 260 до 290 | 63 x 32 | 20 | 12,4 | 160 — 500 | ||||
| св. 290 до 330 | 70 x 36 | 22 | 14,4 | 180 — 500 | ||||
| св. 330 до 380 | 80 x 40 | 25 | 15,4 | 200 — 500 | 2 | 2,5 | 2 | 2,5 |
| св. 380 до 440 | 90 x 45 | 28 | 17,4 | 220 — 500 | ||||
| св. 440 до 500 | 100 x 50 | 31 | 19,5 | 250 — 500 | ||||
Примечания:
- Допускаются для ширины паза и втулки любые сочетания полей допусков, указанных в таблице.
- Для термообработанных деталей допускаются предельные отклонения размера ширины паза вала Н11, если это не влияет на работоспособность соединения.

- В ответственных шпоночных соединениях сопряжение дна паза с боковыми сторонами выполняются по радиусу, величина и предельные отклонения которого должны указываться на рабочем чертеже.
- Допускается в обоснованных случаях (пустотелые и ступенчатые валы, передачи пониженных вращающих моментов и т.п .) применять меньшие размеры сечений стандартных шпонок на валах больших диаметров, за исключением выходных концов валов.
- Длину l (мм) призматической шпонки выбирают из ряда в указанных пределах: 10; 12; 14; 16; 18; 20; 22; 25; 28; 32; 36; 40; 45; 50; 56; 63; 70; 80; 90; 100; 110; 125; 140; 160; 180; 200; 220; 250; 280мм.
- Поле допуска на ширину шпонки b h9, на высоту шпонки h21 (h9 до 6 мм), на длину шпонки h24.
Пример обозначения шпонки
исполнение 1, размеры b=18 мм, h=11 мм и l=100 мм:
Шпонка 18x11x100 ГОСТ 23360-78
То же исполнения 2:
Шпонка 2-18x11x100 ГОСТ 23360-78
Материал шпонок — сталь с временным сопротивлением разрыву не менее 590 МПа.
Предельные отклонения размеров (d + t
1) и (d + t2)
| Высота, мм | Предельное отклонение размеров шпонки, мм | |
| d + t1 | d + t2 | |
| От 2 до 6 | 0 -0,1 | 0,1 0 |
| Свыше 6 до 18 | 0 -0,2 | 0,2 0 |
| Свыше 18 до 50 | 0 -0,3 | 0,3 0 |
Размеры сегментных шпонок и шпоночных пазов (ГОСТ 24071-80), мм
|
| |||||||
| Диаметр вала, D | Шпонка* | Шпоночный паз | |||||
| b | h | d | c или r | Вал t1 | Втулка t2 | c1 или r1 | |
| От 5 до 6 | 2,0 | 2,6 | 10 | 0,16 — 0,25 | 1,8 | 1,0 | 0,008 — 0,16 |
| Свыше 6 до 7 | 2,0 | 3,7 | 10 | 2,9 | 1,0 | ||
| Свыше 7 до 8 | 2,5 | 3,7 | 10 | 2,7 | 1,2 | ||
| Свыше 8 до 10 | 3 | 5 | 13 | 3,8 | 1,4 | ||
| Свыше 10 до 12 | 3 | 6,5 | 16 | 5,3 | 1,4 | ||
| Свыше 12 до 14 | 4 | 6,5 | 16 | 0,25 — 0,4 | 5,0 | 1,8 | 0,16 — 0,25 |
| Свыше 14 до 16 | 4 | 7,5 | 19 | 6,0 | 1,8 | ||
| Свыше16 до 18 | 5 | 6,5 | 16 | 4,5 | 2,3 | ||
| Свыше 18 до 20 | 5 | 7,5 | 19 | 5,5 | 2,3 | ||
| Свыше 20 до 22 | 5 | 9 | 22 | 7,0 | 2,3 | ||
| Свыше 22 до 25 | 6 | 9 | 22 | 6,5 | 2,8 | ||
| Свыше 25 до 28 | 6 | 10 | 25 | 7,5 | 2,8 | ||
| Свыше 28 до 32 | 8 | 11 | 28 | 0,4 — 0,6 | 8,0 | 3,3 | 0,25 — 0,4 |
| Свыше 32 до 38 | 10 | 13 | 32 | 10 | 3,3 | ||
*Шпонки предназначены для передачи крутящего момента.
Примеры условного обозначения:
сегментная шпонка исполнения 1 для вала диаметром d = 30 мм:
Шпонка 8×11 ГОСТ 24071-80;
то же исполнения 2:
Шпонка 2−8×11 ГОСТ 24071-80
Размеры призматических шпонок и пазов электрических машин
- Подробности
- Категория: Электрические машины
- электродвигатель
| Диаметр вала мм
| Размеры сечения шпонок, мм | Глубина паза, мм | ||
вала t
| втулки t1,
| |||
b | h | |||
6-8 | 2 | 2 | 1,2 | 1,0 |
9—10 | 3 | 3 | 1,8 | 1,4 |
11—12 | 4 | 4 | 2,5 | 1,8 |
13—17 | 5 | 5 | 3,0 | 2,3 |
18—22 | 6 | 6 | 3,5 | 2,8 |
23—30 | 8 | 7 | 4. | 3,3 |
31—38 | 10 | 8 | 5,0 | 3,3 |
39—44 | 12 | 8 | 5,0 | 3,3 |
45-50 | 14 | 9 | 5,5 | 3,8 |
51—58 | 16 | 10 | 6.0 | 4,3 |
59—65 | 18 | 11 | 7,0 | 4,4 |
66—75 | 20 | 12 | 7,5 | 4,9 |
76—85 | 22 | 14 | 9,0 | 5,4 |
86—95 | 25 | 14 | 9 | 5,4 |
96—110 | 28 | 16 | 10 | 6,4 |
111—130 | 32 | 18 | 11 | 7,4 |
131-150 | 36 | 20 | 12 | 8,4 |
151—170 | 40 | 22 | 13 | 9,4 |
171—200 | 45 | 25 | 25 | 10,4 |
201—230 | 50 | 28 | 17 | 11,4 |
231—260 | 56 | 32 | 20 | 12,4 |
261—290 | 63 | 33 | 20 | 12,4 |
291—330 | 70 | 36 | 22 | 14,4 |
331—380 | 80 | 40 |
| 15,4 |
381—440 | 90 | 45 | 28 | 17,4 |
441—500 | 100 | 50 | 31 | 19,5 |
где d — диаметр вала, мм; h и / — высота и длина шпонки, мм; [6] см —допускаемое напряжение на смятие, для чугунных муфт принимается 6—8 кгс/мм2, для стальных — 10—15 кгс/мм2.
- Назад
- Вперёд
- Вы здесь:
- Главная
- Оборудование
- Эл. машины
- Измерение сопротивления изоляции обмоток
Еще по теме:
- Испытания по определению электрических величин электрических машин
- Основные повреждения электродвигателей
- Двигатели типа ДАБ
- Методы сушки электрических машин
- Автоматизация испытаний электрических машин
Почему валы силовой передачи имеют как шпонки, так и шпоночные канавки? — Лавджой
Перейти к содержимому
Почему на валах силовой передачи есть шпонки и шпоночные канавки? Стефани Хастингс2019-10-28T16:12:29-05:00
Краткий ответ: шпонки и пазы предотвращают вращение вала в отверстии и могут способствовать передаче крутящего момента между двумя соединенными валами.

Иногда понимание мелких деталей помогает нам понять общую картину. В этом блоге мы углубимся в некоторые основные концепции передачи энергии.
Вы пытались запустить двигатель или включить передачу, но ничего не произошло?
Возможно, вы даже слышали, как стартер включился и завелся, но затем, когда трансмиссия наконец включилась, движения вперед не было. В большинстве случаев, когда это происходит, вы можете проверить несколько вещей, таких как трансмиссионная жидкость, трос переключения передач или шпонка трансмиссионного вала. Но, позвольте мне объяснить это немного дальше.
Разборка компонентов
Передача энергии
Как понятно из самого термина, передача энергии — это передача энергии от места ее производства к месту, где она используется для выполнения полезной работы. На Рисунке 1 ниже вы можете видеть, как паровая турбина передает мощность, вырабатываемую паром, в генератор, который, в свою очередь, вырабатывает электричество. Обратите внимание на вал, соединяющий паровую турбину с генератором.
Производство электроэнергии — одна из многих отраслей, в которых используются продукты Lovejoy.
(Рисунок 1)
Вал
Вал — это элемент, используемый для передачи мощности и крутящего момента. Валы изготавливаются различных форм и форм, но большинство из них, как правило, имеют круглое поперечное сечение, либо сплошную, либо трубчатую форму. Валы передают мощность непосредственно от приводного устройства или источника питания в нагрузку (рис. 1). Валы могут нести шестерни, шкивы и звездочки для передачи вращательного движения и мощности через сопряженные шестерни, ремни и цепи. В качестве альтернативы вал может просто соединяться с другим валом через соединительный механизм. Муфты соединяются с валом с помощью шпонки, шпоночного паза или шпоночного гнезда.
Шпонка, шпоночная канавка и шпоночное гнездо
Шпонка представляет собой кусок металла, используемый для соединения вращающегося элемента машины с валом. Шпонка предотвращает относительное вращение между двумя частями и может обеспечивать передачу крутящего момента. Для правильной работы шпонки как вал, так и вращающиеся элементы (шестерня, шкив и муфта) должны иметь шпоночный паз и шпоночное гнездо. Обычно под шпоночным гнездом понимают канавку или карман на валу, а шпоночный паз — это паз на ступице, в который входит шпонка. Вся система называется шпоночным соединением (рис. 2).
(рис. 2)
Ключи изготавливаются из различных материалов, а также бывают разных форм и размеров.
Наиболее распространенные формы ключей имеют прямоугольную или коническую форму и обычно изготавливаются из стали.
Механика
Чтобы скрепить ступицу или втулку и вал вместе, а также предотвратить вращение вала в отверстии (рис. 2), шпонку обычно вставляют в шпоночный паз, который выточен как в отверстии, так и в валу. вал. Шпонка отвечает за предотвращение любого вращения между валом и отверстием, а также несет часть нагрузки крутящего момента на шпонки. Передача крутящего момента ключами является наиболее распространенным и широко используемым методом передачи мощности. К сожалению, несоосные ключи и пазы могут привести к механическим поломкам. Таким образом, чтобы обеспечить надлежащую посадку, размеры ширины и высоты стандартной шпонки и шпоночного паза должны соответствовать рекомендуемым допускам. Отраслевые стандарты для размеров ключей с различными отверстиями существуют как для английской, так и для метрической систем.
Кроме того, при наличии расстояния между ведущим и ведомым компонентами приводные валы часто соединяются друг с другом с помощью одного или нескольких универсальных шарниров, кулачковых муфт или, в некоторых случаях, шлицевого соединения или призматического соединения.
Итак, в заключение, две наиболее важные функции шпонок и шпоночных пазов на валу силовой передачи:
- Предотвращение вращения вала в отверстии
- Включить передачу мощности через момент
Ссылка для загрузки страницы
Перейти к началу
Таблица шпоночных пазов — Hallite
Таблица шпоночных пазов
В следующих таблицах показаны стандартные размеры ключей и их канавок.
Метрическая – прямоугольная
B.S.4235 : ЧАСТЬ 1 : 1972
Номинальный диаметр вала | Шпонка | Размеры (мм) | |||||||
Свыше | До (вкл. | А | В | C | D | E | F | R | |
10 | 12 | 4 x 4 | 3. 970 | 2,5 | 3,90 16 | ||||
12 | 17 | 5 x 5 | 4 .970 | 3,0 | 4,985 | 2,3 | 0,25 | ||
17 | 22 | 6 x 6 | 5,970 | 3,5 | 5,985 | 2,8 | 6. | 0,25 | |
22 | 30 | 7,964 | 4.0 | 7.982 | 3.3 9005 8 | 8.000 | 7.000 | 0,25 | 30 | 38 | 10 x 8 | 9,964 | 5,0 9 0058 | 9,982 | 3.3 | 10.000 | 8.000 | 0,40 |
38 | 44 | 12 x 8 | 5,0 | 11,979 | 3,3 9 0058 | 12.000 | 8.000 | 0,40 | |
44 | 50 | 3,8 | 14.000 | 9.000 | |||||
50 | 58 | 16 x 10 | 15.957 | 6. 0 | 15,979 | 4,3 | 16,00 0 | 10. | 0.40 |
58 | 65 9 0058 | 18 x 11 | 17,957 | 7.0 | 17.979 | 4.4 | 18.000 | 11.000 | 0,40 |
65 | 75 | 20 x 12 | 19.948 | 7 .5 | 19,974 | 4.9 | 20.000 | 12.000 | 0,60 |
75 | 85 | 22 x 14 | 21,948 5. 4 | 22.000 | 14.000 | 0,60 | |||
85 | 25 x 14 | 24.948 | 9.0 | 24,974 | 5.4 | 25.000 | 14.000 9 0067 13,890 | 0,60 | |
95 | 110 | 28 x 16 | 27,948 | 10,0 | 27,974 | 6,4 | 28. | 16,000 | 0,60 |
110 9 0003 | 130 | 32 x 18 | 31.938 | 11.0 | 31.969 | 7,4 | 32,000 | 18,000 9006 7 17,890 | 0,60 |
130 | 150 | 36 x 20 | 35,938 | 12,0 | 35.969 | 8.4 | 36. | 20.000 | 1.00 |
150 | 170 | 40 x 22 | 39,938 | 13,0 | 39,969 90 067 40.031 | 9,4 | 40.000 | 22.000 | 1.00 |
170 | 200 | 45 x 25 | 44,93 8 | 15,0 | 44,969 | 10,4 | 45 . | 25,000 | 1.00 |
200 | 230 | 5 0 x 28 | 49,938 | 17,0 | 49,969 90 067 50.031 | 11,4 | 50.000 | 28.000 | 9000 6 1,00 |
Британские – Прямоугольные
B.S.46: ЧАСТЬ 1: 1958
Номинальный диаметр вала | Шпонка | 9000 6 Размеры (дюймы) | |||||||||||||
Более | До (вкл. | A | B | C | D | E 90 058 | F | R | |||||||
1 | 1 1/4 | 5/16 x 1/4 | 0,311 | 0,312 | 0,112 | 0,253 | 0,010 | ||||||||
1 1/2 | 3/8 x 1/4 | 0,374 | 0,150 | 0,375 90 058 | 0,108 | 0,377 | 0,253 | 0,010 | |||||||
1 1/2 | 1 3/4 | 7/16 x 5/16 | 0,437 | 0,186 | 0,438 | 0,135 | 0,440 | 0,315 | 0,020 | ||||||
1 3/4 | 2 | 1/2 x 5/16 | 0,499 | 0,190 | 900 06 0,500 0,501 | 0,131 | 0. | 0.315 | 0.020 | ||||||
2 | 2 1/2 | 5/8 x 7/16 | 0.624 | 0,260 | 0,625 | 0,185 9 0067 0,191 | 0,627 | 0,441 | 0,020 | ||||||
2 1/2 | 3 | 3/4 x 1 /2 | 0,749 | 0,299 | 0,750 | 0,209 | 0,752 | 0,503 9 0067 0,500 | 0,020 | ||||||
3 | 3 1/2 | 7/8 x 5/8 | 0,874 | 0,370 | 0,875 | 0,264 | 0,877 90 067 0,875 | 0,629 | 0,062 | ||||||
3 1/2 9 0003 | 4 | 1 x 3/4 | 0,999 | 0,441 | 1,000 | 0,318 | 1,003 | 0,754 | 0,062 | ||||||
4 | 5 | 1 1/4 x 7/8 | 1,248 | 0,518 | 1,250 | 0,366 | 1,253 | 0,879 | 1,498 | 0,599 | 1,500 9 0058 | 0,412 | 1,504 | 1.006 | 0.062 |
Имперский – Квадратный
B.
S.46 : ЧАСТЬ 1 : 1958
Номинальный диаметр вала | Шпонка | Размеры (дюймы) | ||||||||||||
Свыше | До (включая) | A | B | С | D | E | F | R | ||||||
1/4 | 1/2 | 1/8 x 1/8 | 0,124 | 0,072 | 0,125 | 0,060 9 0067 0,066 | 0,127 | 0,010 | ||||||
1/2 | 3/4 | 3/16 x 3/16 | 0,187 9 0058 | 0,107 | 0,188 | 0,088 | 0,190 | 0,010 | ||||||
3/4 900 58 | 1 | 1/4 x 1/4 | 0,249 | 0,142 | 0,250 | 0,115 | 0,252 | 0,010 | ||||||
1 | 5/16 x 5/16 | 0,311 | 0,177 | 90 006 0,312 0,313 | 0,142 | 0,314 | 0,010 | |||||||
1 1/4 90 058 | 1 1/2 | 3/8 x 3/8 | 0,374 | 0,213 | 0,375 | 0,169 9 0058 | 0,377 | 0,010 | ||||||
1 1/2 | 1 3/4 | 7/16 x 7/16 | 0,437 | 900 06 0,248 0,254 | 0,438 | 0,197 | 0,440 | 0,020 | ||||||
1 3/4 | 2 | 1/2 x 1/2 | 0,499 | 0,283 | 0,500 | 0,224 | 5 /8 x 5/8 | 0,624 | 0,354 | 0,625 | 0,278 | 0,627 | 0,020 | |
2 1/2 | 3 | 3/4 x 3/4 | 0,749 | 0,424 | 0,750 | 0,333 | 0,752 | 0,020 | ||||||
3 | 3 1/2 | 7/8 x 7/8 | 0,874 | 0,495 | 0,875 | 0,387 | 0,877 | 0,062 | ||||||
3 1/2 | 4 | 1 x 1 | 0,999 | 0,566 | 1. | |||||||||

95 до 110
260 до 290
0
)
030
957
000
890
000
000
000
)
502
324