Установка вытяжных заклепок: Заклепка вытяжная. Преимущества и особенности монтажа
Содержание
Что делать если у втяжных заклепок не откусываются до конца стержни, а остаются торчать из гильзы?
Как правило, к тому, что вытяжные заклёпки невозможно установить в проектное положение могут привести несколько факторов:
1. Слишком мягкий скрепляемый материал.
2. Неправильно подобранный диаметр сверла для посадочных отверстий.
3. Неправильно подобранный размер заклёпки относительно толщины скрепляемых материалов.
4. Бракованное крепёжное изделие.
Ниже рассмотрим отдельно каждую из причин на фоне требований действующих стандартов.
Терминологию и принципиальные схемы разных типов на так называемые «слепые» заклёпки в отечественном нормотворчестве задаёт ГОСТ Р ИСО 14588-2005.
Этот стандарт является прямым переводом международного стандарта ISO 14588:2000.
Однако, в силу чересчур дословного перевода технических терминов отечественный стандарт среди специалистов признан не совсем удачным.
Поэтому в работе мы используем термины, заданные Минстроем в Технической оценке к ТС 4240-14 от 09.07.17 на вытяжные заклёпки ELNAR.
Принципиальная схема установки вытяжных заклёпок в проектное положение.
|
Вытяжные заклёпки устанавливают в проектное положение путём вытягивания стержня.
|
При этом головка стержня развальцовывает гильзу заклёпки до тех пор, пока не упрётся в скрепляемые материалы.
После чего стержень отрывается от головки.
|
После окончания монтажа заклёпки головка стержня остаётся в развальцованной гильзе.
Стержень, оторванный от головки беспрепятственно выходит из гильзы заклёпки.
|
|
|
|
|
- Если скрепляемый материал не обладает достаточной твёрдостью, т.
е. материал слишком мягкий, для надёжного упора заклёпки,
в этом случае не обеспечивается необходимая жёсткость для упора головки и отрыва стержня заклёпки:
Стержень полностью проходит сквозь гильзу, вминая её в мягкое основание по всей длине.
Такие случаи встречаются не только при креплении композитных, в том числе полимерных, материалов, но к сожалению, и при креплении алюминиевых профилей:
|
|
Полимерные композитные материалы – нестабильны в своих механических свойствах.
Их твёрдость может существенно отличаться от партии к партии.
Поэтому при установке в композитные материалы зачастую стержень заклёпки свободно проходит сквозь всю гильзу.
При этом суть претензии: «..но ведь в прошлый раз всё нормально устанавливалось..»
|
|
|
|
|
На фотографиях хорошо видно, как
гильза заклёпки при развальцовывании сминает мягкий алюминиевый профиль вокруг себя
и придаёт посадочному отверстию овальную форму.
| |
Как определить, что брак в креплении происходит по причине недостаточной твёрдости скрепляемого материала, а не по причине излишне «жёстких в монтаже» вытяжных заклёпок?
Для этого соответствующие международные стандарты задают нам величину усилий отрыва стержня для каждого типа заклёпок:
|
Максимальная разрушающая нагрузка для отрыва стержня
| |
|
— для открытых вытяжных заклёпок
с выступающим бортиком
А2/А2 по ISO 15983
|
— для открытых вытяжных заклёпок
с выступающим бортиком
Алюм./Сталь по ISO 15977
|
|
|
|
Таким образом, величина усилий отрыва стержня вытяжной заклёпки от головки не должна превышать нормативных значений, заданных соответствующими международными стандартами.
- Если диаметр установочного отверстия не соответствует нормативным требованиям,
в таком случае при развальцовывании гильза заклёпки не упирается в стенки отверстия, и стержень заклёпки беспрепятственно проходит насквозь без отрыва головки:
Во избежание этого соответствующие международные стандарты задают диаметры установочных отверстий для каждого типа заклёпок:
|
Диаметры установочных отверстий
| |
|
— для открытых вытяжных заклёпок
с выступающим бортиком
А2/А2 по ISO 15983*
|
— для открытых вытяжных заклёпок
с выступающим бортиком
Алюм./Сталь по ISO 15977*
|
|
|
|
|
* эти же значения заданы Минстроем в Технической оценке к ТС 4240-14 от 09.
| |
Таким образом, диаметры установочных отверстий под вытяжную заклёпку должны соответствовать нормативным требованиям, заданным соответствующими международными стандартами.
- Если толщина скрепляемых материалов значительно меньше нормативных требований,
в таком случае излишне тонкое основание порой не обеспечивает своевременного отрыва головки:
Во избежание этого соответствующие международные стандарты задают допустимый диапазон толщины скрепляемых материалов для каждого типа заклёпок:
|
Толщину скрепляемых материалов
|
|
— для открытых вытяжных заклёпок с выступающим бортиком А2/А2 по ISO 15983*
|
|
|
|
— для открытых вытяжных заклёпок с выступающим бортиком Алюм.
|
|
|
|
* эти же значения заданы Минстроем в Технической оценке к ТС 4240-14 от 09.07.17 на заклёпки вытяжные ELNAR
a (перевод с англ.) диапазоны толщины скрепляемых материалов, указанные в Табл.1, в допустимой комбинации с материалами согласно п.4, ограничены максимальным и минимальным значениями. Минимальное значение задано в рекомендательном порядке. В частных случаях допускается меньшая толщина скрепляемых материалов.
b (перевод с англ.) номинальная длина более 30 мм задаётся с шагом 5 мм на согласование с производителем.
|
- Для подтверждения брака внутри партии изделий
инженеры BEST-Крепёж проверяют заклёпки из той же партии, имеющиеся на складе, на монтажепригодность:
По необходимости специалисты компании выезжают на объект для выяснения причин, почему не устанавливаются вытяжные заклёпки.
При этом инженеры нашей компании проверяют соблюдения нормативных требований при монтаже:
— визуально осматривают материал крепления;
— проверяют диаметр сверла на соответствие нормативным требованиям;
— толщину скрепляемых изделий;
— в спорных вопросах мы обращаемся в сторонние профильные институты и лаборатории, в частности, для подтверждения механических свойств заклёпок ELNAR в ИЛ Технополис.
В случае принятия решения о внутрипартийном браке: заклёпки на объекте подлежат замене, а вся производственная партия бракованных изделий не допускается к продажам в полном объёме.
Насадка на шуруповерт для установки вытяжных и резьбовых заклепок
29 Сентября 2016
насадка заклепочник • насадки на шуруповерт • насадки на шуруповерт для заклепок • купить насадку на шуруповерт для вытяжных заклепок • купить насадку на шуруповерт для резьбовых заклепок
Насадки на шуруповерт для заклепок — это специальные приспособления, позволяющие устанавливать вытяжные или резьбовые заклепки с помощью такого сверлильного оборудования, как шуруповерт.
Превращая данный инструмент в полноценный заклепочник, они становятся недорогой и удобной альтернативой ручному заклепочнику.
Особенности использования насадок на шуруповерт
На рынке заклепочной техники этот вид инструмента появился не так давно, но уже успел завоевать большую популярность среди любителей и профессионалов. Он представляет собой специальный клепальный адаптер, сделанный в виде головки, которая устанавливается в быстрозажимной патрон шуруповерта с помощью шестигранного хвостовика. За пару секунд обычный шуруповерт превращается в высоконадежное заклепочное оборудование.
Насадка заклепочник совместима с любыми существующими типами шуруповертов:
- работающими от аккумуляторных батарей;
- функционирующими от электрической сети;
- пневматическими.
Обязательными условиями для использования шуруповертами заклепочных насадок являются: наличие функции вращения в обратную сторону (реверса) и быстрозажимного патрона и регулировки силы закручивания.
Она дает возможность устанавливать вытяжные заклепки из разных материалов (с диаметрами стержня 3.0—6.4 миллиметра) и резьбовые заклепки-гайки (размером М3—М8).
Насадки отлично подходят для выполнения работ средних объемов. Существуют варианты, которые работают лишь с заклёпками небольшого размера, сделанными из алюминия (такие модели в основном используются для домашних работ или в небольших частных мастерских), другие рассчитаны на работу с большими стальными заклёпками (с такими моделями работают на промышленных предприятиях или в производственных цехах — на более профессиональном уровне).
Преимущества применения насадок на шуруповерт
Процесс установки любого вида заклепок с помощью заклепочных насадок так же прост и удобен, как и при использовании дорогостоящего профессионального заклепочного инструмента, с той только разницей, что функции привода в данной ситуации выполняет обычный шуруповерт. Если вы решитесь купить насадку на шуруповерт для вытяжных заклепок вместо простого ручного заклепочника, то получите множество дополнительных преимуществ:
— при работе с насадкой практически не будет чувствоваться отдача, которая всегда присутствует во время отрывания заклепочного стержня при работе с ручным инструментом.
Это поможет избежать довольно часто возникающего профессионального заболевания — воспаления суставов пальцев рук;
— вам не нужно будет прилагать никаких дополнительных усилий, так как вся работа выполняется только за счет шуруповерта;
— производительность труда при использовании насадки возрастает во много раз: две заклепки устанавливаются всего за три секунды;
— компактные размеры позволяют свободно размещать насадку в кейсе с шуруповертом, что очень удобно, так как не требует носить за собой отдельный ящик с заклепочным инструментом;
— стоимость насадки ненамного дороже ручного заклепочника среднего уровня, но дешевле в несколько раз аккумуляторного заклепочного инструмента. Поэтому очень выгодно использовать ее с аккумуляторным шуруповертом, если для выполнения производственных задач вам необходимо не иметь привязки к электросети: например работать на уличных объектах, выполнять кровельные работы или трудиться в строительной люльке на большой высоте.
Когда выгодно купить насадку на шуруповерт
Совершенно нецелесообразно покупать дорогой заклепочник, если производственные нужды не требуют установки большого количества заклепок каждый день.
Гораздо выгоднее в этой ситуации купить насадку на шуруповерт для вытяжных заклепок. Она может использоваться с различными видами шуруповертов, поэтому ее приобретение в дополнение к уже имеющемуся в хозяйстве инструменту обойдется значительно дешевле, чем покупка заклепочного приспособления. В случае, когда возникает необходимость установить резьбовые заклепки, самым экономичным является решение купить насадку на шуруповерт для резьбовых заклепок.
Внимание! Для работы с насадками-заклепочниками можно использовать такие модели шуруповертов, у которых минимальный вращательный момент составляет 100 Hm, а скорость — не меньше 800 оборотов в минуту. В комплекте с насадкой обычно идет комплект сменных элементов: ключи с фиксирующими гайками и установочные винты.
На сайте нашего магазина предлагается большой выбор насадок на шуруповерт. Они помогут вам выполнять любые работы по установке заклепок и позволят существенно сэкономить финансовые средства. В комплекте с насадками мы предлагаем наконечники разного диаметра.
Вернуться к списку публикаций
особенности, инструменты, установка без заклепочника
В прошлом к наиболее распространенным крепежным элементам относились заклепки (особенно в середине XX в.). К настоящему времени они значительно вытеснены, но все же сохранили актуальность в некоторых случаях. Далее рассмотрен один из типов крепежных элементов – резьбовые заклепки: их общие особенности, классификация, сферы и технология применения.
Для чего используется
Резьбовая заклепка похожа на вытяжную только некоторыми нюансами фиксации. В остальном же ее предназначение несколько иное. В некоторых случаях требуется осуществить монтаж какого-либо изделия на металл. Но его толщины недостаточно, чтобы нарезать резьбу или нет возможности подлезть с обратной стороны для того, чтобы подставить гайку. В этом случае на выручку приходят резьбовые заклепки. Конструктивно они представляют собой небольшой полый цилиндр, в котором уже есть резьба.
Устанавливается заклепка таким образом, что надежно фиксируется на металлической или другой заготовке и предоставляет возможность монтажа болта для фиксации какого-либо модуля.
Сфера применения
Во время строительных или ремонтных работ заклепочник может стать незаменимым помощником. Этот инструмент используют для соединения двух или нескольких деталей только тогда, когда применение других подручных приспособлений невозможно.
Заклепочник для резьбовых заклепок скрепляет детали наиболее точно, надежно и эстетически привлекательно. Чаще всего резьбовые заклепки применяют в строительстве, когда есть необходимость проделать резьбу в тонких панелях или металлических листах.
Разновидности
Разница между заклепками такого типа кроется не только в их диаметре, но и в других параметрах, одним из которых является металл изготовления. В качестве основы может быть использованы:
- сталь;
- алюминий;
- медь;
- нержавейка.
Каждый из этих металлов имеет свои преимущества в сравнении с другими.
Обычные стальные заклепки чаще всего покрываются цинком, чтобы предотвратить появление ржавчины в процессе эксплуатации. В этом отношении выигрывают изделия из нержавеющей стали, но их стоимость несколько выше. Также они обладают большей прочностью. Медь и алюминий применяются в случаях, когда требуется взаимодействие с подобным металлом, а заклепка не будет удерживать слишком тяжелый модуль. Каждый элемент имеет головку, которая гарантирует фиксацию с лицевой стороны. Она может быть плоской или потайной. Во втором варианте потребуется расширение внешнего диаметра отверстия, чтобы скрыть бортики. Используются потайные заклепки чаще всего в случае одностороннего монтажа. Последний осуществляется в ситуации, когда толщина металла заготовки больше заклепки и у последней нет возможности полноценно сжать его. В этом варианте фиксация происходит за счет расширения тела элемента внутри отверстия.
Навешиваемые модули имеют различный шаг и диаметр резьбы, поэтому требуются изделия, которые бы соответствовали им.
Именно поэтому компании, занимающиеся выпуском таких фиксаторов чаще всего готовы предоставить своим клиентам заклепки, которые имеют диаметр от М4 до М8. Это касается гаечных конструкций, когда нет доступа к обратной стороне металла. Существует и винтовой вид разборного типа, который выпускается с размерами от М3 до М16. Профиль в срезе у изделия также может быть разным. Чаще всего используется круглый, но может быть и шестигранный. Во втором случае изготовления отверстия под такую единицу требует определенных усилий, но провернуть ее намного сложнее, а в некоторых случаях и невозможно, если сравнивать с круглым вариантом.
Резьбовые заклепки могут быть специализированными, поэтому в зависимости от области применения они могут отличаться сниженным сопротивлением для электрического тока. Другие элементы имеют повышенную прочность, т. к. предназначены для работы при больших нагрузках. В зависимости от формы фиксаторы способны обеспечить герметичное соединение. На головки некоторых элементов нанесены специальные пометки, которые позволяют идентифицировать их среди других изделий.
В автомобилях часто используются заклепки с виброизоляцией. Особенно если речь идет о монтаже на корпусные детали.
Как заклепать заклёпку без заклёпочника
Весь существующая галантерейная фурнитура отличаются способом крепления, материалом изготовления, внешним видом, а также своим назначением: декоративным и (или) функциональным. Виды заклёпок
Фурнитура, крепящаяся к одежде, к обуви способом клепания, многообразна по своей форме и по конструкции.
Хольнинены – эта разновидность крепежа наиболее распространена в изготовлении джинсовой одежды.
Заклёпки, используются как крепеж, а также для декора одежды и её аксессуаров. Нередко заклёпки совмещают две эти функции.
Кнопка-застёжка для одежды или турникетная кнопка.. Этот вид застёжек разнообразен, используется в производстве практически любых вещей — рубашек, курток, сумок, кошельков, обуви и т.д. Кнопки «Альфа», как их еще называют, бывают различных форм: Cap, Socket, Stud, Post.
Блочки – специальный вид фурнитуры, предназначенный для сохранения ткани изделия в местах соединения с помощью шнуровок.
Неизменная фурнитура обуви, ремней, рюкзаков и т.п. вещей. Могут выполнять простую крепёжную функцию. Иногда используют как элемент дизайна.
Люверсы – несут те же функции, что и «блочки». Отличаются от последних дополнительным конструктивным элементом.
Процесс монтажа
Алгоритм монтажа элемента с резьбой сложно назвать неподъемным, но важно знать определенные нюансы. Если есть возможность, то лучше использовать заводской заклепочник. При желании его можно собрать самостоятельно, один вариант будет рассмотрен ниже. Первым делом определяется тип металла, на который будет осуществляться монтаж заклепки. Далее необходимо знать, какой диаметр у болта или у модуля, который будет фиксироваться благодаря этой заклепке. Согласно указанному диаметру подбирается соответствующая заклепка. Измеряется ее внешний диаметр и подбирается сверло, которое будет на одну десятую долю по диаметру превышать заклепку. Это необходимо для того, чтобы последняя без особых усилий и препятствий поместилась на своем месте.
Электрической или аккумуляторной дрелью. Осуществляется сверление металла в требуемом месте. После этого вставляется крепежный элемента на посадочное место. Если его необходимо разместить в определенном положении, тогда его лучше придерживать руками. Для шестигранных отверстий можно использовать специальные пробойники, если речь идет о тонком металле. Если толщина металла больше длины крепежного элемента, тогда отверстие необходимо сверлить немного больше в глубину, чем крепежный элемент, но делать сквозную проходку нет необходимости. После этого подбирается сердечник заклепочника, который по резьбе подходит к устанавливаемому элементу. Производится сведение рукояток или вращение болта, чтобы часть заклепки деформировалась и зафиксировалась в отверстии.
Слишком больших усилий прикладывать не стоит, т. к. можно сорвать резьбу, которая впоследствии будет использована для фиксации требуемой детали. Необходимо убедиться, что заклепка установлена в требуемом положении. После этого можно осуществить фиксацию требуемого изделия посредством винта или болта.
Введение
Нужно отметить, что данный механизм очень прост в использовании, да и стоит обычная модель недорого. С помощью него можно скрепить любые типы металла, и принцип работы при этом остается тот же.
Конечно, сделать заклепку можно и молотком, но при большом объеме работы здесь потребуется гораздо больше времени и сил. Заклепочники ручные позволяют сделать рабочий процесс быстрее, а усилия на все проводимые операции — минимальными.
На сегодняшний день существуют различные типы ручных заклепочников, каждый работает по своему принципу, имеет свои плюсы и минусы. Какой тип заклепочника лучше, каждый мастер определяет сам, но при этом нужно учитывать несколько моментов, которые мы рассмотрим ниже.
Заклепочник своими руками
Если установка резьбовых элементов требуется по долгу службы или работы, тогда есть смысл приобрести заводское изделие, которое работает от усилия рук или на основе пневматического механизма. В большинстве ситуаций установка таких заклепок требуется довольно редко, поэтому можно собрать заклепочник своими руками.
На основе болта
Для сборки всей конструкции потребуется болт по образцу того, что показан на фото выше. Его можно взять из коленчатого вала автомобильного двигателя. Диаметр болта должен быть таким, чтобы внутри него можно было просверлить отверстие, через которое будет вставлен другой болт с размером резьбы, который будет соответствовать той, что используется в заклепке. Длина второго болта должна быть минимум 100 мм. Длина его резьбы должна быть как можно большей, при необходимости ее дополнительно можно дорезать леркой.
Дополнительно потребуется гайка, которая будет свободно накручиваться на резьбу болта с большим диаметром, а также разборной подшипник. Внутренний диаметр подшипника должен быть таким, чтобы в него свободно мог проходить болт большой длины, который будет использоваться для зажима. Конструкция собирается довольно просто. Для этого необходимо длинный болт вставить внутрь большего по диаметру. На большой болт накручивается гайка, а на резьбу длинного болта надевается разборной подшипник.
На длинный болт накручивается заклепка, которая должна быть установлена в отверстие. Для работы потребуется два ключа. Один из них будет удерживать гайку, а второй должен вращать болт. Упростить задачу можно тем, чтобы приварить к гайке рукоятку. Болт вращается до тех пор, пока упор не станет значительным. Слишком усердствовать не стоит. Как только результат будет достигнут, необходимо выкрутить длинный болт. Подшипник в этом случае является стабилизатором, который предотвращает закусывание болта внутри конструкции. Видео об этом заклепочнике есть ниже.
Обратите внимание! Недостатком такой конструкции является необходимость наличия нескольких болтов для заклепок с различной резьбой.
Основные этапы работ
Основной механизм, снятый со старого заклепочного пистолета, мастер помещает внутрь отрезка трубки с внутренней резьбой. С одной из сторон в нее вкручивается еще один кусок трубки. И затем се это вставляется в корпус из стальной водопроводной трубы с нарезанной резьбой по краям.
В корпусе полуавтоматического заклепочника при помощи болгарки мастер делает небольшую прорезь. Потом из отрезка металлического квадратного прутка изготавливается рукоятка.
В ней предусмотрены три отверстия с резьбой для хранения сменных головок под вытяжные заклепки. Затем можно приступать к сборке приспособления.
Подробно о том, как сделать своими руками полуавтоматический заклепочник для вытяжных заклепок, смотрите в видеоролике на сайте.
Другие виды заклепок
Кроме резьбовых заклепок, есть вытяжные и стандартные виды заклепок. Раньше больше использовался стандартный вариант заклепки. Он представляет собой цилиндр, у которого одна из частей имеет расширение. Последнее выполнено полукруглой формы или с потаем. Установка такой заклепки требует больших усилий, чем в случае с другими видами. Такие фиксаторы практически вышли из употребления. Первым делом для монтажа необходимо зафиксировать две детали в том положении, в котором будет осуществляться их фиксация.
Для этих целей используются струбцины. После этого делается разметка места, где будет осуществляться сверление. Диаметр отверстия должен быть на 10% больше, чем диаметр самой заклепки.
После этого в подготовленное отверстие вставляется заклепка, ее необходимо разместить с обратной стороны, чтобы часть без головки была направлена вверх. После этого детали необходимо расположить таким образом, чтобы был хороший упор для головки заклепки. После этого производится расклепывание прямого участка, как показано на фото. Для этого можно использовать молоток или специальный электрический инструмент. Выступающей части заклепки необходимо придать такую же форму, как и у ее головки. Расклепывание необходимо вести таким образом, чтобы тело заклепки полностью заполнило отверстие в деталях. Если этого не произойдет, тогда под перерезающим усилием заклепка выйдет из строя, а узел будет разрушен. Длина заклепки не должна быть слишком большой и слишком маленькой. В некоторых случаях для большей пластичности обычную заклепку можно разогреть газовой горелкой.![]()
Вид вытяжного крепежа показан на иллюстрации выше. Установка такого элемента осуществляется в несколько раз проще, т. к. весь процесс автоматизирован. Каждый крепеж имеет стальной или другой стержень, который и выполняет поставленную задачу. Стержень соединен с небольшим шариком, который находится на конце элемента. Подбор диаметра и сверление отверстия осуществляется, как и в приведенном выше варианте. После этого фиксатор устанавливается на свое место. Заклепочник устанавливается таким образом, чтобы сердечник был зафиксирован в его патроне. По мере сдавливания рукояток стержень подтягивает шарик, который расплющивает обратную сторону крепежа и, таким образом, осуществляется фиксация двух деталей. Стержень обрезается в автоматическом режиме, как только усилие достигает предельного значения.
Особенности инструмента
Заклепочник для резьбовых заклепок, помимо крепления различных строительных и автомобильных элементов, делает возможным использование болтовых крепежей.
Такой способ крепления можно применять даже для отполированных и окрашенных деталей. Стоит заметить, что как механический, так и ручной заклепочник для резьбовых заклепок позволяет сделать место соединения деталей эстетически красивым и привлекательным.
Условие, определяющее надежность крепления – диаметр заклепки. Чем шире диаметр используемой заклепки, тем устойчивее и качественней будет выполнено соединение. Однако есть один неприятный нюанс: с большими крепежами намного сложнее работать, и для их монтажа может понадобиться мощный профессиональный инструмент.
На сегодняшний день на рынке строительного инструмента представлен широкий ассортимент заклепочников для резьбовых заклепок. Главное отличие между ними заключается в способе воздействия устройства на заклепку. Исходя из этого, выделяют следующие виды приспособлений:
- Ручной заклепочник функционирует как рычаг. То есть усилие, которое прилагает человек, направляется на соединительный элемент. Поскольку принцип действия данного устройства достаточно прост, то можно самостоятельно собрать заклепочник для резьбовых заклепок.
Двуручный инструмент можно использовать для заклепок диаметром до 6,4 мм, одноручный – 5 мм. - Пневматический. Он может качественно и быстро клепать благодаря силе сжатого воздуха. Главным его недостатком является необходимость использования дополнительного оборудования в виде компрессора, поэтому чаще всего он используется в промышленности. Современные модели заклепочников такого типа компактны, надежны и просты в применении, что позволяет использовать их в проведении строительных и ремонтных работ любого масштаба.
- Пневмогидравлические. Принцип работы таких устройств основан на превращении рабочего хода поршня в поступательное движение штока с резьбой с помощью гидравлической системы.
- Аккумуляторные заклепочники – самые популярные модели данного инструмента среди потребителя. Они работают от внутреннего аккумулятора или же от источника электропитания, который позволяет непрерывно использовать данное устройство в течение длительного времени.
Еще один способ работы с заклепками – приобретение специальной насадки на шуруповёрт.
Современные производители строительного оборудования выпускают различные виды насадок, которые с легкостью могут заменить как обычный инструмент, так и заклепочник для резьбовых вытяжных заклепок.
Резюме
Как видно, каждый вид заклепок выполняет свою роль и является необходимым. Если обычные могут быть заменены вытяжными, то резьбовые являются уникальными в своем классе и дают возможность установить дополнительное оборудование там, где сложно использовать какой-либо другой метод фиксации. Диаметр фиксатора подбирается в зависимости от потребностей. Заводские заклепочники для резьбовых элементов чаще всего поставляются в пластиковом кейсе для большего удобства хранения. Если есть потребность в установке компонентов больших диаметров, тогда лучше подойдет модель с двумя рукоятками.
Рекомендуемые записи
Чудо-лобзик для поделок
Лучшие мотоблоки российского производства
Как можно резать керамическую плитку
Как сделать ручную сеялку для чеснока
Какие шланги для полива лучше
Как выбрать клеевой стержень для пистолета
Общее описание
Современные заклепочники появились сравнительно недавно, до этого они были громоздкими и неудобными для домашнего использования.
Но постоянная работа инженеров над этой проблемой дала свои результаты: заклепочники ручные стали компактными, а главное, надежно соединяют детали между собой с минимальными физическими усилиями. Само устройство стало довольно простым и удобным в работе.
С помощью него обеспечивается подход к обеим сторонам для более надежного соединения. При этом посторонняя помощь не требуется. Главное, что нужно в работе с ручными заклепочниками, — заранее просверленные отверстия для заклепок в соединяемых деталях.
Справиться с такой работой сможет практически каждый. При этом цена на заклепочники ручные невысокая.
На что ориентироваться
Материал клепок
Если это алюминий, то с ним работать легко, поэтому неважно, какой «клепочник» выбрать. Сложнее со сталью, поэтому и приспособление следует подбирать мощнее.
Удобство применения
Во-первых , инструмент бывает одно- или двуручным. Естественно, последним можно создать большее давление, поэтому он позволяет работать с элементами крепежа из любого материала, разного размера.
Хотя в некоторых случаях (например, ограниченность пространства) воспользоваться получится только одноручным.
Во-вторых , конструкция головки. Если она поворотная, то это создает дополнительное удобство. Иногда приходится клепать на сложных участках (в «неудобных» местах), и такая особенность инструмента очень выручает.
В-третьих , есть ли сменные насадки для крепежа различных размеров? Это можно и не комментировать.
Соединение профлистов
В принципе, профлисты можно использовать где угодно. Строгие ограничения как таковые отсутствуют. Главное условие — правильный выбор типа изделия и соответствующих размеров. Необходимо учесть еще один нюанс: на подобные крепежные элементы обязательно стоит обратить внимание, если планируется проведение креплений конструкций, после завершения работы с которыми доступ к их обратной стороне окажется полностью закрытым либо сильно затрудненным.
К примеру, при работе с силовым (сигнальным) шкафом будет нелегко провести демонтаж панели, если гайки, накрученные на винты, будут проворачиваться.
Внутренняя резьба предоставляет возможность соединять тонкие листы металла и стали, ведь использование обыкновенных метизов не даст необходимого результата. Долговечность полностью зависит от параметров внешних сечений. Чем больше размер крепежа, тем выше надежность и прочность. Чтобы соединить детали, толщина которых превышает 4 мм, желательно пользоваться заклепками, имеющими резьбу М10, 1−3 мм — М6, М8, до 1 мм — М3.
Часто задаваемые вопросы по заклепочной технике
ГК «Центр Крепежных Изделий» специализируется на продаже заклепочной техники и по роду своей деятельности наши специалисты получают отзывы о качестве заклепочников и заклепок.
Часто клиенты утверждают что заклепки устанавливаются не должным образом или плохо работает заклепочник. Но, обычно, после беседы с клиентом на производственном участке проблемы выявляются в нарушении технологии установки заклепки, настройке заклепочника и в отсутствии текущего обслуживания.
Ниже рассмотрены основные вопросы и правила, соблюдение которых, гарантирует качественную установку заклепок и долгий срок работы заклепочника:
-
Соблюдение технологии выбора и установки заклепки -
Установка заклепки за две итерации -
Регламентное обслуживание -
Пневмоподготовка воздуха
1. Соблюдение технологии выбора и установки заклепки
- Определите толщину соединяемых материалов
Длина заклепки рассчитывается как сумма диаметра заклепки и толщины скрепляемых материалов.
Например: толщина скрепляемых материалов 4,0 мм, диаметр заклепки 4,0 мм. Длина заклепки = 4,0 + 4,0 = 8 мм.
- Просверлите отверстие под заклепку
Диаметр отверстия указан в таблице производителя заклепок.
Так же можно пользоваться правилом — Диаметр отверстия = диаметр заклепки + 0,1 мм.
Например: диаметр заклепки 4.0 мм, Диаметр отверстия = 4.0 + 0.1 = 4.1 мм.
Листовую сталь небольшой толщины удобно сверлить двусторонними сверлами, они имеют короткую рабочую часть.
- Установите на заклепочник соответствующую оснастку
Установите соответствующую насадку для вытяжных заклепок, шпильку и мундштук для гаечного заклепочника. Если установлена не соответствующая насадка, это может привести к заклиниванию ножки заклепки и последующему ремонту заклепочника.
- Установка заклепки в материал
Установите заклепку в заклепочник, затем вставьте заклепку в отверстие под углом 90 градусов, произведите клепание.
Важно!
Инструмент в процессе клепания должен быть строго под углом 90 градусов к материалу, заклепка должна быть полностью вставлена в отверстие. Если не соблюдать это правило, заклепка будет установлена не ровно и соединение материалов будет не плотным, из-за чего может произойти заклинивание ножки в заклепочнике.
При установке заклепки гайки не перпендикулярно материалу происходит заклинивание резьбовой шпильки в заклепке или поломка шпильки.
2. Установка заклепки за две итерации
Если длина заклепки выбрана верно — установка заклепки произойдет за одну итерацию, то есть потребуется свести рукоятки ручного заклепочника один раз или нажать на спусковой крючок пневмогидравлического заклепочника один раз.
Ниже приведены основные причины, по которым заклепка не устанавливается за одну итерацию:
- Губки, толкатель, пружина для заклепок изношены или загрязнены
Необходимо очистить губки, толкатель, пружину или их заменить.
- Низкое давление воздуха в пневмолинии
Необходимо отрегулировать давление в пневмолинии.
- Подача недостаточного объем воздуха
Выбран несоответствующий диаметр шланга подключения заклепочника. При подключении шланга диаметром меньше рекомендованного, подается количество сжатого воздуха меньше, чем необходимо заклепочнику, что приводит к его неправильной работе.
- Потеря гидравлического масла
Пневмогидравлический заклепочник работает от сжатого воздуха, который подается в цилиндр заклепочника и приводит в действие гидравлический шток и поршень. Гидравлический поршень и шток приводят в действие механизм захвата заклепки и ее установки. Любая потеря масла приводит к снижению хода поршня и установки заклепки за несколько итераций.
3. Регламентное обслуживание
Для долгой и безупречной работы заклепочников необходимо своевременно производить обслуживание инструмента:
- Чистка губок, толкателя, пружины
Необходимо ежедневно в конце рабочего дня или каждые 25 часов работы протирать от металлической стружки патрон для губок, губки, толкатель губок и пружину толкателя. Это увеличит срок их службы. При очистке элементов обратите внимание на их износ, при необходимости замените соответствующий элемент.
- Чистка фильтра системы автоподсоса заклепки
Для пневмогидравлических моделей заклепочников необходимо в течении дня своевременно освобождать контейнер с оторванными ножками заклепок.
Раз в неделю необходимо очищать фильтр контейнера от стружки при помощи пневматического продувочного пистолета.
- Чистка резьбовой шпильки заклепочника
Необходимо очищать от стружки и смазывать шпильку через каждые 50 установок. Это увеличит срок службы шпильки и мундштука и облегчит установку заклепки.
- Смазка вращающихся частей гаечного заклепочника
Необходимо смазывать вращающиеся части примерно каждые 1000 установок заклепок. Недостаток смазки способствует усилению трения, снижению скорости
вращения шпильки и снижению крутящего момента
- Замена гидравлического масла
Замена гидравлического масла производится не реже одного раза в год. Данная сервисная функция должна производиться только в авторизованном сервисном центре.
4.
Пневмоподготовка воздуха
- Схема подсоединения пневматического инструмента
Для работы пневмогидравлических заклепочников необходим чистый, сухой воздух с давлением от 5.0 – 6.9 атмосфер. Для гаечного пневмогидравлического заклепочника так же необходима лубрикация подаваемого воздуха небольшим количеством соответствующего масла. Точные данные по давлению воздуха и типу и количеству гидравлического масла приведены в инструкции к заклепочнику.
Чистый, сухой воздух – необходима установка фильтра.
Фильтр убирает мелкие абразивные частицы из воздуха, под воздействием которых изнашиваются резиновые уплотнители и зеркальные поверхности цилиндра. Это приводит к течи масла и выходу заклепочника из строя.
Фильтр убирает влагу из сжатого воздуха, которая приводит к коррозии механизма и порче гидравлического масла.
Ограничение давление – необходима установка редуктора или фильтра с редуктором.
Превышение рабочего давления приводит к выдавливанию резиновых уплотнительных колец, течи масла и поломке заклепочника.
Смазка воздуха – необходима установка лубрикатора или блока фильтр + редкутор + лубрикатор. Смазка воздуха требуется только заклёпочнику для заклепок гаек.
Воздух с маслом из лубрикатора может подаваться на расстояние не более 5 метров, поэтому длина шланга должна быть не более 5 метров от точки подключения лубрикатора.
Пользуйтесь заклепочниками POP c удовольствием и помните: качественный результат можно достигнуть только качественным инструментом!
Понравился материал?
comments powered by HyperComments
Установка заклепки: как работает заклепочник
Применение заклепок – это очень распространенный способ соединения различных деталей.
Такой способ имеет длительную историю. Но сейчас, когда многие процессы механизируются, многим хочется узнать, как работает заклепочник.
Заклепочник – это инструмент, который предназначен для заклепочных работ.
Этот достаточно простой аппарат позволяет облегчить процесс установки заклепок. Если раньше все приходилось делать простым расклепыванием металла, то он обеспечивает качественное соединение без приложения больших усилий.
Особенности процесса
Процесс установки заклепок при помощи заклепочника.
Процесс заклепывания представляет собой соединение заготовок при помощи дополнительного элемента (заклепки), который закрепляет их за счет приплюснутых головок. Для реализации этого принципа в заготовках делается сквозное отверстие, куда с усилием вводится металлический цилиндрический прутик так, чтобы концы вышли с обеих сторон соединяемых заготовок наружу. Эти концы расплющиваются (образуя шляпки), плотно прижимаясь к поверхности заготовки. В результате того, что дополнительный металл заполняет объем отверстия, а его шляпки, имея размер больше диаметра отверстия, плотно охватывают участок поверхности заготовок вокруг отверстия, с обеих сторон обеспечивается неразъемное соединение.
С помощью клепок можно соединить две детали или более, а также просто заглушить при необходимости отверстие в детали. Соединение получается достаточно прочным. Даже в случае, когда прикладываются усилия выше допустимых значений, разрыв заклепки происходит постепенно после определенной вытяжки металла за счет пластической деформации. Прочность соединения зависит от размеров заготовки и материала, из которого она сделана, а также размеров шляпки и отверстия. Важное значение имеет соответствие диаметров отверстия и заклепки, так как она должна обязательно заполнить весь объем заготовки.
Вернуться к оглавлению
Разновидности заклепок
Виды заклепок.
В общем случае заклепка представляет собой металлический цилиндр разной длины и диаметра. Выделяется 2 основных вида – монолитные (цельные) и трубчатые (пистоны) клепки. Цельнометаллические имеют вид отрезка проволоки или прутика. Пистоны имеют форму трубки, т.е. внутри у них есть канал, не заполненный металлом.
До недавнего времени цельные клепки считались классическими и являлись единственным видом клепок. Сейчас в основном используются пистоны, так как позволяют механизировать процесс. Классические применяются только при ручном способе расплющивания шляпок.
В свою очередь, пистоны подразделяются на следующие типы: вытяжные и гаечные клепки. Вытяжные имеют форму трубки, с одной стороны которой выполнена расширенная головка. Во внутренний канал цилиндра такого устройства вводится стержень (пуансон) с расширенной головкой на одном конце. Пуансон вставляется со стороны, противоположной головке, и после пропускания через отверстие образует вторую головку.
Схема устройства заклепки.
На внутреннем канале гаечной заклепки выполняется резьба приблизительно на половине длины клепки, предназначенная для последующего завертывания в нее винта (болта). На конце клепки без резьбы изготавливается расширенная головка. Участок клепки, где отсутствует резьба, является деформационной зоной.
Для установки гаечных заклепок применяется специальный тип заклепочника. Экземпляры с резьбой помимо цилиндрической формы могут быть выполнены в виде шестигранника.
Заклепки различаются по материалу, из которого они сделаны. Наибольшее распространение находят экземпляры из алюминия или его сплавов из-за его мягкости и пластичности. Для соединений с повышенной прочностью применяются стальные заклепки. Установка таких заклепок требует значительных усилий для расплющивания головок. В отдельных случаях находят применение заклепки из медных сплавов – латуни, бронзы.
Вернуться к оглавлению
Особенности работы заклепочника
Основное условие заклепывания заключается в том, что при формировании головок усилие должно быть приложено с обеих сторон клепки. Заклепочник может быть подведен к деталям только с одной стороны, поэтому нагрузка на заклепку с другой стороны обеспечивается конструкцией самой клепки.
Устройство механического заклепочника.
Заклепочники выпускаются нескольких типов.
Они различаются по виду привода рабочего элемента – механические, пневматические, пневмогидравлические заклепочники. По типу используемых клепок заклепочники подразделяются на устройства для вытяжных заклепок и для гаечных. Кроме того, выпускаются универсальные устройства и приспособления для шестигранных заклепок. Наконец, заклепочники могут быть любительскими и профессиональными.
В бытовых условиях обычно используются механические любительские заклепочники. Конструктивно они могут подразделяться на устройства с одной ручкой, с двумя раздвигающимися ручками и типа «гармошка».
Конструкция заклепочника основана на рычажном механизме со значительным соотношением длины плеч рычагов. Механический привод приводит в движение цангу, которая тянет расклепывающий элемент до формирования головки заклепки.
Работает заклепочник с вытяжными элементами по типу протягивания дополнительной заклепочной проволоки по внутреннему каналу основного элемента. В этом случае усилие прикладывается с одной стороны, но перераспределяется на обе стороны деталей.
Это достигается установкой элементов (корпус и пуансон) с разных сторон соединяемых металлов. Пуансон подвергается вытяжке, а в это же время прикладывается значительная нагрузка на головку корпуса в противоположном направлении, что вызывает сплющивание корпуса внутри отверстия и за счет этого зажатие пуансона.
Гаечная заклепка устанавливается с использованием специальной винтовой головки. Во время приложения усилия за счет заклепочника с обеих сторон деталей образуются складки, закрепляющие заклепку в отверстии. Аппарат имеет набор головок для заклепок разного диаметра (3-10 мм).
Вернуться к оглавлению
Установка вытяжной конструкции
Схема расчета параметров отверстия под заклепку.
Для соединения деталей методом заклепывания необходимо прежде всего просверлить сквозное отверстие через соединяемые заготовки (2 или более). На краях отверстия снимается фаска. Диаметр отверстия определяется необходимой прочностью соединения и задает выбор размера заклепки.
С более удобной стороны вставляется корпус заклепки так, чтобы головка уперлась в поверхность детали. Корпус должен выйти с другой стороны отверстия на 5-10 мм. С обратной стороны вдевается пуансон и пропускается по внутреннему каналу корпуса, пока его головка не упрется в торец корпуса. Вылет пуансона со стороны головки корпуса должен позволить зажать его в заклепочник. Нажатием ручек аппарата производится вытяжка пуансона до полного разрыва его стержня.
Если одно полное нажатие ручки не привело к разрыву стержня, то ручка отводится и повторно нажимается, так делается до полного разрыва стержня.
Заклепка зажимается в отверстии.
Вернуться к оглавлению
Установка гаечной конструкции
Процесс установки гаечной заклепки.
Подготовка деталей производится аналогично рассмотренному случаю – делается отверстие с фаской. Для соединения металлов гаечной заклепкой применяется заклепочник, снабженный специальной насадкой и винтовым элементом.
Гаечная клепка вставляется в отверстие так, чтобы с одной стороны она уперлась в заготовку своей головкой, а с другой вышла наружу на 8-10 мм. Со стороны резьбовой части заклепки в нее вкручивается винтовой элемент аппарата с вылетом на противоположной стороне для закрепления в насадке заклепочника. Насадка упирается в головку клепки. Ручками-рычагами создается усилие для вытягивания винтового элемента. За счет этого усилия деформационная зона сплющивается, а на поверхности детали вылет заклепки расплющивается. Таким образом обеспечивается соединение деталей.
В процессе заклепывания деталей потребуется дополнительно следующий инструмент:
- электродрель;
- нож;
- ножницы;
- плоскогубцы;
- отвертка;
- гаечные ключи;
- напильник;
- штангенциркуль.
В ряде случаев установка заклепок является единственным способом соединения деталей. Механизацию процесса заклепывания легко осуществить, если узнать, как работает заклепочник.
Принцип его действия очень прост и доступен любому человеку.
Заклепочник для резьбовых заклепок
Как выбрать?
При выборе инструмента для установки заклепок с внутренней резьбой очень важно убедиться в том, что он будет соответствовать желаемым параметрам. Важное значение имеет диаметр гаек, с которыми ведется работа
Если ручные виды клепальников еще справляются с крепежом размера М5-М6, то для вариантов М8, М10, М12 потребуется уже профессиональный аккумуляторный вариант или двуручная модель трещоточного типа. Нужно отметить также ряд важных критериев выбора.
Тип материала заклепок
Важно понимать, что большинство недорогих клепальников рассчитаны на работу с мягким алюминиевым крепежом. Для установки стальных гаек они не подходят, инструмент может заклинить
Если планируется работать с титановыми или нержавеющими заклепками, лучше выбирать аккумуляторные или ручные трещоточные модели инструмента.
Прилагаемое усилие. Для домашнего использования будет достаточно двуручного заклепочника любого типа — со смыкающимися рукоятками или трещоточного.
Если работать предстоит на открытом воздухе или в условиях дачи, лучше приобрести аккумуляторную модель. Она справится и с заклепками большого диаметра, и с миниатюрными вариантами.
Тип головки. Наиболее универсален поворотный элемент, легко устанавливающийся в любом желаемом положении — сбоку или прямо. Это обеспечивает более удобный доступ к сложным участкам для работы. Важно, чтобы он надежно заклинивался в выбранной позиции. Если предстоит выполнять самые простые операции, можно взять простой клепальник с боковой головкой.
Комплектация. Дополнительный комплект сменных головок, специальные монтажные ключи, смазка для инструмента. Все это должно присутствовать в базовой комплектации качественного товара. Кроме того, у аккумуляторной модели должны быть сменные щетки для двигателей соответствующего типа, кейс для хранения, зарядное устройство, иногда – сменная АКБ.
Целесообразность покупки. Если инструмент не планируется использовать регулярно, целесообразнее будет приобрести насадку на шуруповерт для установки заклепок.
При частом применении резьбовых соединений стоит подобрать модель, оптимально соответствующую имеющемуся бюджету.
Все эти факторы напрямую влияют на выбор подходящего заклепочника для работы с резьбовыми гайками. Стоит учесть, что разница в стоимости между ручным и аккумуляторным инструментом довольно велика. Нужно обязательно заранее оценить объемы работ. Пневматический и гидропневматический варианты стоит рассматривать только для покупки в промышленных целях.
Гальваническая коррозия на заклепках
Когда разнородные металлы находятся в контакте в присутствии какого-либо электролита, то они подвергаются гальванической коррозии, причем один металл корродирует быстрее, а другой — медленнее.
Скорость коррозии зависит от:
- разности химических потенциалов металлов;
- степени электропроводимости электролита и
- относительных размеров площадей контактирующих металлов.
Вытяжные заклепки могут применяться с такими разнородными материалами, как алюминий, нержавеющая сталь, низкоуглеродистая сталь, оцинкованная сталь и медь.
При применении заклепок во влажной, химически загрязненной и морской атмосфере должны быть предприняты меры по минимизации гальванической коррозии:
- избегать образования соединения из разнородных металлов путем правильного выбора материала корпуса заклепки;
- устанавливать барьер между разнородными материалами, например, в виде слоя краски, пластмассовой шайбы или резинового уплотнителя;
- предпринимать меры по устройству дренажа, чтобы позволить воде и другим электролитам выходить из конструкции.
Из какого материала должна быть заклепка
Заклепки обычно берут из того же материала, что и соединяемые детали — это позволяет избежать электрохимической коррозии
Обращают внимание и на прочностные характеристики. Но, как правило, при соединении алюминиевых деталей, прочности алюминиевых метизов достаточно
Вообще, заклепки делают из таких металлов:
Сталь:
- обычная — марок Ст2, Ст3, Ст10;
- коррозионностойкая Х18Н9Т;
- оцинкованная;
При соединении медных деталей допустима установка латуни и меди.
Алюминий соединяют алюминиевыми сплавами. Стальные листы — соответствующими марками стальных заклепок. Есть также смешанные метизы — из двух разных металлов (химически не конфликтующих). Чаще всего встречаются алюминиево-стальные.
Для установки фасадных элементов, откосов, отливов, металлочерепицы и профлиста, используются обычно вытяжные заклепки из оцинкованной окрашенной стали. Окраска — в тон с деталями.
Заклёпка вытяжная стальная
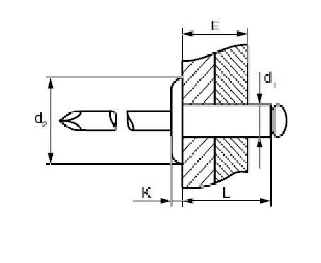
со стандартным буртиком ST/ST – сталь/ сталь. Размеры стальных вытяжных заклёпок от 3.0 х 6 до 6.4 х 45 мм. Они применяются для создания неразъемных соединений тонколистовых материалов. С помощью заклёпочника установка заклёпок возможна при доступе только с одной стороны материала.Характеристики и размеры вытяжных стальных заклёпок со стандартным буртиком ST/ST
| Размер заклёпки | d | dk | K | R max | d1 | L1 | Усилие на разрыв N | Усилие на срез N |
3. 0 | 3.0 +0.08 -0.10 | 6.5 -0.7 | 0.8 ±0.2 | 0.2 | 1.90 | 27 | 1125 | 915 |
| 3.2 | 3.2 +0.08 -0.10 | 6.5 -0.7 | 0.8 ±0.2 | 0.2 | 2.00 | 27 | 1285 | 1060 |
| 4.0 | 4.0 +0.08 -0.15 | 8.0 -1.0 | 1.0 ±0.3 | 0.3 | 2.50 | 27 | 1990 | 1550 |
| 4.8 | 4.8 +0.08 -0.15 | 9.5 -1.0 | 1.1 ±0.3 | 0.3 | 2.90 | 27 | 2920 | 2300 |
| 5.0 | 5.0 +0.08 -0.15 | 9.5 -1.0 | 1.1 ±0.3 | 0.3 | 2.90 | 27 | 3255 | 2575 |
| 6.0 | 6.0 +0.08 -0.15 | 12.0 -1.5 | 1.5 ±0.4 | 0.4 | 3.40 | 27 | 5000 | 4000 |
| 6.4 | 6.4 +0.08 -0.15 | 13 -1.5 | 1.8 ±0.4 | 0.5 | 3.85 | 27 | 5400 | 4350 |
Толщина соединяемых материалов и размер отверстия под заклёпку в мм
| Размер заклёпки | Толщина соединяемых материалов | Диаметр бортика | Диаметр отверстия |
3. 0 x 6 | 1.5 – 3.5 | 6.5 | 3.1 – 3.2 |
| 3.0 x 8 | 3.5 – 5.5 | ||
| 3.0 x 10 | 5.5 – 7.0 | ||
| 3.0 x 12 | 7.0 – 9.0 | ||
| 3.0 x 14 | 9.0 – 11.0 | ||
| 3.0 x 16 | 11.0 – 13.0 | ||
| 3.0 x 18 | 13.0 – 15.0 | ||
| 3.0 x 20 | 15.0 – 17.0 | ||
| 3.2 x 6 | 1.5 – 3.5 | 6.5 | 3.3 – 3.4 |
| 3.2 x 8 | 3.5 – 5.0 | ||
| 3.2 x 10 | 5.0 – 7.0 | ||
| 3.2 x 12 | 7.0 – 9.0 | ||
| 3.2 x 14 | 9.0 – 11.0 | ||
| 3.2 x 16 | 11.0 – 13.0 | ||
| 3.2 x 18 | 13.0 – 15.0 | ||
| 3.2 x 20 | 15.0 – 17.0 | ||
| 3.2 x 25 | 20.0 – 22.0 | ||
| 4.0 x 6 | 1.5 – 3.0 | 8.0 | 4.1 – 4.2 |
| 4.0 x 8 | 3.0 – 5.0 | ||
| 4.0 x 10 | 5.0 – 6.5 | ||
| 4.0 x 12 | 6.5 – 8. 5 | ||
| 4.0 x 14 | 8.5 – 10.5 | ||
| 4.0 x 16 | 10.5 – 12.5 | ||
| 4.0 x 18 | 12.5 – 14.5 | ||
| 4.0 x 20 | 14.5 – 16.5 | ||
| 4.0 x 22 | 16.5 – 18.0 | ||
| 4.0 x 25 | 18.0 – 21.5 | ||
| 4.0 x 26 | 18.5 – 22.5 | ||
| 4.0 x 28 | 21.5 – 24.0 | ||
| 4.0 x 30 | 21.5 – 26.0 | ||
| 4.8 x 6 | 1.0 – 3.0 | 9.5 | 4.9 – 5.0 |
| 4.8 x 8 | 3.0 – 4.5 | ||
| 4.8 x 10 | 4.5 – 6.0 | ||
| 4.8 x 12 | 6.0 – 8.0 | ||
| 4.8 x 14 | 8.0 – 10.0 | ||
| 4.8 x 16 | 10.0 – 12.0 | ||
| 4.8 x 18 | 12.0 – 14.0 | ||
| 4.8 x 20 | 14.0 – 16.0 | ||
| 4.8 x 22 | 16.0 – 18.0 | ||
| 4.8 x 23 | 16.5 – 19.0 | ||
| 4.8 x 24 | 17.0 – 20.0 | ||
| 4.8 x 25 | 18.0 – 21.0 | ||
4. 8 x 28 | 21.0 – 23.5 | ||
| 4.8 x 30 | 23.0 – 25.0 | ||
| 4.8 x 32 | 25.0 – 27.0 | ||
| 4.8 x 35 | 25.0 – 30.0 | ||
| 4.8 x 40 | 30,0 – 35.0 | ||
| 4.8 x 50 | 40,0 – 45.0 | ||
| 5.0 x 6 | 0.5 – 2.5 | 9.5 | 5.1 – 5.2 |
| 5.0 x 8 | 2.5 – 4.5 | ||
| 5.0 x 10 | 4.5 – 6.0 | ||
| 5.0 x 12 | 6.0 – 8.0 | ||
| 5.0 x 14 | 8.0 – 10.0 | ||
| 5.0 x 16 | 10.0 – 12.0 | ||
| 5.0 x 18 | 12.0 – 14.0 | ||
| 5.0 x 21 | 14.0 – 17.0 | ||
| 5.0 x 25 | 17.0 – 20.0 | ||
| 5.0 x 27 | 20.0 – 23.0 | ||
| 5.0 x 30 | 23.0 – 25.0 | ||
| 6.0 x 8 | 2.0 – 4.0 | 12.0 | 6.1 – 6.2 |
| 6.0 x 10 | 4.0 – 6.0 | ||
| 6.0 x 12 | 6.0 – 8.0 | ||
| 6.0 x 14 | 7.0 – 9.0 | ||
6. 0 x 16 | 9.0 – 11.0 | ||
| 6.0 x 18 | 11.0 – 13.0 | ||
| 6.0 x 22 | 13.0 – 17.0 | ||
| 6.0 x 26 | 17.0 – 20.0 | ||
| 6.0 x 30 | 20.0 – 24.0 | ||
| 6.4 x 8 | 2.0 – 4.0 | 13.0 | 6.5 – 6.6 |
| 6.4 x 10 | 2.0 – 5.0 | ||
| 6.4 x 12 | 4.0 – 6.0 | ||
| 6.4 x 14 | 6.0 – 8.0 | ||
| 6.4 x 16 | 8.0 – 11.0 | ||
| 6.4 x 18 | 9.0 – 13.0 | ||
| 6.4 x 20 | 11.0 – 15.0 | ||
| 6.4 x 22 | 13.0 – 16.0 | ||
| 6.4 x 25 | 15.0 – 19.0 | ||
| 6.4 x 26 | 16.0 – 20.0 | ||
| 6.4 x 28 | 17.0 – 22.0 | ||
| 6.4 x 30 | 18.0 – 24.0 | ||
| 6.4 x 32 | 22.0 – 26.0 | ||
| 6.4 x 35 | 24.0 – 30.0 | ||
| 6.4 x 40 | 30.0 – 35.0 | ||
| 6.4 x 45 | 35.0 – 40.0 |
В промышленности одной из основных операций является соединение элементов конструкций и деталей.
Одним из способов является соединение с помощью заклепок. Он используется, когда нет возможности выполнить сварку элементов конструкций, и имеет много преимуществ перед ней. Для выполнения такой технологии существует специальный инструмент для клепания заклепок.
Программное обеспечение
Использование
Для того чтобы установить заклепки, потребуется выполнить несколько этапов.
- Первым делом с помощью инструмента формируют отверстие, в которое в последующем будут вставлять стержень. Расчет величины отверстия проводят с учетом того, что он должен на 10–15 процентов превышать объем стержня.
- Метиз нужно погружать в отверстие так, чтобы головка виднелась на обратной стороне конструкции. Установку резьбовых элементов можно осуществлять ручным заклепочником. Распорные и взрывные разновидности изделий фиксируют при помощи электрического или пистонного инструмента.
Основными сферами использования заклепок считается машиностроение, кораблестроение, строительство зданий, вентилируемых видов фасада, формирование детских площадок, а также крепеж декора.
При скреплении тяжеловесных предметов данный тип метиза не используется. Специалисты рекомендуют покупать гибкие и в то же время прочные изделия, например, из углеродистой стали, алюминия или меди.
Преимущества и недостатки разных заклепочников
Тот факт, что заклепочники на рынке представлены несколькими видами, обусловлен наличием как плюсов, так и минусов их использования.
Исходя из них инструмент выбирается под работы в конкретных условиях:
- Одноручные модели развивают небольшое рабочее усилие, поэтому их используют для монтажа заклепок из мягкого материала, например, алюминия. Вместе с тем они компактны, а для работы требуется всего одна рука.
- Двуручные модели за счет наличия двух усиленных рычагов с легкостью справляются с заклепками, изготовленными из твердого материала, например, стали. Вместе с тем работа выполняется двумя руками, что несколько не удобно.
- Кулисные модели поддерживают работу одной рукой. Усилие можно повысить, наваливаясь на механизм всем телом, что обеспечивает также поддержку стальных заклепок.

Одновременно с этим гармошка не подходит для монтажа легких конструкций, не способных выдержать оказываемое на них высокое давление, требуемое для затягивания крепежа.
Как поставить резьбовую заклепку
Технология установки практически повторяет монтаж вытяжной заклепки. Процесс выполняется поэтапно. Рассмотрим два варианта:
1. Как ставить резьбовые заклепки заклепочником:
- в скрепляемых деталях сверлится отверстие требуемого диаметра;
- шпильку заклепочника вворачивают в метиз и устанавливают его внутрь просверленного канала;
- рабочий стержень вовлекается в корпус инструмента, в это время безрезьбовой участок заклепки самопроизвольно сжимается, прочно фиксируя метиз в отверстии.
2. Как клепать без инструмента:
- для установки надо приготовить – резьбовую заклепку, дрель, винт или болт, одну соединительную гайку (или три обычных), шайбу увеличенного размера.
- гайки накручиваются на винт, следом идет шайба, затем резьбовая заклепка;
- созданная конструкция вставляется в заранее приготовленное отверстие;
- дрелью закручивается винт (если в работе болт, то пользоваться надо гаечными ключами) до вытягивания скрытой части заклепки;
- винт или болт выворачивают, вставка остается на месте.

Как видим, поставить резьбовую заклепку без специального инструмента можно. Однако такой способ лучше использовать в случае острой необходимости или для установки малого количества метизов. При средних и больших объемах работ надежнее пользоваться заклепочником.
Установка гаечной конструкции
Подготовка деталей производится аналогично рассмотренному случаю — делается отверстие с фаской. Для соединения металлов гаечной заклепкой применяется заклепочник, снабженный специальной насадкой и винтовым элементом. Гаечная клепка вставляется в отверстие так, чтобы с одной стороны она уперлась в заготовку своей головкой, а с другой вышла наружу на 8-10 мм. Со стороны резьбовой части заклепки в нее вкручивается винтовой элемент аппарата с вылетом на противоположной стороне для закрепления в насадке заклепочника. Насадка упирается в головку клепки. Ручками-рычагами создается усилие для вытягивания винтового элемента. За счет этого усилия деформационная зона сплющивается, а на поверхности детали вылет заклепки расплющивается.
Таким образом обеспечивается соединение деталей.
В процессе заклепывания деталей потребуется дополнительно следующий инструмент:
- электродрель;
- нож;
- ножницы;
- плоскогубцы;
- отвертка;
- гаечные ключи;
- напильник;
- штангенциркуль.
В ряде случаев установка заклепок является единственным способом соединения деталей. Механизацию процесса заклепывания легко осуществить, если узнать, как работает заклепочник. Принцип его действия очень прост и доступен любому человеку.
Ручной заклепочник — наиболее востребованный и недорогой заклепочный инструмент. Имеет ряд других названий – «клепочник», «клепальник», «заклепочный пистолет». Ручные заклепочники используются в основном для бытовых, строительных или производственных целей при выполнении небольшого объема сборочных работ для установки вытяжных и резьбовых заклепок.
Заклепка устанавливается в предварительно подготовленное отверстие вытяжным способом. Ручной заклепочник создает неразъемное соединение путем склëпывания тонкостенных профилей, стальных листов, плоских элементов металлоконструкций, максимально механизируя процесс, снижая расходы и экономя время. Главные преимущества механического заклепочника — его дешевизна, простота в применении, не требующем специальных условий производства. Ручной заклепочный инструмент не требует специальной подготовки и обучения оператора.
По назначению ручные заклепочники делятся на:
- Ручной резьбовой заклепочник — предназначен для монтажа резьбовых заклепок гаек.
- Ручной вытяжной заклепочник — предназначен для монтажа вытяжных заклепок.
По механизму конструкции ручные заклепочники можно разделить на:
- Одноручные ручные заклепочники — простые механизмы, работают не преобразуя физическую силу оператора.
- Двуручные рычажные заклепочники – усиленные, требуют меньшего физического усилия для расклепывания заклепки.
Рычажный заклепочник отлично упрощает задачу при работе с заклепками больших диаметров. - Шарнирно-рычажные заклепочники — имеют гармошечный механизм и могут быть использованы для труднодоступных мест.
В нашем ассортименте широкое разнообразие типов и разновидностей ручных заклепочников, включая гибридные модели, которые позволяют устанавливать вытяжные заклëпки до Ø 8 мм и резьбовые заклепки до М12. Полное представление о применении заклепочников дает обзор заклепочного инструмента.
Чтобы купить ручной заклепочник свяжитесь с нами и мы поможем подобрать инструмент для решения именно ваших технических задач и организуем доставку с учетом ваших пожеланий.
Что такое заклепочник и как он работает
Заклепочники или клепальники — устройства для установки заклепок. Под разные типы крепежа есть специальные инструменты. Есть отдельные под вытяжные, винтовые заклепки. Есть также универсальные модели, но они относятся к группе профессионального инструмента, соответственно, стоят солидно.
Один из вариантов использования
Чтобы выбрать заклепочник правильно, желательно понимать как он работает. Независимо от типа заклепок, с которыми работает агрегат, принцип клепки всегда один: устройство развальцовывает вторую (дальнюю) часть заклепки, формируя закрывающую головку. Отличаться может только способ развальцовки:
- При установке вытяжных заклепок, губками захватывается и тянется стержень. На конце стержня есть шарик, который упирается в край корпуса заклепки и сминает ее. При достижении определенного усилия, стержень обламывается.
- Установка винтовых заклепок отличается. Внутри полого корпуса нанесена резьба. В этот метиз вкручивается винт подходящего диаметра. При закручивании он начинает подтягивать край заклепки, за счет чего и развальцовывается пластичный металл (см. видео ниже).
- При установке пустотелых заклепок (пистонных) происходит просто развальцовка конусообразной насадкой. Пистонные заклепки применяются в ненагруженных местах, но чаще не в стройке, а для отделки или при соединении деталей из кожи, ткани и т.
д.
В общем, процесс понятен. Как видите, отличия только в том, что в одном случае надо тянуть стержень, в другом — крутить винт, в третьем — прижимается конусная насадка
При выборе типа заклепок, обратите внимание, что инструмент под вытяжные недорог, а вот для винтовых стоит, обычно, немало. Этим в основном и ограничивается применение винтовых заклепок
Ну, и тем, что они полые — негерметичны.
Толщина заклепочного соединения
Вытяжные заклепки конструируются так, чтобы соединять вместе материалы с заданной общей толщиной. Количество деформации тела заклепки, которое происходит при ее осадке, зависит от этой толщины.
Если заклепка слишком длинная, то на «слепой» стороне соединения будет оставаться слишком много материала заклепки и потребуется большее усилие для разрыва сердечника.
Если заклепка слишком короткая, то на «слепой» стороне соединения может быть недостаточно материала заклепки, чтобы обеспечить плотное соединение материалов.
Рекомендации
Если установку клепок на металле выполняет новичок, человек без практического опыта, он может допустить разные ошибки.
Дефекты и их причины:
- Замыкающая головка не плотно примыкает к металлической поверхности. Перекос при обжимке.
- Головки смещены в одну или разные стороны. Отверстия сверлились с небольшим уклоном.
- Замыкающая головка имеет рваные края. Для изготовления крепежного элемента использовался некачественный материал.
- Головка смещена в сторону. Стержень неровный или длиннее нужного.
При проведении работ необходимо придерживаться правил техники безопасности:
- Пневматический инструмент нельзя использовать до окончания настройки. Придерживать обжимку руками будет сложно из-за мощного пневматического удара. Это может привести к травмам рук.
- При клепке раздаются резкие, громкие звуки, которые негативно воздействуют на нервную систему, слух. Нужно использовать плотные наушники.
- Инструмент нужно проверить перед началом работы. Он должен быть исправным. Рабочий стол не должен быть захламлен лишними предметами или инструментами.
- Скрепляемые детали следует фиксировать в тисках.

При клепке металла необходимо использовать защитные перчатки, очки. Детали следует закрепить в тисках или консоли, чтобы они не смещались. При работе нельзя касаться обжимки руками. Соблюдение техники безопасности поможет уберечься от травм, провести работу качественней.
Виды клёпальников
Выбрать подходящую модель такого инструмента бывает непросто, ведь в продаже представлено несколько разновидностей. Все они отличаются своими техническими характеристиками и стоимостью.
Самый дешёвый и распространённый вид заклёпочников. Широко применяется в строительных и бытовых работах.
Применим для производственных работ и не популярен для строительства.
Считается силовым клёпочником. Редко применяется в строительстве.![]()
Заклёпочник с поворотной головкой
Данный вид самый удобный для проведения строительных работ. Вращающаяся головка способствует доступности для клепания в разных, труднодоступных для других видов заклёпочников, местах.
Рейтинг лучших производителей
Ручные заклепочники производят практически все компании, так или иначе связанные с производством ручного инструмента. Есть среди них и своеобразные лидеры, чья продукция заслуженно пользуется высоким спросом или имеет наибольшее число положительных отзывов. Начнем с одноручных моделей.
Относительно недорогой представитель этого класса от немецкой фирмы Stayer может с успехом применяться на бытовом уровне. Сменные головки позволяют устанавливать вытяжные заклепки 2,4 мм, 3,2 мм, 4 мм и 8 мм. Более дорогой вариант от того же производителя снабжен поворотной головкой и может быть использован для работы в самых различных условиях.
Аналогичный инструмент POP PS-15 производят в Великобритании, изготавливают его из сплава на основе алюминия, что делает инструмент одним из самых легких в своем классе (не более 600 г).
Заклепочник снабжен тремя съемными головками для разного диаметра расходного материала. Удобные рукоятки позволяют работать длительное время. Специалисты рекомендуют такой инструмент для профессионалов, ввиду его исключительной надежности.
Российско-китайский производитель инструментов «Зубр» также представляет на рынок удачную модель «Зубр Мастер-31195». Модель снабжена поворотной головкой и четырьмя сменными насадками разного диаметра. Алюминиевый сплав обеспечивает вес около 700 г. Удобные рукоятки позволяют работать достаточно длительное время. Еще одна модель этого производителя «Зубр Универсал 270 мм» имеет в комплекте 8 насадок под различный диаметр заклепок. Это значительно расширяет диапазон его использования.
Поворотную головку имеет итальянский зеклепочник от фирмы «Armero» с маркировкой А320/104. Диаметр вытяжных заклепок варьирует от 3 до 5 мм. Небольшой вес и прочный сплав, по отзывам специалистов, не могут компенсировать неудобство пластиковых ручек. Однако все окупается надежностью и возможностью работать в самых разных условиях.
Надежный одноручный заклепочник для резьбовых клепок предлагает российский производитель «Кобальт». Инструмент под наименованием «Кобальт 243-561» имеет небольшой вес, прочный алюминиевый корпус, весьма удобные ручки. Диаметр заклепок ограничен размерами от 4 до 6 мм. Есть в ассортименте продукции этого производителя и клепальники для вытяжных заклепок, как одноручные, так и двуручные.
Популярные двуручные модели представляют, как правило, тех же производителей. Двуручный заклепочник от уже упоминавшейся фирмы Stayer может быть отнесен к разряду профессиональных инструментов. Двуручная схема позволяет работать с его помощью на протяжении нескольких часов, установив за это время сотни заклепок.
Сродни предыдущей и не менее популярная немецкая модель Kraftool industrie 31182, имеет длинные складные рукояти, позволяющие осуществлять значительное усилие при установке вытяжной заклепки. В сложенном виде инструмент укладывается в компактный кейс, в котором размещаются съемные насадки под различный диаметр заклепок.
Специалисты отмечают значительный вес этого профессионального инструмента, около 3 кг. Но это указывается и как гарантия высочайшей надежности данной модели.
Откровенные факты о глухих заклепках
Автор: Тим Бартлетт Авдель Северная Америка Под редакцией Стивена Дж. Мраза |
Заклепки использовались для соединения вещей с бронзового века, но для их установки обычно требовалось два рабочих: один молотком вбивал заклепку в отверстие, а другой с помощью распорки устанавливал ее на Обратная сторона. Затем, в середине 1930-х годов, инженеры разработали глухие или ломающиеся заклепки. Они позволяют рабочим устанавливать крепеж с одной стороны заготовки, когда противоположная сторона недоступна или даже не видна.
| Скачать эту статью в формате .PDF Этот тип файла включает в себя графику и схемы высокого разрешения, если это применимо. |
Вытяжные заклепки в настоящее время используются для сборки всего, от вытяжных заклепок различных размеров, стилей и материалов, небольших электронных компонентов в сотовых телефонах до стальных балок в крупнейших в мире мостах. Они соединяют различные материалы различной толщины и могут работать в самых сложных условиях. Высокотехнологичный контроль качества обеспечивает надежную установку, позволяющую установить только правильные заклепки в правильные отверстия.
Как они работают
Вытяжная заклепка имеет гладкий, полый, цилиндрический корпус, увенчанный расширяющейся головкой, и оправку из сплошного стержня с утолщенной головкой, которая выходит из полого стержня заклепки. Это чем-то похоже на гвоздь.
Чтобы установить ее, губка установочного инструмента захватывает оправку и втягивает ее в тело заклепки через просверленное или пробитое отверстие в одном или нескольких слоях материала. Головка оправки расширяет стенки заклепки наружу, плотно вдавливая их в стенки отверстия, при этом образуя плотно сжатую несущую зону на противоположной стороне материала. Неиспользуемые части дорна обламываются, когда растягивающее усилие превышает необходимое для полной деформации тела заклепки.
Производители заклепок делают канавки на некоторых оправках, чтобы ослабить их, по сути, заранее определяя место, где напряжение сломает их. Некоторые оправки также имеют механический замок, который защелкивается, закрывает отверстие в оболочке заклепки и фиксирует оставшуюся часть оправки внутри втулки. Установка, с момента нажатия оператором на спусковой крючок до окончательной установки заклепки, занимает около секунды и оставляет постоянное, виброустойчивое соединение.
Контролируемое расширение тела заклепки достигается за счет правильной конструкции и выбора материала.
Вместе они обеспечивают равномерное сжатие и заполнение отверстия. Это, в свою очередь, позволяет глухими заклепками соединять различные материалы, включая металлы, пластмассы и дерево.
Конструкторы выбирают вытяжные заклепки в зависимости от конкретного применения, а оправки — в зависимости от того, как они работают в качестве встроенного инструмента. Задача проектирования состоит в том, чтобы сочетать правильный размер и конфигурацию заклепок (конические, плавающие, острые или зубчатые) с правильной оправкой для прочных соединений и целостности заклепок. Цель состоит в том, чтобы тела заклепок деформировались в соответствии с заданными параметрами, а оправки ломались при точных нагрузках, чтобы обеспечить согласованность, прочность и долговечность соединения.
Преимущества вытяжных заклепок
Вытяжные заклепки — самый быстрый способ соединения материалов. Они могут быть установлены от 150 до 500/час, и каждая настройка идентична. Это сокращает время и затраты на сборку.
В отличие от резьбовых крепежных деталей, здесь нет проблем с зазором инструмента, сбоями вращения и второстепенными деталями, такими как болты и нарезные пластины, которые увеличивают время сборки, вес и стоимость. (Нарезные пластины представляют собой плоские детали, крепящиеся к заготовке для усиления резьбовых деталей, установленных в тонких материалах.) Вытяжные заклепки, в отличие от резьбовых крепежных изделий, позволяют избежать проблем с чрезмерным или недостаточным затягиванием и зачисткой. Заклепки также не ослабляются после установки, потому что тело заклепки такого же размера или больше, чем отверстие, в которое она вставлена. Они также не будут вытряхиваться или ломаться, а плотное уплотнение помогает предотвратить утечки и просачивание.
Разрывные ножки также работают с пластичными материалами и тонколистовыми металлами. При необходимости можно использовать заклепки с большими головками (как минимум на 50 % больше диаметра отверстия) для дальнейшего распределения нагрузки.
А на мягком пластике три-четыре металлические ножки разворачиваются по диагонали по отмостке, чтобы еще больше распределить нагрузку. Как правило, головки оправок должны быть достаточно большими, чтобы распределять нагрузку, но не настолько большими, чтобы напрасно расходовался материал и добавлялся лишний вес.
Вытяжные заклепки могут компенсировать отверстия неправильной формы, если они находятся в пределах 0,004 дюйма от диапазона расширения заклепок. Сжатие тела заклепки при установке компенсирует такие неровности, как и металлические ножки, расширяющие несущую поверхность.
Стержни позволяют крепить окрашенные детали, а также детали с другим покрытием, не оставляя дефектов на поверхности. Резьбовые и болтовые крепления, с другой стороны, могут царапать, вмятины и ямочки на поверхности.
Типы глухих застежек
Существует два класса глухих застежек: открытый конец и закрытый конец.
Открытые ломаные штоки являются наиболее распространенными.
Оправка ломается возле головки с глухой стороны и имеет фланцы или потайные головки для использования в тонколистовых металлах и материалах с низкой прочностью.
Стержни с закрытым концом герметизируют отверстия, закрывая хвостовую часть тела заклепки и захватывая оправку внутри отверстия заклепки. Они часто используются для герметизации компонентов, работающих с жидкостью, таких как гидравлические насосы. Они не используются так широко, как раньше, поскольку были заменены версиями с открытым концом, которые с одинаковой эффективностью герметизируют тело заклепки.
Выбор и установка правильной вытяжной заклепки в нужное отверстие зависит от диаметра заклепки, диапазона захвата, подготовки отверстия, формы головки и коррозионной стойкости.
Диаметр заклепки: Доступны вытяжные заклепки диаметром от 3/32 до ¼ дюйма, с диаметром 1/32 дюйма. доступны пошаговые увеличения. Выбор диаметра зависит от площади, прочности и толщины материала.
Чем больше диаметр, тем выше прочность на сдвиг и растяжение, что обусловлено толщиной и материалом корпуса заклепки.
Диапазон захвата: Толщина соединяемых материалов должна соответствовать диапазону захвата крепежа. (Диапазон захвата — это допустимая разница между длиной заклепки и толщиной материала.) Диапазон захвата увеличивается на 1/16 дюйма. приращения, с каждым добавлением, имеющим лучшее удержание стержня. 0,5 дюйма. диапазон захвата обычно представляет собой максимальную длину, достигаемую стандартными выносами, но нестандартные конструкции могут увеличить его до дюйма. Глухие заклепки стандартного размера соединяют материалы толщиной от 0,75 дюйма. Нестандартные заклепки подходят для материалов толщиной от 0,020 дюйма, таких как компоненты для мобильных телефонов и корпусов компьютеров, или толщиной до 2 дюймов для перекрытия зазоров в трубчатых сборках, таких как газон. стулья.
Подготовка отверстия: Заклепка должна полностью заполнить отверстие.
Основными факторами, обеспечивающими это, являются толщина материала, диапазон захвата и диаметр заклепки. Если отверстие слишком большое, оно не будет заполнено, и в результате получится незакрепленная заклепка. Если отверстие слишком маленькое, заклепка не подойдет. В противном случае никакой специальной подготовки не требуется, если в отверстиях нет чрезмерных заусенцев.
Типы головок: Существует три основных типа головок глухих заклепок: выступающие, с большим фланцем и потайные. Выступающие головки (также называемые куполообразными или кнопочными головками) являются наиболее распространенными и простыми. Большие фланцевые конструкции имеют головки, в четыре-пять раз превышающие диаметр тела заклепки, для увеличения опорной поверхности. Потайные головки после установки находятся заподлицо с материалом. Они используются для улучшения внешнего вида поверхности или уменьшения сопротивления ветру, например, при сборке самолетов.
Коррозионная стойкость: Для замедления или предотвращения коррозии тела заклепок и оправки часто изготавливают из одинаковых материалов, включая низкоуглеродистую и нержавеющую сталь, никель-медные и алюминиевые сплавы.
При соединении разнородных материалов инженеры определяют защитные покрытия и гильзы для предотвращения коррозии или когда заклепки не обладают теми же физическими и механическими свойствами, что и исходные материалы. Стержни из нержавеющей стали обеспечивают наилучшую защиту от коррозии в таких условиях, как лестницы в бассейнах и городские автобусы, подверженные воздействию соли.
Инструменты для установки
Существует множество типов инструментов для установки глухих заклепок, в том числе ручные, легкие и полуавтоматические. Все они состоят из тянущей головки, которая захватывает оправку во время расширения тела заклепки.
Ручные инструменты устанавливают крепеж с меньшей разрывной нагрузкой, обычно 1000 фунтов или менее. Они портативны и позволяют техникам быстро устанавливать заклепки разных размеров и типов. Гидропневматические ручные инструменты чаще всего используются для установки глухих заклепок. Ручные установщики также могут быть пневматическими, электрическими или с ручным приводом.
Специальные носовые узлы приспособлены для установки заклепок в узких местах, каналах, вставках или под прямым углом к корпусу заклепки.
До середины 1980-х большинство ручных инструментов были стальными и весили 15 фунтов и более. Современные версии легче и мощнее. Гидропневматические инструменты, изготовленные из пластика и алюминия, например, эргономически весят 4 фунта и устанавливают один шток в секунду. Старые версии устанавливали глухие заклепки в течение нескольких секунд, но операторы замедлялись из-за необходимости таскать более тяжелые инструменты в течение 8-часовой смены.
Многоголовочные полуавтоматические и полностью автоматические рабочие станции могут одновременно устанавливать до 268 штоков. Некоторые из этих инструментов также оснащены сложными мониторами и надежными датчиками и элементами управления, чтобы обеспечить правильное заклепывание и размещение.
Передовой опыт — вытяжные заклепки
Этот Zenith 750, выставленный на выставке AirVenture, был собран с помощью вытяжных заклепок.
Эта простая конструктивная особенность сделала его хорошим кандидатом для прошлогоднего проекта One Week Wonder. Zenith использует уникальную систему для установки глухих заклепок, поэтому обязательно прочитайте инструкции и получите правильные инструменты, прежде чем начинать свой проект.
Заклепки уже очень давно являются популярными крепежными элементами в авиастроении и остаются таковыми по сей день. Они обеспечивают превосходное средство для соединения алюминиевых листов гладким и прочным способом. Поэтому неудивительно, что многие самолеты экспериментальной и любительской постройки полагаются на эти проверенные временем крепления. В то время как сплошные заклепки остаются стандартом для большинства конструкций самолетов, появление глухих заклепок авиационного качества, также называемых вытяжными заклепками или иногда заклепками POP, позволило строителям сэкономить много времени при сборке самолетов. Краткий обзор поставщиков на самой последней выставке AirVenture показывает, что заклепки используются в комплектах CubCrafters, Murphy, RANS, Van’s, Zenith и других.
В дополнение к их использованию в основных конструкциях самолетов, вытяжные заклепки также имеют множество неконструктивных применений, которые представляют интерес для строителей, в том числе для крепления уплотнений дефлекторов к дефлекторам двигателей.
Что такое вытяжная заклепка?
Вытяжная заклепка получила свое название из-за того, что ее можно установить в отверстие, которое выходит в пространство, недоступное или невидимое для установщика. Другими словами, его можно установить в «глухое» отверстие. С другой стороны, типичная цельная авиационная заклепка должна быть разогнана, поэтому доступ к задней стороне жизненно важен для ее правильной установки.
На рынке представлено множество вытяжных заклепок, поэтому покупатель должен быть осторожен, выбирая подходящую заклепку для работы. Некоторые из них имеют качество самолета, но многие — нет. Таким образом, некоторые из них можно использовать для структурных работ, а другие – нет. Тем не менее, есть много мест, где неструктурные вытяжные заклепки могут неплохо справляться со своей задачей.
Спонсор освещения авиашоу:
Как и в случае цельных заклепок, форма и состав заклепки имеют большое значение. В случае глухих заклепок состав стержня заклепки или оправки также является важным фактором. Например, алюминиевые заклепки могут поставляться с алюминиевыми или стальными стержнями. Те, у кого стальные стержни, обычно намного прочнее.
Что касается стержней заклепок, то способность заклепки удерживать стержень в условиях высоких нагрузок и сильных вибраций отличает авиационные заклепки от их коммерческих собратьев. Заклепка теряет большую часть своей прочности, если стержень выпадает. Многие недорогие коммерческие вытяжные заклепки не будут надежно удерживать свои стержни в сложных условиях. Вот почему они, как правило, никогда не используются в самолете для чего-либо, что удерживает его вместе или поддерживает его работу.
Типы вытяжных заклепок
Cherry Aerospace, Avex, Avdel, Emhart, POP и другие производят широкий выбор вытяжных заклепок из различных материалов для многих коммерческих и авиационных целей.
Они варьируются от заклепок N, неструктурных коммерческих заклепок до структурных заклепок Cherry MS, CherryMAX и CherryLOCK, а также аналогичных заклепок других производителей. Между коммерческими и авиационными вытяжными заклепками у нас есть заклепки Q, которые недостаточно прочны, чтобы заменить заклепки AD того же размера, но обладают некоторой конструкционной прочностью и высококачественными характеристиками. Заклепки N и Q можно легко установить с помощью любого имеющегося в продаже инструмента для вытяжных заклепок, но заклепки CherryMAX и CherryLOCK лучше всего устанавливать с помощью специального инструмента, разработанного специально для этих более прочных заклепок. В крайнем случае заклепки CherryMAX можно установить с помощью стандартного клепальщика, но это не подпадает под передовую практику.
Заклепки Q изготавливаются из стали, алюминия, нержавеющей стали и монеля. Заклепки Q из нержавеющей стали хорошо подходят для сборки брандмауэра из нержавеющей стали вместо заклепок из монеля.
Вытяжные заклепки из монеля также хорошо работают с нержавеющей сталью или титаном. Большинство производителей комплектов также допускают заклепку Q следующего размера большего размера вместо заклепки AD (заклепка Q 1/8 дюйма для заклепки AN470AD-3), но это следует проверять в каждом конкретном случае. Во всех случаях при замене одного типа заклепки другим лучше всего провести ее с конструкторами самолетов, чтобы убедиться, что они согласны с отклонением от их конструкции.
Если нам нужна вытяжная заклепка размером 1/8 дюйма для замены заклепки AD размером 1/8 дюйма, у нас есть другая возможность — заклепка CherryMAX. 1/8-дюймовая алюминиевая заклепка CherryMAX имеет прочность на сдвиг 664 фунта и прочность на растяжение 285 фунтов. Это делает его намного прочнее на сдвиг, чем 1/8 дюйма. Заклепка AD, но слабее на растяжение. Поскольку большинство заклепок подвергается сдвиговым нагрузкам, использование CherryMAX в качестве замены, вероятно, не является проблемой. Тем не менее, вероятно, отсутствие проблемы не означает, что никогда не было проблемы, поэтому было бы благоразумно проконсультироваться с производителем комплекта или конструктором самолета, прежде чем производить такую замену.
Одним из преимуществ заклепок CherryMAX является то, что они имеют стандартные размеры и увеличенный размер 1/64 дюйма для отверстий, которые были повреждены.
Просто для ясности: не используйте случайно заклепку из другого материала для увеличения прочности. Несмотря на то, что заклепка Q, изготовленная из плакированной стали, нержавеющей стали или монеля, действительно соответствует прочности заклепки AD того же размера или превосходит ее, такая замена должна производиться только после консультации с конструктором самолета и после рассмотрения возможных несоответствий. беспокоит коррозия металла.
Существует проблема стоимости различных типов заклепок. Заклепки AD обычных размеров обычно стоят менее двух центов каждая, если вы покупаете четверть фунта или больше. Q-заклепки диаметром 1/8 дюйма будут стоить около 18 центов каждая, то есть примерно в десять раз дороже. Заклепки CherryLOCK или CherryMAX будут стоить около 75 центов каждая. Q-заклепки кажутся хорошим выбором для брандмауэров или неструктурных приложений, таких как перегородки двигателя.
Некоторые производители самолетов, предназначенных для использования глухих заклепок, могут вместо них использовать цельные заклепки AD. Некоторые строители Murphy Moose и Super Rebel сделали это в надежде сделать свои самолеты прочнее или, по крайней мере, более долговечными. Достигли ли они своих целей или нет, трудно сказать. Если самолет был разработан с использованием глухих заклепок, то использование этих заклепок должно быть разумным решением в соответствии с передовой практикой. Есть ли веские аргументы против использования заклепок AD вместо указанных вытяжных заклепок? Я так не думаю, за исключением того, что с использованием заклепок AD будет намного больше работы. Одно особое замечание по этому поводу: если вы строите самолет ELSA, в конструкции которого используются глухие заклепки, такие как RV-12, вы не можете заменять заклепки AD без письменного разрешения производителя комплекта. Если вы это сделаете, вы потеряете возможность зарегистрировать его как ELSA и вместо этого будете подчиняться правилам экспериментальной/любительской сборки.
Давайте рассмотрим различные типы заклепок, имеющихся в распоряжении авиастроителей-любителей, и посмотрим, где их можно использовать в соответствии с передовой практикой.
Ассортимент заклепок N. Они доступны из алюминия с алюминиевыми или стальными хвостовиками и из плакированной стали со стальными хвостовиками. Они также поставляются с универсальными, скрытыми или большими головками для различных неструктурных применений.
N Заклепки
N Заклепки представляют собой неконструкционные коммерческие вытяжные заклепки, производимые рядом компаний, таких как Avdel и другие. Расчетная прочность этих заклепок невелика, так как они не надежно удерживают свои стержни, оставляя только полый стержень для сопротивления сдвиговым и растягивающим нагрузкам. Их следует использовать только для вещей, которые не содержат критических предметов. Заклепки N с большими фланцами популярны для крепления уплотнений дефлекторов к алюминиевым дефлекторам двигателя или для соединения элементов внутренней отделки.
Выступающая головка, указанная в таблице, примерно соответствует универсальной головке конструкционных заклепок. Версия этих заклепок с плоской головкой поставляется только с зенковкой на 120 градусов, а не на 100 градусов, которая используется в авиации.
Это алюминиевые Q-заклепки. Они поставляются с универсальными головками и промывочными головками на 120 градусов. Они не доступны с 100-градусными промывочными головками, обычно используемыми в конструкции самолетов. Однако они доступны из других материалов, таких как нержавеющая сталь, сталь с покрытием и монель.
Заклепки Q
Заклепки Q, теперь производимые Avdel, иногда называют заклепками CherryMAX для бедняков. Однако это придает им слишком большое значение. Они не являются конструкционными заклепками в широком смысле, хотя иногда их можно использовать в качестве замены заклепок AD следующего размера меньшего размера с одобрения авиаконструктора. Заклепка Q такого же размера никоим образом не является прямой заменой заклепки AD.
Как и заклепки N, заклепки Q имеют угол зенковки только 120 градусов. Заклепки типа Q обладают значительным преимуществом по сравнению с заклепками типа N, поскольку они надежно удерживают свои стержни. Это делает их чем-то вроде промежуточного звена между настоящими структурными заклепками и неструктурными коммерческими заклепками. Эти заклепки доступны из алюминия, нержавеющей стали, стали с покрытием и монеля. Заклепки N и Q легко устанавливаются практически с любым коммерческим заклепочным пистолетом.
Заклепки Cherry MS
Заклепки Cherry MS — это глухие заклепки самого низкого класса, изготовленные по военному стандарту. Они гораздо больше заслуживают звания заклепок CherryMAX для бедняков, чем заклепки Q. Технически они устарели, но все еще широко используются, поскольку их заменили более прочные заклепки CherryMAX. Заклепки MS доступны с увеличенным хвостовиком 1/64 дюйма для использования в отверстиях, которые были повреждены и высверлены. Как настоящие конструкционные авиационные заклепки, они доступны как заклепки с зенковкой на 100 градусов и с универсальными головками.
Номинальная прочность на сдвиг заклепок MS зависит от толщины и типа соединяемого материала. Дополнительную информацию см. в публикациях Cherry Aerospace. Основным недостатком этих заклепок является то, что их может быть трудно найти.
Это алюминиевые заклепки CherryMAX с универсальными головками под углом 100 градусов. В большинстве случаев они будут работать как замена AD заклепки того же размера. Они также имеют увеличенный размер 1/64 дюйма для отверстий, которые были повреждены в результате неправильного сверления или предварительного удаления заклепок.
Заклепки CherryMAX
Заклепки CherryMAX являются популярными конструкционными авиационными заклепками для многих типов установок, где желателен грубый эквивалент сплошной заклепки AD, но его трудно или невозможно установить. По размеру они эквивалентны заклепкам AD при сдвиге, но, как правило, им не хватает растяжения. Обычно это не проблема, так как большинство заклепок подвергается сдвиговым нагрузкам, но перед заменой изготовитель должен проконсультироваться с авиаконструктором, чтобы убедиться в отсутствии проблем.
Эти заклепки обычно имеют стержни из стали или инконеля, что придает им очень хорошую прочность на сдвиг. Эти более прочные стержни также означают, что стандартные заклепочные пистолеты могут с трудом устанавливать эти заклепки. Поэтому Cherry рекомендует использовать их заклепочный пистолет G27 для этих заклепок и заклепок CherryLOCK. Большинство поставщиков запчастей для самолетов, таких как Aircraft Spruce, будут иметь в наличии заклепки CherryMAX ограниченного размера и заклепочный пистолет G27. Заклепки CherryMAX также доступны с увеличенным хвостовиком 1/64 дюйма для использования в отверстиях, которые были повреждены и высверлены. Заклепки CherryMAX имеют корпус из алюминия или монеля и стальной стержень. Они доступны в различных конфигурациях, включая заклепки с зенковкой на 100 градусов и с универсальными головками.
На этой диаграмме, созданной на основе изображения из каталога CherryMAX, показан максимальный наклон поверхности материала на задней или глухой стороне.
Если неровность или уклон превышает пять градусов, то лавочная головка заклепки может держаться ненадежно.
На этих рисунках из каталога CherryMAX указано, что отверстие под заклепку должно быть перпендикулярно поверхности материала. Рисунок внизу показывает, что каждый раз, когда вы просверливаете два листа металла, вы должны обязательно удалить стружку между листами и никогда не вставлять заклепку в смещенное отверстие.
CherryLOCK
Самые прочные вытяжные заклепки Cherry — серия CherryLOCK. Их главное преимущество перед заклепками CherryMAX — большая прочность на растяжение. Поскольку прочность на растяжение обычно не является первостепенной задачей для авиаконструкторов, эти заклепки редко используются строителями-любителями. Как и заклепки CherryMAX, они доступны в различных конфигурациях и из различных материалов. Алюминиевые заклепки CherryLOCK имеют алюминиевый корпус и стальной стержень. Заклепки из монеля имеют корпуса из монеля и стержни из инконеля.
Они также доступны с хвостовиками увеличенного размера, и их лучше всего устанавливать с помощью клепальщика G27.
Специализированные крепежные детали Stanley
Stanley теперь владеет торговыми марками Avex, Avdel и POP. Их вытяжные заклепки бывают разных размеров и конструкций головок, что делает их хорошей альтернативой для производителей, которые ищут варианты, отличные от тех, которые предлагает Cherry Aerospace. Например, RANS использует в своих комплектах конструкционные заклепки как Avex, так и Cherry. Zenith использует заклепки Zenair, которые по сути являются заклепками Avex. Обратите внимание, что Zenith использует специальную плоскую заклепку, которая с помощью специальной насадки на заклепочном пистолете приобретает форму универсальной головки. Это хорошо описано в их инструкциях по сборке. Обратитесь к литературе производителя или посетите Интернет для получения дополнительной информации об этих продуктах. 9№ 0011
Шайбы для заклепок очень удобны при приклепывании металлических деталей к мягким материалам, таким как стекловолокно или силиконовый защитный материал.
Они обычно доступны в любом хорошо укомплектованном хозяйственном магазине. Комбинация шайбы и заклепки с большой головкой хорошо подходит для установки перегородки.
Установка глухих заклепок
Установка глухих заклепок довольно проста, но это не означает, что ее следует выполнять небрежно. Некоторые более прочные конструкционные заклепки следует устанавливать с помощью специальных заклепочных пистолетов. Обязательно ознакомьтесь с рекомендациями производителя в литературе. Пневматические заклепочники могут значительно сэкономить время, но для достижения наилучших результатов убедитесь, что установлена правильная насадка. Эта рекомендация также относится к ручным клепальщикам. Носовая часть должна соответствовать диаметру штока, чтобы хорошо работать.
Пневматический заклепочник действительно экономит время и силы рук при работе с большим количеством заклепок. Тем не менее, это, вероятно, представляет собой ненужные расходы для других строителей.
Убедитесь, что все детали просверлены до отверстия нужного размера и правильно удалены заусенцы.
Любой мусор, попавший между листами материала, приведет к некачественному соединению. При клепке к материалу с неровной изнаночной стороной следите за тем, чтобы наклон закрепляемого материала не превышал пяти градусов. Держите заклепочный пистолет таким образом, чтобы стержень был перпендикулярен лицевой поверхности.
Если вы крепите твердый материал к мягкому, рассмотрите возможность использования заклепочных шайб на задней (мягкой) стороне, если есть доступ. Например, если алюминий должен быть прикреплен к стекловолокну или силиконовому материалу перегородки, используйте шайбу для поддержки конца заклепки, если это возможно. В случае закрепления, в частности, мягкого материала уплотнения перегородки используйте заклепку с большой головкой с одной стороны и шайбу с другой. Это удержит уплотнение перегородки более надежно и сведет к минимуму растрескивание вокруг головки заклепки.
Ручные глухие заклепки подходят для большинства проектов, где необходимо установить только несколько глухих заклепок.
Нижний инструмент имеет поворотную головку, которая иногда может пригодиться. Приведенный выше прямой инструмент лучше работает в некоторых узких углах, где большой носик клепальщика с поворотной головкой просто не подходит.
Заключение
Если вам нужно использовать вытяжные заклепки, не думайте, что вы ограничены продуктами из каталогов Aircraft Spruce и Wicks. Существует невероятное количество глухих заклепок, доступных для многих структурных и неструктурных применений, которые могут заинтересовать авиастроителей. Просто обязательно проконсультируйтесь с разработчиком вашего самолета, прежде чем начинать самостоятельно, когда дело доходит до вытяжных заклепок. Вы хотите быть уверены, что используете правильный продукт для работы, которую выполняете. В лучших практиках всегда говорится, что нужно сделать домашнее задание, прежде чем строить, чтобы быть уверенным, что то, что вы делаете, даст вам безопасный результат.
Riveting tools for blind rivets
HL 5
Double-lever hand tool for installation of blind rivets from 2.4 to 5.0 mm.
Используется для установки малых и средних серий стандартных заклепок.
Область применения:
- Вытяжные заклепки: Ø 2,4–5 мм
- Вес: 1,9 кг
- Размеры: 390 × 130 мм
HL 5 PDF / 344 KB
HL 5M
Двухрычажный ручной инструмент для установки глухих заклепок от 4 до 6,4 мм.
Регулируемая насадка позволяет оптимально настроить плоскогубцы для комфортного клепания.
Область использования:
- Слепые выпечки: Ø 4,0–6,4 мм
- Вес: 1,7 кг
- .
Ручной двухрычажный инструмент для установки вытяжных заклепок от 4 до 6,4 мм.
Для малых и средних серий стандартных заклепок.Область использования:
- Слепые выпечки: Ø 4,0–6,4 мм
- Вес: 1,8 кг
- . Ручной двухрычажный инструмент для установки вытяжных заклепок от 4 до 6,4 мм.
Используется для установки заклепок средних и больших серий. №Область применения:
- Вытяжные заклепки: все материалы Ø 4,0–6,4 мм
- Вес: 1,9 кг
- Размеры: 530 × 150 мм
HL 6M PDF / 480 KB
HL 6M+
Двухрычажный ручной инструмент для установки глухих заклепок от 4 до 6 мм.
Инструмент оснащен губчатой головкой, что обеспечивает долгий срок службы.Область использования:
- Слепые выпечки: Ø 4.0–6,4 мм
- Вес: 1,9 кг
- . заклепки
с большим диапазоном захвата и для заклепок для мягких материалов.
Область применения:
- Вытяжные заклепки: Ø 2,4–5,0 мм
- Вес: 1,6 кг · Давление воздуха макс. 7 бар
- Тяговое усилие: 9,5 кН при 6 бар · Ход: 21 мм
- Размеры: 281 × 265 мм
RL 15A PDF / 2 MB
RL 17
6 Пневматический инструмент вытяжные заклепки от 2,4 до 5 мм.
Инструмент с большим подъемом, подходит для многозахватных заклепок и мягких материалов.Область применения:
- Вытяжные заклепки: Ø 2,4–5,0 мм
- Вес: 1,8 кг
- Давление воздуха: макс. 7 bar
- Pulling force: 6 kN at 6 bar · Stroke: 28.5- 29.5 mm
- Dimensions: 281 × 265 mm
RL 17 PDF / 353 KB
RL 20A
Hydropneumatic tool for intallation of blind заклепки.
Запатентованная система отключения подачи воздуха, когда она не используется.Область применения:
- Вытяжные заклепки: Ø 2,4–5,0 мм
- Вес: 1,6 кг · Давление воздуха макс.
7 бар - Тяговое усилие: 13 кН при 6 бар · Ход: 16 мм
- Размеры: 281 × 265 мм
RL 20A PDF / 341 KB
RL 40i Инструмент для установки заклепок Hydroneuprivmatic
6
Быстросъемный сборный контейнер и стягивающая головка.Область применения:
- Вытяжные заклепки: Ø 4,6–6,4 мм
- Вес: 2 кг · Давление воздуха: макс. 7 бар
- Тяговое усилие: 14,7 кН при 6 бар · Ход: 14 мм
- Размеры: 283 × 318 мм
RL 40N
Гидропневматический инструмент для установки глухих заклепок.
Быстросъемный сборный контейнер, носовой колпачок и тянущая головка.
Замена кулачков без использования ключа.Область применения:
- Вытяжные заклепки: Ø 4,0–6,4 мм
- Вес: 2 кг · Давление воздуха: макс. 7 бар
- Тяговое усилие: 14,7 кН при 6 бар · Ход: 14 мм
- Размеры: 283 × 318 мм
RL 60i
Гидропневматический инструмент для установки глухих заклепок.
Быстросъемный сборный контейнер и стягивающая головка.
Предохранительный клапан сброса избыточного давления.Область применения:
- Вытяжные заклепки: все материалы Ø 4,0–Ø 8,0 мм
- Вес: 2,6 кг · Давление воздуха: макс. 7 бар
- Тяговое усилие: 18,2 кН при 6 бар · Ход: 26 мм
- Размеры: 328 × 340 мм
RL 60i PDF / 431 KB
RL 60iHV
Гидропневматический инструмент для установки глухих заклепок от 4 до 6,4 мм.
Отрывной механизм для прочных заклепок.Область применения:
- Вытяжные заклепки: Ø 4–6,4 мм
- Вес: 2,6 кг · Давление воздуха: макс. 7 бар
- Тяговое усилие: 18,2 кН при 6 бар · Ход: 26 мм
- Размеры: 317 × 358 мм
RL 60iHV PDF / 431 KB
RL 60N
Гидропневматический инструмент для установки глухих заклепок.
Быстросъемный сборный контейнер, носик и тянущая головка.
Замена кулачков без использования ключа. Более быстрый цикл клепки.Область применения:
- Вытяжные заклепки: Ø 4,0–Ø 8,0 мм
- Вес: 2,6 кг · Давление воздуха: макс. 7 бар
- Тяговое усилие: 18,2 кН при 6 бар · Ход: 26 мм
- Размеры: 328 × 340 мм
RL 60N PDF / 431 KB
RL 75
Для установки заклепок, состоящих из двух частей, и структурированных глухих заклепок.
Область применения:
- Двухкомпонентный высокопрочный SRB (стопорный болт): Ø 5,0–6,4 мм
- Вытяжные заклепки, высокопрочные и структурированные: Ø 5,0–6,4 мм
- · Вес: 2,2 кг Воздух давление макс. 7 бар
- Тяговое усилие 22 кН при 6 бар · Ход 16 мм
- Размеры: 235 × 319 мм
RL 75 PDF / 300 KB
Вытяжные заклепки | твердые заклепки | Трубчатые заклепки
На современном рынке представлено множество типов заклепок.
Однако большинство из них состоят из головки на одном конце и цилиндрического тела определенного размера, которое доходит до хвоста заклепки. Сплошные заклепки, полутрубчатые и ломаные заклепки (тип заклепок POP®) обычно помещаются в предварительно пробитое или предварительно просверленное отверстие. В этот момент сплошные и полутрубчатые заклепки деформируются с помощью распорки или твердой наковальни (только для полутрубчатых), стратегически размещенных напротив головной части заклепки во время прессования или пневматического молота. Глухая (сломная) заклепка также используется в предварительно пробитом или предварительно просверленном отверстии, но процесс установки отличается. После того, как тело заклепки помещено в отверстие, оправка или «стержень» (также называемый гвоздем) затем вставляется в наконечник заклепочного пистолета или ручного заклепочного инструмента. Заклепки из различных материалов (алюминий, сталь, нержавеющая сталь, медь, пластик) обычно используются для соединения двух кусков материала вместе в широком диапазоне применений, включая судостроение, производство жилых автофургонов, промышленное производство и многое другое.
Свяжитесь с нами для получения дополнительной информации о наших многочисленных типах заклепок, включая сплошные заклепки, глухие заклепки (тип заклепок POP®), полутрубчатые заклепки и многое другое. Или позвоните нам по телефону 1-800-783-0910 , чтобы задать любые вопросы.
Вытяжные заклепки с выламывающимися стержнями чрезвычайно популярны, поскольку они легко устанавливаются и обеспечивают сверхпрочное структурное соединение. Глухие заклепки могут быть полностью установлены с одной стороны материала, который используется для заклепывания. Это дает значительные преимущества по сравнению с крепежными винтами и гайками, которые требуют доступа к обеим сторонам материала. Вытяжная заклепка состоит из двух предварительно собранных деталей: тела заклепки и стержня. Некоторые из различных типов вытяжных заклепок, которые мы предлагаем, включают:
• Стандартные глухие заклепки
• Заклепки с открытым концом
• Заклепка с закрытым концом
• Универсальная заклепка
• Структурная заклепка
Процесс производства вытяжных заклепок
Ri 900 круглого полого вала самых разных конструкций и размеров.
Во время установки хвостовая часть расширяется, создавая вторую «голову». Это обеспечивает прочность, необходимую для скрепления двух кусков материала вместе. Выбор заклепок, подходящих для вашего конкретного применения, определяется множеством факторов, но вот несколько важных особенностей, которые следует учитывать:• Требуемая длина и диаметр заклепки
• Ограничения по пространству
• Значения нагрузки и сдвига
• Инструменты для установки
• Основной материал
• Выбор конструкции головки
Установка a5 вытяжной заклепки
заклепка безопасна, проста и эффективна. Есть только несколько простых шагов, которые необходимо выполнить, чтобы успешно установить глухую заклепку. При установке вытяжной заклепки необходимо выполнить следующие шаги в правильном порядке:
1. Вставьте заклепку в заранее определенное отверстие, которое будет соединять элементы.
2. Вставьте оправку (тонкий корпус) в заклепочный пистолет или инструмент.

3. Установите заклепку на место, выстрелив из пистолета или инструмента, удерживающего оправку.
После завершения описанной выше процедуры оправка сломается внутри заклепочного инструмента, и останется только та заклепка, которая соединила два объекта.
Применение для заклепок
В зависимости от ваших конкретных потребностей вытяжные заклепки можно использовать для самых разных целей. Некоторые из наиболее распространенных применений вытяжных заклепок включают:
• Соединение стали, алюминия, нержавеющей стали, пластмассы и даже деревянных материалов
• Прикрепление петель
• Автомобильное производство
• Производство самолетов
• Контрактное производство
• Изготовление листового металла
• Ремонт прицепов
• Ремонт лодок
Сплошные и полутрубчатые заклепки для нужд вашего проекта
Сплошные и полутрубчатые заклепки доступны с различными конструкциями головок, включая универсальные, круглые, плоские, жаровни и потайные.
Заклепка с плоской головкой, как правило, самая прочная и надежная. Сплошные заклепки — самый старый, безопасный и часто самый надежный тип заклепок. Кроме того, большинство наших крепежных изделий доступны в дюймовых или метрических размерах, с различными материалами и вариантами эстетической отделки. Трубчатые заклепки обычно используются в тех случаях, когда требуется дополнительная безопасность и надежность, а также низкий профиль. Некоторые из применений, в которых обычно используются сплошные и полутрубчатые заклепки, включают:
• Лестницы• Освещение
• Тормоза
• Привязки
• Самолет
• Поезда
• Лодки
Инструменты установки для запеканий
Monroe JHP. У нас есть высококачественное, высокопроизводительное оборудование для широкого спектра крепежных работ. Наш инвентарь включает:
• Ручной заклепочный инструмент
• Пневматический заклепочный инструмент
• Сварочное оборудование CD (емкостного разряда)
Свяжитесь с Monroe JHP Fasteners сегодня для всех ваших потребностей в заклепках
Monroe JHP Fasteners является ведущим дистрибьютором всех типов крепежных изделий, используемых производителями прецизионного листового металла.
Свяжитесь с нами, чтобы получить помощь в выборе заклепок, соответствующих вашим требованиям. Запросите предложение на цельные заклепки, вытяжные заклепки или полутрубчатые заклепки от Monroe JHP Fasteners сегодня!Клепка (Cherry Max, Cherry Lock, глухие и цельные заклепки)
Компания American Precision специализируется на заклепках (черри макс, вишневый замок, глухие и цельные заклепки) в соответствии с различными спецификациями аэрокосмической, военной и коммерческой техники.
У нас есть заклепочники для сжатия на пьедестале, заклепки для сжатия. А также заклепочные станки на пьедестале, заклепочник скамейки вместе с заклепочными пистолетами Cherry и Huck Brand и запорными болтами.
Нажмите на изображение, чтобы увеличить его
Методы крепления заклепками
Заклепка — это метод крепления, используемый для соединения двух деталей (склепанных). Глухая заклепка соединяет детали на постоянной основе.
Заготовку можно привинтить с помощью заклепочной гайки через внутреннюю резьбу.Позвольте American Precision помочь вам со всеми вашими сборочными задачами. Мы можем поставить ваши компоненты. Или вы можете отправить их нам, и мы отправим их вам обратно в полностью собранном виде. Мы можем обрабатывать все ваши короткие тиражи всего от нескольких сотен штук до всех ваших длинных тиражей во многие тысячи. У нас есть опытная команда, которая соберет, заклепает и отправит вам обратно ваши детали.
Компания American Precision имеет непревзойденный собственный запас заклепок, резьбовых вставок, инструментов и запасных частей, которые можно использовать и сразу же отгружать со склада.
Возможности сборки
Мы устанавливаем следующие заклеповые рабочие места:
- Короткие пробежки
- Long Runs
- ОДНА.0227
- Orbital Riveting & Staking
- Semi-tubular Rivets
- Solid Rivets
- Blind Rivets
- Threaded Inserts
- Press in Captive Hardware
- Screws & Nuts
- Other Hardware and components
No investment in инструменты или машины
Качество, на которое можно положиться!
Компания American Precision предлагает полную линейку инструментов для вытяжных заклепок, позволяющую клиентам разрабатывать системы заклепок, отвечающие их очень специфическим требованиям, от низкочастотного обслуживания до механизированных или автоматизированных линий массового производства.

Вытяжная заклепка — это основной болт для металлов, изготовленный из нержавеющей стали, легкого алюминия или обычной стали. Так дополнительно называется поп-заклепка. Тем не менее, Pop на самом деле является торговой маркой для этого типа заклепок.
Вытяжные заклепки довольно легко установить, так как их можно установить с одной стороны. Итак, по сравнению с сильной заклепкой, для которой нужны 2 человека; один с заклепочным молотком, размещенным на одной стороне каркаса, а также еще один. У одного за этим есть метательная планка.
Вся процедура достаточно короткая, всего пару секунд. Таким образом, вы можете постоянно монтировать вытяжные заклепки самостоятельно. Вам не нужно беспокоиться о том, что у вас нет опыта, а также делать грубые ошибки.
Стали, которые вы, скорее всего, скрепите друг с другом, можно скрепить друг с другом дополнительным методом. Или повторно заклепать, просто избавившись от предыдущей заклепки, которую вы установили.

Заклепки — непризнанные герои сборочного дела.
Некоторые заклепки обеспечивают исключительную запирающую способность как для легких, так и для тяжелых условий эксплуатации, и фактически заклепки годами использовались во всем, от подводных лодок до самолетов и установок из листового металла.
Заклепки на самом деле превосходно выдерживают сдвигающие и растягивающие нагрузки, а также обеспечивают герметичность.
Что такое заклепка? Заклепка на самом деле представляет собой механическое крепление с гладким круглым стержнем и головкой. После установки конец вала увеличивается, строя «цеховую головку» и соединяя элементы на локации.
Сейчас существует множество типов заклепок: глухие заклепки, сплошные заклепки, трубчатые заклепки, приводные заклепки, разрезные заклепки, плечевые заклепки, заклепки тиннера, ответные заклепки и ленточные заклепки.
Каждый вид заклепок имеет особые преимущества, каждый из которых идеально подходит для уникальной формы заклепки.
Тем не менее, как правило, также предлагаются в различных материалах, габаритных размерах и отделке по желанию.CherryMAX
CherryMAX ® , как правило, представляет собой глухую заклепку со стопорным шпинделем вместе с видимым для осмотра механизированным крепежным узлом и собственной монтажной шайбой, которая устраняет препятствия, возникающие из-за изношенных упоров устройства. Это на самом деле известно как «выпуклый» крепеж из-за его массивной глухой боковой опорной поверхности, дополнительно созданной в процессе установки.
Заклепки CherryMAX ® обычно используются в прозрачных листах, а также в материалах, которые могут быть повреждены заклепками других типов.
Заклепка CherryMAX ® , вероятно, является самым надежным, очень прочным конструкционным крепежным элементом, который на сегодняшний день доступен для визуального контроля во всем мире. Он включает в себя закрывающее кольцо «Safe-lock», обеспечивающее более надежную стабильность соединения.

БУЛЬБОВЫЙ CherryLOCK
БУЛОЧНЫЙ CherryLOCK ® представляет собой полную систему крепления на сдвиг. Его компоненты могут быть объединены, когда речь идет о максимально возможной мощности и производительности как в одинаково толстых, так и в тонких листах.
Обеспечивает максимально достижимую стабильность компоновки, особенно при использовании двойных углублений или даже тонкого листа с обратной стороны. Системы гидропереключения передач CherryLOCK ® определенно необходимы при установке.
ВЫТЯЖНЫЕ ЗАКЛЕПКИ
Идеально подходят для задач, когда доступ к соединению просто ограничен одним краем. Глухие заклепки (или «выдвижные» заклепки) обычно бывают традиционных, конструкционных, с закрытым концом и нескольких дополнительных типов для самых разных целей.
Вытяжные заклепки представляют собой заклепки, состоящие из нескольких частей, которые можно вставлять через один край заготовки.
Как правило, глухие заклепки были выбраны на основных кромках самолета, задних кромках, а также в закрытых местах, в которых вход ограничен только одной частью конструкции.Существующее применение глухих заклепок было расширено на множество других областей плоскости с целью снижения затрат усилий, а также для решения эргономических проблем сплошных заклепок.
ЦЕЛЬНЫЕ ЗАКЛЕПКИ
Одна из самых первых заклепок, классическая сплошная заклепка, очень прочная. Это действительно считается среди многих предлагаемых креплений с защитой от несанкционированного доступа и вибрации.
Сплошные заклепки являются одним из самых ранних и наиболее надежных видов застежек, которые обычно встречаются в исторических находках, относящихся к бронзовому веку.
Цельные заклепки состоят только из стержня и головки, которые, в свою очередь, деформируются молотком или заклепочным инструментом.
Установка заклепок
Удаление заклепок Авиационная строительная механика Установка заклепок cherrylock
УСТАНОВКА ВЫТЯЖНЫХ ЗАКЛЕПОКОписание и использование вытяжных заклепок включены в
.

в главе 2 настоящего руководства. Специальные инструменты и
методы установки и удаления описаны в
следующие разделы. Подбор подходящего оборудования
зависит от ряда переменных: свободного места
для оборудования, типа заклепок, которые нужно забить, и
наличие давления воздуха.
Инструменты для установки
Одним из инструментов, используемых для забивания втулочных заклепок, является
CP350.
инструмент для вытягивания глухих заклепок. См. рис. 13-49. Нос
инструмента включает в себя набор кулачков патрона, которые подходят для
тянуть канавки в шпильке заклепкип. через заклепку
хвостовик для установки заклепки. Нос также имеет внешнюю
наковальня, которая упирается в наружную часть изготовленного
голову во время вождения. Третий
Носовой компонент представляет собой внутреннюю наковальню, которая выдвигается автоматически.
чтобы загнать стопорный хомут домой после
формируется слепая голова. Короткая носовая часть, взаимозаменяемая
со стандартной сборкой, доступен
для использования в зонах с ограниченным доступом.
Для изменения диаметра заклепки требуется
замена кулачков патрона, внешней наковальни,
внутренняя наковальня и внутренняя наковальня
подшипник и регулировка клапана переключения передач
давление. Изменение типа головки заклепки с
универсальная головка на потайную головку без замены
в диаметре заклепки, или наоборот, требует только изменения
внешней наковальни.Специальный инструмент для сборки кулачков патрона снабжен
инструмент. Чтобы вставить кулачки патрона во втулку патрона,
вы должны установить три челюсти на эту сборку
инструмент для формирования конуса. Затем опустите перевернутую
втулка патрона над кулачками. Вы всегда должны
убедитесь, что инструмент для вытягивания оснащен правильным
Размер кулачков патрона, внешняя и внутренняя наковальни подходят
заклепки забиваются, а предохранительный клапан работаетРисунок 13-48.- Удаление заклепок.
Таблица 13-3.
— Настройки для CP350
Инструмент для вытягивания глухих заклепокДавление
правильно отрегулировано для размера заклепок
.
Также убедитесь, что заклепки имеют правильную длину.
Инструмент имеет только одну рабочую регулировку. Этот
Регулировка используется для контроля натяжения штифта.
желаемое усилие зависит от диаметра
заклепок, которые необходимо установить. Тяга разнообразна
путем изменения давления, при котором регулируемый
клапан переключения работает. Чтобы отрегулировать давление,
действовать следующим образом:1. Снимите трубную заглушку с цилиндра инструмента
и
подключите манометр к инструменту.2. Нажмите на спусковой крючок и отпустите его, как только появится затяжка
.
выхлопа указывает на клапан переключения, управляющий
внутренняя наковальня сместилась. Затем манометр покажет
давление переключения. См. таблицу 13-3 для приблизительного
давления.
ПРИМЕЧАНИЕ:
Триггер должен быть
выпущен сразу, как клапан
сдвиги.
В противном случае датчик будет
запишите более высокое давление, которое строится
вверх после смещения клапана.3. Для регулировки давления ослабить регулировочный винт клапана
контргайку и поверните регулировочный винт клапана
по часовой стрелке, чтобы увеличить давление, или против часовой стрелки, чтобы
уменьшайте давление, пока желаемое давление
получается. Проверьте давление после затяжки
контргайка регулировочного винта клапана. Когда ты
заклепки с очень большой длиной захвата, вы должны
отрегулировать предел высокого давления. За
эффективная работа инструмента, минимальное желаемое
давление в магистрали должно быть не менее 90 фунтов на квадратный дюйм и
максимальное не более 110 psi. Когда
вы используете заклепочный инструмент CP350A или B,
может быть необходимо увеличить внутренний диаметр
втулки воздухозаборника, артикул 81479,
от 0,055 до 0,065 дюйма во время вождения
Заклепки диаметром 3/16 дюйма, если давление в трубопроводеРисунок 13-49.
-Самозаглушающаяся заклепка
(механический замок) тянуть инструмент.Рис. 13-50. -Вишневые пушки.
Рис. 13-51.-Пистолет серии Hydo-shift.
ниже 90 psi. Когда вы забиваете заклепки диаметром 1/8 дюйма
,
возможно, необходимо использовать втулку воздухозаборника,
номер детали 82642, у которого внутри 0,040 дюйма
диаметр. Если инструмент «трепещет», уменьшите давление в линии.
до 60 фунтов на кв. дюйм с регулятором воздуха, номер детали 900-102,
крепится к воздухозаборному патрубку. Когда
вы используете инструмент для извлечения заклепок CP350C для забивания
Заклепки диаметром 1/16 и 5/32 дюйма, используйте воздухозаборник
втулка, номер детали 81479, и стопор клапана переключения передач,
номер детали 83731. Когда вы едете с диаметром 1/8 дюйма
заклепки с CP350C, используйте воздухозаборник
втулка, номер детали 83642, и уменьшите линейное давление
до 60 psi с регулятором воздуха, артикул 900-102,
крепится к воздухозаборному патрубку.
е. материал слишком мягкий, для надёжного упора заклёпки,
07.17 на заклёпки вытяжные ELNAR
/Сталь по ISO 15977*
0
0 x 6
5
8 x 28
0 x 16

Рычажный заклепочник отлично упрощает задачу при работе с заклепками больших диаметров.