Вд 306 схема электрическая: Сварочный выпрямитель ВД 306 — обзор, правила эксплуатации, схема, паспорт, характеристики сварочного выпрямителя ВД 306 УЗ
Содержание
Выпрямители типа ВД с падающими внешними. характеристиками
Выпрямители типа ВД предназначены для ручной сварки, резки и наплавки, а также для механизированной сварки под флюсом.
Они относятся к источникам питания группы О. Функциональная блок-схема выпрямителя приведена на рис. 3.23. В состав выпрямителя входят трехфазный силовой трансформатор Т с усиленными магнитными полями рассеяния и выпрямительный блок V, собранный по трехфазной мостовой схеме на кремниевых вентилях, а также пусковая и защитная аппаратура. Конструкция сердечника и расположение обмоток на стержнях трансформатора показаны на рис. 3.24. Обмотки трансформатора обладают большой индуктивностью рассеяния вследствие усиленных магнитных полей рассеяния, получаемых уменьшением магнитной связи между первичной I и вторичной II обмотками, что достигается установкой их на расстоянии Ь. Большие индуктивности рассеяния обусловливают значительные индуктивные сопротивления и крутопадающую внешнюю характеристику трансформатора
в диапазоне рабочих напряжений.
мин) ТОКОВ.
Ступенчатое регулирование осуществляется одновременным переключением фаз обеих обмоток трансформатора со звезды на треугольник при сохранении коэффициента трансформации. При соединении фаз звездой и данном расстоянии Ь между катушками обмоток выпрямитель работает на ступени малых токов, а при соединении треугольником — больших токов. Ток короткого замыкания выпрямителя на ступени МТ меньше тока короткого замыкания ступени БТ примерно в три раза. Переключатель ступеней сварочного тока вынесен на лицевую панель выпрямителя. Ступенчатое регулирование можно производить лишь при отключении выпрямителя от силовой сети.
В пределах каждой ступени плавное регулирование сварочного тока осуществляется изменением расстояния Ь. Верхнее ярмо ВЯ трансформатора состоит из двух пакетов, между которыми проходит ходовой винт с закрепленным внизу подпятником. При вращении ходового винта происходит перемещение катушек фаз первичной обмотки /. Катушки фаз вторичной обмотки II закреплены неподвижно у верхнего Ярма (см.
рис. 3.24). Рукоятка ходового винта и шкала сварочного тока [6] находятся на крышке кожуха выпрямителя. При повороте рукоятки по часовой стрелке происходит сближение катушек фаз обмоток, уменьшение расстояния Ь и увеличение сварочного тока вследствие у меньше:
НИЯ индуктивности рассеяния обмоток Lai и Lai и уменьшения индуктивных сопротивлений обмоток. При раздвижении да тушек индуктивности рассеяния обмоток увеличиваются, сварочный ток уменьшается. Напряжение холостого хода {У2х. х при плавном регулировании тока за счет изменения b изменяется незначительно (см. рис. 3.25).
При Ь = Ьмаис напряжение (У2х. х на 5—6% меньше, чем при Ь = 0.
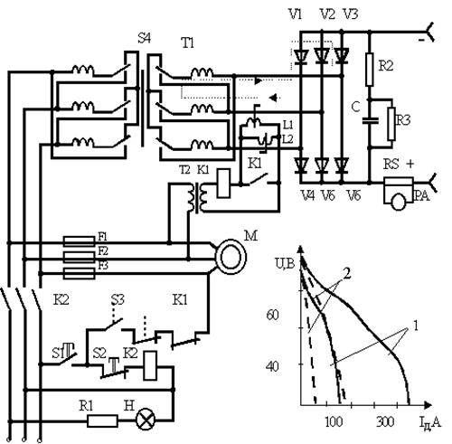
Рис. 3.26. Упрошенная электрическая’схема выпрямителя типа ВД-306 |
На рис. 3.26 представлена упрощенная электрическая схема выпрямителя типа ВД-306; на рис. 3.27 приведена его регулировочная характеристика для одной ступени регулирования при Un= 0.
Технические данные выпрямителя типа ВД-306 представлены ниже.
Климатическое исполнение и категория размещения — . . УЗ, ТЗ Нижнее значение температуры окружающего воздуха, °С —40
Номинальный сварочный ток, А……………………………………… ■. . 315
Пределы регулирования сварочного тока, А…………………………… 45—315
Номинальное рабочее напряжение, В……………………………………………… 32,6
Напряжение холостого хода, В. . . ………………………………………… 70
Номинальное напряжение питающей сети, В……………………………… 220/380
Первичная мощность, кВ-А……………………………………………………………….. 21
Режим работы, ПН%…………………………………………………………………………. 60
К. п. д., %………………………………………………………………………………………….. 70
Габаритные размеры, мм………………………………………..
…………….. 765 X 735 X
Х772
Масса, кг, не более……………………………………………………………………………. 170
Включение выпрямителя в работу осуществляется в следующем порядке.
При включении пакетного выключателя S (см. рис. 3.26) получает питание двигатель вентилятора. При его нормальной работе (т. е. при обеспечении необходимого обдува вентилей блока В) срабатывает реле контроля вентиляции и своим замыкающим кон —
тактом включает цепь катушки магнитного пускателя. Последний, замыкая свои контакты S2 в линейной цепи, подает питание на трансформатор Т[7]. От трансформатора через выпрямительный блок V получает питание дуга.
Неаварийное отключение выпрямителя от сети осуществляется также пакетным выключателем S.
Аварийное отключение в зависимости от причины аварии может осуществляться реле контроля вентиляции (при прекращении или снижении уровня обдува вентилей) или узлом защиты (при пробое вентилей или замыканиях на корпус вторичных обмоток трансформатора Т).
Узел защиты состоит из магнитного усилителя А, вспомогательного трансформатора Тв и реле К.
Обмотками управления служат провода двух фаз вторичной обмотки трансформатора Т, проходящие через окна двух тороидальных сердечников магнитного усилителя. Эти провода соединяют вторичную обмотку трансформатора с выпрямительным блоком. Необходимость наличия в окнах сердечников А проводов двух фаз объясняется тем, что узел защиты должен обеспечивать отключение выпрямителя при соединении фаз вторичной обмотки Т как в звезду, так и в треугольник.
Обмотка реле К и включенные параллельно рабочие обмотки РО магнитного усилителя получают питание от вспомогательного трансформатора Тв. ■
В нормальных (неаварийных) условиях работы сердечники магнитного усилителя не насыщены, величина напряжения вторичной обмотки Тв недостаточна для срабатывания реле К. В аварийных режимах (например, при пробое р-л-перехода вентиля) в фазных вторичных токах трансформатора Т появляются постоянные составляющие, вызывающие насыщение сердечников усилителя А, реле К срабатывает, снимает питание с катушки магнитного пускателя,-контакты которого S2 размыкаются и снимают питание с трансформатора и с двигателя вентилятора; сварочный выпрямитель отключается от сети, процесс сварки прерывается.
В схеме предусмотрена самоблокировка реле К с помощью контакта S1.
Для защиты блока V от коммутационных перенапряжений, возникающих при изменениях состояния вентилей от запертого к проводящему, между выводами а, b и с фаз вторичной обмотки трансформатора Т включены защитные разрядные цепи Rv—Ср (на рис. 3.26 не показаны; см. рис. 3.9).
3.28, б видно, что если при заданных U и ОУ2/Ш1 ток дуги определен точкой пересечения характеристик Un=f(I) и U=f(I) при Ux. x=U0i и равен Л, то при увеличении wx ток дуги станет меньше h и будет определяться точкой пересечения характеристик Ua=f(I) и U = =/(/) при Ux. x=Uог-
Выпрямитель имеет два переключателя числа витков Шь один — для ступенчатого регулирования (три ступени), второй — для плавного регулирования (восемь ступеней). При помощи этих переключателей выпрямитель обеспечивает регулирование выходного напряжения в 24 ступени.
При работе на максимальную мощность секционированная часть первичной обмотки трансформатора не используется.
Кроме того, изменение числа витков wx влечет за собой нарушение симметрии обмоток и увеличивает магнитное рассеяние, что сказывается на наклоне внешней характеристики.
Эксплуатационным недостатком данного выпрямителя является то, что регулирование выходного напряжения и, следовательно, сварочного тока можно производить только при холостом ходе.
Выпрямители выпускались на токи 200—600 А при напряжении холостого хода 20—60 В; в настоящее время эксплуатируются на
ряде предприятий, но промышленностью не выпускаются.
Выпрямитель тина ВДГ, управляемый дросселем с самоподмаг — ничиванием[8]. Функциональная блок-схема выпрямителя приведена на рис. 3 29, а упрощенная электрическая схема — на рис. 3.30. Регулирование выходного напряжения ступенчато-плавное. Ступенчатое регулирование (три ступени) осуществляется изменением коэффициента трансформации силового трансформатора Т. Соединению фаз первичной обмотки треугольником с использованием отводов (рис. 3.30) соответствует первая ступень регулирования I, соединению фаз обмоток треугольником без отводов — вторая ступень II и соединению фаз звездой с использованием отводов — третья ступень регулирования III выходного напряжения выпрямителя.
Переключение фаз пакетно-кулачковым переключателем Si производится на холостом ходу. Плавное регулирование в пределах каждой ступени осуществляется трехфазным дросселем насыщения
Рис. 3.30. Упрощенная принципиальная электрическая схема выпрямителя типа ВДГ с дроссельным управлением. Обозначения основных элементов схемы такие же. как на рис. 3.29 |
Ф+ а 2 Я Ё Я і о і о |
А. Дроссель выполнен на шести ленточных разрезных сердечниках, на каждом из которых расположены рабочие обмотки РО. Объединенные попарно сердечники охвачены катушками обмоток управления (ОУ) и смещения (ОСМ), магнитодвижущие силы которых направлены встречно. На обмотку управления подается стабилизированное напряжение с потенциометра R1, который включен на выпрямленное стабилизированное выходное напряжение блока V7, собранного по однофазной мостовой схеме выпрямления. Питание блока V7 осуществляется от силовой сети [/;В через феррорезонансный стабилизатор напряжения СН.
СИЛОВОГО •трансформатора Т через вентили блока V8 и нерегулируемый токоограничивающий резистор R2.
Обмотка смещения служит для расширения пределов плавного регулирования выходного напряжения, осуществляемого током /у на данной ступени регулирования [19].
На рис. 3.31 приведены предельные внешние характеристики для трех ступеней регулирования выпрямителя, типа ВДГ-302.
На рис. 3.32 приведена зависимость сварочного тока / от тока /у обмотки управления и отмечен диапазон регулирования между
Jу1 И /у2-
Технические данные выпрямителя типа ВДГ-302 приведены в табл. 3.1. До сварочного выпрямителя ВДГ-302 промышленность выпускала сварочный выпрямитель типа ВДГ-301, который имел ту же функциональную схему и тот же принцип действия, что и ВДГ-302, но худшие технико-экономические показатели.
Выпрямитель типа ВДГ, управляемый тиристорами[9]. Выпрямитель используется как источник питания в сварочном автомате типа ПДГ-601. Функциональная блок-схема выпрямителя типа ВДГ с тиристорным управлением приведена на рис.
3.33.
Формирование жестких внешних характеристик, регулирование и стабилизация выпрямленного выходного напряжения, подаваемого на сварочную дугу, осуществляются в выпрямителе с помощью блока фазового управления БФУ, получающего питание от трансформатора Та. С блока БФУ поступают отпирающие импульсы на
тиристоры преобразователя ТП. Форма внешних характеристик выпрямителя типа ВДГ с тиристорным управлением подобна форме внешних характеристик выпрямителя типа ВДГ с дроссельным управлением. Стабилизация установленного выходного напряжения выпрямителя осуществляется обратной связью по напряжению с
Рис. 3.33. Функциональная блок-схема выпрямителя типа ВДГ с тиристорным управлением:
Т — трехфазный ендовой трансформатор; ТП—тиристорный преобразователь; БФУ■—блок фазового управления; Тв — вспомогательный трансформатор; L — линейный дроссель [Ui—fVs} — внешняя характеристика трансформатора; U=f(f) — внешняя характеристика выпрямителя]
выхода блока ТП на блок БФУ.
При изменении напряжения сети от + 5 до —10% от номинального значения напряжение на выходе выпрямителя с тиристорным управлением типа ВДГ-601 поддерживается с точностью ±1 В в диапазоне рабочих напряжений 18—50 В
и с точностью ±5 В в диапазоне рабочих напряжений 50—66 В. Выпрямитель двухрежимный обеспечивает режимы малых и больших токов. Режим малых токов применяется при вертикальном положении швов и при заварке кратеров, режим больших токов — при горизонтальном положении швов. При режиме малых токов (в сравнении с режимом больших токов) скорость подачи сварочной проволоки должна быть меньше, а индуктивность линейного дросселя в цепи дуги больше (индуктивность подбирается опытным путем и обеспечивается переключением выводов дросселя).
На рис. 3.34 показан вид предельных внешних характеристик выпрямителя типа ВДГ-601 с тиристорным
управлением для одного из режимов выпрямителя приведены в табл. 3.1.
Выпрямитель типа ВСЖ. Функциональная блок-схема выпрямителя приведена на рис.
3.35. В выпрямителе применен силовой трбхфаз- ный трансформатор с магнитной системой особой конструкции. Сердечник имеет ярма с регулируемой маг-, нитной проводимостью: два средних ярма СЯ и верхнее ярмо ВЯ (рис. 3.36). Стержни сердечника внизу соединены нижним ярмом НЯ с нерегулируемой магнитной проводимостью. Средние ярма делят каждое окно трансформатора на два окна а и р. Магнитная проводимость среднего и верхнего ярм регулируется подмагничиванием их потоками, создаваемыми обмотками ОУ1 и ОУ2, расположенными на этих яр — мах. В окнах а расположены все витки Ш] первичной обмотки и большая часть W2а витков вторичной обмотки. В окнах Р размещена осталь-
ная часть витков вторичной обмотки w2р. Витки w2a и w2p соединены последовательно и согласно. Соотношением w2p/wza обеспечивается заданный диапазон регулирования выходного напряжения. Таким образом, трансформатор Т выполняет функции не только трансформатора, но и регулятора выходного напряжения выпрямителя. Вторичная обмотка трансформатора имеет отводы для ступенчатого регулирования выходного напряжения выпрямителя.
Рис. 3.36. Конструкция сердечника и расположение обмоток трансформатора выпрямителя типа ВСЖ |
Силовой выпрямительный блок V собран на неуправляемых полупроводниковых вентилях по трехфазной мостовой схеме выпрямления. В цепь дуги включен линейный дроссель L.
Формирование жестких внешних характеристик, регулирование и стабилизация выпрямленного выходного напряжения осуществляются блоком БКТ, блоком БСН сравнения заданного напряжения с фактическим напряжением на выводах выпрямителя (после блока V) и блока усиления А.
Принципиальная электрическая схема выпрямителя типа ВСЖ приведена на рис. 3.37. Блок коррекции по сварочному току БКТ предназначен для изменения наклона внешних характеристик выпрямителя, блок сравнения БСН — для сравнения заданного напряжения с фактическим напряжением на выводах выпрямителя, а
Рис. 3.37. Принципиальная электрическая схема выпрямителя типа ВСЖ — Обозначения основных элементов схемы такие же, как на рис. |
также для стабилизации напряжения, подаваемого на обмотки под- магничивания верхнего и среднего ярм. Блок БСН представляет собой нелинейный мост, в плечи которого включены резисторы R и и стабилитроны VI и V2. При разбалансе моста на его выводах а и b возникает напряжение, которое подается на блок усиления А. В блоке А происходит усиление токов для питания обмоток ОУ1 и ОУ2 подмагничивания ярм трансформатора Т. В блок усиления А входят бесконтактные полупроводниковые реле на транзисторах V4, V5, V6, промежуточный транзистор V7 и дифференциальный выходной усилитель на транзисторах V8 и V9. Промежуточный транзистор V7 управляет выходным усилителем. В коллекторные цепи транзисторов V8 и V9 включены обмотки управления верхнего ОУ1 и среднего ОУ2 ярм. Отдельные элементы блока А получают питание от силовой сети через вспомогательные блоки, которые на рис. 3.37 не показаны. *
Рассмотрим работу блоков сравнения и усиления. Если напряжение на входе блока БСН соответствует заданному, то нелинейный мост находится в равновесии и напряжение на его выводах а и Ь равно нулю.
Бесконтактное реле отключено. Транзистор V8 в цепи обмотки управления ОУ1 открыт. Магнитный поток обмотки ОУ1 подмагничивает верхние ярма, уменьшается фазное напряжение Т и выходное напряжение выпрямителя. Если нарушается равновесие нелинейного моста, то на выводах а и b моста возникает разность потенциалов. Бесконтактные реле включаются, открытый транзистор V8 закрывается и открывается V9. Обмотка управления ОУ2 получает питание. С подмагничиванием средних ярм напряжение на выводах выпрямителя возрастает, бесконтактное реле и транзистор 1/9 отключаются, обмотка ОУ1 получает питание, напряжение на — выводах выпрямителя начинает уменьшаться и т. д. Благодаря инерционности обмоток управления, определяемой в основном их большими индуктивностями, заданное напряжение поддерживается стабильным. Таким образом, в сварочном выпрямителе типа ВСЖ путем поочередного включения обмоток управления ОУ1 и ОУ2 автоматически поддерживается заданное выходное напряжение. Блок БКТ настраивают так, чтобы наклон стабилизированных внешних характеристик совпадал с наклоном естественных внешних ‘характеристик без работы блока коррекции.
В этих условиях сварочный процесс протекает с наименьшим разбрызгиванием металла.
На рис. 3.38 приведены внешние характеристики выпрямителя типа ВСЖ, соответствующие трем ступеням регулирования выходного напряжения (/, II, 111). В пределах каждой ступени плавное регулирование производится с помощью потенциометра Ru (см. рис. 3.37). Выпрямители типа ВСЖ имеют ряд преимуществ по сравнению с выпрямителями типа ВДГ с дроссельным управлением: плавное регулирование величины напряжения холостого хода, независимость процесса сварки от колебаний напряжения силовой сети, более высокие технико-экономические показатели. Ниже приведены технические данные выпрямителя типа ВСЖ-303.
Номинальный сварочный ток, А………………………………………………………. 315
Режим работы, ПН%…………………………………………………………………………. 60
Продолжительность цикла сварки, мин……………………………………………… 5
Номинальное рабочее напряжение, В.
………………………………………………. 30
Пределы регулирования номинального рабочего напряжения, В 9—32
Номинальное напряжение питающей сети, В…………………………………… 380
К. п. д., %……………………………………………………………….. 76
виды, модели вд 306, вдм, дуга, цена
Автор admin На чтение 4 мин. Просмотров 1.4k. Опубликовано
Любой сварочный выпрямитель — универсальный, дроссельный, инверторный или тиристорный – функционирует по одной и той же схеме, поглощая переменный «бытовой» и отдавая постоянный «сварочный» ток.
В процессе обозначенной трансформации меняется не только тип тока – выпрямитель повышает силу, снижая напряжение. Ведь для сварки необходима сила тока, которая увеличивается от стандартных пяти до десятков и сотен ампер, достаточных для генерации дуги между катодом и анодом выпрямителя.
В данной статье мы рассмотрим основы конструкции сварочных выпрямителей на примере компоновки конкретных разновидностей подобных сварочных аппаратов.
Содержание
- Основные узлы конструкции выпрямителя
- Тиристорные выпрямители
- Инверторный выпрямитель
- Дроссельный выпрямитель
- Транзисторный выпрямитель
Любой выпрямитель состоит из следующих узлов: силового трансформатора, выпрямляющего блока и пускорегулирующего блока. Кроме того, в конструкцию выпрямителя обязательно входит защитное и измерительное устройство.
Силовой трансформатор выпрямителя может быть:
- Трехфазным (питаемым от промышленной электросети на 380 Вольт).
- Однофазным (питаемым от бытовой электросети на 220 Вольт).
Причем первый вариант предпочтительнее второго, поскольку трехфазные трансформаторы обеспечиваю большую стабильность характеристик сварочного тока.
Ток с трансформатора транслируется на дроссель (диод), где из переменного потока получают постоянный.
Причем в большинстве случаев, используются сварочные выпрямители вдм типа, основанные на мостовой схеме, гарантирующей перераспределение энергии в пользу положительного полюса.
Перебрасываю «плюс» на электрод или масс кабель можно добиться расплавления стыкуемого или присадочного материала.
А в целом, по конструкционному исполнению выпрямитель может быть тиристорным, инверторным, дроссельным или транзисторным. И далее по тексту мы рассмотрим эти разновидности сварочных аппаратов более подробно.
Тиристорные выпрямители
Такой аппарат функционирует на тиристорном выпрямляющем блоке, являющемся еще и регулятором тока. Причем используя схему фазоимпульсного управления, сдвигающего по времени управляющий импульс, можно получить высокоточные вольтамперные характеристики сварочного тока.
Согласно этой схеме функционируют и сварочный выпрямитель вду – вгд типа, и аппараты ВСВУ-ВСП типа. Причем последние работают на основе генерации пилообразного напряжения, которое преобразуют в прямоугольные импульсы.
А в ВДУ устройствах тиристоры встроены прямо в фазы вторичных обмоток силовых трансформаторов.
Простота и универсальность тиристорной конструкции превратили эту схему в стандартный вариант компоновки, используемый в большинстве сварочных выпрямителей.
Инверторный выпрямитель
В конструкции такого аппарата на сход силового трансформатора транслируется ток высокой частоты, преобразуемый из стандартного переменного тока с частотой в 50 Гц особым блоком – инвертером.
Такая компоновка позволяет снизить массу силового трансформатора и превращает инверторный выпрямитель в один из самых легких сварочных аппаратов.
К тому же, его КПД равняется почти 90 процентам (абсолютный рекорд среди сварочных аппаратов), а продолжительность включения составляет 100 процентов (целых 10 минут непрерывной работы).
Если основной критерий, по которому вы выбираете выпрямитель сварочный – цена устройства, то инверторный вариант вам, безусловно, понравится.
Ведь его энергопотребление вдвое меньше аналогичного показателя прочих сварочных аппаратов.
Дроссельный выпрямитель
Если вам нужен действительно надежный аппарат – обратите внимание на дроссельный выпрямитель. В этом случае напряжение с трансформатора транслируется не на выпрямительный мост, а на дроссель насыщения, с которого ток уходит на блок регулировки и уже после него попадает в выпрямляющий блок. Причем за этим блоком стоит все еще один дроссель.
По сути, в указанной схеме дроссель играет роль скорее элемента блока управления, чем части выпрямляющего моста. Но такое распределение обязанностей гарантирует, что основной продукт, который исторгает из себя сварочный выпрямитель – дуга электрического разряда – будет обладать устойчивыми характеристиками.
Поэтому дроссельные аппараты используют на действительно ответственных участках: в шахтах, при стыке трубопроводов, в карьерах и так далее. К тому же, дроссельный выпрямитель генерирует сварочный ток силой до 650 Ампер – а это практически пиковый показатель для электродуговой или аргонодуговой сварки.
Например, достаточно мощный конкурирующий аппарат – трехфазный выпрямитель сварочный вд 306 – способен «выдать» не более 315 Ампер.
Транзисторный выпрямитель
Выпрямляющий блок на транзисторах гарантирует практически 100-процентную точность процесса регулировки вольт-амперных характеристик сварочного аппарата.
Это качество объясняется высокой «реакцией» транзисторной составляющей аппарата.
Кроме того, благодаря высокой реакции транзисторов на выпрямителе можно «выставить» любое соотношения сварочного тока и сварочного напряжения. И такая регулировка доступна не только на предварительном этапе, во время настройки аппарата, но и в процессе его использования.
Разумеется, такие, безусловно, выдающиеся качества не могли остаться невостребованными. Транзисторные выпрямители используют для стыковки особо важных (и не очень) узлов трубопроводов, газопроводов, систем вентиляций, крепления шахт и так далее.
com/embed/jMTMdVk7ctc»>
Роланд — VAD306 | V-Drums Acoustic Design
Компактный комплект с корпусами малой глубины и модулем TD-17
VAD306 — это уникальный комплект V-Drums Acoustic Design, специально компактный, но с сохранением отличительной акустической эстетики серии. Занимаемая площадь такая же, как у набора V-Drums среднего уровня, что делает его идеальным для домашнего использования и тесных сцен. Укороченные неглубокие корпуса экономят место и вес, но с игровой позиции они сразу кажутся знакомыми любому барабанщику. Двойные стойки с креплениями для томов и штангами для тарелок завершают композицию и еще больше усиливают акустическую тему. А благодаря своему органичному, выразительному звучанию модуль TD-17 обеспечивает все акустическое звучание и удобство игры, о которых вы только могли мечтать, независимо от того, играете ли вы сами дома или выступаете в местном баре.
Стандартные характеристики
История акустического дизайна V-Drums
Представляем V-Drums Acoustic Design
V-Drums Acoustic Design — это совершенно новый опыт V-Drums, сочетающий физическое присутствие акустических барабанов с ведущей в мире цифровой перкуссионной технологией Roland.

V-Drums Acoustic Design VAD306 Обзор
VAD306 — это уникальный комплект V-Drums Acoustic Design, специально компактный, но с сохранением отличительной акустической эстетики серии.
Акустический дизайн V-Drums Звуки VAD306
Сердцем VAD306 является модуль TD-17, наполненный звуками, полученными от знаменитого звукового движка TD-50.
Мощный звук и реалистичное выражение
Сердцем VAD306 является модуль TD-17, наполненный звуками, заимствованными из знаменитого звукового движка TD-50. Он включает в себя обширную коллекцию старинных и современных барабанов, тарелок и перкуссии, семплированных со сверхвысокой детализацией звука с каждой возможной скоростью и ударом головы.
Затем эти сэмплы сочетаются с уникальной технологией Prismatic Sound Modeling от Roland, что обеспечивает сложный, реалистичный тональный диапазон и плавные динамические переходы между ударами. В результате получается звук, который не только звучит точно акустически, но и ведет себя акустически.
Создайте (и создайте) свою фирменную ударную установку
Модуль TD-17 содержит широкий спектр готовых к игре установок, включая 10 новых акустических пресетов, созданных для VAD306. В то время как предустановленные наборы звучат фантастически, вы можете легко погрузиться глубже и создать свою идеальную установку ударных с помощью интуитивно понятных инструментов редактирования. Думайте о модуле как об огромном складе барабанов и тарелок разных эпох, которые вы можете смешивать и сочетать в любой комбинации. После этого поменяйте местами пластики, измените настройку, добавьте приглушение и даже измените виртуальное пространство, в котором вы играете. Продвиньтесь еще дальше, загружая свои собственные сэмплы и комбинируя их со встроенными инструментами, создавая персонализированные наборы, которые не может сделать ни один другой барабанщик.
требовать.
Большие пэды и более широкий диапазон воспроизведения
Акустические барабаны обычно больше, чем электронные барабанные пэды. Размер каждого барабана добавляет к общему впечатлению не только визуально, но и ощущение палочки и физическое расположение. Вот почему VAD306 оснащен 12-дюймовым малым барабаном и напольным томом, двумя 10-дюймовыми стоечными томами и 18-дюймовым бас-барабаном, что создает естественно широкий диапазон игры. венчик
Естественные ощущения от акустических барабанов
Легендарные многослойные сетчатые пластики с регулируемым натяжением Roland вносят значительный вклад в аутентичные ощущения от игры, обеспечивая отскок палочки, который можно настроить в соответствии с вашим индивидуальным стилем игры. А когда вы погружаете колотушку в специально разработанный бас-барабан, вы физически перемещаете воздух внутри корпуса, создавая воздушное давление и сопротивление, которые очень похожи на игру акустической бочки.
Мелкие корпуса, более глубокая производительность
Несмотря на то, что корпуса тома и бочки с малой глубиной в комплекте VAD306 экономят место и вес, они не экономят на производительности. Каждый барабан оснащен специальными датчиками, разработанными для обеспечения естественного отклика и превосходного ощущения при удивительно компактном размере.
Хромированные барабанные стойки с двойными скобами
Способ крепления акустических барабанов и тарелок не только создает классический образ, но и влияет на ощущения от игры. Пэды томов устанавливаются на те же подставки, что и для акустических томов, поэтому при ударе по ним ощущается как раз то, что нужно. Каждая подставка имеет двойную опору для надежной устойчивости и легко регулируется в соответствии с вашим предпочтительным расположением.
Мощные тренировочные инструменты и возможность подключения по Bluetooth
Модуль TD-17 оснащен тренировочными функциями, которые помогут вам стать лучшим барабанщиком.
Встроенный Bluetooth позволяет смартфонам и ноутбукам передавать звук на модуль без кабеля, что идеально подходит для иммерсивных джем-сейшнов в наушниках. Играйте вместе с любимыми музыкальными треками или микшируйте звук из обучающего видео на YouTube с помощью комплекта. Также можно воспроизводить песни прямо с SD-карты и записывать свое исполнение в любое время. Встроенные функции тренера помогут вам сосредоточиться на развитии навыков и даже отслеживать ваш прогресс с течением времени. А метроном можно настроить на разные размеры и длительности нот, что поможет улучшить ваши внутренние часы.
VAD706
Флагманский набор V-Drums Acoustic Design с модулем TD-50X, цифровым малым барабаном, райдом и хай-хэтом, а также четыре набора премиальных корпусов на ваш выбор: Gloss Natural, Gloss Cherry, Gloss Ebony и Pearl White.
Звуковой модуль: TD-50X x 1; малый барабан: PD-140DS x 1; Том 1: PDA100 x 1; Том 2: PDA120 x 1; Том 3: PDA140F x 1; Хай-хэт: VH-14D x 1; Авария: CY-16R-T x 2; Поездка: CY-18DR x 1; Удар: КД-222 х 1; Комплект подставок для комбинации барабанов: DTS-30S
Посмотреть продукт
VAD506
Комплект из пяти частей V-Drums Acoustic Design с полноразмерными деревянными корпусами и звуком флагманского класса.
Звуковой модуль: TD-27 x 1; малый барабан: PD-140DS x 1; Том1: PDA100-MS x 1; Том2: PDA120-MS x 1; Том3: PDA140F-MS x 1; Хай-хэт: VH-10 x 1; Crash2: CY-14C-T x 1; Crash3: CY-16R-T x 1; Поездка: CY-18DR x 1; Удар: КД-200-МС х 1; Стойка барабанная комбинированная: DCS-10 x 2; Стойка барабанной стрелы: ДБС-10 х 1; Зажим: APC-10 x 1
Посмотреть товар
VAD503
Комплект из четырех частей с полноразмерными деревянными корпусами, цифровым малым барабаном и райдом, а также модулем TD-27.
Звуковой модуль: TD-27 x 1; малый барабан: PD-140DS x 1; Том1: PDA100-MS x 1; Том3: PDA140F-MS x 1; Хай-хэт: VH-10 x 1; Crash2: CY-14C-T x 1; Поездка: CY-18DR x 1; Удар: КД-200-МС х 1; Стойка комбинированная барабанная: DCS-10 x 1; Стойка барабанной стрелы: ДБС-10 х 1; Зажим: APC-10 x 1
Посмотреть продукт
VAD103
Обтекаемая и доступная электронная ударная установка в акустическом стиле с малой глубиной корпуса и модулем TD-07.
Звуковой модуль барабана: TD-07 x 1; малый барабан: PDA120LS-BK x 1; Том: PDA100L-BK x 1; Напольный том: PDA120L-BK x 1; Хай-хэт: VH-10 x 1; Авария: CY-12C x 1; Поездка: CY-13R x 1; Отбойник: КД-180Л-БК х 1; Стойка барабанная комбинированная: DCS-10 x 2; Универсальный зажим: APC-10 x 1
Посмотреть продукт
История акустического дизайна V-Drums
Стандартные характеристики
- Компактный набор V-Drums Acoustic Design с небольшими деревянными корпусами и хромированными стойками с двойными распорками
- Звуковой модуль TD-17 с выразительным и динамичным звуком, унаследованный от технологии Prismatic Sound Modeling флагмана TD-50
- 12-дюймовый малый барабан PDA120LS-BK, два 10-дюймовых рэковых тома PDA100L-BK, 12-дюймовый рэковый том PDA120L-BK и 18-дюймовый бас-бас KD-180L-BK со специальной хромированной фурнитурой и черным покрытием
- Тарелочные пэды включают 12-дюймовый VH-10 V-Hi-Hat, два 12-дюймовых краша CY-12C и 13-дюймовый райд CY-13R 9.
0012 - Удобный интерфейс для выбора и персонализации звуков ударных
- Встроенный Bluetooth для игры на барабанах под музыку со смартфона или ноутбука
- Встроенные тренировочные функции для развития навыков игры на барабанах
- Технические характеристики
- Конфигурация комплекта
- Звуковой модуль барабана: TD-17 x 1
Малый барабан: PDA120LS-BK x 1
Том1: PDA100L-BK x 1
Том2: PDA100L-BK x 1
Том3: PDA120L-BK x 1
Хай-хэт: VH-10 x 1
Crash2: CY-12C x 1
Crash3: CY-12C x 1
Поездка: CY-13R x 1
Отбойник: KD-180L-BK x 1
Стойка для комбинации барабанов: DCS-10 x 3
Универсальный зажим: APC-30 x 1 - Гнездо входа дополнительного триггера
- 2 (ВСПОМОГАТЕЛЬНЫЙ, АВАРИЙНЫЙ 2)
* Гнездо CRASH 2 используется для CY-12C второй крэш-тарелки. - Размер и вес
- Размеры
- 1300 (Ш) x 1200 (Г) x 1200 (В) мм
51-3/16 (Ш) x 47-1/4 (Г) x 47-1/4 (В) дюймов
(включая пэд для бочки, тарелки, подставку для хай-хэта и барабанный трон) - Вес
- 35,3 кг / 77 фунтов 14 унций
- Другое
- Аксессуары
- Крепление звукового модуля
Адаптер переменного тока
Специальный соединительный кабель
Соединительный кабель (Crash3)
Ключ для барабана
Руководство по установке
Руководства по эксплуатации - Опции (продаются отдельно)
- Персональный монитор барабана: серия PM
Комплект принадлежностей V-Drums: DAP-3X
Коврик V-Drums: серия TDM
Noise Eater: NE-10, NE-1 (для стойки хай-хэта)
Барабаны Roland VAD: сочетание новых технологий и классического дизайна
Серия V-Drums Acoustic Design (VAD) сочетает в себе любимые барабанщиками технологии Roland и стиль классической акустической ударной установки.
Подробнее…
Знакомство с Roland V-Drums
Ищете установку Roland V-Drums, которая поможет вам в достижении ваших целей? Это введение поможет вам найти идеальный комплект для вас. Подробнее…
V-Drums Acoustic Design
Первоклассная полноразмерная акустическая игра на барабанах
V-Drums Acoustic Design — это совершенно новый опыт V-Drums, сочетающий физическое присутствие акустических барабанов с ведущей в мире цифровой перкуссионной технологией Roland.Читать дальше…
Поддержка
Если у вас есть вопросы по работе с вашим продуктом Roland, обратитесь к нашей базе знаний, где вы найдете ответы на наиболее распространенные вопросы.
Вы также можете связаться с нашей службой поддержки через Roland Backstage.
Кроме того, у нас есть библиотека руководств пользователя и вспомогательных документов, которые вы можете загрузить и использовать.
Руководства пользователя
Руководство по установке VAD306
Руководство по установке VAD306 (на испанском языке)
[Английский] TD-17 Добавлены функции [PDF]
[Английский] Список данных TD-17 [PDF]
[английский] TD-17 MIDI-реализация (Версия: 2.
00) [PDF]
Различные типы электрических розеток и принципы их работы
МАТЕРИАЛЫ, СОДЕРЖАЩИЕСЯ В ЭТОЙ СТАТЬЕ, ПРЕДОСТАВЛЕНЫ ТОЛЬКО ДЛЯ ОБЩЕЙ ИНФОРМАЦИИ И НЕ ЯВЛЯЮТСЯ ПРОФЕССИОНАЛЬНОЙ КОНСУЛЬТАЦИЕЙ. ЭКСПЕРТ В ОТНОШЕНИИ ЭТОГО МАТЕРИАЛ, И ВЫ ДОЛЖНЫ ПРОВЕСТИ СОБСТВЕННОЕ ИССЛЕДОВАНИЕ И/ИЛИ ОБРАЩАТЬСЯ ЗА КОНСУЛЬТАЦИЕЙ К СПЕЦИАЛИСТАМ СООТВЕТСТВУЮЩЕЙ КВАЛИФИКАЦИИ В ОТНОШЕНИИ ВАШИХ КОНКРЕТНЫХ ОБСТОЯТЕЛЬСТВ, ПРЕЖДЕ ЧЕМ ПРИНИМАТЬ ДЕЙСТВИЯ. LANDMARK HOME WARRANTY НЕ НЕСЕТ НИКАКОЙ ОТВЕТСТВЕННОСТИ И, В частности, ОТКАЗЫВАЕТСЯ ОТ ЛЮБОЙ ОТВЕТСТВЕННОСТИ ЗА ИСПОЛЬЗОВАНИЕ ВАМИ ЛЮБОЙ ИНФОРМАЦИИ, СОДЕРЖАЩЕЙСЯ ЗДЕСЬ.
Включение лампы, включение микроволновой печи или включение телевизора — такие повседневные задачи, что вы вряд ли задумываетесь о том, что должно произойти в стенах вашего дома, чтобы эти предметы работали. Электричество является важной частью систем в вашем доме, и понимание того, как оно работает, жизненно важно для выполнения простых действий, таких как переустановка автоматического выключателя или проверка розетки.
В этой статье вы узнаете, как работает обычная электрическая розетка, а также о нескольких различных типах розеток, которые могут быть у вас дома.
Как работает электрическая розетка
Чтобы электричество работало, необходимо создать цепь. Электрическая розетка — это источник электроэнергии, который вы используете для подключения многих ваших приборов, и именно так вы создаете эту цепь в своем доме. Вот как работает электрическая розетка:
Во-первых, электричество в ваш дом подается электростанцией и линиями электропередач. Эта мощность поступает в ваш дом и распределяется автоматическим выключателем.
Автоматический выключатель подключен к каждой из ваших розеток проводкой.
Выход имеет три отверстия. Первое отверстие, или левое отверстие, называется «нейтральным». Второе отверстие, или правое отверстие, называется «горячим». Третье отверстие – это земляное отверстие.
Горячее отверстие соединено с проводом, по которому подается электрический ток. Нейтральное отверстие соединено с проводом, который возвращает электрический ток в коробку выключателя. Когда вы включаете лампу и включаете ее, горячая часть розетки позволяет электричеству течь в лампу, включая лампочку. Цепь замыкается, когда ток возвращается в розетку через нейтральный слот и обратно в автоматический выключатель. Когда вы отключаете лампу, цепь размыкается, и лампа не работает.
Автоматический выключатель — это один из уровней защиты дома. Он называется автоматическим выключателем, потому что он «размыкает» или «размыкает» цепь (останавливает протекание электрического тока), если электрический ток слишком высок. Еще один уровень безопасности для электрической системы вашего дома — наличие заземленного провода и заземленных розеток.
В чем разница между двухконтактной и трехконтактной/заземленной розеткой?
Если вы живете в старом доме, у вас могут быть розетки без третьего или «заземляющего» отверстия.
Эти розетки не имеют заземляющего провода в электрической системе. Поскольку наличие заземляющего провода и заземленных (трехконтактных) розеток повышает уровень безопасности, новые дома и здания должны иметь трехштырьковые розетки с заземляющими проводами. Заземляющий провод подключается отдельно к каждой розетке, а затем соединяется с нижней частью коробки выключателя. Этот заземляющий провод нейтрализует любой опасный электрический ток в землю.
Линия заземления используется для защиты ваших приборов от скачков напряжения или проблем с перенапряжением. Он также стабилизирует напряжение и защищает людей, имущество и оборудование от поражения электрическим током.
Например, скажите, что что-то случилось с горячим проводом в вилке. Когда вы подключаете что-то к двухконтактной розетке, вы, скорее всего, получите удар током. Прибор, который вы пытаетесь подключить, также может получить сильный электрический ток, что может привести к его поломке.
Если то же самое произошло с трехконтактной розеткой, и вы подключили что-то (с тремя штырями) к розетке, заземляющий провод поглотит удар и отведет ток в землю, где его можно будет безопасно нейтрализовать.
Конечно, вилка по-прежнему не будет работать, но она также не испортит вашу технику… или вас.
Что делать, если у вас двухштырьковая розетка и трехштырьковые приборы (как у многих людей)? Ну, вы можете использовать так называемый «читерский» штекер. Вилка вставляется в розетку с двумя контактами, но имеет три контакта. Однако это не защитит вашу электрическую розетку, стены, изоляцию или ваши приборы от поражения электрическим током. Вам нужен заземляющий провод в вашей электрической установке, чтобы обеспечить вашу безопасность.
Если в вашем доме нет вилок с заземлением или провода с заземлением, вы можете обратиться к квалифицированному электрику, чтобы подключить провод с заземлением к электрической системе вашего дома.
Что такое розетка GFCI?
Другой тип вилки, который может быть у вас дома, — это розетка GFCI или розетка прерывателя цепи замыкания на землю. Этот тип розетки обычно находится в любом месте вашего дома, где розетка (или предметы, подключенные к розетке) потенциально могут контактировать с водой.
Он защищает вас от поражения электрическим током и является отличным средством безопасности для кухонь или ванных комнат.
Розетка GFCI является чрезвычайно чувствительной розеткой, которая контролирует ток, проходящий через нее. Если есть небольшое изменение тока, поступающего от оборудования, подключенного к розетке, GFCI автоматически отключит цепь, чтобы электрический ток больше не текал.
Например, если вы используете радио или фен, и он падает в ванну или раковину, полную воды, электричество пропустит нулевой провод и попадет в воду… а затем в вас, давая вам потенциально жизнь- конечный шок. С розеткой GFCI розетка автоматически отключала электрический ток в тот момент, когда электрический ток не возвращался через нейтральный провод, тем самым спасая вашу жизнь.
9Розетки 0004 GFCI также легко проверяются, чтобы убедиться, что они работают правильно. У них есть кнопка «тест» и «сброс», которые могут отключить розетку, чтобы гарантировать, что, если розетка действительно покажет отклонение в токе, она отключит питание.
3.35
0012
00) [PDF]