Резьба npt что это: основные характеристики и стандарты, таблицы, ГОСТ 6111-52
Содержание
основные характеристики и стандарты, таблицы, ГОСТ 6111-52
Внешний вид конической NPT резьбы
Резьба NPT/NPTF (с англ. national pipe taper/national pipe tapered fuel) представляет собой американский стандарт на конусную трубную резьбу. Этот стандарт применятся к трубам и арматурным изделиям, которые изготовлены в США.
Конусная трубная резьба NPT соответствует ГОСТу 6111-52 «Резьба коническая дюймовая с углом профиля 60 градусов», который действует на территории большинства стран СНГ.
Национальная ассоциация по гидравлическим приводам Соединенных Штатов не советует использовать стандарты NPT и NPTF в гидравлике. Но несмотря на это применение этих стандартов очень распространено.
Схема NPT резьбы
Виды дюймовой резьбы:
- NPT – резьба с конусностью 1:16 и углом профиля 60°. Такая резьба соответствует стандартам ANSI B1.21.1, FED-STD-h38/7 .
- NPS – цилиндрическая резьба.
- NPTF – герметичная дюймовая резьба с углом профиля 60°, уплотнение происходит за счет смятия резьбы.
Этот вид дюймовой резьбы соответствует стандартам SAE J476, ANSI B1.20.3, FED-STD-h38/8.
Основные параметры самых распространенных резьбовых соединений NPTF:
| Номинальный диаметр, дюйм | Основной диаметр, мм | Отверстие под резьбу, мм | Число витков на дюйм | Шаг, мм |
|---|---|---|---|---|
| NPTF 1/16″ | 7.870 | 6.00 | 27 | 0.940 |
| NPTF 1/8″ | 10.217 | 8.25 | 27 | 0.940 |
| NPTF 1/4″ | 13.577 | 10.70 | 18 | 1.411 |
| NPTF 3/8″ | 17.016 | 14.10 | 18 | 1.411 |
| NPTF 1/2″ | 21. 211 | 17.40 | 14 | 1.814 |
| NPTF 3/4″ | 26.566 | 22.60 | 14 | 1.814 |
| NPTF 1″ | 33.195 | 28.50 | 11.5 | 2.209 |
| NPTF 1 1/4″ | 41.952 | 37.00 | 11.5 | 2.209 |
| NPTF 1 1/2″ | 48.021 | 43.50 | 11.5 | 2.209 |
| NPTF 2″ | 60.060 | 55.00 | 11.5 | 2.209 |
| NPTF 2 1/2″ | 72.642 | 65.50 | 8 | 3.175 |
| NPTF 4″ | 113.913 | 107.00 | 8 | 3.175 |
Основные параметры самых распространенных резьбовых соединений NPT:
| Номинальный диаметр, дюйм | Основной диаметр, мм | Отверстие под резьбу, мм | Число витков на дюйм | Шаг, мм |
|---|---|---|---|---|
| NPT 1/16″ | 7. 870 | 6.00 | 27 | 0.940 |
| NPT 1/8″ | 10.217 | 8.25 | 27 | 0.940 |
| NPT 1/4″ | 13.577 | 10.70 | 18 | 1.411 |
| NPT 3/8″ | 17.016 | 14.10 | 18 | 1.411 |
| NPT 1/2″ | 21.211 | 17.40 | 14 | 1.814 |
| NPT 3/4″ | 26.566 | 22.60 | 14 | 1.814 |
| NPT 1″ | 33.195 | 28.50 | 11.5 | 2.209 |
| NPT 1 1/4″ | 41.952 | 37.00 | 11.5 | 2.209 |
| NPT 1 1/2″ | 48. 021 | 43.50 | 11.5 | 2.209 |
| NPT 2″ | 60.060 | 55.00 | 11.5 | 2.209 |
| NPT 2 1/2″ | 72.642 | 65.50 | 8 | 3.175 |
| NPT 4″ | 113.913 | 107.00 | 8 | 3.175 |
| NPT 5″ | 141,300 | 134,384 | 8 | 3.175 |
| NPT 6″ | 168,275 | 161,191 | 8 | 3.175 |
| NPT 8″ | 219,075 | 211,673 | 8 | 3.175 |
| NPT 10″ | 273,050 | 265,311 | 8 | 3.175 |
| NPT 12″ | 323,850 | 315,793 | 8 | 3. 175 |
Для создания NPT (NPTF) соединения применяются специальные резьбонарезные установки с метчиком (плашкой или резьбонарезной головой).
БРЕКЗИТ предлагает вашему вниманию оборудование, с помощью которого вы сможете качественно нарезать NPT (NPTF) резьбу на трубах и заготовках:
- Резьбонарезные головы от 1/2 до 2 дюймов. Предназначены для качественной высокопроизводительной нарезки резьбы. Безопасная и быстрая замена.
- Ручные резьбонарезные клуппы от 1/2 до 1.1/4 дюймов. Предназначены для нарезания трубной конической резьбы на водопроводных, электрических или газовых трубах. Обладает высокой производительностью и удобный в транспортировке.
- Ручные резьбонарезные клуппы от 1/2 до 2 дюймов. Могут широко использоваться при монтаже оборудования и в строительной промышленности, идеально подходят для повышения производительности труда, сокращения времени строительства, обеспечения его качества, а также снижения интенсивности труда.

- Электрические резьбонарезные станки от 1/2 до 2 дюймов. Высокопроизводительный резьбонарезной станок для мобильного и стационарного использования. Подходит для долговременной эксплуатации в интенсивном режиме в цехе и на стройплощадке, применяется при монтаже систем отопления и водоснабжения и в серийном производстве. Станок нарезает точную резьбу очень высокого качества.
- Электрические резьбонарезные станки от 1/2 до 3 дюймов. Станок предназначен для нарезки винтовой и цилиндрической резьбы на трубах. Используется для изготовления точных, надежных резьбовых соединений на трубах и болтах в соответствии с нормами. Он рассчитан на длительное промышленное использование.
- Электрические резьбонарезные станки от 1/2 до 4 дюймов. Станок предназначен для нарезки трубной и метрической резьбы. Используется для изготовления точных, надёжных резьбовых соединений на трубах и шпильках в соответствие с нормами.
Резьба NPT используется в соединениях с повышенными требованиями к герметичности.
Соединения с такой резьбой способны выдерживать сильное давление циркулирующей среды по трубопроводу.
Чтобы купить оборудование для нарезания конической резьбы NPT (NPTF) на трубах, свяжитесь с менеджерами БРЕКЗИТ по контактным телефонам: +375 (17) 227-03-84, +375 (29) 602-00-80, +375 (29) 766-07-00, мы подробно расскажем об особенностях работы, устройстве и специфике данного типа оборудования.
В нашем интернет-магазине вы найдете необходимый резьбонарезной инструмент,принадлежности и расходные материалы:
- ручные трубные клуппы;
- электрические резьбонарезные клуппы;
- станки для нарезки резьбы на трубах;
- резьбонарезные головы и ножи для клуппов и станков;
- резьбонарезное масло и СОЖ;
Вам может быть интересно
Трубная коническая (NPT) резьба
Резьбовое
Наиболее распространенным в США типом трубной резьбы является стандарт NPT, с которым можно столкнуться при покупке труб и сантехнической арматуры американского производства.
Данный стандарт применяется в соединениях, от которых требуется повышенная герметичность при работе в условиях сильного давления циркулирующей по трубопроводу среды.
NPT резьба
В статье мы рассмотрим коническую NPT резьбу, изучим ее типоразмеры и параметры, а также подберем взаимозаменяемый отечественный стандарт.
Cодержание статьи
- 1 Общая информация, маркировка
- 2 Схема и технические характеристики
- 2.1 Технология нарезки
- 2.2 Похожие статьи
Общая информация, маркировка
Трубная коническая резьба класса NPT существует в двух конфигурациях — наружная и внутренняя. Штуцер трубы с такой резьбой имеет форму суженного конуса, за счет такой структуры обеспечивается повышенная прочность соединения двух элементов трубопровода между собой.
Конический стандарт практически не используется в системах водоснабжения, так как в данном случае его запас надежности является излишним. Основная сфера применения NPT — машиностроение, станкостроение, нефтяная и газовая промышленность, также такое соединение широко используется в гидравлических системах.
Для соединения двух труб коническая резьба формируется на штуцерах каждой из них, при этом на одной нарезается внутренний, а на другой — внешний конус. Угол наклона конуса унифицирован и составляет 3034’49», что равно конусности (С)1:16.
Существует два типа размерности конической резьбы — дюймовая и метрическая, в зависимости от которых отличается номенклатурное обозначение NPT соединения на схемах и чертежах. Если одна из сторон трубы либо фитинга, на которой нарезан конус, метрическая, используется аббревиатура NPT-E, если же обе стороны соединяемых конусов дюймовые дополнительная аббревиатура не используется и указывается просто NPT.
Внешний вид конической NPT резьбы
Технические требования к размерам и конфигурации NPT резьбы приведены в следующих международных стандартах:
- ANSI/ASME B36.10M;
- BS 1600, 10255;
- DIN 2999.
Также существуют отечественные нормативные докумены на коническое соединение:
- ГОСТ №6111-52 «Резьба коническая дюймовая с углом профиля 60 градусов»;
- ГОСТ №6211-81 «Основные нормы взаимозаменяемости — резьба трубная коническая».

На сегодняшний день в специализированных магазинах представлено широкое количество переходников и адаптеров, имеющих с одной стороны цилиндрическую, а с другой — коническую нарезку, что позволяет без проблем использовать трубы с штуцерами американского стандарта.
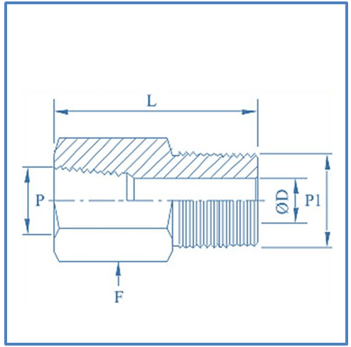
Схема и технические характеристики
Профиль конической резьбы представлен на нижеприведенной схеме, на которой обозначены:
- d (наружный тип резьбы), D (внутренний тип) — внешний диаметр;
- d1, D1 — внутренний диаметр;
- d2, D2 — средний (промежуточный) диаметр;
- p — шаг профиля;
- f — угол конуса;
- H- высота исходного треугольника;
- Н1 — рабочая высота профиля;
- R — радиус закругления впадины и вершины;
- C — срез впадины и вершины.
Схема NPT резьбы
Резьба NPT имеет стандартные размеры от 1/16 до 24″, при этом данное обозначение указывает не на внешний диаметр штуцера, а на пропускной диаметр трубы, на которой нарезается коническое соединение.
Рассмотрим основные параметры наиболее распространенных NPT соединений:
| Типоразмер («) | Количество витков профиля на дюйм (шт) | Длина (мм) | Диаметр (мм) | |||
| Рабочая | От торца до плоскости | D=d | D1=d1 | D2=d2 | ||
| 1/16 | 27 | 6.5 | 4.06 | 7.89 | 6.389 | 7.142 |
| 1/8 | 27 | 7 | 4.57 | 10.27 | 8.77 | 9.52 |
| 1/4 | 18 | 9.5 | 5.10 | 13.58 | 11.31 | 12.45 |
| 3/8 | 18 | 10.5 | 6.10 | 17.06 | 14.80 | 15.93 |
| 1/2 | 14 | 13.5 | 8.13 | 21.22 | 18.32 | 19.78 |
| 3/4 | 14 | 14.0 | 8.61 | 26.57 | 23.67 | 25.12 |
| 1 | 11. 5 | 17.5 | 10.16 | 33.23 | 29.70 | 31.47 |
| 1 1/4 | 11.5 | 18 | 10.67 | 41.99 | 38.46 | 40.22 |
| 1 1/2 | 11.5 | 18.5 | 10.67 | 48.06 | 44.52 | 46.30 |
| 2 | 11.5 | 19 | 11.08 | 60.10 | 56.56 | 58.33 |
Независимо от типоразмера, угол вершины профиля всегда составляет 60 градусов, а его теоретическая высота — 0.86 мм.
Технология нарезки
В промышленных условиях резьба NPT формируется на специальных резьборезных станках. Основным рабочим инструментом такого оборудования является метчик, который закреплен на вращающемся шпинделе, при этом обрабатываемая труба неподвижно фиксируется на столе станка.
Нарезка конической резьбы
Процесс нарезки состоит из следующих этапов:
- Устанавливается требуемое направление и скорость вращения шпинделя, в посадочном гнезде закрепляется заготовка.

- На шпиндель монтируется метчик требуемого типоразмера, его головка фиксируется поддерживающим зажимом.
- Включается электропривод станка.
- Посредством управляющего рычага резьбонарезная головка перемещается к обрабатываемой трубе.
- Автоматический ролик фиксирует и сопоставляет инструмент и заготовку, происходит автоматическая нарезка резьбы заданной конфигурации.
- По завершению хода метчика суппорт поднимается вверх, электропривод отключается и заготовка демонтируется со станка.
Далее выполняется проверка сформированной резьбы на предмет геометрической точности и при необходимости производится ее коррекция.
Похожие статьи
Резьба дюймовая трубная коническая американская NPT-NPTF National Pipe Tapered — Компания Fluitech Systems
NPTF National Pipe Tapered Fuel — национальная трубная коническая топливная резьба. NPTF — герметичная резьба. Уплотнение происходит за счёт смятия резьб.
Описана стандартом ANSI/ASME B1.
20.3
Штуцер NPTF имеет коническую резьбу с конусностью 1:16 (угол конуса φ=3°34’48»).
Штуцер NPTF совместим с внутренней резьбой NPTF, NPSF или NPSM.
Резьбы NPTF используется в гидравлических системах, несмотря на то, что Национальная ассоциация по гидравлическим приводам США (NFPA) не рекомендует её для использования в гидравлике.
Номинальный размер | Наружный диаметр, mm | Отверстие под резьбу, mm | TPI, ниток на дюйм | Шаг витка, mm |
Резьба NPTF 1/16″ | 7,870 | 6,00 | 27 | 0,940 |
Резьба NPTF 1/8″ | 10,217 | 8,25 | 27 | 0,940 |
Резьба NPTF 1/4″ | 13,577 | 10,70 | 18 | 1,411 |
Резьба NPTF 3/8″ | 17,016 | 14,10 | 18 | 1,411 |
Резьба NPTF 1/2″ | 21,211 | 17,40 | 14 | 1,814 |
Резьба NPTF 3/4″ | 26,566 | 22,60 | 14 | 1,814 |
Резьба NPTF 1″ | 33,195 | 28,50 | 11,5 | 2,209 |
Резьба NPTF 1. | 41,952 | 37,00 | 11,5 | 2,209 |
Резьба NPTF 1.1/2″ | 48,021 | 43,50 | 11,5 | 2,209 |
Резьба NPTF 2″ | 60,060 | 55,00 | 11,5 | 2,209 |
Резьба NPTF 2.1/2″ | 72,642 | 65,50 | 8 | 3,175 |
Резьба NPTF 4″ | 113,913 | 107,00 | 8 | 3,175 |
Резьба конусная (NPT) с конусностью 1:16 (угол конуса φ=3°34’48») или цилиндрическая (NPS) резьба по .
Угол профиля при вершине 60°, теоретическая высота профиля Н=0,866025Р.
Описана стандартом ANSI/ASME B1.20.1.
Резьба NPT соответствует ГОСТ 6111-52 — Резьба коническая дюймовая с углом профиля 60 градусов.
Номинальный размер | Наружный диаметр, mm | Отверстие под резьбу, mm | TPI, ниток на дюйм | Шаг витка, mm |
Резьба NPT 1/16″ | 7,895 | 6,00 | 27 | 0,941 |
Резьба NPT 1/8″ | 10,242 | 8,25 | 27 | 0,941 |
Резьба NPT 1/4″ | 13,616 | 10,70 | 18 | 1,411 |
Резьба NPT 3/8″ | 17,055 | 14,10 | 18 | 1,411 |
Резьба NPT 1/2″ | 21,223 | 17,40 | 14 | 1,814 |
Резьба NPT 3/4″ | 26,568 | 22,60 | 14 | 1,814 |
Резьба NPT 1″ | 33,228 | 28,50 | 11,5 | 2,209 |
Резьба NPT 1. | 41,985 | 37,00 | 11,5 | 2,209 |
Резьба NPT 1.1/2″ | 48,054 | 43,50 | 11,5 | 2,209 |
Резьба NPT 2″ | 60,092 | 55,00 | 11,5 | 2,209 |
Резьба NPT 2.1/2″ NPT | 72,699 | 65,50 | 8 | 3,175 |
Резьба NPT 3″ | 88,608 | 81,50 | 8 | 3,175 |
Резьба NPT 3. | 101,316 | 94,30 | 8 | 3,175 |
Резьба NPT 4″ | 113,973 | 107,00 | 8 | 3,175 |
Резьба NPT 5″ | 141,300 | 134,384 | 8 | 3,175 |
Резьба NPT 6″ | 168,275 | 161,191 | 8 | 3,175 |
Резьба NPT 8″ | 219,075 | 211,673 | 8 | 3,175 |
Резьба NPT 10″ | 273,050 | 265,311 | 8 | 3,175 |
Резьба NPT 12″ | 323,850 | 315,793 | 8 | 3,175 |
В чем разница между MNPT и Fnpt?
NPT означает национальную трубную резьбу и является резьбой американского стандарта.
Он также может обозначаться как MPT, MNPT или NPT (M) для наружной резьбы и FPT, FNPT или NPT(F) для внутренней внутренней резьбы. Обе резьбы имеют одинаковый шаг, угол (60 градусов) и форму (плоские пики и впадины).
Подходит ли NPT к NPT? Резьба NPTF будет свинчиваться с резьбой NPT и не должна создавать заметных проблем при сборке. Скорее всего, будет посадка с натягом между основанием и вершиной либо на большом, либо на меньшем диаметре резьбы, в зависимости от того, какая часть имеет NPTF. Для герметизации стыка потребуется герметик.
Совместимы ли резьбы BSP и NPT? Резьбы NPT/NPS и BSP несовместимы из-за различий в форме их резьбы, а не только из-за того, что большинство размеров имеют разный шаг. Шаги резьбы NPT и BSP (количество витков на дюйм) указаны ниже.
Являются ли резьбы NPT самоуплотняющимися? NPT, National Pipe Taper (American) и BSPT (британский стандарт Pipe Taper) являются стандартами конической трубной резьбы.
Наружная и внутренняя конические трубные резьбы заклинивают друг друга, но для полностью герметичного соединения требуется герметик.
Что такое фитинг FNPT? Определение. ФНПТ. Внутренняя национальная трубная резьба. ФНПТ. Инструктор по полетам и навигации.
Как работают размеры NPT?
Как правило, резьба NPT примерно на 1/4 дюйма (0,25 дюйма) больше, чем ее «название». Для фитинга 1/4″ NPT «номинальный» наружный диаметр составляет 0,533”. Фитинги NPT имеют слегка конусообразную форму, поэтому «номинальный» диаметр — это диаметр в середине резьбовой части, измеренный по вершине (вершине) резьбы.
В чем разница между ДНЯО и ДНЯО?
NPT расшифровывается как National Pipe Taper. уплотнение за счет деформации формы резьбы при сборке, в то время как основание резьбы NPT спроектировано таким образом, чтобы обеспечить зазор с сопряженными вершинами резьбы при сборке. В то время как NPT и NPTF предназначены для свинчивания друг с другом, для NPT требуется герметичное уплотнение, а для NPTF — нет.
Что означает ФНПТ?
Аббревиатура Определение
——- ——————————————————————————————–
Внутренняя трубная резьба FNPT
FNPT Тренер по процедурам полетов и навигации
FNPT Fédération Nationale des Planteurs de Tabac (французский: Национальная федерация производителей табака)
Покерная тропа FNPT первых наций
Какой диаметр 1/2 дюйма NPT?
Что такое размер резьбы NPT?
Как правило, резьба NPT примерно на 1/4 дюйма (0,25 дюйма) больше, чем ее «название». Для фитинга 1/4″ NPT «номинальный» наружный диаметр составляет 0,533”. Фитинги NPT имеют слегка конусообразную форму, поэтому «номинальный» диаметр — это диаметр в середине резьбовой части, измеренный по вершине (вершине) резьбы.
Отверстие какого размера вы просверливаете для 1/2 NPT?
Размер NPT Размер резьбового отверстия (дюймы) (десятичное число) (дюймы)
——– ——————– —————
1/4 – 18 7/16 (0.438)
3/8 – 18 9/16 (0.562)
1/2 – 14 45/64 (0.703)
3/4 – 14 29/32 (0.
906)
Что такое заглушка NPT?
NPT расшифровывается как National Pipe Taper. Требования к калибру L1 для NPT и NPTF различаются для резьбы размером более ½ дюйма и, следовательно, не являются взаимозаменяемыми. Разница заключается в большом диаметре калибра-пробки и малом диаметре калибра-кольца. Но самым существенным отличием является проверка, необходимая для каждого.
Как узнать, какой размер NPT мне нужен?
Как правило, резьба NPT примерно на 1/4 дюйма (0,25 дюйма) больше, чем ее «название». Для фитинга 1/4″ NPT «номинальный» наружный диаметр составляет 0,533”. Фитинги NPT имеют слегка конусообразную форму, поэтому «номинальный» диаметр — это диаметр в середине резьбовой части, измеренный по вершине (вершине) резьбы.
Как определить размер и тип резьбы?
Что означает Fnpt в трубопроводе?
Американская национальная трубная коническая резьба
FPT и Fnpt — это одно и то же?
Определение сокращений трубной резьбы
———————————-
ДНЯО
ФПТ
ФИП
МРТ
В чем разница между NPT и Fnpt?
NPT означает национальную трубную резьбу и является резьбой американского стандарта.
Он также может обозначаться как MPT, MNPT или NPT (M) для наружной резьбы и FPT, FNPT или NPT(F) для внутренней внутренней резьбы. Обе резьбы имеют одинаковый шаг, угол (60 градусов) и форму (плоские пики и впадины).
Как герметизировать фитинги NPT?
Как вы измеряете 1/2 дюйма BSP?
Как вы измеряете 1/2 дюйма BSP?
Является ли Fnpt таким же, как NPT?
NPT означает национальную трубную резьбу и является резьбой американского стандарта. Он также может обозначаться как MPT, MNPT или NPT (M) для наружной резьбы и FPT, FNPT или NPT(F) для внутренней внутренней резьбы. Обе резьбы имеют одинаковый шаг, угол (60 градусов) и форму (плоские пики и впадины).
Что такое FPT и NPT?
FPT расшифровывается как «внутренний конус трубы», что является синонимом «внутренний конус трубы» или «внутренняя трубная резьба». Вы ввинчиваете сужающийся конец трубы с наружной резьбой в конец с внутренней резьбой. Резьба NPT или National Pipe Taper имеет угол резьбы 60 градусов.
| Справочник > Шланги > В гидравлических системах по всему миру используется множество типов трубной резьбы. В настоящем разделе описаны переходники широкого ряда типов резьбы, включая дюймовую резьбу NPT, NPTF, NPSM, BSPT, BSPP, SAE, метрическую резьбу и резьбу UN/UNF. В этом разделе мы кратко описываем резьбу, произведенную по официальным стандартам и отраслевым спецификациям: — резьба NTP: стандарты ANSI B1.21.1, FED-STD-h38/7 — резьба NPTF: стандарты SAE J476, ANSI B1.20.3, FED-STD-h38/8 — резьба NPSM: стандарты ANSI B1.20.1, FED-STD-28/7 — резьба BSPT: стандарты BS 21, ISO 7/1 — резьба BSPP: стандарты BS 2779, ISO 228/1 — резьба метрическая: стандарты ISO 261, ANSI B1.13M, FED-STD-h38/21 — резьба UN/UNF: стандарты ANSI B1.1, FED-STD-h38/2 | ||||||
| Резьба NPTF, зажата от руки: контакт вершин и впадин | Резьба NPTF, зажата ключом: контакт вершин и впадин, а также боковых поверхностей |
С другой стороны, по меньшей степени, в теории, резьба NPTF (Dryseal) при сборке не оставляет спирального пути утечки.
Это объясняется контролируемым срезанием вершины и впадины профиля резьбы, что обеспечивает контакт металлических вершин и впадин резьбы. При зажатии от руки вершины резьбы сплющиваются до тех пор, пока боковые части не входят в контакт «металл-металл». Теоретически устраняется путь утечки жидкости, если все поверхности безупречны и точно соответствуют по размерам. В реальности так обычно не бывает, и для герметичности соединения требуется уплотнитель/смазка даже при использовании резьбы NPTF. При этом, так как в резьбе NPTF повышено давление контакта поверхностей, компания Parker оснащает все переходники из нержавеющей стали резьбой NPT для того, чтобы снизить риск заедания резьбы (эффект холодной сварки).
Чем плохи герметик и смазка? Герметик/смазка обеспечивает уплотнение и смазку при сборке трубной резьбы, снижая риск заедания. Герметики для трубной резьбы имеют различное исполнение – сухие, ленточные, в виде пасты и анаэробных жидкостей. Лента PTFE при неправильном применении может способствовать засорению системы при сборке и разборке.
Пасты-герметики также могут засорять систему при неправильном применении и, кроме того, с ними еще и довольно трудно работать, а некоторые их типы требуют выдержки после установки детали перед запуском системы.
Поговорим о стандартах Америки и Европы
Если на бытовых коммуникациях постепенно отказываются от применения стальных труб, заменяя их на пластиковые или полипропиленовые, то в промышленности, особенно там, где используются опасные газы и жидкости с высокой температурой, давлением, огне-, пожароопасные необходимы трубопроводы, гарантирующие безопасность персонала и потребителей.
В этих случаях на монтаже отдельные плети стальных магистралей соединяют конусной резьбой.
Самые распространенные зарубежные стандарты, регламентирующие форму и характеристики соединений npt:
- DIN 2999;
- BS 10255, BS 1600;
- ANCI/ ASME B 36. 10 M.
Действующий в Российской федерации Гост 6111- 52 «Резьба коническая дюймовая с углом профиля 60°» (ДКР) прописывает аналогичные параметры данного класса соединений разной конфигурации. Трубы с дкр снабжены конусообразным суженым штуцером, поэтому смежные элементы трубопроводов различного наполнения имеют максимально прочное соединение. Для водо-, газопроводных коммуникаций, изготовленных по ГОСТ 3262-75, конические соединения выполняют по ГОСТ 6111- 81.
Так как существует 2 вида размерности конусного соединения — в дюймах (США) и метрическая, то номенклатурное обозначение при метрической системе имеет аббревиатуру npr-E, при дюймовом — по умолчанию указывают npt. Норматив взаимозаменяемости конфигураций резьбы приведен в ГОСТ 6211- 81.
Коническое дюймовое сочленение применяется для магистралей, требующих особой прочности и уровня надежности — с взрыво-, пожароопасными, ядовитыми веществами, высокой температурой или давлением, выдерживающих большие статические и механические нагрузки, как трубопроводы нефти, газа, кислот, перегретого пара, в сфере машино- и станкостроения, при строительстве подземных переходов коммуникаций под автобанами. В быту такие соединения встречаются редко.
Резьба BSPT
Резьба BSPT впервые появилась в британской газовой промышленности – для соединения по наружному диаметру газовой трубы делалась резьба. Эта резьба имеет угол профиля 55 градусов, а шаг резьбы сильно отличается от резьбы NPTF. Поэтому эти два типа резьбы не совместимы между собой.
Сегодня резьба BSPT используется в пневматике, однако ее использование в гидравлике ограничено. В большинстве случаев винт BSPT завинчивается в штуцер BSPT. В этой ситуации зацепление резьбы ограничено, что дает более низкую силу захвата по сравнению с эквивалентами NPT.
Для уплотнения резьбы BSPT всегда требуется герметик, поскольку уплотняющую функцию выполняет сама резьба. Фитинги BSPT имеют ограниченную регулируемость при использовании колен или тройников, и их легко перезажать и повредить резьбу штуцера, втулки или и того, и другого сразу. Возможность повторного применения также очень ограничена. По этим причинам резьба BSPT должна использоваться только для низкого давления с ограниченным динамическим изменением давления. Поэтому, компания Parker Hannifin не использует резьбу BSPT в своих изделиях семейства Dry Technology.
Схема и технические характеристики
Профиль конической резьбы представлен на нижеприведенной схеме, на которой обозначены:
- d (наружный тип резьбы), D (внутренний тип) – внешний диаметр;
- d1, D1 – внутренний диаметр;
- d2, D2 – средний (промежуточный) диаметр;
- p – шаг профиля;
- f – угол конуса;
- H- высота исходного треугольника;
- Н1 – рабочая высота профиля;
- R – радиус закругления впадины и вершины;
- C – срез впадины и вершины.

Схема NPT резьбы
Резьба NPT имеет стандартные размеры от 1/16 до 24″, при этом данное обозначение указывает не на внешний диаметр штуцера, а на пропускной диаметр трубы, на которой нарезается коническое соединение.
Рассмотрим основные параметры наиболее распространенных NPT соединений:
| Типоразмер (“) | Количество витков профиля на дюйм (шт) | Длина (мм) | Диаметр (мм) | |||
| Рабочая | От торца до плоскости | D=d | D1=d1 | D2=d2 | ||
| 1/16 | 27 | 6.5 | 4.06 | 7.89 | 6.389 | 7.142 |
| 1/8 | 27 | 7 | 4.57 | 10.27 | 8.77 | 9.52 |
| 1/4 | 18 | 9.5 | 5.10 | 13.58 | 11.31 | 12.45 |
| 3/8 | 18 | 10.5 | 6.10 | 17.06 | 14.80 | 15.93 |
| 1/2 | 14 | 13. 5 | 8.13 | 21.22 | 18.32 | 19.78 |
| 3/4 | 14 | 14.0 | 8.61 | 26.57 | 23.67 | 25.12 |
| 1 | 11.5 | 17.5 | 10.16 | 33.23 | 29.70 | 31.47 |
| 1 1/4 | 11.5 | 18 | 10.67 | 41.99 | 38.46 | 40.22 |
| 1 1/2 | 11.5 | 18.5 | 10.67 | 48.06 | 44.52 | 46.30 |
| 2 | 11.5 | 19 | 11.08 | 60.10 | 56.56 | 58.33 |
Независимо от типоразмера, угол вершины профиля всегда составляет 60 градусов, а его теоретическая высота – 0.86 мм.
Технология нарезки
В промышленных условиях резьба NPT формируется на специальных резьборезных станках. Основным рабочим инструментом такого оборудования является метчик, который закреплен на вращающемся шпинделе, при этом обрабатываемая труба неподвижно фиксируется на столе станка.
Нарезка конической резьбы
Процесс нарезки состоит из следующих этапов:
- Устанавливается требуемое направление и скорость вращения шпинделя, в посадочном гнезде закрепляется заготовка.

- На шпиндель монтируется метчик требуемого типоразмера, его головка фиксируется поддерживающим зажимом.
- Включается электропривод станка.
- Посредством управляющего рычага резьбонарезная головка перемещается к обрабатываемой трубе.
- Автоматический ролик фиксирует и сопоставляет инструмент и заготовку, происходит автоматическая нарезка резьбы заданной конфигурации.
- По завершению хода метчика суппорт поднимается вверх, электропривод отключается и заготовка демонтируется со станка.
Далее выполняется проверка сформированной резьбы на предмет геометрической точности и при необходимости производится ее коррекция.
Резьба UNF
Резьба UNF
Штуцеры, предназначенные для отверстий с резьбой UN/UNF, также известны как соединители O-Ring Boss (O.R.B.), при правильной сборке позволяют достичь эксплуатационных характеристик, аналогичных лучшим из существующих герметичных соединителей.
В соединениях этого типа функции уплотнения и крепления разделены.
Резьба выполняет только функцию крепления. Допуски по размерам резьбы более свободны между штуцером с наружной резьбой и отверстием с внутренней резьбой, поэтому чувствительность к повреждениям резьбы гораздо ниже чем, например, у соединений NPT. Функцию уплотнения выполняет жесткое кольцо, установленное в специальной канавке в верхнейчасти резьбы отверстия. При появлении давления уплотнительное кольцо закрывает единственный путь утечки. Хорошее первоначальное сжатие уплотнителя означает, что соединение будет герметичным как при низком, так и при высоком давлении.
Переходники с метрической резьбой ISO 6149. Конструкция соединения ISO 6149 похожа на UN/UNF, но они имеет метрическую резьбу. Поэтому рабочие характеристики этих переходников по давлению похожи, как и удобные для пользователя характеристики сборки. Эта конструкция рекомендована комитетом по стандартизации ISO для всех новых областей применения и конструкций. Новая резьба ISO 6149 получила широкое распространение среди производителей сельскохозяйственной и строительной техники.
Компания Parker Hannifin предлагает один из самых широких ассортиментов трубных фитингов и переходников с резьбой стандарта ISO6149.
Технология нарезки
Создание NPT осуществляется с применением резьбонарезных установок, оснащенных специализированным инструментом, представленным метчиком. Его монтируют на вращающемся шпинделе. Обрабатываемый предмет закрепляют на рабочей поверхности. Рассматриваемый процесс включает несколько этапов.
- Прежде всего задают скорость и направление вращения шпиндельного узла.
- Далее устанавливают метчик соответствующего размера, закрепляя головку поддерживающим спецзажимом.
- Работы начинают с того, что после запуска оборудования головку управляющей рукояткой подводят заготовке.
Нарезание происходит автоматически. По завершение работ поднимается суппорт, и отключается привод (при соответствующей заданной схеме работы). После этого проверяется точность резьбы и при необходимости корректируется.
Резьба JIS (Japanese Industrial Standard)
Резьба JIS
Переходники с резьбой стандарта JIS обычно используются в качестве шланговых переходников на оборудовании, произведенном или сконструированном в Японии или Корее.
Уплотнение осуществляется линейным контактом поверхностей сопрягающихся конусов 60 градусов фитинга и шланга. Эти переходники сделаны по стандарту JIS B8363. Несмотря на то, что они имеют ту же конусность и резьбу, что и описанные далее конусные переходники BSPP на 60 градусов, они не взаимозаменяемы. (Более длинная внутренняя резьба фитингов JIS не позволяет завинчивать их в соответствующие фитинги BSPP с уплотнением).
Резьба BSPP
Британская стандартная трубная резьба до сих пор является самой распространенной резьбой в гидравлических системах в Европе. Настоящий раздел разбит на две части – одна описывает шланговые, а вторая — резьбовые переходники BSP.
Конусный переходник 60°
Функция конуса 60 градусов. Эта форма переходников BSPP, модифицированная для работы в качестве шлангового переходника, популярна в Великобритании, скандинавских странах и других странах Европы. Стандарт соединений – BS5200. Внутреннее отверстие переходников BSPP имеет конус с углом 60 градусов, который сопрягается с конусом того же угла поворотного шлангового фитинга.
При завинчивании гайки два конуса прижимаются друг к другу и образуют металлическое уплотнение. Этот тип соединений обладает гибкостью применения, поскольку их можно завинчивать в резьбовые отверстия BSPP. В этом случае необходимо использовать двухслойный уплотнитель – обычно шайбу, состоящую из металлического внешнего кольца и внутреннего эластомерного уплотнителя.
Несмотря на эту гибкость, данные переходники нельзя использовать в качестве трубных фитингов так же, как фитинги Triple-Lok®, O-Lok® или , и поэтому их нельзя назвать универсальными.
Многие производители делают коленчатые или тройниковые переходники путем пайки прямых деталей. Это может привести к сильному прокаливанию фитинга в процессе пайки, в результате материал становится мягким. Тройники и коленчатые переходники Parker производятся из высококачественной поковки и имеют чрезвычайно долгий срок службы.
1) уплотнительное кольцо со стопором; 2) форма A
Функция резьбовых переходников BSPP.
Резьбовые переходники BSPP предназначены для отверстий с фрезерованной плоской опорной поверхностью вокруг резьбы. Опорная поверхность обеспечивает ровную область уплотнения, где бы ни использовалось такое отверстие – будь то фрезерованный блок клапанов или литой корпус насоса. Первоначально уплотнитель был сделан в виде медной шайбы (или из другого пластичного метала), но сегодня в большинстве переходников используются эластомерные уплотнители.
Высочайшие рабочие характеристики достигаются благодаря уплотнителю ED, после которого стоят уплотнительное и стопорное кольцо, двухслойный уплотнитель и, наконец, металлический уплотнитель немецкой конструкции «Form-B». В качестве регулируемых фитингов они поставляются только в разновидностях с уплотнительным кольцом и стопором. Конструкция уплотнителя ED не позволяет регулировать фитинги.
Инструментальная арматура: Зачем довольствоваться неэффективным решением?
Зачем довольствоваться неэффективным решением?
26.
12.2017
Обеспечение герметичного соединения импульсных трубок с манифольдами для приложений с использованием расходомеров, работающих по принципу дифференциального давления, являлось проблемой для инженеров уже более столетия. Еще в 1910 году, когда только появились первые установки с диафрагмами, использовалось до 33 соединений и 16 различных длин трубок. Благодаря развитию высоко-интегрированных манифольдов сегодняшние установки часто требуют всего лишь двух трубных соединений. Однако обеспечение долгосрочной целостности таких соединений все еще продолжает оставаться проблемой. В первых выпущенных на рынок манифольдах для трубных соединений использовали коническую резьбу типа NPT. Несмотря на то, что эта резьба была сущим наказанием для монтажников, этот вид технологии находит широкое применение и сегодня. Большинство производителей манифольдов все еще предлагает ее как опцию. Хотя на сегодняшний день доступны намного лучшие технологии.
Что не так с конической резьбой?
В отличие от трубных фитингов компрессионного типа с одним или более уплотнительным кольцом, фитинги с конической резьбой при обеспечении уплотнения «надеются сами на себя».
При сборке постепенно увеличивающаяся в диаметре резьба фитинга входит в уплотнение с постепенно уменьшающейся резьбой на манифольде до тех пор, пока не остается просвета между вершиной и впадиной профиля резьбы и не создается уплотнения металл-металл. Фитинги с конической резьбой NPT находят широкое применение, поскольку они относительно недорогие. Но у них также есть четко выраженные отрицательные характеристики. Фитинг нельзя просто установить, прилагая определенное усилие, есть опасность, что он может легко расколоться (дать трещину) или привести к деформации внутренней части вследствие приложения слишком большого усилия. Или при небольшом усилии сборки создается вероятность потенциального канала утечки из-за неправильного захода витка резьбы. Кроме того, всегда имеет место определенный зазор вследствие производственных допусков, а это означает, что фитинг не затягивается до момента создания уплотнения металл-металл, и остается канал утечки. Более того, верхний и нижний допуски на обработку конической резьбы NPT означают, что в собранном соединении может быть только два оборота резьбового зацепления.
Самым надежным способом решить эту проблему может быть использование пары внутренних и внешних компонентов соединения одного производителя.
Коническая резьба может быть уязвима вследствие плохого зацепления.
Еще одним серьезным недостатком фитингов с резьбой NPT является то, что их не так легко отрегулировать по радиальной ориентации, не ставя под угрозу целостность соединения.
Большинство монтажников фитингов NPT предпочитают использовать какой-либо герметик для предотвращения утечек. Такой герметик обычно включает жидкость с наполнителем, который заполняет резьбу и «консервирует» ее. К сожалению, не все герметики действуют как смазка, и легко ошибиться с их применением. Излишнее количество герметика может вызвать загрязнение системы, что, в свою очередь, может привести к невозможности полного закрытия клапана или может заблокировать линию. Недостаточное количество герметика может вызвать истирание резьбы (эффект холодной сварки) во время установки и, как следствие, замену самого манифольда и системы трубных проводок.
Еще одна проблема заключается в том, что фитинг нельзя дозатянуть после определенного времени выдержки герметика.
В качестве альтернативы герметику широко используется лента PTFE (лента ФУМ). Она дополнительно действует как смазка во время сборки и способствует более плотному соединению — хотя, может привести к излишнему затягиванию. Другой проблемой является то, что лента со временем сечется и может вызвать загрязнение системы. По этой причине, ее часто запрещено использовать в особо важных «чувствительных» системах.
В настоящее время компания Parker предлагает два решения по подключению — система подключения PTFree и обратное соединение А-LOK, — которые полностью устраняют необходимость в конической резьбе, ленте и герметике.
Соединение PTFree.
Соединение Parker PTFree предоставляет в распоряжение пользователя простой способ подключения импульсной трубки к манифольду без использования конической резьбы или герметика. Этот способ соединения, доступный в качестве опции для каждого типа клапанного блока, производимого компанией Parker, обеспечивает различные версии для трубок от 6 до 12 мм (от 1/4 до 1/2″), другие размеры доступны по запросу.
Система соединения PTFree доступна для всех типов манифольдов.
Манифольды с интегрированной системой PTFree полностью соответствуют их стандартным аналогам, за исключением того, что впуск / выпуск, а также порты дренажа и тестирования могут быть оснащены адаптерами заводской сборки с предустановленной гайкой и уплотнительным кольцом / кольцами.
Адаптер с наружной параллельной резьбой вворачивается в манифольд. При этом используется уплотнительная шайба из нержавеющей стали, такая же, как и применяемая при сборке клапанов с корпусом манифольда. Таким образом достигается герметичное и газонепроницаемое соединение, способное работать на высоком давлении. Адаптер надежно крепится с помощью кулачкового механизма или запирающей пластины. Этот принцип соединения уже применялся более миллиона раз, поэтому пользователь может быть уверенным в надежности системы.
Сборка манифольдов с системой соединения PTFree достаточно простая. Можно использовать различные элементы, включая прямые, угловые и Т-образные соединения.
Соединение PTFree позволяет свободно поворачивать элементы для достижения оптимального положения. Если же что-то пойдет не так при сборке, жертвовать придется только адаптером с внешней резьбой — но не манифольдом, поэтому стоимость восстановления соединения существенно ниже по сравнению с любым другим типом соединения.
Обратные фитинги A-LOK.
Одна из последних разработок компании Parker — обратные фитинги A-LOK,
предназначенные специально для подсоединения импульсных линий
непосредственно к манифольдам. Так же как и в системе соединений
PTFree, в этих фитингах отсутствует резьба и необходимость использовать
ленту PTFE или герметик. Кроме того, эти фитинги не требуют
использования каких-либо адаптеров — трубка устанавливается
непосредственно в манифольд. Каждый из двух портов манифольда
образует внутреннюю часть соединения в виде внутреннего
сходящегося конуса и стандартную параллельную (не коническую)
резьбу. Каждая внешняя часть соединения включает трубку и
обратную гайку, с резьбой на наружной поверхности, которая
обеспечивает движение двух уплотнительных колец во время
сборки.
Герметизация обеспечивается передним уплотнительным
кольцом, а не резьбой соединения.
Обратные фитинги A-LOK обеспечивают прямое соединение с
манифольдом.
Ключевым преимуществом обратных фитингов A-LOK является то, что
во время сборки трубка не перекручивается — усилие передается в
продольном направлении непосредственно на трубку. Поскольку отсутствует
радиальное приложение усилия на трубку, она не находится под напряжением, и механическая целостность не нарушается. Фитинги данной конструкции можно использовать как на тонкостенных трубках, так и на трубках с толстыми стенками, с трубками из самых разных материалов. Кроме того, соединение позволяет осуществлять многократную сборку и разборку узла. Однако, в любом случае, требуется внимание и аккуратность — при повреждении внутреннего конуса блок манифольда будет необходимо заменить. Кроме того, вследствие поперечного сверления в блоке, технология не реализуется на всех типах манифольдов.
Подготовлено на основе материаолов Parker Hannifin Corporation, Instrumentation Products Division Europe, статья Патрика Барре (Patrick Barré).
Раздел сайта ВСП: Решения Parker Hannifin …>>
решения всп
Инструментальная арматура для КИП
Искробезопасные интерфейсы
HMI-решения
Электромеханика
Проектный подход
Компания ВСП
О компании
ВСП 20
Раскрытие информации
Новости
Публикации
Видео
Контакты
Резьбовые фитинги NPT и NPTF – Спецификация и различия
Содержание
Что такое NPT?
NPT расшифровывается как National Pipe Tapered Threaded. Трубная резьба американского национального стандарта часто называется NPT (национальная коническая трубная резьба) для краткости. При NPT труба должна иметь резьбу в соответствии с ANSI B1.20.1. Это национальный технический стандарт США, используемый для измерения конической резьбы на трубах и фитингах.
Обратите внимание, что резьба NPT не взаимозаменяема с резьбой NPS (National Pipe Straight). Резьба NPT коническая, тогда как резьба NPS прямая.
Коническая резьба обеспечивает более эффективное уплотнение, чем прямая резьба. Боковые стороны резьбы NPT прижимаются друг к другу, образуя уплотнение.
Поэтому резьба NPT чаще всего используется для транспортировки жидкостей, газов, химикатов, пара и гидравлических жидкостей.
Характеристики резьбы NPT
- Резьба NPT сужается со скоростью 3/4″ на фут или 62,5 мм/метр
- Больший диаметр продолжает сжиматься на меньшем диаметре и, таким образом, образует уплотнение
- Резьба имеет внутренний угол 60°
- Не остается зазора между основанием и вершиной резьбы
- Угол между конусом и центральной осью составляет 1,7899° или 1°47’24”
Однако резьба NPT не является полностью герметичной. Существует ряд причин, которые могут вызвать протечки. Перед использованием настоятельно рекомендуется нанести на резьбу герметик.
Причины утечки и меры предосторожности
Резьба NPT изначально была разработана для водопроводных труб с рабочим давлением 60 фунтов на квадратный дюйм.
Эти резьбы, как правило, не рекомендуются для приложений с высоким давлением, поскольку они имеют тенденцию к утечке чаще, чем их аналоги.
Причины
- Конструкция резьбы предназначена для обеспечения герметичности, поэтому точность имеет первостепенное значение Резьба НПТ.
Меры предосторожности
Как мы видим, затяжка резьбы может стать проблемой. Недостаточная и чрезмерная затяжка — это проблема, с которой постоянно приходится сталкиваться. Однако такого стандарта, о котором можно было бы смело сказать, что эти меры могут помочь в решении задачи, не существует. При условии, что при каждом использовании нити также подвержены износу.
Наилучшей мерой предосторожности является нанесение герметика . Герметик на резьбе предотвращает утечку, но также помните о требованиях по затяжке, так как это зависит от типа герметика. Одним из таких герметиков, который используется для такого применения, является лента PTFE (также известная как тефлоновая лента).

Разница между NPT и NPTF
NPT = Национальная коническая трубная резьба (ANSI B1.20.1)
NPTF = Национальная коническая трубная резьба для топлива (ANSI B1.20.3)Резьба NTPF предназначена для обеспечения более герметичного уплотнения без использования лент PTFE / тефлоновых лент или любого другого герметика. Разница между резьбой NPT и NPTF заключается в корне и вершине резьбы.
Хотя форма резьбы NPT и NPTF одинакова, высота впадины и вершины NPTF регулируется для посадки с натягом, которая создает механическое уплотнение за счет деформации формы резьбы при сборке.
NPT и NPTF имеют конструкцию с винтовой резьбой, но для NPT требуется герметик, чтобы не было утечек, тогда как для NPTF не обязательно требуется герметик, чтобы не было утечек. Резьба NPTF лучше всего подходит для жидкостей, газов, химических, паровых, масляных и гидравлических целей.
NPT Technical Specification
Nominal Pipe Size Thread Density Thread Pitch Thread Length Overall Length Thread Diameter Внешний диаметр 1/16 27 0,03703 0,2611 0,3896 90.
00840.313 1/8 27 0.03703 0.2639 0.3924 0.38000 0.405 1/4 18 0.05555 0.4018 0.5946 0.50250 0.540 3/8 18 0.05555 0.4078 0.6006 0.63750 0.675 1/2 14 0.07142 0.5337 0.7815 0.79178 0.840 3/4 14 0.07142 0.5457 0.7935 1.00178 1.050 1 11.1 /2 0.08695 0.6828 0.9845 1.25631 1.315 1.1/4 11.1/2 0.08695 0.7068 1.0085 1.60131 1.
6601.1/2 11.1/2 0.08695 0.7235 1.0252 1.84131 1.900 2 11.1/2 0.08695 0.7565 1.0582 2.31630 2.375 2.1/2 8 0.12500 1.1375 1.5712 2.79063 2.875 3 8 0.12500 1.2000 1.6337 3.41563 3.500 3.1/2 8 0.12500 1.2500 1.6837 3. 4.000 4 8 0,12500 1,3000 1,7337 4,41563 4,500 - 9
4,500 - 9
4.500 - 9
9008. Мы предлагаем широкий выбор продукции, качество и надежность. 
Коническая трубная резьба по национальному стандарту Таблица размеров NPT
Коническая трубная резьба по национальному стандарту
Таблица размеров NPT
Стандартное оборудование ANSI
Производство
процессы | Приложения
и дизайнНациональный стандарт Коническая трубная резьба Размер NPT
Диаграмма — включает данные как о внешней, так и о внутренней трубной резьбе.
Скорость конусности для всех резьб NPT составляет 1⁄16 (3⁄4 дюйма на
фут) измеряется изменением диаметра (трубной резьбы)
на расстоянии. Угол между конусом и центральной осью
трубы составляет 1° 47» 24″″ (1,7899°). Обычно используется
размеры 1/⁄8, 1/⁄4, 3/⁄8, 1⁄/2, 3⁄/4, 1, 1 1⁄/4,
1 1⁄/2 и 2 дюйма, которые чаще всего встречаются на трубах и фитингах.
поставщиков США. Иногда встречаются размеры меньше 1/⁄8 дюйма.
используется для сжатого воздуха, в то время как размеры более 2 дюймов
редко, из-за использования альтернативных методов соединения, что
используются с этими большими размерами.
NPT определяется ANSI/ASME
стандарт B1.20.1.Номинальный размер трубы слабо связан с внутренним диаметром
трубы сортамента 40. Из-за толщины стенки трубы
фактический диаметр резьбы больше, чем NPS, значительно
так для малых NPS. Другие графики трубы имеют другую стенку
толщина, но внешний диаметр (внешний диаметр) и профиль резьбы остаются
одинаковые, поэтому внутренний диаметр трубы разный
от номинального диаметра.Связанные:
Основные размеры конической трубы американского национального стандарта
Резьба, NPTФормулы и калькулятор делительного диаметра NPT American National
Стандартная коническая трубная резьба
Примечания:
Ссылка ANSI/ASME B1.20.1-1983 (R1992)
Угол между сторонами резьбы составляет 60 градусов.
Конус резьбы, 3⁄4 дюйма на фут.Все единицы измерения указаны в дюймах.

Внешний диаметр D
Номинальный размер трубы
Резьба на дюйм (шаг)
Длина шага резьбы, P
Диаметр делителя в начале наружной резьбы E0
Затяжка резьбы вручную
Длина, L1
Диаметр E1
Максимальное зацепление резьбы L2
Диаметр E2
0,3125
1⁄16
27
0,03704
0,27118
0,160
0,28118
0,2611
0,28750
0,405
1/8
27
0,03704
0,36351
0,1615
0,37360
0,2639
0,38000
0,540
1⁄4
18
0,05556
0,47739
0,2278
0,49163
0,4018
0,50250
0,675
3⁄8
18
0,05556
0,61201
0,240
0,62701
0,4078
0,63750
0,840
1/2
14
0,07143
0,75843
0,320
0,77843
0,5337
0,79179
1.
0503⁄4
14
0,07143
0,96768
0,339
0,98887
0,5457
1.00179
1,315
1
11 1/2
0,08696
1.21363
0,400
1.23863
0,6828
1.25630
1,660
1 1/4
11 1/2
0,08696
1.55713
0,420
1.58338
0,7068
1.60130
1.900
1 1/2
11 1/2
0,08696
1.79609
0,420
1.82234
0,7235
1.84130
2,375
2
11 1/2
0,08696
2.
269020,436
2,29627
0,7565
2.31630
2,875
2 1/2
8
0,12500
2,71953
0,682
2.76216
1.1375
2.79062
3.500
3
8
0,12500
3.34062
0,766
3.38850
1.2000
3.41562
4.000
3 1/2
8
0,12500
3,83750
0,821
3.88881
1.2500
3,
4.500
4
8
0,12500
4.33438
0,844
4.
387121.3000
4.41562
5,563
5
8
0,12500
5.39073
0,937
5.44929
1.4063
5.47862
6,625
6
8
0,12500
6.44609
0,958
6.50597
1,5125
6.54062
8,625
8
8
0,12500
8.43359
1,063
8.50003
1,7125
8.54062
10.750
10
8
0,12500
10.54531
1.210
10.62094
1,9250
10.
6656212.750
12
8
0,12500
12.53281
1,360
12.61781
2.1250
12.66562
14.000
14
8
0,12500
13.77500
1,562
13.87262
2.2500
13.
16.000
16
8
0,12500
15.76250
1,812
15.87575
2.4500
15.
18.000
18
8
0,12500
17,75000
2.000
17.87500
2,6500
17.

20.000
20
8
0,12500
19.73750
2,125
19.87031
2,8500
19.
24.000
24
8
0,12500
23.71250
2,375
23.86094
3.2500
23.
Получение герметичности с резьбой NPT и NPTF: что важно
Коническая трубная резьба NPT и NPTF
Наружная коническая трубная резьба
Трубная резьба NPT и NPTF применяется в различных областях: от электрических кабелепроводов до трубопроводов высокого давления, по которым проходит природный газ и химически агрессивные жидкости. . Оба типа резьбы имеют конусную резьбу, обеспечивающую прочное и виброустойчивое соединение. В то время как пластиковые фитинги с резьбой NPT являются стандартными и легкодоступными, существуют четко определенные рекомендации по установке и герметизации для пластиковых и металлических фитингов.
Оба типа резьбы также имеют различия в установке, основанные на проверке резьбы на соответствие перед установкой.NPT (National Pipe Taper) — коническая трубная резьба общего назначения, а NPTF (National Pipe Taper Fuel) — коническая трубная резьба с сухим уплотнением. Визуально трубная резьба NPT и NPTF выглядит одинаково. Оба типа резьбы основаны на натяге резьбы для плотного и надежного соединения. Это взаимодействие резьбы стало возможным, прежде всего, благодаря их конической конструкции.
Два стандарта резьбы отличаются тем, как они создают герметичное уплотнение. Оба требуют правильной установки, но герметичные соединения NPT требуют соответствующего использования резьбовых герметиков. Правильная сборка соединений NPTF создает герметичные уплотнения без использования герметика.
Резьба NPTF используется вместо NPT, когда:
- Использование герметиков может загрязнить жидкости или газы, протекающие через систему
- Критические области применения или резьбовой герметик может выйти из строя из-за высокой температуры или высокого давления
Имеются важные вопросы, связанные с установкой, смешанным и повторным использованием фитингов NPT и NPT:
- Фитинги NPT и NPTF можно комбинировать, но для этого необходимо использовать резьбовые герметики
- Фитинги с резьбой NPT, а иногда и с резьбой NPTF можно использовать повторно, но только при соблюдении определенных условий и мер предосторожности
- NPT и NPTF имеют особые требования к установке и сборке герметичных уплотнений
Фитинги
.

Отличия трубной резьбы NPT и NPTF
И NPT, и NPTF имеют одинаковую трубную конусность от их центральной оси, что придает внутренней и внешней резьбе форму конуса. Эта конусность означает, что концы внешней резьбы уже на конце. Они сопрягаются и ввинчиваются в открытый конец внутренней резьбы большего диаметра в самом широком месте. Стандарты резьбы определяют конусность NPT и NPTF как скорость конусности 3/4 дюйма на фут, 1/16 дюйма на дюйм длины или примерно 1 градус 47 минут 24 секунды (1,7899 градусов).
Почему трубная резьба NPT и NPTF коническая?
Конусность соединений NPT и NPTF приводит к заклиниванию резьбы во время установки. Это расклинивание создает прочное соединение, которое не будет расшатываться при вибрациях. Незначительные различия между резьбой NPT и NPTF и износ резьбы из-за повторного использования определяют, когда эти соединения требуют резьбового герметика для получения герметичного уплотнения.
В то время как коническая резьба NPT и NPTF распространена в Северной Америке, европейский стандарт конической трубной резьбы широко используется во всем мире, в том числе в Северной Америке.
Эта трубная резьба соответствует стандарту BSPT (British Standard Pipe Taper). Вы можете узнать больше о различиях между Резьба NPT и BSPT в нашей статье. Формы резьбы и описание
Формы резьбы представляют собой форму поперечного сечения резьбы или винтовой резьбы. Каждый тип резьбы имеет свою форму резьбы, которая зависит от конструкции и параметров конкретного стандарта резьбы. Особые конструкции резьбы или формы трубной резьбы NPT и NPTF позволяют им хорошо работать в приложениях для работы с жидкостями и газами.
NPT (National Pipe Taper) — это стандарт конической трубной резьбы общего назначения, основанный на ANSI/ASME B1.20.1 >>
NPTF (National Pipe Taper Fuel) — коническая трубная резьба с сухим уплотнением на основе ANSI/ASME B1.20.3 >>
ANSI, Американский национальный институт стандартов, контролирует разработку добровольных согласованных стандартов для продуктов.
, услуги, процессы, системы и персонал в США. Он также координирует стандарты США с международными стандартами, помогая продавать американские товары по всему миру.Американское общество инженеров-механиков (ASME) занимается разработкой решений вопросов и проблем безопасности в машиностроении. Эти усилия включают работу с ANSI как с организацией по разработке стандартов.
Некоторые основные термины резьбы
Вот краткий обзор частей или секций резьбы, о которых говорится в этой статье.
Вершины трубной резьбы, впадины и их усечения
Вершина резьбы (см. B и D выше) гайка или женский порт. Гребни резьбы NPT и NPTF плоские или усеченные (см. B выше).
Основание или основание резьбы (см. A и C выше)
Основание резьбы находится напротив гребня в нижней части резьбы. Гребни резьбы NPT и NPTF плоские или усеченные (см. C выше). Корни NPTF имеют более короткое усечение, чем корни резьбы NPT, что делает их более мелкими.
Боковая поверхность резьбы
Боковая поверхность резьбы представляет собой поверхность или прямую сторону резьбы, соединяющую основание резьбы и вершину резьбы.Наибольший (A) и вспомогательный (B) диаметры резьбы и ось центральной линии резьбы (C)
Наружный диаметр
На основании приведенного выше чертежа наружный диаметр резьбы равен A x 2. Наружный диаметр резьбы представляет собой наибольший диаметр между вершинами резьбы соединения с наружной резьбой или основанием резьбы с внутренней резьбой. резьбовое соединение. Этот диаметр измеряется относительно центральной линии или оси резьбы. Эта осевая линия также является центром пути потока через фитинг или трубу. Основные диаметры резьбы NPT и NPTF одинаковы, но допуски вершины резьбы NPTF более жесткие, чем у NPT. В результате резьба NPTF имеет более высокие гребни резьбы, чем резьба NPT.Внутренний диаметр
На основании приведенного выше рисунка меньший диаметр резьбы равен B x 2.
Второстепенный диаметр резьбы представляет собой наибольший диаметр между основаниями резьбы соединения с наружной резьбой или вершинами резьбы соединения с внутренней резьбой. связь. Меньший диаметр измеряется по отношению к центру пути потока, а также к центральной линии оси резьбы. Второстепенные диаметры резьбы NPTF меньше, чем у резьбы NPT. В результате резьба NPTF имеет меньшую глубину, чем резьба NPT.Как работает резьба NPT
В трубной резьбе NPT используется конусность резьбы для обеспечения прочного соединения. Во время затягивания ключом конус резьбы заклинивает боковые стороны наружной и внутренней резьбы. При правильной установке это расклинивание создает упругое сжатие между нитями (деформация резьбы). Упругая деформация нитей создает нечто вроде натяжения пружины, которая крепко скрепляет нити. Деформация резьбы в сочетании с трением (посадка с натягом) между боковыми поверхностями фиксирует резьбу вместе в прочном, плотном соединении, которое не будет расшатываться при вибрации.

Затянутая под ключ резьба NPT (слева) и резьба NPTF (справа)
Повторное использование труб и фитингов с резьбой NPT
Тщательно осмотрите резьбу фитингов NPT на наличие возможных повреждений перед их повторным использованием. Повторное использование резьбы NPT, как правило, не рекомендуется из-за возможной необратимой деформации резьбы, вызванной чрезмерной затяжкой во время установки. Резьба NPT также может быть повреждена при многократной сборке и разборке, что делает ее повторное использование нецелесообразным. Общее правило заключается в замене фитингов с наружной резьбой NPT после двух-трех использований.
Хотя повторное использование фитингов с наружной резьбой NPT, как правило, не рекомендуется, может быть практичным повторное использование фитинга и получение прочного и герметичного соединения, если:
- Для обеспечения хорошего уплотнения требуется не больше обычного количества герметика .
Не более шести витков резьбы от охватываемого конца соединения входят в охватывающий порт для плотной посадки.
- Помните, что правильная установка компонентов NPT является важным фактором, определяющим возможность их повторного использования без утечек или повреждения соединений с внутренней резьбой. Это ограничение на повторное использование связано с тем, что чрезмерная затяжка необратимо деформирует коническую резьбу.
- Герметики для фитингов и соединений NPT
Конструкция трубной резьбы NPT допускает небольшой зазор между вершинами резьбы и сопрягаемыми основаниями. Этот зазор создает спиральный путь утечки вдоль гребней наружной резьбы. Спиральный путь утечки является причиной того, что соединения NPT требуют резьбового герметика для обеспечения герметичности.
Как работают резьбы NPTF
При сборке резьбовых компонентов NPTF гребни резьбы придавливаются к основаниям сопрягаемой резьбы. Это сдавливание является дополнением к посадке с натягом, обеспечиваемой конусом резьбы, заклинивающим боковые стороны резьбы.
Как и соединения NPT, коническая резьба скрепляет соединения NPTF. И эти связи прочны и герметичны. Раздавливание гребней резьбы заполняет потенциальный спиральный путь утечки в соединениях NPT. Заполнение этого пути утечки является причиной того, что соединения NPTF обычно не нуждаются в резьбовых герметиках и почему NPTF считается соединением с сухим уплотнением.Повторное использование труб и фитингов с резьбой NPTF
В конструкции трубной резьбы NPTF используются усеченные впадины резьбы. Усеченные впадины резьбы обеспечивают посадку с натягом, так что гребни резьбы прижимаются к противоположным впадинам резьбы. По этой причине, как правило, не следует повторно использовать фитинги с резьбой NPTF. Несмотря на эту рекомендацию по передовой практике, иногда происходит повторное использование фитингов с резьбой NPTF. Повторное использование NPTF требует тщательной проверки на предмет деформации резьбы и правильного зацепления резьбы, а также использования резьбового герметика для герметичного уплотнения.
Никогда не используйте повторно фитинги NPTF для легковоспламеняющихся и горючих газов или жидкостей, а также для систем с опасными и агрессивными газами или жидкостями.Резьбовые герметики и NPTF
В некоторых случаях для резьбовых соединений NPTF требуется резьбовой герметик:
- При повторном использовании фитингов NPTF, что не рекомендуется
- Когда детали с резьбой NPTF и NPT смешиваются или используются вместе
Резьбовые герметики
Герметики представляют собой тефлоновую (ПТФЭ) ленту или резьбовые герметики, также называемые трубной пастой. При сборке соединений заполняют любые пустоты между гребнями и впадинами сопрягаемой резьбы, которые оставляют спиральный путь утечки. Герметики также обеспечивают смазку, которая делает установку металлической резьбы более управляемой, и помогают предотвратить истирание.
Преимущество тефлоновой ленты в том, что она дешевая, ее легко носить с собой и она менее пачкается, чем герметизирующие пасты или компаунды.
Технически тефлоновая лента не является резьбовым герметиком. Вместо этого он герметизирует соединения NPT, закупоривая спиральный путь вокруг гребней резьбы. Существуют различные типы и цвета тефлоновой ленты. Различия в цвете, толщине и составе материала обеспечивают варианты, соответствующие размеру трубопровода и тому, что он несет. Например, белая тефлоновая лента одинарной плотности широко используется в сантехнике.Присадки или пасты для труб на основе растворителя, обычно наносятся кистью и совместимы с металлами и пластмассами. Существуют также анаэробные смоляные соединения, используемые для резьбовых герметиков. Анаэробные герметики не содержат растворителей и обеспечивают более долговечную герметизацию, но их химический состав должен быть правильно подобран для обеспечения совместимости при использовании с пластиковыми фитингами.
Пластмассовое колено с резьбой NPT
В журнале Plant Engineering есть полезная обзорная статья, посвященная рекомендациям по выбору герметика для трубной резьбы.
Пластиковое колено с внутренней резьбой и наружной резьбой NPT серии FMA >>
Как правило, подходящий герметик для резьбовых пластиковых соединений должен быть незатвердевающим, совместимым с типом пластика и не содержать смазку, которая облегчает перетягивание. Вы можете ознакомиться с Руководством по установке фитингов с пластиковой конической резьбой ISM для получения дополнительной информации об этом.
Заедание металлической трубной резьбы
Что раздражает?
Заедание резьбы — это тип износа металла, называемый адгезионным износом. Когда две металлические поверхности скользят друг относительно друга под достаточной нагрузкой, давление и трение заставляют металл отрываться или отрываться от одной поверхности и привариваться (холодная сварка) к другой поверхности. В результате образуются задиры, которые вызывают повреждение резьбы, протечки и заедание.
Во время сборки и разборки резьбовые соединения из нержавеющей стали, стали, алюминия или латуни могут истираться. Склонность к истиранию особенно характерна для соединений с конической резьбой. В то время как латунь и бронза устойчивы к истиранию, а полностью закаленная сталь очень устойчива к истиранию, истирание резьбы часто встречается в нержавеющей стали.
Длительные эффекты истирания
- Истирающие напряжения и разрывы резьбы, которые деформируют резьбовые соединения
- После истирания остаются мельчайшие металлические частицы и мусор, которые могут стать потенциальными загрязнителями
- Истирание резьбы внутреннего порта вызывает повреждение резьбы, которое дорого и трудно ремонтировать
Резьбовой фитинг из нержавеющей стали NPTF
Как предотвратить заедание
Используйте специальные уплотнительные ленты или резьбовые герметики для предотвращения заедания металлической резьбы, особенно с коническими резьбовыми соединениями из нержавеющей стали, такими как NPT и NPTF.
Герметики и ленты для металлической резьбы, особенно для нержавеющей стали, разработаны таким образом, чтобы предотвратить истирание, заедание и коррозию.Серия 2530 Резьбовая втулка Camozzi NPTF из нержавеющей стали >>>
Тепло является важным фактором, вызывающим заедание металлической резьбы. Замедление затягивания резьбовых металлических соединений ключом приводит к меньшему выделению тепла от трения и позволяет более эффективно рассеивать генерируемое тепло.
Предотвращение заедания конической резьбы:
- Не затягивайте слишком сильно металлические соединения NPT и NPTF, особенно соединения из нержавеющей стали. Правильный герметик
- Используйте подходящие противозадирные смазки для металлов для соединений NPTF и смазочные резьбовые герметики для соединений NPT.
Посадка с натягом как для NPT, так и для NPTF
Правильная установка соединений NPT и NPTF создает фрикционную посадку с натягом.
Резьбовой конус скрепляет боковые стороны резьбы вместе. Эта сила этого расклинивания создает постоянное упругое напряжение (упругая деформация) на боковых сторонах резьбы. Это упругое напряжение и трение между сопрягаемыми поверхностями делают соединения NPT и NPTF герметичными и прочными.Резьбы NPT и NPTF будут свинчиваться, но они немного различаются диаметром вершины резьбы (большой диаметр) и основания резьбы (меньший диаметр), а также допустимыми допусками. Хотя гребни резьбы NPTF имеют ту же форму и большой диаметр, что и NPT, диапазон их допусков уже и более тщательно контролируется. Второстепенные диаметры NPTF немного меньше, чем у NPT, что делает их основание резьбы усеченным или более мелким, чем у резьбы NPT.
Хотя резьба NPTF имеет такую же конусность, что и резьба NPT, они имеют усеченные или укороченные основания резьбы, которые пересекаются с гребнями сопрягаемой резьбы. Эта посадка с натягом придавливает гребни резьбы к усеченным основаниям резьбы.
В результате получается механическое герметичное уплотнение, не требующее резьбового герметика.NPT и NPTF являются соединениями, чувствительными к крутящему моменту.
NPT и NPTF используют конусную резьбу для создания помех между наружной и внутренней резьбой. Это взаимодействие вызывает упругую деформацию, поскольку соединения затягиваются и плотно удерживают сопрягаемые резьбы вместе. NPTF использует дополнительное натягивание резьбы, чтобы придавить гребни резьбы к основанию резьбы. Сдавливание гребней резьбы создает механическое герметичное уплотнение. Оба типа посадок с натягом требуют тщательной затяжки для получения желаемого эффекта. Недостаточное затягивание может привести к плохой герметизации и слабым соединениям, но чрезмерное затягивание может привести к устранению более сложных проблем. Чувствительность к крутящему моменту — это термин, используемый для обозначения необходимости тщательно контролируемой установки с затяжкой гаечным ключом NPT и NPTF.

Чувствительность к крутящему моменту по существу означает, что NPT и NPTF чувствительны к чрезмерной затяжке, поскольку они могут необратимо деформировать резьбу. Основная причина этого заключается в том, что NPT и NPTF имеют коническую резьбу. В то время как конус создает функциональную посадку с натягом трения между боковыми сторонами резьбы, этот конус также может действовать как клин. Относительно легко перетянуть и навсегда деформировать резьбу или даже расколоть или треснуть охватывающее соединение. Вместо измерения крутящего момента он затягивается вручную плюс правильное расстояние затяжки гаечным ключом (плотное зацепление гаечным ключом), что обеспечивает хорошее соединение.
Примечание. Не используйте крутящий момент в качестве эталона для установки компонентов с резьбой NPT и NPTF, поскольку соединения труб всегда будут различаться:
- Возможны смешанные материалы для наружной и внутренней резьбы,
- Различные типы скользкости или смазывающей способности герметика
- Различия в толщине стенок компонентов
- Различия в шероховатости поверхности резьбы
- Различия в резьбах и их конусности
- И другие факторы
Установка, необходимая для прочных, герметичных соединений
Правильная установка NPT и NPTF начинается с затягивания пальцами или руками, а также нескольких поворотов с затяжкой гаечным ключом.
Такое затягивание гаечным ключом называется плотным зацеплением гаечным ключом. Простое эмпирическое правило для установки конической трубной резьбы, как металлической, так и пластиковой, заключается в затягивании от руки плюс один-два оборота гаечным ключом. Будьте осторожны с чрезмерной затяжкой соединений NPT и NPTF.FTHT (Fit to Hand Tight) представляет собой резьбовой узел, затянутый вручную, но без нанесения герметика на резьбу.
TFFT (повороты после затяжки от руки) или TPFT (повороты после затяжки от руки) — рекомендуемое количество полных оборотов фитинга после затяжки соединения от руки.
FFWR (сопротивление гаечному ключу), также называемый методом лысок, представляет собой количество граней или шестигранников на фитинге, которое должно пройти положение сухой посадки, как только вы почувствуете сопротивление гаечному ключу. Сухая посадка – это положение, при котором фитинг затягивается вручную без какого-либо герметика или смазки на резьбе.
Затягивание резьбы вручную (A) и затягивание резьбы гаечным ключом (B)
Установка компонентов с резьбой NPT герметичные уплотнения:
- Убедитесь, что наружная и внутренняя резьбы чистые и не имеют заусенцев и зазубрин
- Правильно нанесите подходящий и совместимый герметик на наружную резьбу
- Затяните фитинг вручную, пока он не затянется от руки в отверстии с внутренней резьбой
- С помощью гаечного ключа затяните резьбовое соединение до точки зацепления резьбы с затяжкой гаечным ключом*
- Для фигурных фитингов затяните гаечным ключом до минимального рекомендованного оборота после затяжки вручную, а затем затяните по мере необходимости, чтобы получить желаемую ориентацию
.

Этот вариант действий по установке компонентов с резьбой NPT и NPTF представляет собой более подробный и тщательный способ сборки этих соединений, обеспечивающий наилучшую гарантию герметичности уплотнения:
- Убедитесь, что наружная и внутренняя резьбы чистые и не имеют заусенцев и зазубрин
- Убедитесь, что внутренняя и наружная резьбы нарезаны правильно, проверив их в соответствии с соответствующим стандартом резьбы
- Вверните и затяните фитинг до упора от руки
- Сосчитайте оставшуюся оголенную резьбу, а также отметьте оба компонента в этом положении сухой посадки, которое является точкой затяжки резьбы вручную или пальцами
- Разберите резьбовые детали и правильно нанесите подходящий и совместимый герметик или смазку на наружную резьбу
- Снова затяните детали вручную, пока они не окажутся в положении сухой посадки
- С помощью гаечного ключа затяните резьбовое соединение до точки зацепления резьбы, затянутой ключом
- Для фигурных фитингов затяните гаечным ключом до минимального рекомендованного оборота после затяжки вручную, а затем затяните по мере необходимости, чтобы получить желаемую ориентацию
* Точка зацепления резьбы под ключ для фитингов NPT и NPTF размером менее 1 дюйма обычно составляет от 1-1/2 до 3 оборотов.
Затяжка гаечным ключом для фитингов от 1 до 2 дюймов составляет от 1 до 2-1/2 оборотов. Обратитесь к «Руководству по машинному оборудованию» для получения более подробной информации о затягивании резьбы ключом.«Руководство по машинному оборудованию» — это настоятельно рекомендуемый справочник, в котором указано точное расстояние затяжки ключа (резьбовое зацепление) для установки резьбы NPT и NPTF. Имейте в виду, что между производителями и допустимыми допусками резьбы могут быть расхождения.
В целом, особенно для фигурных фитингов (тройники, колена и т. д.), никогда не отворачивайте установленный фитинг, чтобы обеспечить правильное выравнивание. Ослабление установленных фитингов труб разрушает герметик, что приводит к протечке.
Отличие установки NPTF от NPT
Как правило, резьбовой герметик не требуется для резьбы NPTF. Кроме того, измерение резьбы NPTF для подтверждения того, что она соответствует стандартам резьбы NPTF, является более сложной задачей, чем относительно несложное использование проверки «годен» / «не годен» для соединений NPT.
Измерение NPTF предполагает использование двух калибров-пробок для внутренней резьбы и двух других калибров-колец для наружной резьбы. Если измерение не выполняется, следуйте обычному процессу установки NPT.Требования к проверке резьбы NPTF
NPTF и класс резьбы
NPTF Трубная резьба для сухих уплотнений имеет две классификации резьбы, называемые классом 1 и классом 2. Эти классы резьбы отличаются только проверками, требуемыми стандартом на резьбу NPTF. Резьба класса 2 идентична резьбе класса 1, за исключением дополнительных проверок резьбы.Резьба класса 1 NPTF
Класс 1 NPTF Измерение проверяет конусность резьбы и диаметр шага, а также длину резьбы, затянутую вручную и ключом. Усечения гребня и впадины класса 1 не измеряются, поскольку обычно считается, что резьба изготавливается с помощью хорошо контролируемой оснастки. Некоторые пользователи добавляют резьбовой герметик в резьбу класса 1 NPTF, когда это требуется в критических условиях.
Резьба NPTF класса 2
Измерение NPTF класса 2 добавляет необходимые проверки на усечение резьбы и вершины. Калибровка класса 2 обеспечивает наибольшую гарантию получения герметичного уплотнения от сдавливания гребней резьбы во время установки. В некоторых случаях среда, протекающая через систему, является слишком коррозионной для герметиков, но герметичные уплотнения имеют решающее значение.Дополнительные ресурсы по измерениям NPT и NPTF
Хорошим ресурсом для лучшего понимания резьбовых калибров NPT и NPTF является Основное руководство пользователя NPT и NPTF Gage от Vermont Gage . Этот загружаемый PDF-файл содержит отличные иллюстрации и краткое изложение основных вопросов, но мало справочной информации или инструкций по использованию датчиков.
Vermont Gage Трубная резьба-пробка.
Гластонбери Компания Southern Gage (GSG) проводит отличный технический семинар, который можно загрузить в формате PDF через своего дистрибьютора Willrich Precision Instrument (WPI).
Резьба, Технический семинар промежуточного уровня, посвященный проектированию, номенклатуре, приемлемости и калибровке , вероятно, является одним из лучших и наиболее доступных ресурсов по этому вопросу. На хорошо иллюстрированных 52 страницах он охватывает множество материалов из разных тем, но вы можете быстро перейти к разделам NPT и NPTF.Кольцевые калибры с трубной резьбой Vermont Gage
Вынос трубной резьбы NPT и NPTF
Хотя формы резьбы NPT и NPTF почти идентичны, NPT является резьбой общего назначения, для которой требуется резьбовой герметик для герметичного уплотнения, и нужно обдуманно выбирать герметик. NPTF создает прочное герметичное механическое уплотнение без использования герметика. Для комбинирования резьбовых фитингов NPT и NPTF требуются резьбовые герметики для герметичных соединений. Фитинги NPT можно использовать повторно, но они требуют тщательного осмотра на предмет повреждения резьбы в результате чрезмерного затягивания.
Как правило, не используйте фитинги NPTF повторно.« Вернуться на главную страницу блога
Переключить навигациюВаш поставщик #1 труднодоступных фитингов!
Позвоните или напишите: 775-303-8122 | Электронная почта: [email protected]
Поиск
Сравнивать
БЕСПЛАТНАЯ ДОСТАВКА ПО США ЗАКАЗЫ НА СУММУ 249 ДОЛЛАРОВ США . | ОБЪЕМНЫЕ СКИДКИ ПРИ ЗАКАЗАХ ОТ 5 ИЛИ БОЛЕЕ . | У НАС ЕСТЬ ДОПОЛНИТЕЛЬНЫЙ ИНВЕНТАРЬ, СВЯЖИТЕСЬ С НАМИ ДЛЯ ЛЮБОЙ ЧАСТИ, КОТОРУЮ ВЫ НЕ НАЙДЕТЕ.
NPT — это стандарт США для конической резьбы, используемой на резьбовых трубах и фитингах. В отличие от прямой резьбы, которая имеется на болте, коническая резьба будет туго натягиваться и, следовательно, обеспечивать непроницаемое для жидкости уплотнение.
В Америке Уильям Селлерс установил стандарт для гаек, болтов и винтов, который стал Национальная трубная коническая резьба (NPT) в 1864 году. NPT определяется стандартом ANSI/ASME B1.20.1.Полусовместимый вариант под названием National Pipe Taper Fuel (NPTF) , также называемый Dryseal American National Pipe Taper Thread , определенный ASME B1.20.3, предназначен для обеспечения более герметичного уплотнения. Резьба NPTF имеет ту же базовую форму, что и NPT, но с высотой гребня и впадины, отрегулированной для посадки с натягом, что исключает спиральный путь утечки.
Этот тип резьбы является наиболее часто используемым соединением с конической трубной резьбой, используемым в оборудовании, произведенном в Северной Америке. С этой резьбой используются дополнительные средства герметизации, такие как лента Teflon®. Это соединение часто используется в гидравлических системах, хотя Национальная ассоциация гидравлических систем не рекомендует его для использования в гидравлических системах.

- NPTF физически взаимозаменяем с NPT, но имеет модифицированную резьбу для лучшего герметичного уплотнения
- Профильные уплотнения с конической резьбой с посадкой металл-металл с натягом, обычно требуется герметик для герметичных соединений
- Шаг и диаметр измеряются в дюймах
- Угол конусности составляет 0,75 дюйма на фут или 1° 47’
- Угол резьбы 60°
Спецификации резьбы NPT NPTF Размер резьбы Номинальный размер
(дюймы)Количество резьб на дюйм Номинальный наружный диаметр наружной резьбы (OD) (дюймы)
Номинальный наружный диаметр наружной резьбы (OD) (дюйм)
1 1/16 27 16/5 0,313 2 1/8 27 13/32 0,405 4 1/4 18 35/64 0,540 6 3/8 18 43/64 0,675 8 1/2 14 27/32 0,840 12 3/4 14 1-1/16 1.
05016 1 11,5 1-5/16 1,315 20 1-1/4 11,5 1-21/32 1,660 24 1-1/2 11,5 1-29/32 1.900 32 2 11,5 2-3/8 2,375 40 2-1/2 8 2-7/8 2,875 48 3 8 3-1/2 3.500 64 4 8 4-1/2 4.500 Просмотрите наш широкий выбор фитингов с конической резьбой National Pipe (NPT).

ЧТО ГОВОРЯТ НАШИ КЛИЕНТЫ:
«Отличные люди, с которыми приятно работать! Очень приятное общение. Они делают все на 110%, чтобы сделать все правильно!» — Дэвид Х. (май 2022 г.)
«Супер быстрая доставка! Единственное место в сети, где трудно найти фитинги». — Джейсон Р. (март 2021 г.)
«Очень трудно найти адаптер. Работает отлично. Быстрая доставка. Спасибо.» – Майкл Г. (январь 2022 г.)
«Это мой третий заказ, о чем он говорит? Как рекламируется!» – Терренс А. (сентябрь 2021 г.)
«Классная и лучшая цена. Цена в магазине вдвое выше. Настоятельно рекомендуется.» – Эндрю М. (август 2019 г.)
«Потрясающий сервис, профессиональный и вежливый». – Энн Р. (декабрь 2020 г.)
«Хороший продукт. Хороший дилер. Нигде больше не смог найти пресс-масленки 10-32». – Карл Н. (июль 2019 г.)
«Искал их повсюду. Наконец нашел их. Отлично работает!» — Джим Л. (декабрь 2021 г.)
«Получил в хорошем состоянии, быстрая доставка, отличный продавец.
Большое спасибо!» – Купер Б. (май 2022 г.)«Трудно найти подгонку, она прибыла быстро и точно так, как описано. Спасибо! – Винс Б. (июнь 2022 г.)
«Именно так, как описано. Претензий нет. Отличный продавец, с которым приятно иметь дело». – Ли Р. (ноябрь 2021 г.)
«Спасибо, спасибо, спасибо, что положили конец моему кошмару о примерке…» – Дэн С. (октябрь 2018 г.)
«Получил очень быстро и очень хорошего качества ! A+» – Джеймс С. (сентябрь 2018 г.)
«Да, мы очень довольны, большое спасибо за отличные продукты и обслуживание», — Пол Д. (сентябрь 2017 г.)
«Очень хорошая и точная обработка. Выглядит великолепно. Доставка была быстрой. Все хорошо.» – Питер Э. (октябрь 2021 г.)
«Высококачественный компрессионный фитинг для линии охладителя трансмиссии. Можно снять и затянуть без проблем». – Гэри М. (декабрь 2021 г.)
«Идеально подходит для моей работы (Resi HVAC) A+++» – Сэм М. (декабрь 2019 г.)
«Чистая резьба, скошенные углы, гладкий канал, качественный продукт».
– Роберт В. (декабрь 2018 г.)«Это были подходящие фитинги, полностью герметичные и с уплотнениями.» – Марк Н. (март 2022 г.)
«Единственное место в США, где есть такая примерка!! Быстрая доставка!» – Ари Л. (июнь 2021 г.)
«Фитинги прибыли раньше и отлично подошли для моего компрессора». – Майк Ф. (апрель 2020 г.)
«Я хотел заменить клапан, и я выбрал Fittings Space. Выглядит хорошо и качественно сделано». – Роберт С. (март 2021 г.)
Информационный бюллетень
Узнавайте о новинках и акциях первыми:
ANSI B1.20.1 — NPT — Коническая трубная резьба американского национального стандарта
- NPT — Коническая трубная резьба — стандарт США для конической резьбы, используемой для соединения труб и фитингов, определяется стандартом ANSI B1.20.1 «Трубная резьба общего назначения». , Дюймы
- NPTF — Национальная коническая трубная резьба с тонкой резьбой — также называемая Dryseal Американский национальный стандарт с конической трубной резьбой — это стандарт США для конической резьбы, используемой для соединения труб и фитингов, определяется ANSI B1.
20.3
Для резьбы NPT необходимо использовать герметик или ленту из политетрафторэтилена (ПТФЭ) для герметичного уплотнения. Для NPTF не требуется герметик для герметичного соединения. Резьба NPTF имеет ту же базовую форму, но с высотой гребня и впадины, отрегулированной для посадки с натягом, что исключает спиральный путь утечки.
Резьба NPT может обозначаться как MPT («наружная трубная резьба»), MNPT или NPT(M) для наружной (внешней) резьбы и FPT («внутренняя трубная резьба»), FNPT или NPT(F) для внутренняя (внутренняя) резьба. Обратите внимание, что FPT и MPT не являются разрешенными обозначениями в соответствии со стандартом ANSI.
Характеристики резьбы NPT (также известной как ANSI/ASME B1.20.1 Трубная резьба общего назначения):
- угол между конусом и центральной осью трубы 1 o 47 футов 24 дюйма (1,7899 o )
- усечение корней и гребней плоские
- 60 o угол резьбы
- шаг измеряется в витках на дюйм — TPI
16
- Размеры труб не относятся к каким-либо физическим размерам.
Внешний диаметр трубы или фитинга необходимо измерить и сравнить с таблицей для определения размера. А 3/4″ NPT трубная резьба имеет внешний диаметр — OD — 1,050 дюймов . Каждый размер резьбы имеет определенное количество витков на дюйм — TPI или шаг. Трубная резьба 3/4″ NPT имеет 14 витков на дюйм. И TPI, и OD резьбы необходимы для достоверной идентификации размера резьбы, потому что более одного размера имеют одинаковый TPI.Для просмотра полной таблицы с размерами метчиков — поверните экран!
NPT — American Standard Ship Tride Taper 1) Размер трубы
(дюймы)TPI Приблизительная длина нити (дюймы) . Общая резьба свинчивания, ручная и гаечный ключ (дюймы) Номинальный наружный диаметр трубы
Н.Д.1/16″ 27 0.
3131/8″ 27 3/8 10 1/4 0.405 R 1/4″ 18 5/8 11 3/8 0.540 7/16 3/8″ 18 5/8 11 3/8 0.675 37/64 1/2″ 14 3/4 10 7/16 0.840 23/32 3/4″ 14 3/4 10 1/2 1.050 59/64 1″ 11-1/2 7/8 10 9/16 1.315 1-5/32 1-1/4″ 11-1/2 1 11 9/16 1.660 1-1/2 1-1/2″ 11-1/2 1 11 9/16 1.
9001-47/64 2″ 11-1/2 1 11 5/8 2.375 2-7/32 2-1/2″ 8 1 1/2 12 7/8 2.875 2-5/8 3″ 8 1 1/2 12 1 3.500 3-1/4 3 -1/2″ 8 1 5/8 13 1 1/16 4.000 3-3/4 4″ 8 1 5/8 13 1 1/16 4,500 4-1/4 4 1/2″ 8 5.000 4-3/4 5″ 8 1 3/4 14 1 3/16 5.563 5-9/32 6″ 8 1 3/4 14 1 3/16 6.
6256-11/32 8″ 8 1 7/8 15 1 5/16 8,625 10″ 8 2 16 1 1/2 10.750 12″ 8 2 1/8 17 1 5 /8 12.750 14″ 8 14.000 16″ 8 16.000 1) The taper rate is 1 in 16 inch (3/4 inch in a foot or 62.5 mm in a meter)
- TPI = threads per inch
- 1 inch = 25,4 мм
Резьба NPT не взаимозаменяема с резьбой NPS — National Pipe Straight.
Пример — типовое обозначение резьбы NPT:
- 1/8–27 NPT
Резьба NPT может выглядеть аналогично резьбе ISO 7-1.
Однако не следует смешивать резьбы ISO и NPT. Резьба ISO имеет 55 9Угол конусности 2074 o по сравнению с 60 o для NPT. Конфигурации корня и гребня NPT также отличаются от ISO. Шаг резьбы ISO обычно измеряется в миллиметрах (может быть выражен в дюймах). Шаг другой.- NPS — американский национальный стандарт с прямой трубной резьбой
Обратите внимание, что и NPT, и NPS имеют одинаковый угол, форму и шаг резьбы (число резьб на дюйм). Однако резьба NPT коническая, а резьба NPS прямая (параллельная). Обе резьбы имеют прилежащий угол 60° и плоские пики и впадины.
Какая печать вам нужна?
В промышленных системах напорных трубопроводов используются различные типы трубной резьбы в зависимости от размера системы, окружающей среды и географического района. Подобно метрической и имперской системам измерения, существуют региональные стандарты и предпочтения в зависимости от отрасли.
На трубную резьбу распространяются два набора стандартов: Национальная трубная резьба (NPT) и Британский стандарт на трубную резьбу (BSP).
Эти стандарты определяют типы резьбы, используемые для соединения и герметизации трубных фитингов.- Краткая история стандартов на трубопроводную арматуру
- Важность трубной резьбы
- Что такое резьба NPT?
- Что такое резьба BSPT?
- Как отличить NPT от BSP
- Как измерить резьбу
Краткая история стандартов на трубопроводную арматуру
С конца 1700-х до середины 1800-х годов промышленная революция стала катализатором установления стандартов во всех отраслях. Традиционные способы производства перешли к новым, в значительной степени механизированным методам производства, что потребовало новых правил. Поскольку детали изготавливались и отправлялись через континенты и океаны, стал необходим стандарт резьбы, чтобы избежать несовместимых деталей.
В 1841 году британский инженер Джозеф Уитворт создал конструкцию резьбы, которая была принята многими британскими железнодорожными компаниями и быстро стала стандартом для всех резьб в Соединенном Королевстве.
В то время она была известна как британская стандартная система Уитворта.Стандарт Уитворта широко использовался в Великобритании и США в 1860-х годах, но не получил всеобщего признания. В 1864 году американский инженер Уильям Селлерс представил собственную конструкцию резьбы, чтобы положить конец широко распространенной несовместимости между американскими производителями. После того, как резьба Селлерса использовалась для железнодорожных работ, выполняемых по государственным контрактам, его конструкция стала стандартом США для винтовой резьбы.
Сегодня мы должны поблагодарить Whitworth и Sellers за стандарты трубной резьбы BSP и NPT соответственно. Географическое происхождение трубопроводной системы или ее частей по-прежнему определяет используемый стандарт резьбы; Американские производители стандартизируют свою резьбу в соответствии со стандартами NPT, в то время как Великобритания и большинство других стран придерживаются стандартов BSP.
Значение трубной резьбы
Резьбовые соединения труб обеспечивают герметичность систем, по которым проходят жидкости, газы и пар.
Резьба находится на концах труб и на фитингах, таких как муфты, колена и тройники, и может быть изготовлена из стали, латуни, бронзы, чугуна и пластика, такого как нейлон и ПВХ.Резьбовые соединения подразделяются на прямые (или параллельные) или конические , в которых один конец резьбового соединения уже другого. Конические трубные соединения используются в самых разных отраслях промышленности, включая электростанции, химическую, нефтегазовую, обрабатывающую промышленность и судоходство.
Стандарты NPT делятся на две категории: National Pipe Tapered (также NPT) и National Pipe Straight (NPS). Точно так же стандарты BSP разделены на конические (BSPT) и параллельные (BSPP).
Что такое резьба NPT?
В соответствии с оригинальной конструкцией Уильяма Селлерса резьба NPT разделена под углом 60 градусов и имеет уплощенные пики и впадины. Соединения могут иметь одинаковые размеры по всей длине резьбы ( прямые ) или суженные к концу.

Примеры конических (L) и прямых (R) фитингов. Крупный план фитинга NPT. Коническая резьба
NPT является наиболее распространенным типом резьбы для систем давления в США и Канаде. Коническая резьба предпочтительнее, потому что она создает лучшее уплотнение, что особенно важно в условиях высокого давления.
В конических соединениях фитинг с наружной резьбой (MNPT) имеет резьбу, которая фиксируется в фитинге с внутренней резьбой (FNPT), а затем натягивает фитинг с внутренней резьбой до тех пор, пока сила между ними не сможет противостоять давлению среды, проходящей по трубам.
Трубные фитинги с внутренней (L) и наружной (R) резьбой NPT.
Одной из проблем конструкции конической резьбы является то, что чрезмерное затягивание или недостаточное смазывание могут привести к заеданию или износу, вызванному трением между двумя поверхностями. Поэтому важно использовать смазку, например, вазелин или силиконовый спрей.
Резьбовой герметик также необходим для обеспечения герметичности соединений, но будьте осторожны, чтобы не перетянуть соединение, так как это может привести к утечке среды вокруг герметика.

Что такое поток NPS?
NPS, или прямая резьба National Pipe, имеют те же характеристики, что и коническая резьба Sellers, за исключением того, что они сохраняют тот же диаметр от заплечика (основания) до кончика. Для прямой трубной резьбы требуется уплотнительное кольцо или прокладка для создания герметичного уплотнения. Хотя можно добиться эффективного уплотнения при смешивании конических соединений NPT и NPS, они не считаются совместимыми и могут привести к утечкам из соединения труб.
Хотя резьба NPS не обеспечивает такого герметичного уплотнения, как коническая резьба, ее часто используют для соединения двух поверхностей различной толщины. Соединения с прямой резьбой позволяют гайке свободно перемещаться вверх и вниз по соединению, в то время как коническая резьба плотно фиксируется на месте.
Что такое резьба BSPT?
Коническая трубная резьба Британского стандарта является стандартной конструкцией для большинства конических резьб в мире. Диаметр наиболее широк в плече соединения и сужается к кончику.
Нити расположены под углом 55 градусов с закругленными вершинами и впадинами.Внутренняя (слева) и наружная (справа) трубные фитинги BSPT. Крупный план фитинга BSPT.
В отличие от конических соединений NPT, оба фитинга в соединении BSPT не обязательно должны быть коническими. Например, фитинг с внутренней резьбой может быть конусообразным, а штуцер прямым. В любом случае в соединениях BSPT необходимо использовать резьбовой герметик. Коническое соединение NPT иногда подходит к фитингу BSPT или наоборот, но они не создают эффективного уплотнения.
Что такое резьба BSPP?
Трубная параллельная резьба Британского стандарта является прямым эквивалентом резьбы BSPT. Для соединений BSPP требуется приклеенное уплотнительное кольцо, которое вставляется между заплечиком охватываемого фитинга и лицевой стороной (отверстием) охватывающего фитинга.
Внутренняя (L) и наружная (R) трубные фитинги BSPT с вклеенным уплотнительным кольцом между ними.
В отличие от других соединений, для соединения BSPP не требуется резьбовой герметик.

Как отличить резьбу NPT от BSP
Хотя разница между прямой и конической резьбой очевидна невооруженным глазом, гораздо труднее (почти невозможно) отличить фитинг NPT или BSP на глаз .
Если вы не уверены, с каким типом фитинга вы работаете, вам понадобится калибр для измерения углов резьбы. Фитинги NPT будут иметь резьбу с расширением 60 градусов, в то время как резьба BSP будет иметь расширение 55 градусов.
Ручной измеритель шага резьбы.
Используйте эту таблицу, чтобы легко сравнить NPT и BSP.
Как измерить резьбу
Независимо от того, работаете ли вы с фитингами NPT или BSP, вы, как правило, сможете отличить конические соединения от прямых. Однако, если фитинг очень маленький или имеет тонкий конус, вы не сможете определить, какой именно.
Чтобы определить тип резьбы, выполните следующие действия:
- С помощью штангенциркуля измерьте наружный диаметр (НД) первой полной резьбы, следующей за кончиком соединения.

- Начиная с кончика, отсчитайте четыре нити.
- Измерьте диаметр четвертой резьбы.
- Измерьте диаметр последней полной резьбы перед буртиком соединения.
- Если диаметр остается прежним, это прямое резьбовое соединение.
- Если диаметр увеличивается от первого витка к последнему витку (наружная резьба) или уменьшается от первого к последнему витку (внутренняя резьба), это соединение с конической резьбой.
Измерьте первый, четвертый и последний диаметры резьбы, чтобы определить шаг.
Чтобы определить шаг соединения (или степень его конусности), подсчитайте количество витков резьбы в 1-дюймовом пролете. Когда у вас будет это число и ваши измерения, вам понадобится диаграмма размера сделки, чтобы перевести их — подходящие размеры классифицируются по размеру сделки, а не по их фактическим размерам. Например, ½” NPT не обязательно имеет диаметр точно ½”.
Чтобы определить размер соединения с прямой резьбой, просто измерьте его диаметр на четвертой резьбе и сверьтесь с таблицей размеров.

- 9
211
870
021
175

5
1/4″
1/4″
1/2″
Угол профиля резьбы NPT равен 60°, а конус 1°47″. Благодаря конусу они широко используются в США как регулируемые фитинги для коленчатых и тройниковых соединений. Было обнаружено, что, несмотря на высокое предельное статическое давление, NPT/NPTF ненадежн при динамическом давлении, особенно крупные типоразмеры 1 дюйм и выше. Поэтому Parker рекомендует в новых гидравлических системах использовать альтернативные формы резьбы и уплотнения на основе эластомерных уплотнителей.
5

0084
660
NPT определяется ANSI/ASME
050
26902
38712
66562
Оба типа резьбы также имеют различия в установке, основанные на проверке резьбы на соответствие перед установкой.
Эта трубная резьба соответствует стандарту BSPT (British Standard Pipe Taper). Вы можете узнать больше о различиях между Резьба NPT и BSPT в нашей статье.
, услуги, процессы, системы и персонал в США. Он также координирует стандарты США с международными стандартами, помогая продавать американские товары по всему миру.
Второстепенный диаметр резьбы представляет собой наибольший диаметр между основаниями резьбы соединения с наружной резьбой или вершинами резьбы соединения с внутренней резьбой. связь. Меньший диаметр измеряется по отношению к центру пути потока, а также к центральной линии оси резьбы. Второстепенные диаметры резьбы NPTF меньше, чем у резьбы NPT. В результате резьба NPTF имеет меньшую глубину, чем резьба NPT.
Не более шести витков резьбы от охватываемого конца соединения входят в охватывающий порт для плотной посадки.
Как и соединения NPT, коническая резьба скрепляет соединения NPTF. И эти связи прочны и герметичны. Раздавливание гребней резьбы заполняет потенциальный спиральный путь утечки в соединениях NPT. Заполнение этого пути утечки является причиной того, что соединения NPTF обычно не нуждаются в резьбовых герметиках и почему NPTF считается соединением с сухим уплотнением.
Никогда не используйте повторно фитинги NPTF для легковоспламеняющихся и горючих газов или жидкостей, а также для систем с опасными и агрессивными газами или жидкостями.
Технически тефлоновая лента не является резьбовым герметиком. Вместо этого он герметизирует соединения NPT, закупоривая спиральный путь вокруг гребней резьбы. Существуют различные типы и цвета тефлоновой ленты. Различия в цвете, толщине и составе материала обеспечивают варианты, соответствующие размеру трубопровода и тому, что он несет. Например, белая тефлоновая лента одинарной плотности широко используется в сантехнике.

Герметики и ленты для металлической резьбы, особенно для нержавеющей стали, разработаны таким образом, чтобы предотвратить истирание, заедание и коррозию.
Резьбовой конус скрепляет боковые стороны резьбы вместе. Эта сила этого расклинивания создает постоянное упругое напряжение (упругая деформация) на боковых сторонах резьбы. Это упругое напряжение и трение между сопрягаемыми поверхностями делают соединения NPT и NPTF герметичными и прочными.
В результате получается механическое герметичное уплотнение, не требующее резьбового герметика.
Такое затягивание гаечным ключом называется плотным зацеплением гаечным ключом. Простое эмпирическое правило для установки конической трубной резьбы, как металлической, так и пластиковой, заключается в затягивании от руки плюс один-два оборота гаечным ключом. Будьте осторожны с чрезмерной затяжкой соединений NPT и NPTF.
Затяжка гаечным ключом для фитингов от 1 до 2 дюймов составляет от 1 до 2-1/2 оборотов. Обратитесь к «Руководству по машинному оборудованию» для получения более подробной информации о затягивании резьбы ключом.
Измерение NPTF предполагает использование двух калибров-пробок для внутренней резьбы и двух других калибров-колец для наружной резьбы. Если измерение не выполняется, следуйте обычному процессу установки NPT.
Резьба, Технический семинар промежуточного уровня, посвященный проектированию, номенклатуре, приемлемости и калибровке , вероятно, является одним из лучших и наиболее доступных ресурсов по этому вопросу. На хорошо иллюстрированных 52 страницах он охватывает множество материалов из разных тем, но вы можете быстро перейти к разделам NPT и NPTF.
Как правило, не используйте фитинги NPTF повторно.
В Америке Уильям Селлерс установил стандарт для гаек, болтов и винтов, который стал Национальная трубная коническая резьба (NPT) в 1864 году. NPT определяется стандартом ANSI/ASME B1.20.1.
050
Большое спасибо!» – Купер Б. (май 2022 г.)
– Роберт В. (декабрь 2018 г.)
20.3
Внешний диаметр трубы или фитинга необходимо измерить и сравнить с таблицей для определения размера. А 3/4″ NPT трубная резьба имеет внешний диаметр — OD — 1,050 дюймов . Каждый размер резьбы имеет определенное количество витков на дюйм — TPI или шаг. Трубная резьба 3/4″ NPT имеет 14 витков на дюйм. И TPI, и OD резьбы необходимы для достоверной идентификации размера резьбы, потому что более одного размера имеют одинаковый TPI.
313
900
625
Однако не следует смешивать резьбы ISO и NPT. Резьба ISO имеет 55 9Угол конусности 2074 o по сравнению с 60 o для NPT. Конфигурации корня и гребня NPT также отличаются от ISO. Шаг резьбы ISO обычно измеряется в миллиметрах (может быть выражен в дюймах). Шаг другой.
Эти стандарты определяют типы резьбы, используемые для соединения и герметизации трубных фитингов.
В то время она была известна как британская стандартная система Уитворта.
Резьба находится на концах труб и на фитингах, таких как муфты, колена и тройники, и может быть изготовлена из стали, латуни, бронзы, чугуна и пластика, такого как нейлон и ПВХ.
Нити расположены под углом 55 градусов с закругленными вершинами и впадинами.

